TOP
|
特許
|
意匠
|
商標
特許ウォッチ
Twitter
他の特許を見る
10個以上の画像は省略されています。
公開番号
2025130957
公報種別
公開特許公報(A)
公開日
2025-09-09
出願番号
2024028374
出願日
2024-02-28
発明の名称
電源装置及び画像形成装置
出願人
沖電気工業株式会社
代理人
個人
,
個人
,
個人
主分類
H02M
3/28 20060101AFI20250902BHJP(電力の発電,変換,配電)
要約
【課題】1トランスタイプの電源装置において、省エネモードでの消費電力を低減する。
【解決手段】電源130は、交流電圧を整流し、平滑化することで、平滑化電圧を出力する一次整流平滑回路132と、平滑化電圧を絶縁するとともに、第1のモードで、平滑化電圧をパワー出力電圧に変換する一次-二次変換部133と、パワー出力電圧をロジック出力電圧に降圧するDC-DCコンバータ136と、を備え、第1のモードよりも消費電力が低い第2のモードにおいて、一次-二次変換部133は、平滑化電圧を、パワー出力電圧の代わりにロジック出力電圧に変換し、DC-DCコンバータ136は、第2のモードにおいて動作を停止し、第1のモードでは、パワー出力電圧及びロジック出力電圧を出力し、第2のモードでは、ロジック出力電圧を出力することを特徴とする。
【選択図】図2
特許請求の範囲
【請求項1】
交流電圧を整流し、平滑化することで、平滑化電圧を出力する整流平滑部と、
前記交流電圧の供給側から絶縁するとともに、第1のモードで、前記平滑化電圧をパワー出力電圧に変換する変換部と、
前記パワー出力電圧を、前記パワー出力電圧よりも低い電圧であるロジック出力電圧に降圧する降圧部と、を備え、
前記第1のモードよりも消費電力が低い第2のモードにおいて、前記変換部は、前記平滑化電圧を、前記パワー出力電圧の代わりに前記ロジック出力電圧に変換し、
前記降圧部は、前記第2のモードにおいて動作を停止し、
前記第1のモードでは、前記パワー出力電圧及び前記ロジック出力電圧を出力し、前記第2のモードでは、前記ロジック出力電圧を出力すること
を特徴とする電源装置。
続きを表示(約 880 文字)
【請求項2】
前記交流電圧の二本の供給路のそれぞれに直列に接続された二つのコンデンサを含み、前記二つのコンデンサから放電された電圧を整流し、平滑化することで、前記ロジック出力電圧を出力し、前記変換部と並列に接続されている出力部をさらに備え、
前記第2のモードよりも消費電力の低い第3のモードでは、前記変換部の動作も停止させて、前記出力部からの前記ロジック出力電圧を出力すること
を特徴とする請求項1に記載の電源装置。
【請求項3】
前記第2のモードにおいて、前記変換部で変換された前記ロジック出力電圧を、前記降圧部を迂回させて出力する迂回部をさらに備えること
を特徴とする請求項1又は2に記載の電源装置。
【請求項4】
前記迂回部は、前記第1のモードでは前記変換部からの接続線をオフとし、前記第2のモードでは前記変換部からの接続線をオンとするスイッチを有すること
を特徴とする請求項3に記載の電源装置。
【請求項5】
前記スイッチはリレーであること
を特徴とする請求項4に記載の電源装置。
【請求項6】
前記スイッチは半導体であること
を特徴とする請求項4に記載の電源装置。
【請求項7】
前記スイッチは、前記第2のモードをオン又はオフにする信号に従って、オン又はオフとなること
を特徴とする請求項4に記載の電源装置。
【請求項8】
前記変換部は、前記第2のモードをオン又はオフにする信号に従って、出力する電圧を、前記パワー出力電圧及び前記ロジック出力電圧との間で切り替えること
を特徴とする請求項1に記載の電源装置。
【請求項9】
請求項1、2及び8の何れか一項に記載の電源装置を備えること
を特徴とする画像形成装置。
【請求項10】
請求項3に記載の電源装置を備えること
を特徴とする画像形成装置。
(【請求項11】以降は省略されています)
発明の詳細な説明
【技術分野】
【0001】
本開示は、電源装置及び画像形成装置に関する。
続きを表示(約 1,600 文字)
【背景技術】
【0002】
従来から、通常モードと、通常モードよりも消費電力の低い省エネモードとで動作する画像形成装置がある。そのような画像形成装置の電源には、二つのトランスを有する2トランスタイプと、一つのトランスを有する1トランスタイプとがある。
【0003】
画像形成装置では、商用電源からのAC(Alternating Current)を、DC(Direct Current)に変換するトランスを備えている。2トランスタイプは、通常モード用のメイン電源(DC24V)と、省エネモード用のサブ電源(DC5V)とを搭載している。一方、1トランスタイプは、メイン電源のみを搭載し、降圧DC-DCコンバータにより降圧された電圧(例えば、DC5V)を生成する。
1トランスタイプは、サブ電源を搭載していないため、より小型化に有利である。
【先行技術文献】
【特許文献】
【0004】
特開2022-39229号公報
【発明の概要】
【発明が解決しようとする課題】
【0005】
しかしながら、1トランスタイプは、サブ電源が未搭載のため、省エネモード時の電力が高くなるという問題があった。
【0006】
そこで、本開示の一又は複数の態様は、1トランスタイプの電源装置において、省エネモードでの消費電力を低減することを目的とする。
【課題を解決するための手段】
【0007】
本開示の一態様に係る電源装置は、交流電圧を整流し、平滑化することで、平滑化電圧を出力する整流平滑部と、前記交流電圧の供給側から絶縁するとともに、第1のモードで、前記平滑化電圧をパワー出力電圧に変換する変換部と、前記パワー出力電圧を、前記パワー出力電圧よりも低い電圧であるロジック出力電圧に降圧する降圧部と、を備え、前記第1のモードよりも消費電力が低い第2のモードにおいて、前記変換部は、前記平滑化電圧を、前記パワー出力電圧の代わりに前記ロジック出力電圧に変換し、前記降圧部は、前記第2のモードにおいて動作を停止し、前記第1のモードでは、前記パワー出力電圧及び前記ロジック出力電圧を出力し、前記第2のモードでは、前記ロジック出力電圧を出力することを特徴とする。
【0008】
本開示の一態様に係る画像形成装置は、上記の電源装置を備えることを特徴とする。
【発明の効果】
【0009】
本開示の一又は複数の態様によれば、1トランスタイプの電源において、省エネモードでの消費電力を低減することができる。
【図面の簡単な説明】
【0010】
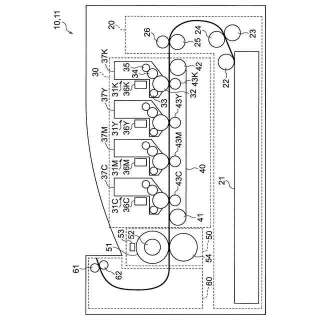
実施の形態1及び2に係る画像形成装置の構成を概略的に示す断面図である。
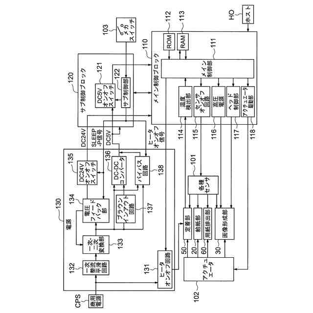
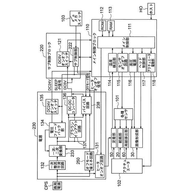
実施の形態1に係る画像形成装置の制御系の構成を示すブロック図である。
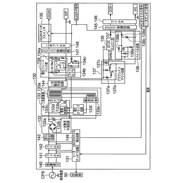
実施の形態1における電源の詳細構成を示す回路図である。
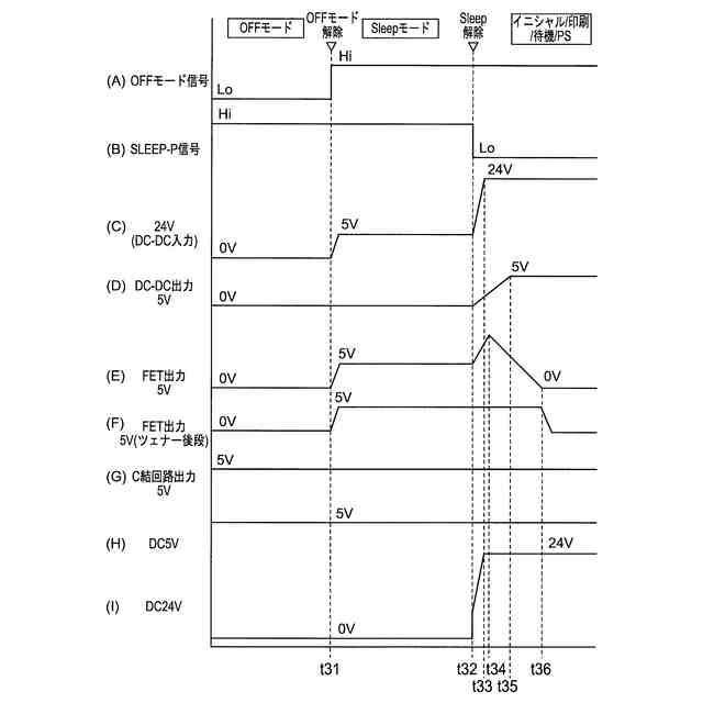
(A)~(H)は、実施の形態1に係る画像形成装置がSleepモードに移行する際の信号及び電圧を示すタイムチャートである。
(A)~(H)は、実施の形態1に係る画像形成装置がSleepモードから復帰する際の信号及び電圧を示すタイムチャートである。
実施の形態2に係る画像形成装置の制御系の構成を示すブロック図である。
実施の形態2における電源の詳細構成を示す回路図である。
(A)~(I)は、実施の形態2に係る画像形成装置がSleepモード及びOFFモードに移行する際の信号及び電圧を示すタイムチャートである。
(A)~(I)は、実施の形態2に係る画像形成装置がOFFモードから復帰する際の信号及び電圧を示すタイムチャートである。
【発明を実施するための形態】
(【0011】以降は省略されています)
この特許をJ-PlatPat(特許庁公式サイト)で参照する
関連特許
沖電気工業株式会社
画像形成装置
1日前
沖電気工業株式会社
画像形成装置
1日前
沖電気工業株式会社
紙葉類取扱装置及び現金処理装置
5日前
沖電気工業株式会社
部品管理装置、プログラムおよび方法
1日前
沖電気工業株式会社
直流電源装置および二次電池充電方法
1日前
沖電気工業株式会社
ナビゲーションシステム
今日
個人
電源装置
12日前
個人
永久磁石モーター
28日前
個人
バッテリ内蔵直流電源
11日前
株式会社FUJI
制御盤
1日前
オムロン株式会社
電源回路
5日前
オムロン株式会社
電源回路
5日前
オムロン株式会社
電源回路
5日前
個人
移動体を用いる駐車場発電所
1か月前
トヨタ自動車株式会社
回転子
12日前
エイブリック株式会社
バッテリ装置
29日前
日産自動車株式会社
電子機器
22日前
ニデック株式会社
モータの制御方法
19日前
東京応化工業株式会社
発電装置
5日前
トヨタ自動車株式会社
溶接装置
25日前
ミサワホーム株式会社
居住設備
1日前
大豊工業株式会社
モータ
11日前
井関農機株式会社
充電システム
22日前
株式会社リコー
拡張アンテナ装置
4日前
三菱ケミカル株式会社
電池
28日前
ユタカ電業株式会社
ケーブルダクト
1日前
富士電子工業株式会社
電力変換装置
13日前
愛知電機株式会社
巻線方法および巻線装置
27日前
NTN株式会社
モータユニット
1日前
株式会社アイシン
直流回転電機
25日前
株式会社正興電機製作所
地絡確認装置
4日前
株式会社ダイヘン
電力管理装置
20日前
株式会社ミツバ
巻線装置
4日前
株式会社ダイヘン
電力変換装置
27日前
大阪瓦斯株式会社
蓄電装置
28日前
株式会社ダイヘン
変換装置集積体
27日前
続きを見る
他の特許を見る