TOP
|
特許
|
意匠
|
商標
特許ウォッチ
Twitter
他の特許を見る
公開番号
2025178489
公報種別
公開特許公報(A)
公開日
2025-12-08
出願番号
2022146837
出願日
2022-09-15
発明の名称
硫黄含有材料の製造方法
出願人
株式会社ADEKA
代理人
個人
,
個人
,
個人
,
個人
主分類
H01M
4/58 20100101AFI20251201BHJP(基本的電気素子)
要約
【課題】放電容量が大きい電池を形成可能な硫黄含有材料の製造方法を提供する。
【解決手段】硫黄成分及び硫黄変性化合物を含む原料組成物をメカノケミカル処理するメカノケミカル処理工程を有する硫黄含有材料の製造方法である。
【選択図】なし
特許請求の範囲
【請求項1】
硫黄成分及び硫黄変性化合物を含む原料組成物をメカノケミカル処理するメカノケミカル処理工程を有する硫黄含有材料の製造方法。
続きを表示(約 760 文字)
【請求項2】
前記原料組成物において、前記硫黄成分が、前記硫黄変性化合物100質量部に対して、5質量部以上100質量部以下含まれる請求項1に記載の硫黄含有材料の製造方法。
【請求項3】
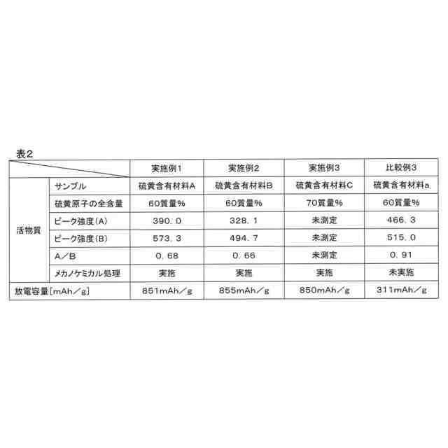
前記硫黄含有材料が、Cu-Kα線を用いた粉末X線回折において、回折角度(2θ)が23.0°~23.4における最大のピーク強度(A)と、回折角度(2θ)が24.8°~25.2°における最大のピーク強度(B)との比(A/B)が1.5以下(A/B≦1.5)である請求項1に記載の硫黄含有材料の製造方法。
【請求項4】
前記メカノケミカル処理が、乾式の粉砕処理である請求項1に記載の硫黄含有材料の製造方法。
【請求項5】
単体硫黄及び有機化合物を含む混合物を加熱処理して加熱処理物を形成する加熱処理工程と、
加熱処理工程で得られた加熱処理物をメカノケミカル処理するメカノケミカル処理工程とを有する硫黄含有材料の製造方法。
【請求項6】
前記加熱処理工程における加熱処理が、非酸化性雰囲気下、250℃以上500℃以下で前記混合物を加熱する処理である請求項5に記載の硫黄含有材料の製造方法。
【請求項7】
前記加熱処理が、硫黄蒸気を排出しながら加熱する処理である請求項5又は請求項6に記載の硫黄含有材料の製造方法。
【請求項8】
前記硫黄含有材料が、Cu-Kα線を用いた粉末X線回折において、回折角度(2θ)が23.0°~23.4°における最大のピーク強度(A)と、回折角度(2θ)が24.8°~25.2°における最大のピーク強度(B)との比(A/B)が1.5以下(A/B≦1.5)である請求項5に記載の硫黄含有材料の製造方法。
発明の詳細な説明
【技術分野】
【0001】
本開示は、硫黄含有材料の製造方法に関する。
続きを表示(約 1,100 文字)
【背景技術】
【0002】
電池は様々な用途に使用される。電池の特性は、その構成部材である電極、セパレータ、電解質等に依存し、各構成部材の研究開発が盛んに行われている。電極においては、結着剤、集電材等と共に、電極活物質が重要であり、電極活物質の研究開発が盛んに行われている。電極活物質としては、例えば、硫黄含有材料及びその製造方法が知られている(例えば、特許文献1~3を参照)。
【先行技術文献】
【特許文献】
【0003】
米国特許第9,620,772号明細書
国際公開第2019/176618号
米国特許出願公開第2014/0134485号明細書
【発明の概要】
【発明が解決しようとする課題】
【0004】
特許文献1等で用いられる硫黄含有材料には、放電容量が大きい電池を形成できることが求められているが、従来の製造方法で得られた硫黄含有材料は放電容量が不十分であるという課題があった。
【0005】
本開示は、上記課題を解決するためになされたものであり、放電容量が大きい電池を形成可能な硫黄含有材料の製造方法を提供することを目的とする。
【課題を解決するための手段】
【0006】
本発明者らは、上記課題を解決すべく鋭意検討した結果、硫黄を含む特定の材料をメカノケミカル法で処理する工程を有する硫黄含有材料の製造方法が、上記課題を解決できることを見出し、本発明を完成させるに至った。
【0007】
すなわち、本開示は、第1態様として、硫黄成分及び硫黄変性化合物を含む原料組成物をメカノケミカル処理するメカノケミカル処理工程を有する硫黄含有材料の製造方法である。
【0008】
本開示の第1態様によれば、放電容量が大きい電池を形成可能な硫黄含有材料を容易に製造できる硫黄含有材料の製造方法を提供することができる。
【0009】
本開示の第1態様においては、上記原料組成物において、上記硫黄成分が、上記硫黄変性化合物100質量部に対して、5質量部以上100質量部以下含まれることが好ましい。
【0010】
本開示の第1態様においては、上記硫黄含有材料が、Cu-Kα線を用いた粉末X線回折において、回折角度(2θ)が23.0°~23.4°における最大のピーク強度(A)と、回折角度(2θ)が24.8°~25.2°における最大のピーク強度(B)との比(A/B)が1.5以下(A/B≦1.5)であることが好ましい。
(【0011】以降は省略されています)
特許ウォッチbot のツイートを見る
この特許をJ-PlatPat(特許庁公式サイト)で参照する
関連特許
株式会社ADEKA
油脂組成物
5日前
株式会社ADEKA
植物ミルク
5日前
株式会社ADEKA
植物ミルク
5日前
株式会社ADEKA
植物ミルク
5日前
株式会社ADEKA
殺菌済み植物ミルク
5日前
株式会社ADEKA
硫黄含有材料の製造方法
2日前
株式会社ADEKA
シュー生地用油脂組成物
12日前
株式会社ADEKA
飲食料製造ライン用脱臭剤組成物
5日前
株式会社ADEKA
リチウムイオン二次電池の製造方法
今日
個人
三重コイル変圧器
今日
APB株式会社
蓄電セル
1か月前
東ソー株式会社
絶縁電線
1か月前
日機装株式会社
加圧装置
5日前
ローム株式会社
半導体装置
今日
ローム株式会社
半導体装置
1か月前
日新イオン機器株式会社
イオン源
5日前
マクセル株式会社
電源装置
1か月前
株式会社東芝
端子台
1か月前
株式会社GSユアサ
蓄電装置
1か月前
富士電機株式会社
電磁接触器
20日前
株式会社ホロン
冷陰極電子源
1か月前
株式会社GSユアサ
蓄電装置
20日前
株式会社GSユアサ
蓄電装置
1か月前
三菱電機株式会社
回路遮断器
28日前
株式会社GSユアサ
蓄電装置
1か月前
日本特殊陶業株式会社
保持装置
1か月前
日本特殊陶業株式会社
保持装置
今日
大電株式会社
電線又はケーブル
12日前
日本特殊陶業株式会社
保持装置
1か月前
トヨタ自動車株式会社
バッテリ
1か月前
トヨタ自動車株式会社
蓄電装置
12日前
トヨタ自動車株式会社
蓄電装置
1か月前
個人
電源ボックス及び電子機器
5日前
トヨタ自動車株式会社
冷却構造
1か月前
株式会社東芝
電子源
5日前
株式会社トクミ
ケーブル
6日前
続きを見る
他の特許を見る