TOP
|
特許
|
意匠
|
商標
特許ウォッチ
Twitter
他の特許を見る
公開番号
2025156940
公報種別
公開特許公報(A)
公開日
2025-10-15
出願番号
2024059717
出願日
2024-04-02
発明の名称
固体酸化物形燃料電池の製造方法
出願人
日産自動車株式会社
代理人
弁理士法人後藤特許事務所
主分類
H01M
8/124 20160101AFI20251007BHJP(基本的電気素子)
要約
【課題】電解質層の割れ、及び、空気極層の劣化を抑制することができる、固体酸化物形燃料電池の製造方法を提供すること。
【解決手段】固体酸化物形燃料電池の製造方法は、積層体作製工程と、空気極前駆体層を焼成することにより空気極層を形成する、空気極形成工程と、を含む。空気極形成工程は、燃料極閉空間と、空気極閉空間とを形成する、閉空間形成工程と、燃料極閉空間に還元性ガスを供給し、空気極閉空間に酸素を含む酸化性ガスを供給した状態で、空気極前駆体層を焼成する、焼成工程とを含む。
【選択図】図3
特許請求の範囲
【請求項1】
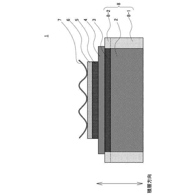
金属支持体層、燃料極層、電解質層、及び空気極前駆体層がこの順に積層された構成を有する積層体を作製する、積層体作製工程と、
前記空気極前駆体層を焼成することにより空気極層を形成する、空気極形成工程と、
を含み、
前記金属支持体層は、多孔質構造を有し、ステンレスを含む材料により形成され、
前記空気極形成工程は、
前記燃料極層及び前記金属支持体層を含む燃料極閉空間と、前記空気極前駆体層を含む空気極閉空間とを形成する、閉空間形成工程と、
前記燃料極閉空間に還元性ガスを供給し、前記空気極閉空間に酸素を含む酸化性ガスを供給した状態で、前記空気極前駆体層を焼成する、焼成工程と、
を含んでいる、
固体酸化物形燃料電池の製造方法。
続きを表示(約 1,400 文字)
【請求項2】
請求項1に記載の製造方法であって、
前記金属支持体層及び前記燃料極層の外周部には、緻密構造を有する緻密部が設けられており、
前記緻密部は、前記燃料極閉空間中の前記還元性ガスが前記空気極閉空間側に漏洩しないように、前記電解質層の外周部に接している、
製造方法。
【請求項3】
請求項2に記載の製造方法であって、
前記焼成工程は、前記緻密部を加圧する工程を含んでいる、
製造方法。
【請求項4】
請求項3に記載の製造方法であって、
前記閉空間形成工程は、焼成治具内に、前記燃料極閉空間及び前記空気極閉空間が形成されるように、ガスケット及び前記積層体を配置する工程を含み、
前記積層体は、前記緻密部の一部が積層方向において前記焼成治具と前記ガスケットとにより挟まれるように、配置され、
前記緻密部を加圧する工程は、前記焼成治具と前記ガスケットとによって、積層方向において前記緻密部を加圧する工程を含んでいる、
製造方法。
【請求項5】
請求項2に記載の製造方法であって、
前記緻密部のうちの前記金属支持体層の外周部に設けられた部分が金属支持体層緻密部と称され、
前記金属支持体層緻密部は、緻密なステンレスにより形成されている、
製造方法。
【請求項6】
請求項2に記載の製造方法であって、
前記緻密部のうちの前記金属支持体層の外周部に設けられた部分が金属支持体層緻密部と称され、
前記金属支持体層緻密部には、充填剤が充填されており、
前記充填剤は、K、Na、Ca、Mg、Al、B、Si、Zr、Ce、及びYからなる群から選択される少なくとも一種の元素を含んでいる、
製造方法。
【請求項7】
請求項2に記載の製造方法であって、
前記閉空間形成工程は、焼成治具内に、前記燃料極閉空間及び前記空気極閉空間が形成されるように、前記積層体を配置する工程を含み、
前記配置する工程は、前記緻密部の外周面と前記焼成治具との間にシール材を充填する工程を含んでいる、
製造方法。
【請求項8】
請求項1に記載の製造方法であって、
前記金属支持体層の外周部には、緻密構造を有する金属支持体層緻密部が設けられており、
積層方向に沿って見た場合に、前記金属支持体層緻密部及び前記電解質層の外周端は、前記燃料極層の外周端よりも外側に位置しており、
前記電解質層の外周部と前記金属支持体層緻密部とは、前記燃料極閉空間中の前記還元性ガスが前記空気極閉空間側に漏洩しないように、接している、
製造方法。
【請求項9】
請求項1に記載の製造方法であって、
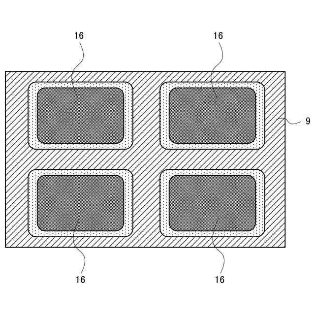
前記閉空間形成工程は、1つの焼成治具内に複数の前記積層体を配置する工程を含み、
前記焼成工程において、前記複数の積層体が一括して焼成される、
製造方法。
【請求項10】
請求項1に記載の製造方法であって、
前記焼成工程は、前記空気極層におけるペロブスカイト構造を有する結晶構造の含有量が80質量%以上になるように、焼成を行う工程を含んでいる、
製造方法。
(【請求項11】以降は省略されています)
発明の詳細な説明
【技術分野】
【0001】
本発明は、固体酸化物形燃料電池の製造方法に関する。
続きを表示(約 1,600 文字)
【背景技術】
【0002】
固体酸化物形燃料電池(SOFC)として、多孔質構造を有するステンレス製の金属支持体層を用いたものが知られている。金属支持体層は、金属サポート及びメタルサポート等と呼ばれる場合もある。例えば、特許文献1(特表2008-502113号公報)には、金属サポート材料、特定の構成を有する活性アノード層、電解質層、活性カソード層、およびカソード集電板などを有する特定のSOFCセルが開示されている。
【0003】
金属支持体層を有する固体酸化物形燃料電池の製造時において、焼成により、空気極層が形成されることがある。例えば、金属支持体層、燃料極層、及び電解質層を有する積層体上に、空気極層の前駆体となる空気極前駆体層が形成される。そして、空気極前駆体層の形成後、積層体が焼成され、空気極層が形成される。前述の特許文献1にも、カソード(空気極)が、スタック内でin-situで焼結される点が記載されている。
【先行技術文献】
【特許文献】
【0004】
特表2008-502113号公報
【発明の概要】
【発明が解決しようとする課題】
【0005】
しかしながら、空気極層の焼成を酸素雰囲気下で実施すると、ステンレス製である金属支持体層が酸化により膨張することがある。金属支持体層の膨張により、電解質層が引っ張られ、割れることがある。
【0006】
その一方で、焼成工程を酸素分圧が低い環境下(例えば、N
2
雰囲気下)で実施すると、空気極層が劣化しやすくなる。空気極層は、ペロブスカイト構造を有する酸化物により形成されることが多い。このような空気極層が低酸素分圧下で焼成されると、金属酸化物の相が分相することがある。このような分相は、空気極層の劣化の原因になり得る。具体的には、空気極層における電極としての活性の低下や、耐久性の低下の原因となり得る。
【0007】
従って、本発明の目的は、電解質層の割れ、及び、空気極層の劣化を抑制することができる、固体酸化物形燃料電池の製造方法を提供することにある。
【課題を解決するための手段】
【0008】
一態様において、本発明に係る固体酸化物形燃料電池の製造方法は、金属支持体層、燃料極層、電解質層、及び空気極前駆体層がこの順に積層された構成を有する積層体を作製する、積層体作製工程と、空気極前駆体層を焼成することにより空気極層を形成する、空気極形成工程とを含む。金属支持体層は、多孔質であり、ステンレスを含む材料により形成される。空気極形成工程は、燃料極層及び金属支持体層を含む燃料極閉空間と、空気極前駆体層を含む空気極閉空間とを形成する、閉空間形成工程と、燃料極閉空間に還元性ガスを供給し、空気極閉空間に酸素を含む酸化性ガスを供給した状態で、空気極前駆体層を焼成する、焼成工程と、を含む。
【発明の効果】
【0009】
本発明によれば、電解質層の割れ、及び、空気極層の劣化を抑制することができる、固体酸化物形燃料電池の製造方法が提供される。
【図面の簡単な説明】
【0010】
図1は、実施形態に係る固体酸化物形燃料電池を示す概略断面図である。
図2は、実施形態に係る固体酸化物形燃料電池の製造方法を示すフローチャートである。
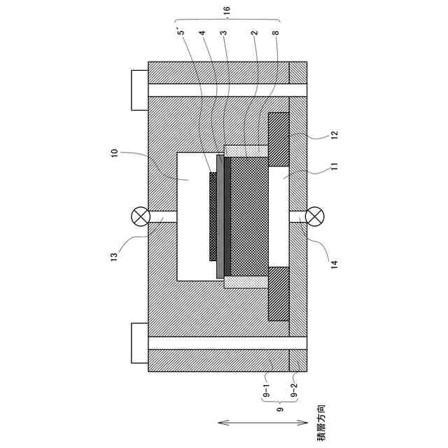
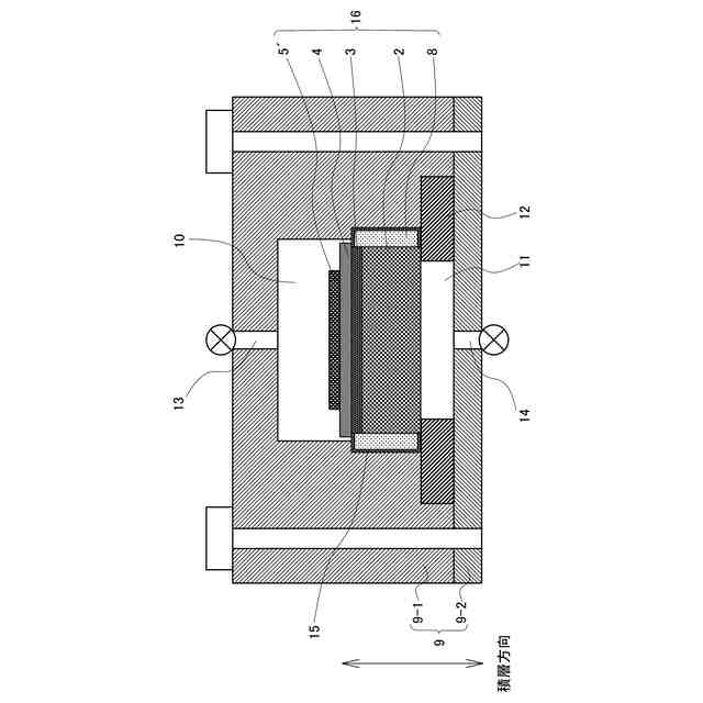
図3は、燃料極閉空間及び空気極閉空間の形成方法の一例を示す概略図である。
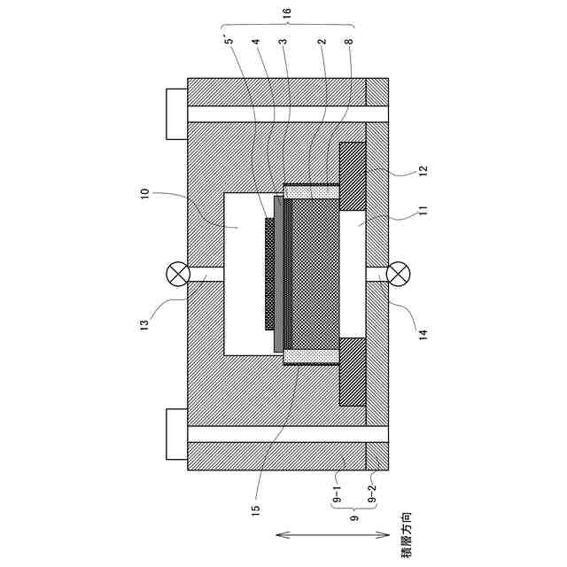
図4は、変形例1における積層体の構成を示す概略図である。
図5は、変形例2における積層体の構成を示す概略図である。
図6は、変形例3における積層体の構成を示す概略図である。
図7は、変形例4における焼成治具及び積層体の構成を示す概略図である。
【発明を実施するための形態】
(【0011】以降は省略されています)
この特許をJ-PlatPat(特許庁公式サイト)で参照する
関連特許
日産自動車株式会社
内燃機関
12日前
日産自動車株式会社
電動車両
15日前
日産自動車株式会社
保持機構
1か月前
日産自動車株式会社
二次電池
23日前
日産自動車株式会社
保持機構
27日前
日産自動車株式会社
二次電池
26日前
日産自動車株式会社
積層型電池
1か月前
日産自動車株式会社
面圧付与機構
1か月前
日産自動車株式会社
面圧付与機構
29日前
日産自動車株式会社
ロータシャフト
7日前
日産自動車株式会社
電池モジュール
20日前
日産自動車株式会社
ロータシャフト
7日前
日産自動車株式会社
電池モジュール
13日前
日産自動車株式会社
リチウム二次電池
26日前
日産自動車株式会社
リチウム二次電池
12日前
日産自動車株式会社
車両用排気部構造
12日前
日産自動車株式会社
塗装方法及び自動車
14日前
日産自動車株式会社
ギヤ装置のブリーザ構造
29日前
日産自動車株式会社
エンジンのアンダカバー
20日前
株式会社ニフコ
締結構造
20日前
日産自動車株式会社
車両用荷室における排熱構造
23日前
日産自動車株式会社
相乗り可否判定方法及び装置
23日前
日産自動車株式会社
運転支援方法及び運転支援装置
20日前
日産自動車株式会社
車載機能制御方法及び車載端末
28日前
日産自動車株式会社
画像表示方法及び画像表示装置
1か月前
日産自動車株式会社
画像処理方法及び画像処理装置
1か月前
日産自動車株式会社
運転支援方法及び運転支援装置
21日前
日産自動車株式会社
車両制御装置及び車両制御方法
1か月前
日産自動車株式会社
施錠制御方法及び施錠制御装置
22日前
日産自動車株式会社
配車管理装置及び配車管理方法
1か月前
日産自動車株式会社
経路案内方法及び経路案内装置
28日前
日産自動車株式会社
固体酸化物形燃料電池の製造方法
1か月前
日産自動車株式会社
物体検出方法、及び物体検出装置
12日前
日産自動車株式会社
衝突回避方法、及び衝突回避装置
12日前
日産自動車株式会社
車両制御方法および車両制御装置
21日前
住友理工株式会社
筒型防振装置
1か月前
続きを見る
他の特許を見る