TOP
|
特許
|
意匠
|
商標
特許ウォッチ
Twitter
他の特許を見る
公開番号
2025152555
公報種別
公開特許公報(A)
公開日
2025-10-10
出願番号
2024054493
出願日
2024-03-28
発明の名称
部品管理装置及び方法
出願人
株式会社日立製作所
代理人
弁理士法人サンネクスト国際特許事務所
主分類
G06Q
50/04 20120101AFI20251002BHJP(計算;計数)
要約
【課題】
製品の製造作業を効率化させ得る部品管理装置及び方法を提案する。
【解決手段】
次の所定期間に実行される製品の各製造工程にそれぞれ対応させて作成された、当該製造工程の内容を表す製造指図を取得し、製造指図ごとに、当該製造指図に対応する製造工程で必要となるすべての部品の出庫の計画を纏めた出庫計画をそれぞれ生成し、各出庫計画に基づいて、対応する部品の倉庫からの出庫を指示する出庫指示信号を生成し、生成した出庫指示信号を出力するようにした。
【選択図】 図6
特許請求の範囲
【請求項1】
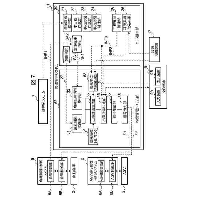
倉庫で保管されている部品の出庫を管理する部品管理装置において、
次の所定期間に実行される製品の各製造工程にそれぞれ対応させて作成された、当該製造工程の内容を表す製造指図を取得する製造指図取得部と、
前記製造指図ごとに、当該製造指図に対応する前記製造工程で必要となるすべての前記部品の出庫の計画を纏めた出庫計画をそれぞれ生成する出庫計画生成部と、
各前記出庫計画に基づいて、対応する前記部品の前記倉庫からの出庫を指示する出庫指示信号を生成する信号生成部と、
前記信号生成部により生成された前記出庫指示信号を出力する信号出力部と
を備えることを特徴とする部品管理装置。
続きを表示(約 2,100 文字)
【請求項2】
前記出庫計画生成部により生成された複数の前記出庫計画の実行順序の優先順位付けを行うために考慮すべき情報及び又は要求を取得する優先順位情報取得部と、
必要な情報を所定の表示装置に表示させる表示部とをさらに備え、
前記出庫計画生成部は、
前記優先順位情報取得部により取得された前記情報及び又は前記要求に基づいて、生成した複数の前記出庫計画の実行順序の入替えを必要に応じて行うシミュレーションを実行し、
前記表示部は、
前記シミュレーションのシミュレーション結果を前記表示装置に表示させる
ことを特徴とする請求項1に記載の部品管理装置。
【請求項3】
前記情報及び又は前記要求ごとの優先順位が規定された優先順位付けマスタをさらに備え、
前記出庫計画生成部は、
前記優先順位情報取得部により取得された前記情報及び又は前記要求に基づき、前記優先順位付けマスタを参照して、複数の前記出庫計画の実行順序の入替えを必要に応じて行う前記シミュレーションを実行する
ことを特徴とする請求項2に記載の部品管理装置。
【請求項4】
前記表示部は、
前記シミュレーションの実行前の前記出庫計画の実行順序と、前記シミュレーションの実行後の前記出庫計画の実行順序とを前記表示装置に表示させ、選択された一方を次の前記所定期間における前記出庫計画の実行順序として決定する
ことを特徴とする請求項2に記載の部品管理装置。
【請求項5】
複数の前記出庫計画の実行順序の優先順位付けを行うために考慮すべき前記情報は、
現在の前記所定期間における各前記製造工程の進捗率の情報と、設備における前記部品の欠品を表す欠品情報との少なくとも一方であり、
複数の前記出庫計画の実行順序の優先順位付けを行うために考慮すべき前記要求は、
ユーザから与えられる前記部品の出庫の要求である
ことを特徴とする請求項2に記載の部品管理装置。
【請求項6】
前記出庫計画生成部は、
次の前記所定期間に実行される製品の各前記製造工程に必要な前記部品ごとの前記出庫計画を生成し、
生成した前記部品ごとの前記出庫計画に基づいて次の前記所定期間に実行される前記倉庫からの前記部品の出庫回数と、前記製造指図ごとの前記出庫計画に基づいて次の前記所定期間に実行される前記倉庫からの前記部品の出庫回数とを比較し、出庫回数が少ない前記部品ごと又は前記製造指図ごとの前記出庫計画を次の前記所定期間における前記部品の出庫計画として決定する
ことを特徴とする請求項1に記載の部品管理装置。
【請求項7】
倉庫で保管されている部品の出庫を管理する部品管理装置により実行される部品管理方法において、
次の所定期間に実行される製品の各製造工程にそれぞれ対応させて作成された、当該製造工程の内容を表す製造指図を取得する第1のステップと、
前記製造指図ごとに、当該製造指図に対応する前記製造工程で必要となるすべての前記部品の出庫の計画を纏めた出庫計画をそれぞれ生成する第2のステップと、
各前記出庫計画に基づいて、対応する前記部品の前記倉庫からの出庫を指示する出庫指示信号を生成する第3のステップと、
生成した前記出庫指示信号を出力する第4のステップと
を備えることを特徴とする部品管理方法。
【請求項8】
前記第1のステップにおいて、前記部品管理装置は、
生成した複数の前記出庫計画の実行順序の優先順位付けを行うために考慮すべき情報及び又は要求を取得し、
前記第2のステップにおいて、前記部品管理装置は、
取得した前記情報及び又は前記要求に基づいて、生成した複数の前記出庫計画の実行順序の入替えを必要に応じて行うシミュレーションを実行し、
前記シミュレーションのシミュレーション結果を表示装置に表示させる
ことを特徴とする請求項7に記載の部品管理方法。
【請求項9】
前記部品管理装置は、
前記情報及び又は前記要求ごとの優先順位が規定された優先順位付けマスタを備え、
前記第2のステップにおいて、前記部品管理装置は、
取得した前記情報及び又は前記要求に基づき、前記優先順位付けマスタを参照して、複数の前記出庫計画の実行順序の入替えを必要に応じて行う前記シミュレーションを実行する
ことを特徴とする請求項8に記載の部品管理方法。
【請求項10】
前記部品管理装置は、
前記シミュレーションの実行前の前記出庫計画の実行順序と、前記シミュレーションの実行後の前記出庫計画の実行順序とを前記表示装置に表示させ、選択された一方を次の前記所定期間における前記出庫計画の実行順序として決定する
ことを特徴とする請求項8に記載の部品管理方法。
(【請求項11】以降は省略されています)
発明の詳細な説明
【技術分野】
【0001】
本発明は部品管理装置及び方法に関し、例えば、工場における自動倉庫からの部品の出庫を管理する部品管理装置に適用して好適なものである。
続きを表示(約 1,700 文字)
【背景技術】
【0002】
従来、工場の自動倉庫においては、生産計画に従っていかに効率的に部品を出庫するかが重要となる。なお、自動倉庫とは、保管(棚入れ)、仕分け及び集荷の作業を自動化した、コンピュータ管理された倉庫を指す。
【0003】
自動倉庫では、通常、部品が積載されたパレット単位で個々の部品の出庫が順番に行われる。この際、1つのパレットに複数種類の部品が積載されている場合には、そのパレットに積載されたすべての部品が出庫される。このためこのような場合には、必要な部品のみをパレットから取り出す荷揃えが行われ、その後、残った部品が積載されたパレットはその状態で自動倉庫に戻される。
【0004】
なお部品管理システムに関する従来技術として、例えば特許文献1には、部品を要求する要求信号に基づいて部品の搬送計画を生成し、生成した搬送計画に基づいて部品を出庫エリアに出庫させる指令信号を部品倉庫システムに出力し、搬送計画に基づいて、要求エリアに部品を搬送させる指令信号を部品搬送装置に出力するようになされた部品管理システムが開示されている。
【先行技術文献】
【特許文献】
【0005】
特開2019-91771号公報
【発明の概要】
【発明が解決しようとする課題】
【0006】
しかしながら、部品の出庫を部品ごとにパレット単位に行う従来の出庫方法によると、1つの部品の出庫及び荷揃えにある時間を要するため、その後の製造作業で複数の部品を必要とする場合には、すべての部品が揃うまでに相応の時間が必要となる。このような場合、すべての部品が揃うまでは製造作業を開始できず、状況によっては待ち時間が発生するという問題があった。
【0007】
本発明は以上の点を考慮してなされたもので、部品の出庫待ちに起因する製造作業の待ち時間の発生を抑制し、これにより製品の製造作業を効率化させ得る部品管理装置及び方法を提案しようとするものである。
【課題を解決するための手段】
【0008】
かかる課題を解決するため本発明においては、倉庫で保管されている部品の出庫を管理する部品管理装置において、次の所定期間に実行される製品の各製造工程にそれぞれ対応させて作成された、当該製造工程の内容を表す製造指図を取得する製造指図取得部と、前記製造指図ごとに、当該製造指図に対応する前記製造工程で必要となるすべての前記部品の出庫の計画を纏めた出庫計画をそれぞれ生成する出庫計画生成部と、各前記出庫計画に基づいて、対応する前記部品の前記倉庫からの出庫を指示する出庫指示信号を生成する信号生成部と、前記信号生成部により生成された前記出庫指示信号を出力する信号出力部とを設けるようにした。
【0009】
また本発明においては、倉庫で保管されている部品の出庫を管理する部品管理装置により実行される部品管理方法において、次の所定期間に実行される製品の各製造工程にそれぞれ対応させて作成された、当該製造工程の内容を表す製造指図を取得する第1のステップと、前記製造指図ごとに、当該製造指図に対応する前記製造工程で必要となるすべての前記部品の出庫の計画を纏めた出庫計画をそれぞれ生成する第2のステップと、各前記出庫計画に基づいて、対応する前記部品の前記倉庫からの出庫を指示する出庫指示信号を生成する第3のステップと、生成した前記出庫指示信号を出力する第4のステップとを設けるようにした。
【0010】
本発明の部品管理装置及び方法によれば、製造指図単位で1又は複数の部品を纏めた出庫計画を生成するため、所定期間における部品の出庫回数を低減することができる。よって、かかる出庫指示信号に基づいて倉庫からの部品の出庫を制御することによって、部品の出庫待ちに起因する製造作業の待ち時間の発生を抑制することができる。
【発明の効果】
(【0011】以降は省略されています)
この特許をJ-PlatPat(特許庁公式サイト)で参照する
関連特許
株式会社日立製作所
鉄道車両
15日前
株式会社日立製作所
放射線モニタ
8日前
株式会社日立製作所
ガス分離システム
15日前
株式会社日立製作所
調停案提示システム
16日前
株式会社日立製作所
部品管理装置及び方法
22日前
株式会社日立製作所
データ変換装置および方法
9日前
株式会社日立製作所
署名照合システム及び方法
2日前
株式会社日立製作所
情報処理装置、情報処理方法
24日前
株式会社日立製作所
蒸発乾固装置および蒸発乾固方法
23日前
株式会社日立製作所
治療効果予測システムおよび方法
16日前
株式会社日立製作所
物体検出装置および物体検出方法
2日前
株式会社日立製作所
計算機システム及びデータ送信方法
3日前
株式会社日立製作所
計算機システム及び障害対処支援方法
16日前
株式会社日立製作所
情報処理システム、及び情報処理方法
22日前
株式会社日立製作所
情報処理システム、及び情報処理方法
24日前
株式会社日立製作所
圧延設定支援装置及び圧延設定支援方法
15日前
株式会社日立製作所
故障要因分析装置及び故障要因分析方法
23日前
株式会社日立製作所
半導体装置および半導体装置の駆動方法
25日前
株式会社日立製作所
説明情報生成装置及び説明情報生成方法
23日前
株式会社日立製作所
対話型時系列分析システムおよびその方法
4日前
株式会社日立製作所
支援装置、支援方法、及び支援プログラム
3日前
株式会社日立製作所
計算機システム及び予測モデルの学習方法
3日前
株式会社日立製作所
燃料電池ブロックおよび燃料電池システム
16日前
株式会社日立製作所
臨床試験計画装置および臨床試験計画方法
24日前
株式会社日立製作所
不具合文書処理装置、及び不具合文書処理方法
10日前
株式会社日立製作所
制御装置,移動体,制御システム及び制御方法
18日前
株式会社日立製作所
搬送装置を制御する制御システム及び制御方法
15日前
株式会社日立製作所
制御設計支援方法、および、制御設計支援装置
25日前
株式会社日立製作所
商品演出支援システム、及び商品演出支援方法
9日前
株式会社日立製作所
発電計画策定システム並びに発電計画策定方法
3日前
株式会社日立製作所
設計支援装置、設計支援方法およびプログラム
2日前
株式会社日立製作所
事象分析装置、事象分析方法および分析システム
9日前
株式会社日立製作所
充放電計画最適化装置及び充放電計画最適化方法
3日前
株式会社日立製作所
生産ラインを編成する装置、システムおよび方法
17日前
株式会社日立製作所
エンティティ抽出システム、エンティティ選択方法
17日前
株式会社日立製作所
異常事象対処支援装置および異常事象対処支援方法
17日前
続きを見る
他の特許を見る