TOP
|
特許
|
意匠
|
商標
特許ウォッチ
Twitter
他の特許を見る
10個以上の画像は省略されています。
公開番号
2025147059
公報種別
公開特許公報(A)
公開日
2025-10-03
出願番号
2025130936,2021176995
出願日
2025-08-05,2021-10-28
発明の名称
タイヤ
出願人
株式会社ブリヂストン
代理人
個人
,
個人
,
個人
,
個人
主分類
B60C
11/12 20060101AFI20250926BHJP(車両一般)
要約
【課題】氷上グリップ性能を向上させたタイヤを提供すること。
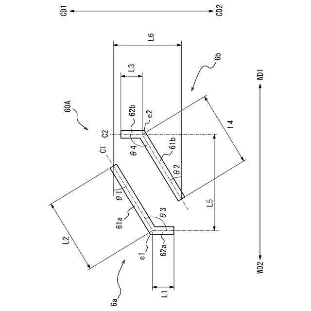
【解決手段】本発明のタイヤ10は、陸部の少なくとも1つに、一対の第1サイプからなる第1サイプユニット60Aと、一対の第2サイプからなる第2サイプユニット60Bとが、それぞれ複数配置され、第1サイプ及び第2サイプは、すべて、両端が陸部内で終端し、一対の第1サイプは、タイヤ周方向に互いに対向して配置され、タイヤ周方向一方側に向かうようにタイヤ幅方向に対して傾斜して延びる長辺と、短辺とを有し、一対の第2サイプは、タイヤ周方向に互いに対向して配置され、タイヤ幅方向に延びる長辺と、短辺とを有し、第1サイプユニット60Aと、第2サイプユニット60Bとは、互いに、タイヤ幅方向にオフセット配置されていることを特徴とする。
【選択図】図1
特許請求の範囲
【請求項1】
タイヤのトレッド踏面に、少なくとも1つの陸部を有するタイヤであって、
前記陸部の少なくとも1つに、一対の第1サイプからなる第1サイプユニットと、一対の第2サイプからなる第2サイプユニットとが、配置され、
前記第1サイプ及び前記第2サイプは、すべて、両端が前記陸部内で終端しており、
前記第1サイプユニットにおける前記一対の第1サイプを構成する、一方の第1サイプ及び他方の第1サイプは、タイヤ周方向に互いに対向して配置されるとともに、それぞれ、タイヤ幅方向一方側に向かうに従いタイヤ周方向一方側に向かうようにタイヤ幅方向に対して傾斜して延びる長辺を有し、
前記一方の第1サイプは、前記長辺のタイヤ幅方向のいずれか一方側の端から、前記他方の第1サイプ側に近づくように延びる短辺を有し、
前記他方の第1サイプは、前記長辺のタイヤ幅方向の他方側の端から、前記一方の第1サイプ側に近づくように延びる短辺を有し、
前記第2サイプユニットにおける前記一対の第2サイプを構成する、一方の第2サイプ及び他方の第2サイプは、タイヤ周方向に互いに対向して配置されるとともに、それぞれ、タイヤ幅方向に延びる長辺を有し、
前記一方の第2サイプは、前記長辺のタイヤ幅方向のいずれか一方側の端から、前記他方の第2サイプ側に近づくように延びる短辺を有し、
前記他方の第2サイプは、前記長辺のタイヤ幅方向の他方側の端から、前記一方の第2サイプ側に近づくように延びる短辺を有し、
前記第1サイプユニットと、前記第2サイプユニットとは、互いに、タイヤ幅方向にオフセット配置されていることを特徴とする、タイヤ。
続きを表示(約 1,900 文字)
【請求項2】
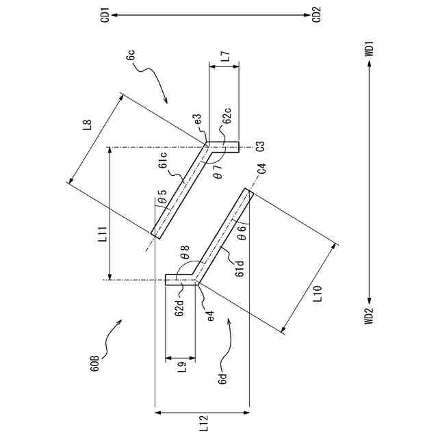
前記第1サイプユニットと、前記第2サイプユニットとは、それぞれ、タイヤ周方向に隣接して複数配列されて、それぞれ、第1サイプユニット列と、第2サイプユニット列とを構成しているとともに、前記第1サイプユニット列と、前記第2サイプユニット列とは、互いに、タイヤ幅方向にオフセット配置されている、請求項1に記載のタイヤ。
【請求項3】
前記第1サイプユニット列内の、前記複数の前記第1サイプユニットにおいて、複数の前記一方の第1サイプの前記短辺は、タイヤ周方向に沿う同一直線上に延びるとともに、複数の前記他方の第1サイプの前記短辺は、タイヤ周方向に沿う同一直線上に延び、
前記第2サイプユニット列内の、前記複数の前記第2サイプユニットにおいて、複数の前記一方の第2サイプの前記短辺は、タイヤ周方向に沿う同一直線上に延びるとともに、複数の前記他方の第2サイプの前記短辺は、タイヤ周方向に沿う同一直線上に延びる、請求項2に記載のタイヤ。
【請求項4】
タイヤ幅方向に隣り合う、前記第1サイプユニット列と、前記第2サイプユニット列において、
前記第1サイプユニット列内の、前記複数の前記第1サイプユニットの、前記一方の第1サイプの前記短辺又は前記他方の第1サイプの前記短辺のうち、前記第2サイプユニット列側に配置された前記短辺と、
前記第2サイプユニット列内の、前記複数の前記第2サイプユニットの、前記一方の第2サイプの前記短辺又は前記他方の第2サイプの前記短辺のうち、前記第1サイプユニット列側に配置された前記短辺とは、タイヤ周方向に沿う同一直線上に延びている、請求項2又は3に記載のタイヤ。
【請求項5】
前記第1サイプユニットにおいて、前記一方の第1サイプ及び前記他方の第1サイプは、それぞれ、前記短辺がタイヤ周方向に沿って延び、
前記第2サイプユニットにおいて、前記一方の第2サイプ及び前記他方の第2サイプは、それぞれ、前記短辺がタイヤ周方向に沿って延びる、請求項1、2及び4のいずれか一項に記載のタイヤ。
【請求項6】
前記第1サイプユニットにおいて、前記一方の第1サイプ及び前記他方の第1サイプは、前記長辺どうし及び前記短辺どうしが、互いに平行に延びるとともに、前記一方の第1サイプと前記他方の第2サイプとは、タイヤ幅方向にオフセット配置され、
前記第2サイプユニットにおいて、前記一方の第2サイプ及び前記他方の第2サイプは、前記長辺どうし及び前記短辺どうしが、互いに平行に延びるとともに、前記一方の第2サイプと前記他方の第2サイプとは、タイヤ幅方向にオフセット配置されている、請求項1~5のいずれか一項に記載のタイヤ。
【請求項7】
前記第1サイプユニットにおいて、前記一方の第1サイプ及び前記他方の第1サイプは、それぞれ、前記長辺と前記短辺とがなす、前記一方の第1サイプ及び前記他方の第1サイプが対向する側の角度が、90°以上であり、
前記第2サイプユニットにおいて、前記一方の第2サイプ及び前記他方の第2サイプは、それぞれ、前記長辺と前記短辺とがなす、前記一方の第2サイプ及び前記他方の第2サイプが対向する側の角度が、90°以上である、請求項1~6のいずれか一項に記載のタイヤ。
【請求項8】
前記第1サイプユニットにおいて、前記一方の第1サイプ及び前記他方の第1サイプは、互いに合同であり、
前記第2サイプユニットにおいて、前記一方の第2サイプ及び前記他方の第2サイプは、互いに合同である、請求項1~7のいずれか一項に記載のタイヤ。
【請求項9】
前記第1サイプユニットにおいて、前記一方の第1サイプ及び前記他方の第1サイプは、それぞれ、前記短辺の延在方向に沿う長さに対する、前記長辺の延在方向に沿う長さの比が、1~15であり、
前記第2サイプユニットにおいて、前記一方の第2サイプ及び前記他方の第2サイプは、それぞれ、前記短辺の延在方向に沿う長さに対する、前記長辺の延在方向に沿う長さの比が、1~15である、請求項1~8のいずれか一項に記載のタイヤ。
【請求項10】
前記第1サイプユニットは、タイヤ幅方向に沿うタイヤ幅方向長さに対する、タイヤ周方向に沿うタイヤ周方向長さの比が、0.1~2.6であり、
前記第2サイプユニットは、タイヤ幅方向に沿うタイヤ幅方向長さに対する、タイヤ周方向に沿うタイヤ周方向長さの比が、0.1~2.6である、請求項1~9のいずれか一項に記載のタイヤ。
発明の詳細な説明
【技術分野】
【0001】
本発明は、タイヤに関する。
続きを表示(約 2,400 文字)
【背景技術】
【0002】
従来、剛性低下を抑制しつつサイプを高密度に配置することにより、氷上グリップ性能の向上を図ったタイヤが知られている(例えば、特許文献1)。
【先行技術文献】
【特許文献】
【0003】
特開2005-186827号
【発明の概要】
【発明が解決しようとする課題】
【0004】
しかし、上記特許文献1では、剛性低下の抑制と、サイプを高密度に配置することとの両立は、十分ではなく、氷上グリップ性能にはなお改善の余地があった。
【0005】
そこで、この発明の目的は、氷上グリップ性能を向上させたタイヤを提供することを目的とする。
【課題を解決するための手段】
【0006】
本発明の要旨は、以下のとおりである。
タイヤのトレッド踏面に、少なくとも1つの陸部を有するタイヤであって、
前記陸部の少なくとも1つに、一対の第1サイプからなる第1サイプユニットと、一対の第2サイプからなる第2サイプユニットとが、配置され、
前記第1サイプ及び前記第2サイプは、すべて、両端が前記陸部内で終端しており、
前記第1サイプユニットにおける前記一対の第1サイプを構成する、一方の第1サイプ及び他方の第1サイプは、タイヤ周方向に互いに対向して配置されるとともに、それぞれ、タイヤ幅方向一方側に向かうに従いタイヤ周方向一方側に向かうようにタイヤ幅方向に対して傾斜して延びる長辺を有し、
前記一方の第1サイプは、前記長辺のタイヤ幅方向のいずれか一方側の端から、前記他方の第1サイプ側に近づくように延びる短辺を有し、
前記他方の第1サイプは、前記長辺のタイヤ幅方向の他方側の端から、前記一方の第1サイプ側に近づくように延びる短辺を有し、
前記第2サイプユニットにおける前記一対の第2サイプを構成する、一方の第2サイプ及び他方の第2サイプは、タイヤ周方向に互いに対向して配置されるとともに、それぞれ、タイヤ幅方向に延びる長辺を有し、
前記一方の第2サイプは、前記長辺のタイヤ幅方向のいずれか一方側の端から、前記他方の第2サイプ側に近づくように延びる短辺を有し、
前記他方の第2サイプは、前記長辺のタイヤ幅方向の他方側の端から、前記一方の第2サイプ側に近づくように延びる短辺を有し、
前記第1サイプユニットと、前記第2サイプユニットとは、互いに、タイヤ幅方向にオフセット配置されていることを特徴とする、タイヤ。
本発明のタイヤによれば、氷上グリップ性能を向上させることができる。
【0007】
本発明のタイヤにおいては、
前記第1サイプユニットと、前記第2サイプユニットとは、それぞれ、タイヤ周方向に隣接して複数配列されて、それぞれ、第1サイプユニット列と、第2サイプユニット列とを構成しているとともに、前記第1サイプユニット列と、前記第2サイプユニット列とは、互いに、タイヤ幅方向にオフセット配置されていることが好ましい。
これにより、より十分に陸部の剛性を高めることができる。
【0008】
本発明のタイヤにおいては、
前記第1サイプユニット列内の、前記複数の前記第1サイプユニットにおいて、複数の前記一方の第1サイプの前記短辺は、タイヤ周方向に沿う同一直線上に延びるとともに、複数の前記他方の第1サイプの前記短辺は、タイヤ周方向に沿う同一直線上に延び、
前記第2サイプユニット列内の、前記複数の前記第2サイプユニットにおいて、複数の前記一方の第2サイプの前記短辺は、タイヤ周方向に沿う同一直線上に延びるとともに、複数の前記他方の第2サイプの前記短辺は、タイヤ周方向に沿う同一直線上に延びることが好ましい。
これにより、陸部に、無駄な空隙を形成することなく、サイプユニットを均一かつ高い密度で複数配置しやすい。
【0009】
本発明のタイヤにおいては、
タイヤ幅方向に隣り合う、前記第1サイプユニット列と、前記第2サイプユニット列において、
前記第1サイプユニット列内の、前記複数の前記第1サイプユニットの、前記一方の第1サイプの前記短辺又は前記他方の第1サイプの前記短辺のうち、前記第2サイプユニット列側に配置された前記短辺と、
前記第2サイプユニット列内の、前記複数の前記第2サイプユニットの、前記一方の第2サイプの前記短辺又は前記他方の第2サイプの前記短辺のうち、前記第1サイプユニット列側に配置された前記短辺とは、タイヤ周方向に沿う同一直線上に延びていることが好ましい。
これにより、第1サイプユニット列及び第2サイプユニット列が配置された、タイヤ幅方向領域の全幅において、エッジ成分による制動力及び駆動力を十分に発揮することができるとともに、ブロック陸部の接地圧分布の均一化を図ることができる。
【0010】
本発明のタイヤにおいては、
前記第1サイプユニットにおいて、前記一方の第1サイプ及び前記他方の第1サイプは、それぞれ、前記短辺がタイヤ周方向に沿って延び、
前記第2サイプユニットにおいて、前記一方の第2サイプ及び前記他方の第2サイプは、それぞれ、前記短辺がタイヤ周方向に沿って延びることが好ましい。
これにより、
タイヤ周方向の入力に対して、制動力及び駆動力を発揮できるサイプを、より効率的に配置することができるとともに、短辺周辺の陸部の剛性低下をより効果的に抑制することができる。
(【0011】以降は省略されています)
この特許をJ-PlatPat(特許庁公式サイト)で参照する
関連特許
株式会社ブリヂストン
タイヤ
1日前
株式会社ブリヂストン
タイヤ
7日前
株式会社ブリヂストン
情報処理装置、情報処理方法、及び情報処理プログラム
9日前
個人
カーテント
4か月前
個人
タイヤレバー
2か月前
個人
前輪キャスター
1か月前
個人
車窓用防虫網戸
5か月前
個人
上部一体型自動車
7日前
個人
タイヤ脱落防止構造
1か月前
個人
ホイルのボルト締結
3か月前
個人
ルーフ付きトライク
2か月前
個人
車輪清掃装置
4か月前
個人
マスタシリンダ
14日前
井関農機株式会社
作業車両
4か月前
日本精機株式会社
表示装置
2か月前
個人
キャンピングトライク
3か月前
日本精機株式会社
表示装置
1か月前
井関農機株式会社
作業車両
4か月前
日本精機株式会社
表示装置
2か月前
日本精機株式会社
表示装置
2か月前
個人
車両通過構造物
2か月前
個人
アクセルのソフトウェア
3か月前
個人
ワイパーゴム性能保持具
4か月前
個人
キャンピングトレーラー
3か月前
個人
車両用スリップ防止装置
3か月前
個人
乗合路線バスの客室装置
2か月前
株式会社ニフコ
照明装置
1か月前
日本精機株式会社
車載表示装置
3か月前
個人
音声ガイド、音声サービス
2か月前
株式会社ニフコ
収納装置
1か月前
株式会社クラベ
ヒータユニット
4か月前
日本精機株式会社
車載表示装置
22日前
個人
円湾曲ホイール及び球体輪
2か月前
株式会社ニフコ
保持装置
3か月前
井関農機株式会社
収穫作業車両
4か月前
株式会社豊田自動織機
産業車両
2か月前
続きを見る
他の特許を見る