TOP
|
特許
|
意匠
|
商標
特許ウォッチ
Twitter
他の特許を見る
公開番号
2025144924
公報種別
公開特許公報(A)
公開日
2025-10-03
出願番号
2024044846
出願日
2024-03-21
発明の名称
ハイブリッド車両
出願人
三菱自動車工業株式会社
代理人
弁理士法人相原国際知財事務所
主分類
B60W
20/20 20160101AFI20250926BHJP(車両一般)
要約
【課題】シリーズ走行からパラレル走行へ切り替え時に過給遅れを抑制する。
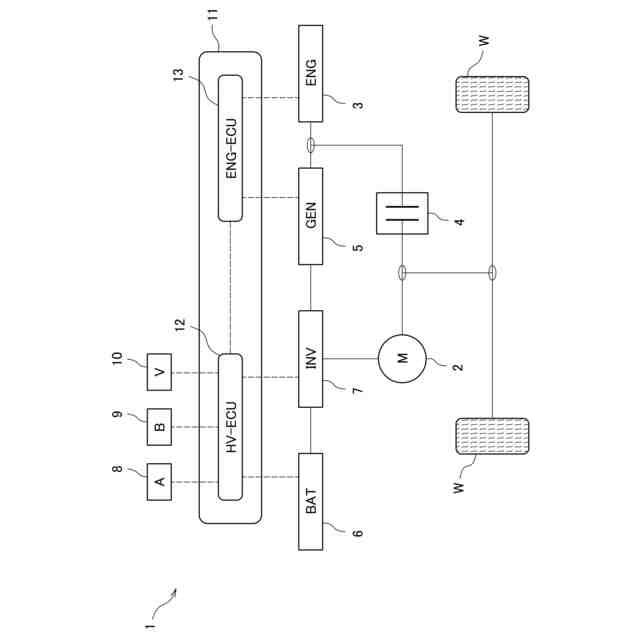
【解決手段】駆動輪Wの駆動とジェネレータ5を介した発電とが可能な過給機付きエンジン3と、バッテリ6及びジェネレータ5の少なくとも一方の電力で駆動輪Wを駆動可能なモータ2と、モータ2で駆動輪Wを駆動するシリーズ走行と、過給機付きエンジン3で駆動輪Wを駆動するパラレル走行と、を車速に応じて切り替える制御装置11と、を備え、制御装置11は、シリーズ走行において車速が所定のパラレル準備車速に達した場合に、ジェネレータの発電負荷を上昇させて過給機付きエンジン3の過給圧を上昇させるシリーズ過給状態に制御し、シリーズ過給状態において車速が所定のパラレル移行車速に達した場合に、パラレル走行に切り替える、ハイブリッド車両1。
【選択図】図1
特許請求の範囲
【請求項1】
駆動輪の駆動とジェネレータを介した発電とが可能な過給機付きエンジンと、
バッテリ及び前記ジェネレータの少なくとも一方の電力で前記駆動輪を駆動可能なモータと、
前記モータで前記駆動輪を駆動するシリーズ走行と、前記過給機付きエンジンで前記駆動輪を駆動するパラレル走行と、を車速に応じて切り替える制御装置と、を備え、
前記制御装置は、
前記シリーズ走行において前記車速が所定のパラレル準備車速に達した場合に、前記ジェネレータの発電負荷を上昇させて前記過給機付きエンジンの過給圧を上昇させるシリーズ過給状態に制御し、
前記シリーズ過給状態において前記車速が所定のパラレル移行車速に達した場合に、前記パラレル走行に切り替える、ハイブリッド車両。
続きを表示(約 560 文字)
【請求項2】
前記制御装置は、前記シリーズ過給状態において、
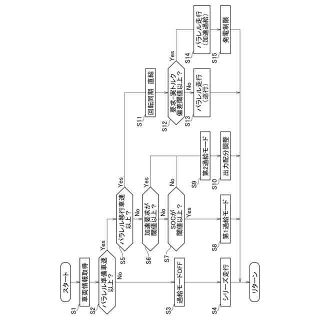
加速要求が所定の加速閾値未満である場合に、前記過給圧を所定の第1過給圧範囲に上昇させる第1過給モードに設定し、
前記加速要求が前記加速閾値以上である場合に、前記過給圧を前記第1過給圧範囲よりも高い所定の第2過給圧範囲に上昇させる第2過給モードに設定する、請求項1に記載のハイブリッド車両。
【請求項3】
前記制御装置は、前記バッテリのSOCが所定のSOC閾値よりも低い場合に、前記加速要求に拘わらず前記第2過給モードに設定する、請求項2に記載のハイブリッド車両。
【請求項4】
前記第1過給モードでは前記モータが前記バッテリからの電力で駆動され、
前記第2過給モードでは前記モータが前記ジェネレータからの電力で駆動される、請求項2に記載のハイブリッド車両。
【請求項5】
前記制御装置は、前記バッテリの出力が走行に必要な電力に満たない場合に、前記加速要求に拘わらず前記第2過給モードに設定する、請求項2に記載のハイブリッド車両。
【請求項6】
前記制御装置は、前記バッテリの出力の低下に応じて前記パラレル準備車速を低下させる、請求項1又は2に記載のハイブリッド車両。
発明の詳細な説明
【技術分野】
【0001】
本発明は、ハイブリッド車両に関する。
続きを表示(約 2,000 文字)
【背景技術】
【0002】
ハイブリッド車両は、走行用動力源としてエンジン(内燃機関)とモータ(電動機)とを搭載し、両者の使い方によりシリーズ方式、パラレル方式、又はシリーズ・パラレル方式に大別される。シリーズ方式は、エンジンの動力によりジェネレータ(発電機)で発電してバッテリを充電すると共に、バッテリの電力でモータを駆動して車両を走行させる方式である。パラレル方式は、主にエンジンの動力で車両を走行させると共に、モータの動力で走行を補助する方式である。シリーズ・パラレル方式は、車両の走行状態に応じて、シリーズ方式とパラレル方式とを切り替えることができる方式である。
【0003】
とりわけシリーズ・パラレル方式は、エンジン効率が低い発進時や低速走行時にモータで走行し、モータ効率が低い高負荷時や高速走行時にエンジンで走行することにより、低燃費性能の面で有利である。また、シリーズ・パラレル方式のハイブリッド車両は、過給機付きのエンジンを搭載することにより、最高出力を上昇させることができるほか、ドライバによる加速要求が高い場合であってもパラレル走行での加速性能を向上させることができる。
【0004】
ただし、過給機は、動作を開始してからエンジンの出力トルクが上昇するまで、いわゆる過給遅れ(ターボラグ)が発生することがあり、特にシリーズ走行からパラレル走行への切り替わるタイミングで過給機の動作を開始する際は、過給遅れによりパラレル走行に切り替わった直後の加速性能が低下する。また、モータに対する要求トルクが比較的高い場合や、バッテリのSOC(State Of Charge)が低い場合には、バッテリの電力を使用したモータの駆動により過給遅れを補うことも困難になる。
【0005】
このような状況に対し、例えば特許文献1に開示されたハイブリッド車両では、ドライバによる加速要求に従って、エンジン最適燃費線に沿ってエンジンの回転数を上昇させておくことで、エンジンが過給域に入り易くなり過給応答遅れを抑制できるとしている。
【先行技術文献】
【特許文献】
【0006】
特開2015-131535号公報
【発明の概要】
【発明が解決しようとする課題】
【0007】
しかしながら、上記のような従来技術では、過給の開始があくまでもパラレル走行への切り替え後であるため、エンジンへの空気の輸送、インテークマニホールドにおける圧力上昇、ターボタービンの回転加速に時間を要するため、やはり過給遅れを防止することができない虞が生じる。また、上記のような従来技術では、シリーズ走行からパラレル走行へ切り替えるタイミングで車軸回転同期のためにエンジンの回転数が一時的に低下する場合があるため、エンジンの回転数の制御では過給遅れを抑制することができない虞が生じる。
【0008】
本発明はこのような課題に鑑みてなされたものであり、その目的とするところは、シリーズ走行からパラレル走行への切り替え時に過給遅れを抑制することができるハイブリッド車両を提供することにある。
【課題を解決するための手段】
【0009】
上記目的を達成するため、本発明のハイブリッド車両は、駆動輪の駆動とジェネレータを介した発電とが可能な過給機付きエンジンと、バッテリ及び前記ジェネレータの少なくとも一方の電力で前記駆動輪を駆動可能なモータと、前記モータで前記駆動輪を駆動するシリーズ走行と、前記過給機付きエンジンで前記駆動輪を駆動するパラレル走行と、を車速に応じて切り替える制御装置と、を備え、前記制御装置は、前記シリーズ走行において前記車速が所定のパラレル準備車速に達した場合に、前記ジェネレータの発電負荷を上昇させて前記過給機付きエンジンの過給圧を上昇させるシリーズ過給状態に制御し、前記シリーズ過給状態において前記車速が所定のパラレル移行車速に達した場合に、前記パラレル走行に切り替える。
【発明の効果】
【0010】
本発明は、シリーズ・パラレル方式のハイブリッド車両において、シリーズ走行からパラレル走行へ切り替える前の準備期間に過給機付きエンジンの過給圧を上昇させておくことにより、切り替え時のエンジン出力の一時的な低下によるいわゆるターボラグを防止することができる。また、本発明に係るハイブリッド車両は、走行形態を切り替える準備期間において、切り替え後のエンジン出力に十分な過給圧を準備していることにより、ターボラグを防止することができる。従って、本発明に係るハイブリッド車両、及びその制御方法によれば、シリーズ走行からパラレル走行への切り替え時に過給遅れを抑制することができる。
【図面の簡単な説明】
(【0011】以降は省略されています)
この特許をJ-PlatPat(特許庁公式サイト)で参照する
関連特許
個人
カーテント
4か月前
個人
タイヤレバー
2か月前
個人
前輪キャスター
1か月前
個人
車窓用防虫網戸
4か月前
個人
上部一体型自動車
4日前
個人
ホイルのボルト締結
3か月前
個人
ルーフ付きトライク
2か月前
個人
タイヤ脱落防止構造
1か月前
個人
車輪清掃装置
4か月前
井関農機株式会社
作業車両
4か月前
井関農機株式会社
作業車両
3か月前
個人
マスタシリンダ
11日前
日本精機株式会社
表示装置
1か月前
日本精機株式会社
表示装置
2か月前
日本精機株式会社
表示装置
2か月前
日本精機株式会社
表示装置
2か月前
個人
車両通過構造物
2か月前
個人
キャンピングトライク
3か月前
個人
乗合路線バスの客室装置
2か月前
個人
キャンピングトレーラー
3か月前
個人
アクセルのソフトウェア
3か月前
個人
ワイパーゴム性能保持具
4か月前
個人
車両用スリップ防止装置
3か月前
株式会社ニフコ
照明装置
1か月前
日本精機株式会社
車室演出装置
1か月前
日本精機株式会社
車載表示装置
3か月前
株式会社クラベ
ヒータユニット
4か月前
個人
音声ガイド、音声サービス
2か月前
株式会社豊田自動織機
産業車両
2か月前
井関農機株式会社
収穫作業車両
4か月前
株式会社ニフコ
収納装置
28日前
個人
車載小物入れ兼雨傘収納具
3か月前
株式会社ニフコ
保持装置
3か月前
日本精機株式会社
車載表示装置
19日前
個人
円湾曲ホイール及び球体輪
2か月前
井関農機株式会社
作業車両
3か月前
続きを見る
他の特許を見る