TOP
|
特許
|
意匠
|
商標
特許ウォッチ
Twitter
他の特許を見る
公開番号
2025144228
公報種別
公開特許公報(A)
公開日
2025-10-02
出願番号
2024043904
出願日
2024-03-19
発明の名称
汚泥減容方法
出願人
三浦工業株式会社
代理人
個人
,
個人
主分類
C02F
11/18 20060101AFI20250925BHJP(水,廃水,下水または汚泥の処理)
要約
【課題】汚泥に溶解していた物質の汚泥の温度の降下に伴う析出を抑制することができる汚泥減容方法を提供する。
【解決手段】汚泥可溶化方法は、汚泥を水熱可溶化する汚泥可溶化方法であって、高温高圧水で可溶化後の汚泥に対して、水およびキレート剤のうちの少なくとも一方を供給する汚泥可溶化方法である。
【選択図】図2A
特許請求の範囲
【請求項1】
汚泥を水熱可溶化する汚泥可溶化方法であって、
高温高圧水で可溶化後の汚泥に対して、
水およびキレート剤のうちの少なくとも一方を供給する汚泥可溶化方法。
続きを表示(約 99 文字)
【請求項2】
前記可溶化後の汚泥を冷却する冷却工程をさらに含み、
前記冷却工程で冷却された汚泥に対して、前記キレート剤を供給する、
請求項1に記載の汚泥可溶化方法。
発明の詳細な説明
【技術分野】
【0001】
本発明は、汚泥減容方法に関する。
続きを表示(約 1,200 文字)
【背景技術】
【0002】
有機廃棄物、特に活性汚泥法などの有機性排水処理の際に排出される有機性汚泥の減容方法として、水熱処理と微生物処理とを組み合わせた方法が知られている。この処理方法では、有機性汚泥の固形成分を水熱処理によって可溶化する。つづいて、可溶化された有機性汚泥の液体成分を微生物処理する。特許文献1は、このような有機廃棄物の処理方法の一例を開示する。
【先行技術文献】
【特許文献】
【0003】
特開2005-021797号公報公報
【発明の概要】
【発明が解決しようとする課題】
【0004】
ところで、水熱処理では、汚泥が入れられた可溶化装置に蒸気を吹き込むことによって汚泥を加熱し、汚泥を可溶化する形態が知られている。
【0005】
可溶化装置から出てきた汚泥、および貯留槽に移された直後の汚泥は高温である。この汚泥には、有機物および金属イオンが高濃度に溶解している。金属イオンは、例えば、活性汚泥処理の過程で添加された凝集剤および凝結剤などに由来する。
【0006】
汚泥の温度が降下してくると、各物質の溶解度が低下する場合が多い。また、外気との接触によって可溶化された汚泥中に酸素が溶解すると、可溶化汚泥中に溶解している金属イオンが酸化されて不溶性物質を生成することが確認され、さらにはpHによっても金属イオンの溶解度が大きく変化することが知られている。そのため、溶解していた金属イオンなどが析出する。溶解していた金属イオンなどが析出することは、可溶化残渣量の上昇を意味する。言い換えると、可溶化率が減少し、産業廃棄物である汚泥の削減効果が目減りすることを意味する。
【0007】
そこで本発明は、汚泥に溶解していた物質の汚泥の温度の降下や酸素の溶解、可溶化処理後の処理におけるpH調整等に伴う析出を抑制することができる汚泥減容方法を提供することを目的とする。
【課題を解決するための手段】
【0008】
本発明の汚泥可溶化方法は、汚泥を水熱可溶化する汚泥可溶化方法であって、高温高圧水で可溶化後の汚泥に対して、水およびキレート剤のうちの少なくとも一方を供給する汚泥可溶化方法である。
【発明の効果】
【0009】
本発明によれば、汚泥に溶解していた物質の汚泥の温度の降下に伴う析出を抑制することができる汚泥減容方法を提供することができる。
【図面の簡単な説明】
【0010】
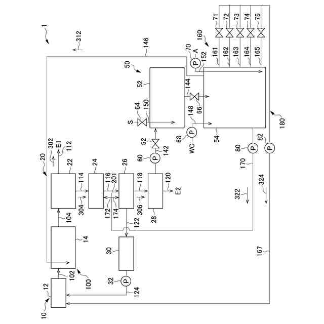
図1は本発明の一実施形態の汚泥減容システムの概略構成を示す図である。
溶解鉄の挙動を示す図である。
溶解鉄の挙動を示す図である。
【発明を実施するための形態】
(【0011】以降は省略されています)
この特許をJ-PlatPat(特許庁公式サイト)で参照する
関連特許
三浦工業株式会社
燃焼装置
1日前
三浦工業株式会社
燃焼装置
1か月前
三浦工業株式会社
撹拌装置
12日前
三浦工業株式会社
燃焼装置
1日前
三浦工業株式会社
貫流ボイラ
22日前
三浦工業株式会社
ガス化装置
25日前
三浦工業株式会社
燃焼システム
29日前
三浦工業株式会社
流体殺菌装置
11日前
三浦工業株式会社
汚泥乾燥加熱釜
17日前
三浦工業株式会社
水蒸気発生装置
29日前
三浦工業株式会社
ウエスコポンプ
29日前
三浦工業株式会社
二重管接続構造
1か月前
三浦工業株式会社
水素貯蔵供給装置
25日前
三浦工業株式会社
汚泥減容システム
29日前
三浦工業株式会社
精製水供給システム
17日前
三浦工業株式会社
船舶用発電システム
1か月前
三浦工業株式会社
コンピュータプログラム
18日前
三浦工業株式会社
燃焼装置、アンモニア評価方法
22日前
東京瓦斯株式会社
電力供給システム
29日前
株式会社げんき
液体活性化装置
4日前
株式会社ウィズアクア
水質浄化装置
25日前
三浦工業株式会社
汚泥乾燥加熱釜
17日前
株式会社ライトアース
水循環式水質浄化システム
11日前
スタンレー電気株式会社
流体除菌装置
9日前
名古屋メッキ工業株式会社
溶存金属析出装置
15日前
三浦工業株式会社
精製水供給システム
17日前
栗田工業株式会社
電気イオン濃縮装置
15日前
栗田工業株式会社
逆浸透膜装置の運転方法
4日前
オルガノ株式会社
UV照射装置
3日前
栗田工業株式会社
超純水製造装置の制御方法
25日前
株式会社神鋼環境ソリューション
貯留槽
29日前
WOTA株式会社
液性判定システム及び液性判定方法
15日前
有限会社フリーウェー
浄水装置
3日前
栗田工業株式会社
電気脱イオン装置の運転方法
16日前
パナソニックIPマネジメント株式会社
軟水化装置
1か月前
パナソニックIPマネジメント株式会社
軟水化装置
1か月前
続きを見る
他の特許を見る