TOP
|
特許
|
意匠
|
商標
特許ウォッチ
Twitter
他の特許を見る
公開番号
2025142737
公報種別
公開特許公報(A)
公開日
2025-10-01
出願番号
2024042258
出願日
2024-03-18
発明の名称
燃料電池システム
出願人
大阪瓦斯株式会社
代理人
弁理士法人R&C
主分類
H01M
8/04 20160101AFI20250924BHJP(基本的電気素子)
要約
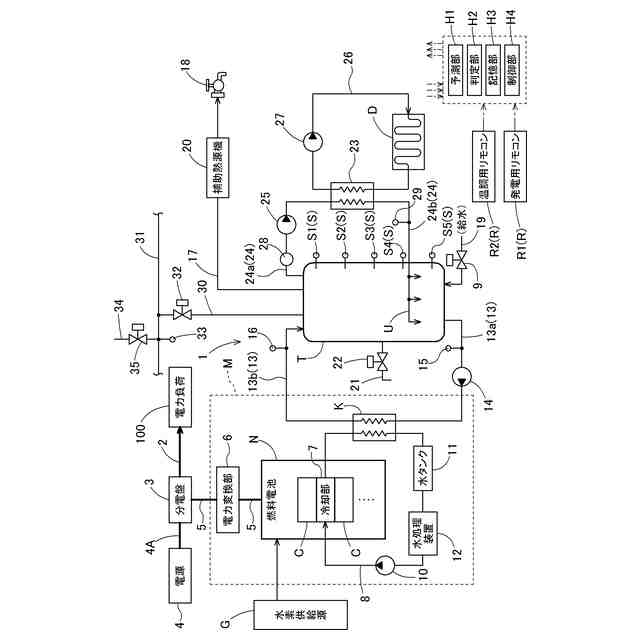
【課題】コンパクトな構成で、湯水を有効活用可能な燃料電池システムの提供。
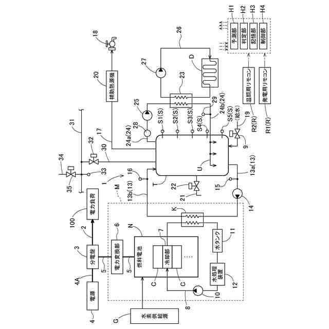
【解決手段】第一の住戸に配置された第一燃料電池ユニットと第二の住戸に配置された第一燃料電池ユニットとの夫々に、燃料電池Nと、燃料電池Nの排熱によって熱せられた湯水を貯湯する貯湯タンクTと、貯湯タンクT内の湯水の温度を検出する温度センサSと、貯湯タンクT内の湯水の給排を制御する制御部H4と、判定部H2と、が備えられている。第一燃料電池ユニット及び第二燃料電池ユニットの制御部H4は、通湯管31を通じて第一貯湯タンクT内の湯水を第二貯湯タンクTへ供給する融通制御を実行するように構成されている。
【選択図】図2
特許請求の範囲
【請求項1】
第一の住戸に配置され、水素の供給により発電する第一燃料電池と、前記第一燃料電池の排熱によって熱せられた湯水を貯湯する第一貯湯タンクと、前記第一貯湯タンク内の湯水の温度を検出する第一温度センサと、前記第一貯湯タンク内の湯水の給排を制御する第一制御部と、前記第一温度センサの検出温度に基づいて前記第一貯湯タンク内の熱量を放出する必要があるか否かを判定する第一判定部と、を有する第一燃料電池ユニットと、
第二の住戸に配置され、水素の供給により発電する第二燃料電池と、前記第二燃料電池の排熱によって熱せられた湯水を貯湯する第二貯湯タンクと、前記第二貯湯タンク内の湯水の温度を検出する第二温度センサと、前記第二貯湯タンク内の湯水の給排を制御する第二制御部と、前記第二温度センサの検出温度に基づいて前記第二貯湯タンク内の熱量が前記第二の住戸における需要に対して余裕があるか否かを判定する第二判定部と、を有する第二燃料電池ユニットと、
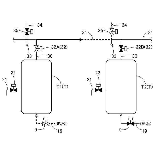
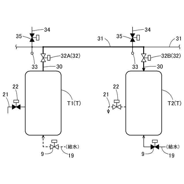
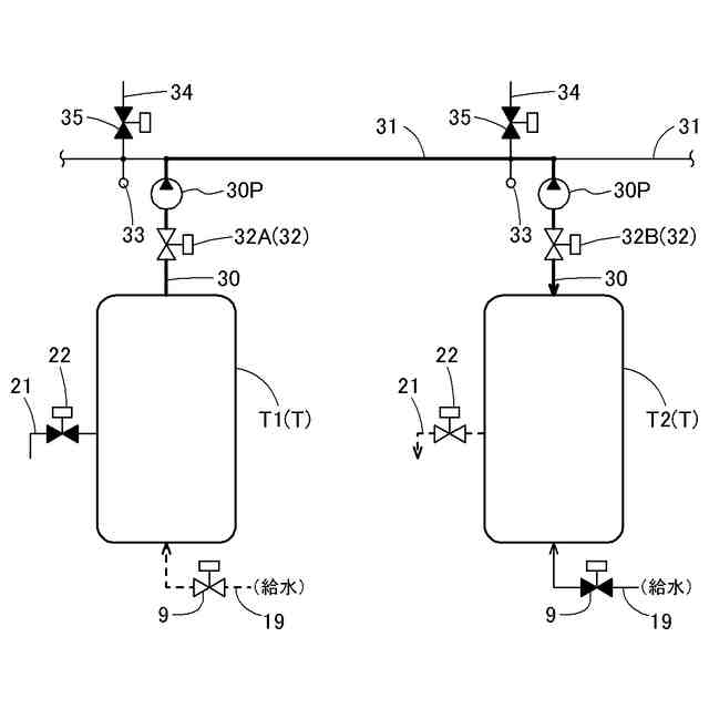
前記第一貯湯タンクと前記第二貯湯タンクとに連通する通湯管と、が備えられ、
前記第一制御部は、前記第一貯湯タンク内の熱量を放出する必要があることが前記第一判定部によって判定されると制御モードを放熱モードに切り替え、
前記第二制御部は、前記第二貯湯タンク内の熱量が前記第二の住戸における需要に対して余裕がないことが前記第二判定部によって判定されると制御モードを受熱モードに切り替え、
前記第一制御部が前記放熱モードであって、かつ、前記第二制御部が前記受熱モードであるときに、前記第一制御部及び前記第二制御部は、前記通湯管を通じて前記第一貯湯タンク内の湯水を前記第二貯湯タンクへ供給する融通制御を実行するように構成されている燃料電池システム。
続きを表示(約 1,900 文字)
【請求項2】
前記第一燃料電池ユニットに、予め設定された時間内における前記第一貯湯タンク内の熱量の推定消費量を算出する第一予測部が備えられ、
前記第一判定部は、前記第一温度センサの検出温度と、前記第一燃料電池の排熱による受熱量と、前記第一予測部によって算出された前記推定消費量と、に基づいて前記第一貯湯タンク内の熱量を放出する必要があるか否かを判定するように構成されている請求項1に記載の燃料電池システム。
【請求項3】
前記第二燃料電池ユニットに、予め設定された時間内における前記第二貯湯タンク内の熱量の推定消費量を算出する第二予測部が備えられ、
前記第二判定部は、前記第二温度センサの検出温度と、前記第二燃料電池の排熱による受熱量と、前記第二予測部によって算出された前記推定消費量と、に基づいて前記第二貯湯タンク内の熱量が前記第二の住戸における需要に対して余裕があるか否かを判定するように構成されている請求項1に記載の燃料電池システム。
【請求項4】
前記第一燃料電池ユニットに、前記第一貯湯タンク内の湯水を排出する第一排水弁が備えられ、
前記第一制御部が前記放熱モードであって、かつ、前記第二制御部が前記受熱モードでないとき、前記第一制御部は、前記第一排水弁を開弁する第一排水制御を実行するように構成されている請求項1に記載の燃料電池システム。
【請求項5】
前記第二燃料電池ユニットに、前記第二貯湯タンク内の湯水を排出する第二排水弁が備えられ、
前記第一制御部が前記放熱モードであって、かつ、前記第二制御部が前記受熱モードであるときに、前記第二制御部は、前記融通制御において前記第二排水弁を開弁する第二排水制御を実行するように構成されている請求項1に記載の燃料電池システム。
【請求項6】
前記第一貯湯タンクと前記通湯管との間の流路を開閉する第一開閉弁と、
前記第二貯湯タンクと前記通湯管との間の流路を開閉する第二開閉弁と、が備えられ、
前記第一制御部は、前記第一制御部が前記放熱モードであって、かつ、前記第二制御部が前記受熱モードであるときに、前記融通制御において前記第一開閉弁を開弁する第一開弁制御を実行するように構成され、
前記第二制御部は、前記第一制御部が前記放熱モードであって、かつ、前記第二制御部が前記受熱モードであるときに、前記融通制御において前記第二開閉弁を開弁する第二開弁制御を実行するように構成されている請求項1から5の何れか一項に記載の燃料電池システム。
【請求項7】
前記通湯管内の水を排出する第三排出弁と、
前記通湯管内の水温を検出する第三温度センサと、が備えられ、
前記第一制御部と前記第二制御部との少なくとも一方は、前記融通制御を実行するに際し、前記第三温度センサによって検出された前記通湯管内の水温が予め設定された第一閾値を下回っていることに応じて前記第三排出弁を開弁する第一融通前制御を実行し、前記第一融通前制御の実行後に前記第三温度センサによって検出された前記通湯管内の水温が前記第一閾値以上に高く設定された第二閾値以上になったことに応じて前記第三排出弁を閉弁する第二融通前制御を実行するように構成され、
前記第一制御部は、前記融通制御を実行するに際して前記第三温度センサによって検出された前記通湯管内の水温が前記第一閾値を下回っていると、前記第一融通前制御の実行に応じて前記第一開弁制御を実行するように構成され、
前記第二制御部は、前記融通制御を実行するに際して前記第一制御部による前記第一融通前制御の実行後に前記第三温度センサによって検出された前記通湯管内の水温が前記第二閾値以上になっていると、前記第二融通前制御の実行に応じて前記第二開弁制御を実行するように構成されている請求項6に記載の燃料電池システム。
【請求項8】
前記第一貯湯タンク内の湯水は前記第一貯湯タンクの底部から吸引されて前記第一燃料電池の排熱によって熱せられてから前記第一貯湯タンクの上部に戻される湯水流動用循環路を循環し、
前記第二貯湯タンク内の湯水は前記第二貯湯タンクの底部から吸引されて前記第二燃料電池の排熱によって熱せられてから前記第二貯湯タンクの上部に戻される湯水流動用循環路を循環し、
前記第一貯湯タンクの前記上部と前記通湯管とに亘って融通路が接続され、
前記第二貯湯タンクの前記上部と前記通湯管とに亘って融通路が接続されている請求項1から5の何れか一項に記載の燃料電池システム。
発明の詳細な説明
【技術分野】
【0001】
本発明は、燃料電池システムに関する。
続きを表示(約 2,100 文字)
【背景技術】
【0002】
例えば特許文献1に開示される燃料電池システムでは、燃料電池の排熱が貯湯タンクの湯水に貯湯され、湯水が給湯等に利用される。
【先行技術文献】
【特許文献】
【0003】
特許第6647030号公報
【発明の概要】
【発明が解決しようとする課題】
【0004】
しかし、例えば夏季等において給湯需要等が減少すると、貯湯タンクの湯水が余ってしまい、貯湯タンクが高温の湯水で満畜になってしまって、燃料電池の冷却などを行えなくなる等の不具合が発生する可能性が考えられる。こうなると、燃料電池の排熱を放出するために、貯湯タンクに貯湯された湯水を排水しながら貯湯タンクに冷水を補充する構成が考えられるが、この構成では湯水を浪費することになる。また、燃料電池の排熱を放出するために大型のラジエータを装着すると、省スペース性を要求される住戸等に燃料電池システムが普及し難くなる。
【0005】
本発明の目的は、コンパクトな構成で、湯水を有効活用可能な燃料電池システムを提供することにある。
【課題を解決するための手段】
【0006】
本発明の燃料電池システムは、第一の住戸に配置され、水素の供給により発電する第一燃料電池と、前記第一燃料電池の排熱によって熱せられた湯水を貯湯する第一貯湯タンクと、前記第一貯湯タンク内の湯水の温度を検出する第一温度センサと、前記第一貯湯タンク内の湯水の給排を制御する第一制御部と、前記第一温度センサの検出温度に基づいて前記第一貯湯タンク内の熱量を放出する必要があるか否かを判定する第一判定部と、を有する第一燃料電池ユニットと、第二の住戸に配置され、水素の供給により発電する第二燃料電池と、前記第二燃料電池の排熱によって熱せられた湯水を貯湯する第二貯湯タンクと、前記第二貯湯タンク内の湯水の温度を検出する第二温度センサと、前記第二貯湯タンク内の湯水の給排を制御する第二制御部と、前記第二温度センサの検出温度に基づいて前記第二貯湯タンク内の熱量が前記第二の住戸における需要に対して余裕があるか否かを判定する第二判定部と、を有する第二燃料電池ユニットと、前記第一貯湯タンクと前記第二貯湯タンクとに連通する通湯管と、が備えられ、前記第一制御部は、前記第一貯湯タンク内の熱量を放出する必要があることが前記第一判定部によって判定されると制御モードを放熱モードに切り替え、前記第二制御部は、前記第二貯湯タンク内の熱量が前記第二の住戸における需要に対して余裕がないことが前記第二判定部によって判定されると制御モードを受熱モードに切り替え、前記第一制御部が前記放熱モードであって、かつ、前記第二制御部が前記受熱モードであるときに、前記第一制御部及び前記第二制御部は、前記通湯管を通じて前記第一貯湯タンク内の湯水を前記第二貯湯タンクへ供給する融通制御を実行するように構成されていることを特徴とする。
【0007】
本発明によると、第一の住戸に設けられた第一貯湯タンクと、第二の住戸に設けられた第二貯湯タンクと、が通湯管を介して接続されている。そして、第一貯湯タンクと第二貯湯タンクとの間で湯水を融通可能なように構成されている。このため、第一貯湯タンクの湯水が満畜になり、第一貯湯タンクの湯水を放出する必要性が生じた場合であっても、第二貯湯タンクに湯水を分け与えることが可能となる。これにより、第一燃料電池の排熱を放出するために大型のラジエータ等を装着しなくても、湯水を有効活用する構成が可能となる。その結果、コンパクトな構成で、湯水を有効活用可能な燃料電池システムが実現される。
【0008】
本発明において、前記第一燃料電池ユニットに、予め設定された時間内における前記第一貯湯タンク内の熱量の推定消費量を算出する第一予測部が備えられ、前記第一判定部は、前記第一温度センサの検出温度と、前記第一燃料電池の排熱による受熱量と、前記第一予測部によって算出された前記推定消費量と、に基づいて前記第一貯湯タンク内の熱量を放出する必要があるか否かを判定するように構成されていると好適である。
【0009】
本構成であれば、第一の住戸で消費することが予測される推定消費量が算出される。このため、第一判定部が、第一貯湯タンク内の熱量を放出する必要があるか否かを精度良く判定できる。
【0010】
本発明において、前記第二燃料電池ユニットに、予め設定された時間内における前記第二貯湯タンク内の熱量の推定消費量を算出する第二予測部が備えられ、前記第二判定部は、前記第二温度センサの検出温度と、前記第二燃料電池の排熱による受熱量と、前記第二予測部によって算出された前記推定消費量と、に基づいて前記第二貯湯タンク内の熱量が前記第二の住戸における需要に対して余裕があるか否かを判定するように構成されていると好適である。
(【0011】以降は省略されています)
この特許をJ-PlatPat(特許庁公式サイト)で参照する
関連特許
大阪瓦斯株式会社
継手
25日前
大阪瓦斯株式会社
ガスコンロ
1か月前
大阪瓦斯株式会社
制御システム
1か月前
大阪瓦斯株式会社
充放電中継装置
1か月前
大阪瓦斯株式会社
充放電中継装置
1か月前
大阪瓦斯株式会社
燃料電池システム
17日前
大阪瓦斯株式会社
メタン生成システム
18日前
大阪瓦斯株式会社
フレキシブル管用継手
25日前
大阪瓦斯株式会社
平板型燃料電池スタック
1か月前
大阪瓦斯株式会社
料理レシピ提案システム
1か月前
大阪瓦斯株式会社
共電解メタネーション装置
1か月前
大阪瓦斯株式会社
共電解メタネーション装置
1か月前
大阪瓦斯株式会社
電力融通システム及び電力融通方法
1か月前
大阪瓦斯株式会社
二酸化炭素回収装置および二酸化炭素回収方法
17日前
大阪瓦斯株式会社
船舶及びその航行計画を生成する情報処理装置
1か月前
大阪瓦斯株式会社
二酸化炭素回収方法及び二酸化炭素回収システム
1か月前
大阪瓦斯株式会社
貯湯式給湯システム及び貯湯式給湯システムの使用方法
1か月前
大阪瓦斯株式会社
測定システム、処理装置、及びコンピュータプログラム
4日前
大阪瓦斯株式会社
共電解メタネーション装置及び共電解メタネーション装置の運転方法
1か月前
大阪瓦斯株式会社
バイオガス製造装置
2日前
大阪瓦斯株式会社
イットリア安定化ジルコニア層の製造方法、電機化学素子の製造方法、固体酸化物形燃料電池の製造方法及び固体酸化物形燃料電池セルの製造方法
19日前
東ソー株式会社
絶縁電線
1か月前
APB株式会社
蓄電セル
1か月前
日機装株式会社
加圧装置
2日前
ローム株式会社
半導体装置
1か月前
日新イオン機器株式会社
イオン源
2日前
株式会社東芝
端子台
1か月前
日新イオン機器株式会社
イオン源
1か月前
マクセル株式会社
電源装置
1か月前
株式会社GSユアサ
蓄電装置
1か月前
三菱電機株式会社
回路遮断器
25日前
株式会社ホロン
冷陰極電子源
1か月前
株式会社GSユアサ
蓄電装置
1か月前
富士電機株式会社
電磁接触器
17日前
株式会社GSユアサ
蓄電装置
17日前
株式会社GSユアサ
蓄電装置
1か月前
続きを見る
他の特許を見る