TOP
|
特許
|
意匠
|
商標
特許ウォッチ
Twitter
他の特許を見る
公開番号
2025139674
公報種別
公開特許公報(A)
公開日
2025-09-29
出願番号
2024038633
出願日
2024-03-13
発明の名称
車両構造
出願人
三菱自動車工業株式会社
代理人
個人
,
個人
,
個人
,
個人
,
個人
主分類
B60K
1/00 20060101AFI20250919BHJP(車両一般)
要約
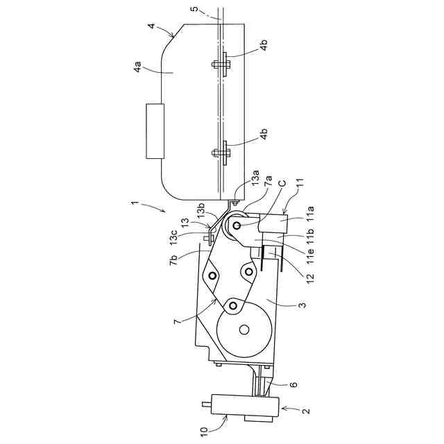
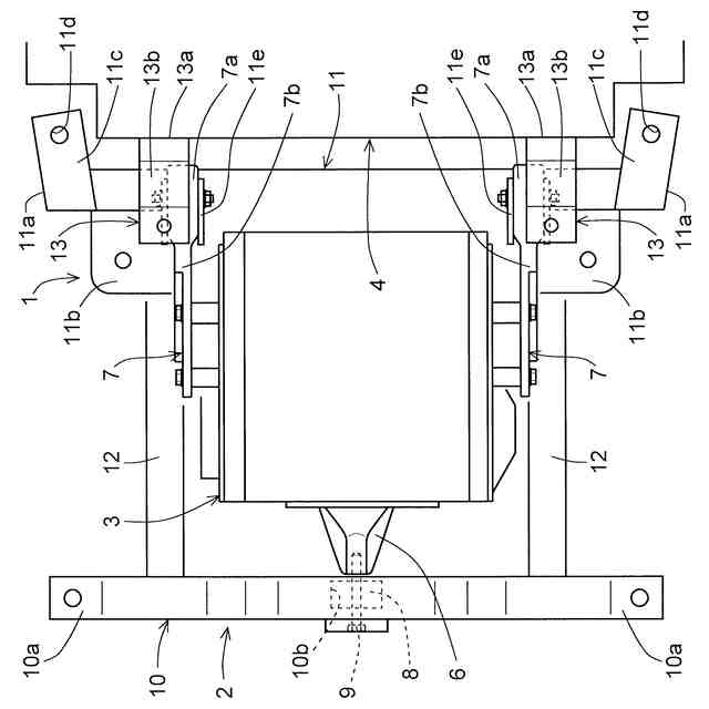
【課題】前後方向のモータ側からの車両衝突時、バッテリパックの損傷を抑制することである。
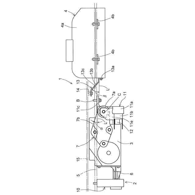
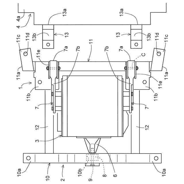
【解決手段】クロスメンバ2に取り付けられるモータ3と、モータ3の後方に配置されたバッテリパック4と、モータ3を後側でクロスメンバ2に取り付けるマウントブラケット7と、バッテリパック4を前側でフロアパネル15に固定する固定ブラケット13とを備え、マウントブラケット7の後側の端部7aの上面部に傾斜面7bが形成され、固定ブラケット13の前側の端部13bの下面部に傾斜面13cが形成され、傾斜面7bおよび傾斜面13cが、前側から後側に向かって下向きに延び出し、傾斜面7bと傾斜面13cとが前後方向に対向し、マウントブラケット7の後側の端部7aが、固定ブラケット13の前側の端部13bよりも低い位置にある。
【選択図】図1
特許請求の範囲
【請求項1】
車両の走行用駆動源としてのモータと、
前記モータの車両前後方向一方側に配置されたバッテリパックと、
前記モータを前記バッテリパック側でクロスメンバに取り付けるマウントブラケットと、
前記マウントブラケットに対して車両前後方向にて対向し、前記バッテリパックを前記モータ側でフロアパネルに固定する固定ブラケットと、を備え、
前記マウントブラケットおよび前記固定ブラケットの少なくとも一方に、前記モータ側から前記バッテリパック側に向かって下向きに延びる傾斜面が形成されている車両構造。
続きを表示(約 640 文字)
【請求項2】
前記傾斜面が、前記マウントブラケットの上面部および前記固定ブラケットの下面部に形成されている請求項1に記載の車両構造。
【請求項3】
前記マウントブラケットの前記バッテリパック側の端部が、前記固定ブラケットよりも低い位置にある請求項1に記載の車両構造。
【請求項4】
前記マウントブラケットの前記バッテリパック側の一端が、前記モータの前記バッテリパック側の一端よりも前記バッテリパック側に位置している請求項2に記載の車両構造。
【請求項5】
前記固定ブラケットの前記傾斜面が、前記マウントブラケットの前記傾斜面よりも、水平面を基準として大きい傾斜角度を有する請求項2に記載の車両構造。
【請求項6】
前記マウントブラケットの前記バッテリパック側の端部が、車幅方向から見て、前記モータから前記バッテリパックに向かって下方に湾曲している請求項1に記載の車両構造。
【請求項7】
前記クロスメンバは、一対のサイドメンバに対して、前記モータの前後方向の両側にそれぞれ取り付けられる第一クロスメンバと第二クロスメンバとを有し、
前記第一クロスメンバは、前記モータに対して前記バッテリパック側と反対側に位置し、
前記第二クロスメンバは、前記モータに対して前記バッテリパック側に位置し、かつ、前記一対のサイドメンバに対して脱落可能に取り付けられている請求項1に記載の車両構造。
発明の詳細な説明
【技術分野】
【0001】
この発明は、走行用のモータとそのモータに電力を供給するバッテリパックを備えた電動自動車などの車両構造に関する。
続きを表示(約 1,400 文字)
【背景技術】
【0002】
従来、電気自動車においては、走行用のモータに電力を供給するバッテリパックをフロアパネルの下方に備えたものがある。例えば、特許文献1には、サイドメンバに取り付けられたリヤサスペンションメンバに対して車両下方側に配置されたモータユニット(モータ)と、前記モータに対して車両前後方向内側に設けられたバッテリユニット(バッテリパック)とを有する車両構造が開示されている。
【0003】
特許文献1の車両構造は、サイドメンバにリヤサスペンションメンバがボルトにより取り付けられ、リヤサスペンションメンバのフロントクロスメンバに支持マウントが第一締結具により固定され、モータの車両方向両側に取付ブラケットが第二締結具により固定されている。前記支持マウントと取付ブラケットとでマウント部(マウントブラケット)を構成することで、モータがフロントクロスメンバに取り付けられている。
【0004】
特許文献1の車両構造では、第一締結具の取付け強度および第二締結具の取付け強度が、サイドメンバにリヤサスペンションメンバを取り付ける前記ボルトの取付け強度よりも、低くなるように設定されている。
【0005】
この特許文献1の車両構造においては、車両衝突時、バッテリパックへ向かってサスペンションメンバに入力される衝撃荷重で、第一締結具または第二締結具の取り付けが解除されて、モータはサスペンションメンバのフロントクロスメンバから車両下方側へ脱落することにより、モータとバッテリパックの干渉を抑制して、バッテリパックの損傷を抑制することができる。
【先行技術文献】
【特許文献】
【0006】
特開2019-018686号公報
【発明の概要】
【発明が解決しようとする課題】
【0007】
しかしながら、特許文献1の車両構造は、車両衝突時、第一締結具の締結が解除されると、第二締結具によりモータに取り付けられた前記マウントブラケットが、モータと共に前記バッテリパックに向かって移動し、バッテリパックに当接して、バッテリパックを損傷する恐れがある。
【0008】
そこで、この発明の課題としては、前後方向のモータ側からの車両衝突時、バッテリパックの損傷を抑制することである。
【課題を解決するための手段】
【0009】
上記の課題を解決するために、この発明は、以下の構成1~構成7を備えるものを採用することができる。
[構成1]
車両の走行用駆動源としてのモータと、
前記モータの車両前後方向一方側に配置されたバッテリパックと、
前記モータを前記バッテリパック側でクロスメンバに取り付けるマウントブラケットと、
前記マウントブラケットに対して車両前後方向にて対向し、前記バッテリパックを前記モータ側でフロアパネルに固定する固定ブラケットと、を備え、
前記マウントブラケットおよび前記固定ブラケットの少なくとも一方に、前記モータ側から前記バッテリパック側に向かって下向きに延びる傾斜面が形成されている車両構造。
【0010】
[構成2]
前記傾斜面が、前記マウントブラケットの上面部および前記固定ブラケットの下面部に形成されている構成1に記載の車両構造。
(【0011】以降は省略されています)
この特許をJ-PlatPat(特許庁公式サイト)で参照する
関連特許
個人
カーテント
4か月前
個人
タイヤレバー
2か月前
個人
車窓用防虫網戸
4か月前
個人
前輪キャスター
1か月前
個人
上部一体型自動車
3日前
個人
ホイルのボルト締結
3か月前
個人
車輪清掃装置
4か月前
個人
ルーフ付きトライク
1か月前
個人
タイヤ脱落防止構造
1か月前
個人
車両通過構造物
2か月前
個人
キャンピングトライク
3か月前
個人
マスタシリンダ
10日前
井関農機株式会社
作業車両
3か月前
日本精機株式会社
表示装置
1か月前
日本精機株式会社
表示装置
2か月前
日本精機株式会社
表示装置
2か月前
井関農機株式会社
作業車両
3か月前
日本精機株式会社
表示装置
2か月前
個人
車両用スリップ防止装置
3か月前
個人
ワイパーゴム性能保持具
4か月前
個人
キャンピングトレーラー
3か月前
個人
乗合路線バスの客室装置
2か月前
個人
アクセルのソフトウェア
3か月前
株式会社ニフコ
収納装置
27日前
株式会社ニフコ
照明装置
1か月前
個人
円湾曲ホイール及び球体輪
2か月前
日本精機株式会社
車載表示装置
3か月前
株式会社クラベ
ヒータユニット
4か月前
株式会社ニフコ
保持装置
3か月前
株式会社豊田自動織機
産業車両
2か月前
井関農機株式会社
収穫作業車両
4か月前
日本精機株式会社
車載表示装置
18日前
個人
車載小物入れ兼雨傘収納具
3か月前
日本精機株式会社
車室演出装置
1か月前
個人
音声ガイド、音声サービス
2か月前
日本精機株式会社
車両用表示装置
4か月前
続きを見る
他の特許を見る