TOP
|
特許
|
意匠
|
商標
特許ウォッチ
Twitter
他の特許を見る
10個以上の画像は省略されています。
公開番号
2025130193
公報種別
公開特許公報(A)
公開日
2025-09-08
出願番号
2024027199
出願日
2024-02-27
発明の名称
反り防止治具および半田リフロー装置
出願人
沖電気工業株式会社
代理人
弁理士法人レクスト国際特許事務所
主分類
B23K
3/00 20060101AFI20250901BHJP(工作機械;他に分類されない金属加工)
要約
【課題】両面及び片面実装基板のリフロー処理に容易に対応できる小型化可能な、基板の反り防止治具を提供する。
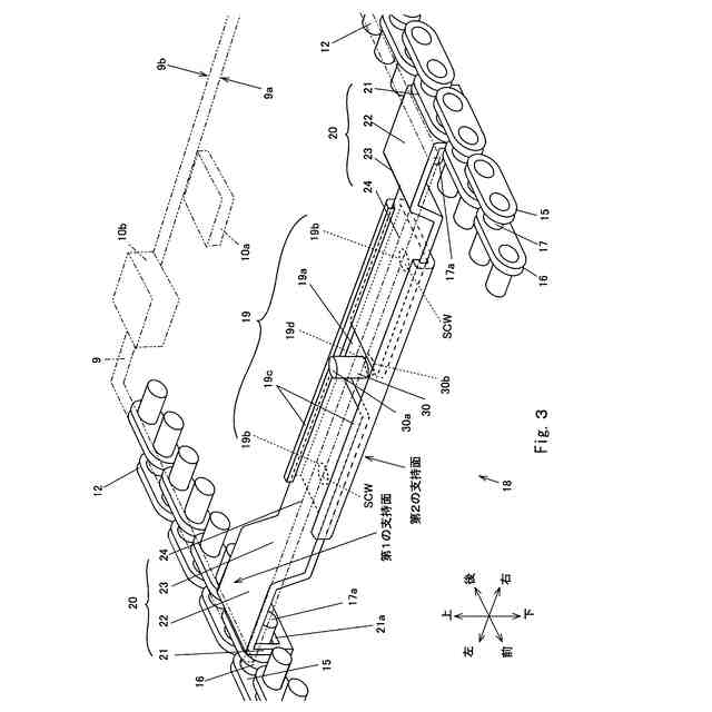
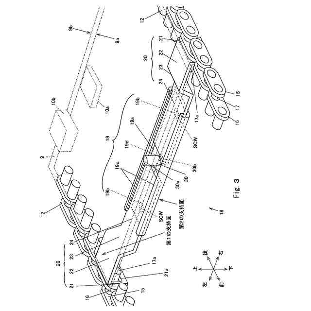
【解決手段】半田リフロー装置内における一対の搬送チェーンに支持されつつ搬送される反り防止治具は、搬送チェーンにそれぞれ装着される一対の装着体とこれを連結する連結体とを有する。装着体の各々は、搬送チェーンに装着される取付部と、取付部より上に基板を支持する第1の支持面を有する支持部と、第1の支持面から見て支持部より一段下がって第1の支持面に沿って伸長する伸長部を備える。連結体は、装着体の各々の伸長部の側端を挟持する挟持部と、当接締結具によって締結されて装着体を互いに固定・連結し第1の支持面と反対側を向きかつ基板を支持する第2の支持面とを備える平板状部分を有する。平板状部分は、第1の支持面と共に基板を支持する下支え柱を取り付け可能な貫通孔を有する。
【選択図】図3
特許請求の範囲
【請求項1】
半田リフロー装置内において、並走する一対の搬送チェーンの各々によって両端部が支持されつつ前記一対の搬送チェーンに搬送される基板の反りを防止する反り防止治具であって、
前記一対の搬送チェーンにそれぞれ装着される一対の装着体と、
前記一対の装着体を連結する連結体と、を有し、
前記一対の装着体の各々は、前記搬送チェーンに装着される取付部と、前記取付部より上に基板を支持する第1の支持面を有する支持部と、前記第1の支持面から見て前記支持部より一段下がって前記第1の支持面に沿った方向に伸長する伸長部を備え、
前記連結体は、前記一対の装着体の各々の前記伸長部の側端を挟持する挟持部と、当接締結具によって締結させられて、前記一対の装着体を互いに固定して連結し、且つ、前記第1の支持面と反対側を向きかつ基板を支持する第2の支持面とを備える平板状部分を有し、
前記平板状部分は、前記第1の支持面と共に基板を支持する下支え柱を取り付け可能な貫通孔を有している
ことを特徴とする反り防止治具。
続きを表示(約 1,200 文字)
【請求項2】
前記一対の装着体の各々の前記取付部は、前記第1の支持面と前記伸長部とが平行に段違いに形成され、前記段違いの差よりも幅広い開口を備える
ことを特徴とする請求項1に記載の反り防止治具。
【請求項3】
前記一対の搬送チェーンの各々は、各々の対向する内側へ向けて水平に延長するように設けられた所定ピッチの支持ピンを備え、
前記取付部の前記開口は、前記支持ピンの内の隣接する2つの前記支持ピンに嵌合して着脱可能となるように、形成されている
ことを特徴とする請求項2に記載の反り防止治具。
【請求項4】
前記連結体の前記平板状部分は、前記当接締結具として少なくとも1つの螺合接合部と、を備える
ことを特徴とする請求項1に記載の反り防止治具。
【請求項5】
前記一対の装着体の一方は前記連結体と一体化され、前記伸長部は前記一対の装着体に非対称に形成されている
ことを特徴とする請求項4に記載の反り防止治具。
【請求項6】
前記平板状部分はその伸長方向に沿って列状に並置された複数の前記貫通孔を備え、且つ、前記一対の装着体の各々の前記伸長部は、前記伸長方向に沿った列状の前記複数の前記貫通孔に沿って延在し且つ前記下支え柱を通過させるスリットを備える
ことを特徴とする請求項1に記載の反り防止治具。
【請求項7】
前記一対の装着体の各々は、前記第2の支持面と共に基板を支持する下支え庇部を前記取付部に備える
ことを特徴とする請求項1に記載の反り防止治具。
【請求項8】
電子部品がリフロー半田によって仮固定された基板を加熱して上記リフロー半田を溶融する半田リフロー装置であって、
前記半田リフロー装置内にて基板を搬送するために並走する一対の搬送チェーンと、前記搬送チェーンに装着され且つ基板の反りを防止する反り防止治具と、を備え、
前記反り防止治具は、前記一対の搬送チェーンにそれぞれ装着される一対の装着体と、前記一対の装着体を連結する連結体と、を有し、
前記一対の装着体の各々は、前記搬送チェーンに装着される取付部と、前記取付部より上に基板を支持する第1の支持面を有する支持部と、前記第1の支持面から見て前記支持部より一段下がって前記第1の支持面に沿った方向に伸長する伸長部を備え、
前記連結体は、前記一対の装着体の各々の前記伸長部の側端を挟持する挟持部と、当接締結具によって締結させられて、前記一対の装着体を互いに固定して連結し、且つ、前記第1の支持面と反対側を向きかつ基板を支持する第2の支持面を備える平板状部分を有し、
前記平板状部分は、前記第1の支持面と共に基板を支持する下支え柱を取り付け可能な貫通孔を有している
ことを特徴とする半田リフロー装置。
発明の詳細な説明
【技術分野】
【0001】
本発明は、反りを防止する反り防止治具および半田リフロー装置に関し、特にプリント回路板を製造するために電子部品を載置するプリント配線板(以下単に、基板とも称する)のリフロー処理における基板の反りを防止する反り防止治具に関する。
続きを表示(約 1,300 文字)
【背景技術】
【0002】
一般に、プリント配線板へはんだ印刷し、そこに電子部品を実装し、リフロー設備にて加熱を行い、はんだ溶融により部品組立する場合に、基板と部品の自重と基板剛性の兼ね合いによって生じる「基板反り」を抑制する反り防止治具が必要である。
【0003】
基板に電子部品実装を行う場合、基板表面にメタルマスクと呼ばれる治具をセットし、はんだ印刷後、部品実装し、高温のリフロー炉に流し入れてはんだを溶融させている。基板の両面(第1の実装面、第2の実装面)に対し、リフロー組立を行う場合はそれぞれの面に対して、同じ工程を計2回繰り返して行う必要がある。リフロー炉は基板を搬送しながら加熱するもので、通常、製品基板の対向する2辺を、二本の搬送レールにのせて流すことになる。
【0004】
基板は、熱を加える前は、平坦であるが、片面(第1の実装面)の組立によるリフロー炉の加熱により、基板と部品の自重に伴い、また、製品基板の性能や特性を確保する為に設けた銅箔の偏りやバイアホールの密度による影響、基板材料(ガラエポ、銅箔)の線膨張率の違いによる影響、更に、基板厚の影響によって反りが生じやすくなる。
【0005】
特に製品基板を基板内に複数設ける場合(多面付け)、部品実装後の基板分割を容易にするために設ける、ミシン目加工やV溝加工の外形加工で基板剛性が低下することにより、反りやすくなる。
【0006】
更に反対の片面(第2の実装面)の組立では、第1の実装面の組立にて生じた基板反りの影響で、部品実装前のはんだ印刷時に、メタルマスクの密着性が悪くなり、基板の部品パットの位置とメタルマスクの開口位置にはんだ印刷ズレが生じやすくなる。これにより、軽量な部品は実装不良が起きやすくなる。なお、基板反りは上反りや下反りやねじれと様々あるが、基本、部品と基板の自重による下反りが多い。
【0007】
従来技術による対応策は、特許文献1に記載のように反り位置にピンを下から基板に押し当て装着するハニカム板構造や、特許文献2に記載のように自重に伴う下反りに対し治具にて吊り上げる構造や、更には、特許文献3に記載のように基板サイズに応じた専用治具構造を適用するといったものであった。
【先行技術文献】
【特許文献】
【0008】
特開2000-040875号公報
特開平6-188553号公報
特開2012-124337号公報
【発明の概要】
【発明が解決しようとする課題】
【0009】
しかしながら、従来技術では、どれも大掛かりな治具構造の為、リフロー炉に流す前後に人手による治具への基板の着脱作業が必要不可欠となっており、治具を装着したまま自動搬送に対応できるような構造になってしまう課題があった。
【0010】
本発明は、上記の点に鑑みてなされたものであり、小型化が可能となり、両面および片面実装基板のリフロー処理に容易に対応できる反り防止治具および半田リフロー装置を提供することを目的の一例とする。
【課題を解決するための手段】
(【0011】以降は省略されています)
この特許をJ-PlatPat(特許庁公式サイト)で参照する
関連特許
沖電気工業株式会社
筐体
23日前
沖電気工業株式会社
レーダ装置
23日前
沖電気工業株式会社
画像形成装置
2日前
沖電気工業株式会社
画像形成装置
2日前
沖電気工業株式会社
現金処理装置及び印字装置
12日前
沖電気工業株式会社
電源装置及び画像形成装置
22日前
沖電気工業株式会社
紙葉類取扱装置及び現金処理装置
6日前
沖電気工業株式会社
装置、設置方法、およびプログラム
23日前
沖電気工業株式会社
印刷制御装置及び印刷制御プログラム
23日前
沖電気工業株式会社
部品管理装置、プログラムおよび方法
2日前
沖電気工業株式会社
情報処理装置、プログラムおよび方法
23日前
沖電気工業株式会社
反り防止治具および半田リフロー装置
23日前
沖電気工業株式会社
直流電源装置および二次電池充電方法
2日前
沖電気工業株式会社
情報処理装置、システム及び情報処理方法
23日前
沖電気工業株式会社
通信端末装置および通信端末装置の制御方法
22日前
沖電気工業株式会社
情報処理装置、情報処理方法およびプログラム
21日前
沖電気工業株式会社
通信装置、情報管理システム及び情報管理方法
22日前
沖電気工業株式会社
情報処理装置、情報処理方法およびプログラム
22日前
沖電気工業株式会社
情報処理装置、情報処理方法、およびプログラム
23日前
沖電気工業株式会社
情報処理装置、情報処理方法、及び情報処理プログラム
21日前
沖電気工業株式会社
情報処理装置、システム、情報処理方法及びプログラム
23日前
沖電気工業株式会社
情報処理装置、情報処理システム、情報処理方法、およびプログラム
21日前
沖電気工業株式会社
情報処理装置、情報処理方法、プログラム、および情報処理システム
23日前
沖電気工業株式会社
情報処理装置、情報処理システム、情報処理方法、およびプログラム
21日前
沖電気工業株式会社
ナビゲーションシステム
1日前
沖電気工業株式会社
トラヒック予測装置、トラヒック予測プログラム及びトラヒック予測方法
22日前
沖電気工業株式会社
情報処理装置、情報処理プログラム、情報処理方法、及び情報処理システム
22日前
沖電気工業株式会社
通信装置、電解コンデンサの劣化判定方法、及び電解コンデンサの劣化判定プログラム
22日前
沖電気工業株式会社
コンテンツ作成支援装置、コンテンツ作成支援方法及びコンテンツ作成支援プログラム
21日前
個人
タップ
4か月前
個人
フライス盤
21日前
個人
加工機
4か月前
麗豊実業股フン有限公司
ラクトバチルス・パラカセイNB23菌株及びそれを筋肉量の増加や抗メタボリック症候群に用いる用途
4か月前
日東精工株式会社
ねじ締め機
21日前
株式会社北川鉄工所
回転装置
3か月前
日東精工株式会社
ねじ締め機
4か月前
続きを見る
他の特許を見る