TOP
|
特許
|
意匠
|
商標
特許ウォッチ
Twitter
他の特許を見る
10個以上の画像は省略されています。
公開番号
2025177160
公報種別
公開特許公報(A)
公開日
2025-12-05
出願番号
2024083741
出願日
2024-05-23
発明の名称
電気光学装置、電気光学パネル及びドライバー
出願人
セイコーエプソン株式会社
代理人
個人
,
個人
,
個人
,
個人
主分類
G09F
9/00 20060101AFI20251128BHJP(教育;暗号方法;表示;広告;シール)
要約
【課題】電気光学パネルにおいて効率的に配線可能な電気光学装置等を提供すること。
【解決手段】電気光学装置300は、電気光学パネル200とドライバー100とを含む。電気光学パネル200は、第1基板SSAと、第2基板SSBと、第1基板SSAに配置される第1セグメント電極群と、第2基板SSBに配置される第2セグメント電極群と、第2基板SSBに配置され、第1セグメント電極群に対向配置される第1コモン電極群と、第1基板SSAに配置され、第2セグメント電極群に対向配置される第2コモン電極群と、を含む。ドライバー100は、ドライバー100の第1辺HN1に沿って連続して配置される第1端子群TG1と、第1辺HN1に沿って連続して配置される第2端子群TG2と、を含む。第1端子群TG1は、第1セグメント端子群と第1コモン端子とを含む。第2端子群TG2は、第2セグメント端子群と第2コモン端子とを含む。
【選択図】図3
特許請求の範囲
【請求項1】
電気光学パネルと、
前記電気光学パネルを駆動するドライバーと、
を含み、
前記電気光学パネルは、
透明な第1基板と、
前記第1基板に対向配置される第2基板と、
前記第1基板に配置される第1セグメント電極群と、
前記第2基板に配置される第2セグメント電極群と、
前記第2基板に配置され、前記第1セグメント電極群に対向配置される第1コモン電極群と、
前記第1基板に配置され、前記第2セグメント電極群に対向配置される第2コモン電極群と、
を含み、
前記ドライバーは、
前記ドライバーの第1辺に沿って連続して配置される第1端子群と、
前記ドライバーの前記第1辺に沿って連続して配置される第2端子群と、
を含み、
前記第1端子群は、
前記第1セグメント電極群にセグメント駆動信号を供給する第1セグメント端子群と、
前記第1コモン電極群にコモン駆動信号を供給する第1コモン端子と、
を含み、
前記第2端子群は、
前記第2セグメント電極群にセグメント駆動信号を供給する第2セグメント端子群と、
前記第2コモン電極群にコモン駆動信号を供給する第2コモン端子と、
を含むことを特徴とする電気光学装置。
続きを表示(約 2,100 文字)
【請求項2】
請求項1に記載された電気光学装置において、
前記電気光学パネルは、
前記第1基板に配置され、前記第1セグメント電極群と前記第1セグメント端子群とを接続するための第1セグメント配線群と、
前記第2基板に配置され、前記第2セグメント電極群と前記第2セグメント端子群とを接続するための第2セグメント配線群と、
を含むことを特徴とする電気光学装置。
【請求項3】
請求項2に記載された電気光学装置において、
前記電気光学パネルに対する平面視において、前記第1セグメント配線群の配置領域と前記第2セグメント配線群の配置領域とが少なくとも一部において重なることを特徴とする電気光学装置。
【請求項4】
請求項1に記載された電気光学装置において、
前記電気光学パネルは、
前記第1基板及び前記第2基板の一方に配置される第3セグメント電極群と、
前記第1基板及び前記第2基板の他方に配置され、前記第3セグメント電極群に対向配置される第3コモン電極群と、
を含み、
前記ドライバーは、
前記ドライバーの前記第1辺に沿って連続して配置される第3端子群を含み、
前記第3端子群は、
前記第3セグメント電極群にセグメント駆動信号を供給する第3セグメント端子群と、
前記第3コモン電極群にコモン駆動信号を供給する第3コモン端子と、
を含むことを特徴とする電気光学装置。
【請求項5】
請求項1に記載された電気光学装置において、
前記ドライバーは、
前記第1セグメント端子群に、スタティック駆動のセグメント駆動信号及びデューティー駆動のセグメント駆動信号の一方を出力する第1駆動回路と、
前記第2セグメント端子群に、前記スタティック駆動のセグメント駆動信号及び前記デューティー駆動のセグメント駆動信号の他方を出力する第2駆動回路と、
を含むことを特徴とする電気光学装置。
【請求項6】
請求項1に記載された電気光学装置において、
前記第1端子群と前記第2端子群が前記第1辺に沿って隣り合うことを特徴とする電気光学装置。
【請求項7】
請求項6に記載された電気光学装置において、
前記第1セグメント端子群と前記第2コモン端子、又は前記第1コモン端子と前記第2セグメント端子群は、前記第1辺に沿って隣り合うことを特徴とする電気光学装置。
【請求項8】
請求項6に記載された電気光学装置において、
前記第1セグメント端子群と前記第2セグメント端子群、又は前記第1コモン端子と前記第2コモン端子は、前記第1辺に沿って隣り合うことを特徴とする電気光学装置。
【請求項9】
請求項1に記載された電気光学装置において、
前記第1端子群は、
前記第1コモン端子としての第1切り替え可能端子と、
第2切り替え可能端子と、
を含み、
前記ドライバーは、
前記第1切り替え可能端子にコモン駆動信号又はセグメント駆動信号を選択して出力し、前記第2切り替え可能端子にコモン駆動信号又はセグメント駆動信号を選択して出力する選択回路を含み、
前記電気光学パネルにおいて前記第1コモン電極群と前記第1切り替え可能端子が接続され、前記選択回路は、前記第1切り替え可能端子にコモン駆動信号を出力する、又は、
前記電気光学パネルにおいて前記第1コモン電極群と前記第2切り替え可能端子が接続され、前記選択回路は、前記第2切り替え可能端子にコモン駆動信号を出力することを特徴とする電気光学装置。
【請求項10】
電気光学パネルを駆動するドライバーであって、
ドライバーの第1辺に沿って連続して配置される第1端子群と、
前記ドライバーの前記第1辺に沿って連続して配置される第2端子群と、
を含み、
前記電気光学パネルは、
透明な第1基板と、
前記第1基板に対向配置される第2基板と、
前記第1基板に配置される第1セグメント電極群と、
前記第2基板に配置される第2セグメント電極群と、
前記第2基板に配置され、前記第1セグメント電極群に対向配置される第1コモン電極群と、
前記第1基板に配置され、前記第2セグメント電極群に対向配置される第2コモン電極群と、
を含み、
前記第1端子群は、
前記第1セグメント電極群にセグメント駆動信号を供給する第1セグメント端子群と、
前記第1コモン電極群にコモン駆動信号を供給する第1コモン端子と、
を含み、
前記第2端子群は、
前記第2セグメント電極群にセグメント駆動信号を供給する第2セグメント端子群と、
前記第2コモン電極群にコモン駆動信号を供給する第2コモン端子と、
を含むことを特徴とするドライバー。
(【請求項11】以降は省略されています)
発明の詳細な説明
【技術分野】
【0001】
本発明は、電気光学装置、電気光学パネル及びドライバー等に関する。
続きを表示(約 3,100 文字)
【背景技術】
【0002】
特許文献1には、対向する第1透明電極基板及び第2透明電極基板と、複数のドットとを含む液晶表示パネルが開示されている。各ドットは、対向配置されたセグメント電極及びコモン電極を含み、一方の電極が第1透明電極基板に配置され、他方の電極が第2透明電極基板に配置される。各透明電極基板においては、セグメント電極とコモン電極が混在している。即ち、複数のドットのうち一部のドットについては、第1透明電極基板にセグメント電極が配置され、第2透明電極基板にコモン電極が配置される。残りのドットについては、第1透明電極基板にコモン電極が配置され、第2透明電極基板にセグメント電極が配置される。
【先行技術文献】
【特許文献】
【0003】
特開2001-100239号公報
【発明の概要】
【発明が解決しようとする課題】
【0004】
電気光学パネル及びドライバーの端子配置によっては、電気光学パネルにおいて効率的に配線できず、配線領域を低減する又は表示領域を増加させる等の効果を十分に発揮できない可能性がある。上述した特許文献1には、液晶表示パネル上の端子配置、及び液晶表示パネルを駆動するドライバーの端子配置については記載がない。
【課題を解決するための手段】
【0005】
本開示の一態様は、電気光学パネルと、前記電気光学パネルを駆動するドライバーと、を含み、前記電気光学パネルは、透明な第1基板と、前記第1基板に対向配置される第2基板と、前記第1基板に配置される第1セグメント電極群と、前記第2基板に配置される第2セグメント電極群と、前記第2基板に配置され、前記第1セグメント電極群に対向配置される第1コモン電極群と、前記第1基板に配置され、前記第2セグメント電極群に対向配置される第2コモン電極群と、を含み、前記ドライバーは、前記ドライバーの第1辺に沿って連続して配置される第1端子群と、前記ドライバーの前記第1辺に沿って連続して配置される第2端子群と、を含み、前記第1端子群は、前記第1セグメント電極群にセグメント駆動信号を供給する第1セグメント端子群と、前記第1コモン電極群にコモン駆動信号を供給する第1コモン端子と、を含み、前記第2端子群は、前記第2セグメント電極群にセグメント駆動信号を供給する第2セグメント端子群と、前記第2コモン電極群にコモン駆動信号を供給する第2コモン端子と、を含む電気光学装置に関係する。
【0006】
また、本開示の他の態様は、電気光学パネルを駆動するドライバーであって、ドライバーの第1辺に沿って連続して配置される第1端子群と、前記ドライバーの前記第1辺に沿って連続して配置される第2端子群と、を含み、前記電気光学パネルは、透明な第1基板と、前記第1基板に対向配置される第2基板と、前記第1基板に配置される第1セグメント電極群と、前記第2基板に配置される第2セグメント電極群と、前記第2基板に配置され、前記第1セグメント電極群に対向配置される第1コモン電極群と、前記第1基板に配置され、前記第2セグメント電極群に対向配置される第2コモン電極群と、を含み、前記第1端子群は、前記第1セグメント電極群にセグメント駆動信号を供給する第1セグメント端子群と、前記第1コモン電極群にコモン駆動信号を供給する第1コモン端子と、を含み、前記第2端子群は、前記第2セグメント電極群にセグメント駆動信号を供給する第2セグメント端子群と、前記第2コモン電極群にコモン駆動信号を供給する第2コモン端子と、を含むドライバーに関係する。
【0007】
また、本開示の更に他の態様は、ドライバーにより駆動される電気光学パネルであって、透明な第1基板と、前記第1基板に対向配置される第2基板と、前記第1基板に配置される第1セグメント電極群と、前記第2基板に配置される第2セグメント電極群と、前記第2基板に配置され、前記第1セグメント電極群に対向配置される第1コモン電極群と、前記第1基板に配置され、前記第2セグメント電極群に対向配置される第2コモン電極群と、前記第1セグメント電極群及び前記第1コモン電極群に接続される第1パネル側端子群と、前記第2セグメント電極群及び前記第2コモン電極群に接続される第2パネル側端子群と、を含み、前記ドライバーは、前記第1セグメント電極群にセグメント駆動信号を供給する第1セグメント端子群、及び前記第1コモン電極群にコモン駆動信号を供給する第1コモン端子を含み、前記ドライバーの第1辺に沿って連続して配置される第1端子群と、前記第2セグメント電極群にセグメント駆動信号を供給する第2セグメント端子群、及び前記第2コモン電極群にコモン駆動信号を供給する第2コモン端子を含み、前記ドライバーの前記第1辺に沿って連続して配置される第2端子群と、を含み、前記第1パネル側端子群は、前記第1端子群に接続され、前記第2パネル側端子群は、前記第2端子群に接続される電気光学パネルに関係する。
【図面の簡単な説明】
【0008】
本実施形態を用いない場合における電気光学装置の構成例。
本実施形態を用いない場合における電気光学装置の構成例。
本実施形態における電気光学装置の構成例を平面視した図。
本実施形態における電気光学装置の構成例を平面視した図。
電気光学装置の断面図。
配線領域の重なりを説明する図。
電子機器の構成例のブロック図。
ドライバーの第1の詳細な端子配置例。
ドライバーの第2の詳細な端子配置例。
ドライバーの第3の詳細な端子配置例。
ドライバーの第3の詳細な端子配置例。
ドライバーの第4の詳細な端子配置例。
第4の詳細な端子配置例を用いる場合のドライバーの詳細な構成例のブロック図。
第1セグメント駆動回路と第1コモン駆動回路が行うスタティック駆動の信号波形例。
第2セグメント駆動回路と第2コモン駆動回路が行うデューティー駆動の信号波形例。
ドライバーの第5の詳細な端子配置例。
第5の詳細な端子配置例を用いる場合のドライバーの詳細な構成例のブロック図。
【発明を実施するための形態】
【0009】
以下、本開示の好適な実施形態について詳細に説明する。なお、以下に説明する本実施形態は特許請求の範囲に記載された内容を不当に限定するものではなく、本実施形態で説明される構成の全てが必須構成要件であるとは限らない。
【0010】
1.本実施形態を用いない場合の構成例
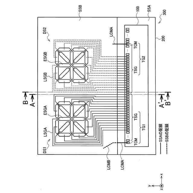
本実施形態の電気光学装置については図3以降で説明する。その前に図1と図2を用いて、本実施形態を用いない場合の構成例とその課題について説明する。図1と図2は、本実施形態を用いない場合における電気光学装置600の構成例である。電気光学装置600は、パッシブ型の電気光学パネル200と、電気光学パネル200を駆動するドライバー100と、を含む。ここでは電気光学パネル200は液晶パネルであるとする。図1と図2には電気光学パネル200を平面視した図を示す。図1には主にセグメント電極とその配線を示し、図2には主にコモン電極とその配線を示す。
(【0011】以降は省略されています)
この特許をJ-PlatPat(特許庁公式サイト)で参照する
関連特許
個人
教育のAI化
1か月前
個人
英語教材
1か月前
日本精機株式会社
表示装置
1か月前
個人
計算用教具
2か月前
個人
インフィニティミラー
1か月前
日本精機株式会社
車両用表示装置
1か月前
個人
微細構造を模した理科学習教材
1か月前
日榮新化株式会社
対象物質感知シート
1か月前
ニチレイマグネット株式会社
サイン器具
1か月前
株式会社ウメラボ
学習支援システム
2か月前
株式会社ウメラボ
学習支援システム
2か月前
朝日インテック株式会社
ラベルシート
1か月前
日本精機株式会社
表示装置及びその製造方法
1か月前
シャープ株式会社
表示装置
1か月前
株式会社イリオスNOTO
シート保管具
1か月前
リンテック株式会社
表示体
2か月前
朝日インテック株式会社
生体モデル装置
1か月前
国立大学法人秋田大学
運転シミュレータ
1か月前
ローム株式会社
半導体装置およびシステム
19日前
リンテック株式会社
粘着ラベル
2か月前
ローム株式会社
暗号化装置
2か月前
キヤノン株式会社
表示装置
11日前
TOPPANホールディングス株式会社
ラベル
2か月前
ヘラマンタイトン株式会社
シート状部材保持具
20日前
キヤノン株式会社
表示装置
11日前
株式会社JVCケンウッド
液晶表示装置および制御方法
1か月前
セイコーエプソン株式会社
投射型表示装置
2か月前
公立大学法人札幌市立大学
化学構造模型
2か月前
アルプスアルパイン株式会社
表示装置
1か月前
共同印刷株式会社
ラベル
1か月前
共同印刷株式会社
ラベル
1か月前
NISSHA株式会社
表示パネル装置
1か月前
日立建機株式会社
ダンプトラック
1か月前
コベルコ建機株式会社
作業機械操作システム
11日前
株式会社小糸製作所
虚像表示装置
13日前
アルプスアルパイン株式会社
情報処理システム
2か月前
続きを見る
他の特許を見る