TOP
|
特許
|
意匠
|
商標
特許ウォッチ
Twitter
他の特許を見る
10個以上の画像は省略されています。
公開番号
2025149306
公報種別
公開特許公報(A)
公開日
2025-10-08
出願番号
2024049857
出願日
2024-03-26
発明の名称
フェンス
出願人
YKK AP株式会社
代理人
弁理士法人酒井国際特許事務所
主分類
E04H
17/16 20060101AFI20251001BHJP(建築物)
要約
【課題】横材及び縦格子の位置決めを容易に行うことができ、かつ双方の熱伸縮量の違いに起因した問題を防止する。
【解決手段】支柱10と、支柱10に対して交差する方向に延在した状態で支柱10に設けられた上下の横胴縁20と、横胴縁20に対して交差する方向に延在した状態で上下の横胴縁20に取り付けられた複数の縦格子30とを備え、下方の横胴縁20と縦格子30との間は縦格子30の長手に沿った連結用長孔30eにリベット50を配置することによって互いに支持され、横胴縁20の相互間には支柱10と同じ材質の縦骨材40が介在されている。
【選択図】図3
特許請求の範囲
【請求項1】
支柱と、前記支柱に対して交差する方向に延在した状態で前記支柱に設けられた上下の横材と、前記横材に対して交差する方向に延在した状態で前記上下の横材に取り付けられた複数の縦格子とを備え、
少なくとも前記横材の一方と前記縦格子との間は前記縦格子の長手に沿った長孔に連結具を配置することによって互いに支持され、前記横材の相互間には前記支柱と同じ材質の縦骨材が介在されていることを特徴とするフェンス。
続きを表示(約 430 文字)
【請求項2】
前記上下の横材及び前記複数の縦格子は、前記支柱に設けられた上方係止部材及び下方係止部材の間に配置することにより、前記支柱に支持されていることを特徴とする請求項1に記載のフェンス。
【請求項3】
前記縦骨材は、前記横材との相対移動が規制された状態で端部が前記横材に設けられた装着孔に装着されていることを特徴とする請求項1に記載のフェンス。
【請求項4】
前記縦骨材は、ブラケットを介して端部が前記横材に連結されていることを特徴とする請求項1に記載のフェンス。
【請求項5】
前記縦格子は、前記支柱とは異なる材質によって成形されていることを特徴とする請求項1に記載のフェンス。
【請求項6】
前記縦格子は、前記支柱に重なる位置に配設されたものを含み、かつ前記縦骨材は、前記支柱に重なる位置に配設された前記縦格子に重なる位置に配設されていることを特徴とする請求項1に記載のフェンス。
発明の詳細な説明
【技術分野】
【0001】
本発明は、支柱に横材を介して縦格子が設けられたフェンスに関するものである。
続きを表示(約 1,700 文字)
【背景技術】
【0002】
この種のフェンスには、支柱に胴縁等の横材を上下に配置し、これらの横材を介して複数の縦格子を設けるようにしたものがある(例えば、特許文献1参照)。
【先行技術文献】
【特許文献】
【0003】
特開2015-161100号公報
【発明の概要】
【発明が解決しようとする課題】
【0004】
ところで、上述のフェンスでは、上下の横材の間が支柱及び縦格子によって連結された状態となる。このため、日射量に差があった場合、あるいは支柱と縦格子とで異なる材質のものが適用されている場合等々の理由により、支柱の熱伸縮量と縦格子の熱伸縮量とが相違すると、縦格子が湾曲する等の問題を来す懸念がある。この問題は、横材に対して縦格子が長手に移動可能となる状態で相互間を連結すれば解決することが可能である。例えば、縦格子に長手に沿った長孔を形成し、この長孔を介して横材と縦格子との間にネジやリベット等の連結具を介在させれば、長孔内を連結具が移動することで支柱と縦格子との熱伸縮量の違いが吸収されることになり、上述の問題を解決することができるようになる。
【0005】
しかしながら、この種のフェンスでは、予め上下の横材に縦格子を取り付けた後、横材を介して支柱に取り付けるように組み立てる場合がある。このため、長孔に連結具を挿通させて横材及び縦格子を組み立てた場合には、両者の位置決めを行うことが困難となり、例えば複数の縦格子に対して一方の横材が傾斜する等の新たな問題を招来する懸念がある。
【0006】
本発明は、上記実情に鑑みて、横材及び縦格子の位置決めを容易に行うことができ、かつ双方の熱伸縮量の違いに起因した問題を招来するおそれのないフェンスを提供することを目的とする。
【課題を解決するための手段】
【0007】
上記目的を達成するため、本発明に係るフェンスは、支柱と、前記支柱に対して交差する方向に延在した状態で前記支柱に設けられた上下の横材と、前記横材に対して交差する方向に延在した状態で前記上下の横材に取り付けられた縦格子とを備え、少なくとも前記横材の一方と前記縦格子との間は前記縦格子の長手に沿った長孔に連結具を配置することによって互いに支持され、前記横材の相互間には前記支柱と同じ材質の縦骨材が介在されていることを特徴とする。
【発明の効果】
【0008】
本発明によれば、長孔に連結具を配置して横材と縦格子との間を支持するようにしているため、熱伸縮量の違いに起因した問題を招来するおそれがない。しかも、上下の横材の間に縦骨材が介在してあるため、横材と縦格子との位置決めを容易に行うことが可能となる。
【図面の簡単な説明】
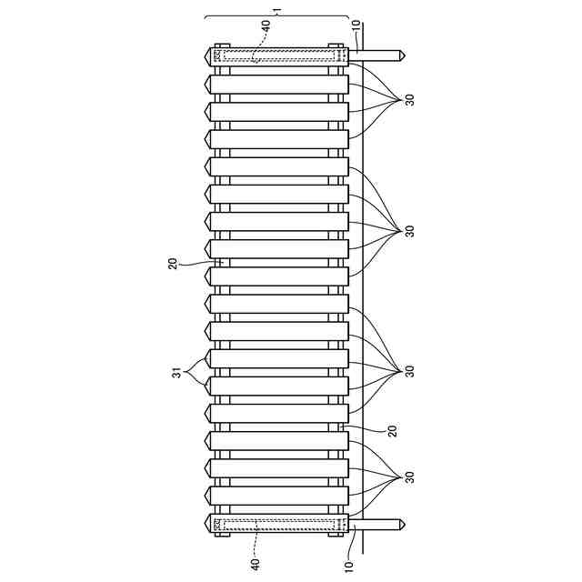
【0009】
本発明の実施の形態1であるフェンスを敷地外側から見た姿図である。
図1に示したフェンスを敷地内側から見た姿図である。
図1に示したフェンスの縦断面図である。
図1に示したフェンスの要部を示すもので、(a)は平面図、(b)は横断面図である。
図1に示したフェンスに適用する縦格子を敷地内側から見た図である。
図1に示したフェンスに適用する縦骨材を示すもので、(a)は平面図、(b)は短辺側から見た図、(c)は長辺側から見た一部破断図である。
図1に示したフェンスに適用する横材、縦格子、縦骨材の組立体を敷地内側から見た図である。
本発明の実施の形態2であるフェンスの縦断面図である。
図8に示したフェンスに適用する横材、縦格子、縦骨材の組立体の要部横断面図である。
図8に示したフェンスに適用する横材、縦格子、縦骨材の組立体を敷地内側から見た図である。
【発明を実施するための形態】
【0010】
以下、添付図面を参照しながら本発明に係るフェンスの好適な実施の形態について詳細に説明する。
(【0011】以降は省略されています)
この特許をJ-PlatPat(特許庁公式サイト)で参照する
関連特許
YKK AP株式会社
建具
1か月前
YKK AP株式会社
防火ドア
14日前
YKK AP株式会社
採光装置
22日前
YKK AP株式会社
壁パネル
27日前
YKK AP株式会社
改装建具
1か月前
YKK AP株式会社
建具および押縁
27日前
YKK AP株式会社
枠体の取付構造
1か月前
YKK AP株式会社
スクリーン用生地
1か月前
YKK AP株式会社
改装建具及び改装建具の施工方法
15日前
YKK AP株式会社
枠連結構造、建具および壁パネル
28日前
YKK AP株式会社
窓枠のシール構造および壁パネル
29日前
YKK AP株式会社
電動開閉遮蔽装置およびその制御方法
今日
YKK AP株式会社
外付け部品の取付構造および壁パネル
29日前
YKK AP株式会社
防水プレートの取付構造および壁パネル
29日前
株式会社大林組
耐火構造、耐火板支持構造
1か月前
ミサワホーム株式会社
門扉の支持構造及びブラケット
6日前
個人
接合構造
1か月前
個人
屋台
2か月前
個人
タッチミー
1か月前
個人
野良猫ハウス
3か月前
個人
フェンス
3か月前
個人
安心補助てすり
1か月前
個人
転落防止用手摺
2か月前
個人
地下型マンション
5か月前
個人
居住車両用駐車場
3か月前
個人
筋交自動設定装置
2か月前
積水樹脂株式会社
柵体
2か月前
ニチハ株式会社
建築板
3か月前
個人
ベンリナアングル
1か月前
個人
熱抵抗多層断熱建材
3か月前
個人
鋼管結合資材
5か月前
個人
柵
3か月前
個人
補強部材
3か月前
成友建設株式会社
建物
3か月前
鹿島建設株式会社
壁体
3か月前
個人
身体用シェルター
2か月前
続きを見る
他の特許を見る