TOP
|
特許
|
意匠
|
商標
特許ウォッチ
Twitter
他の特許を見る
10個以上の画像は省略されています。
公開番号
2025141509
公報種別
公開特許公報(A)
公開日
2025-09-29
出願番号
2024041479
出願日
2024-03-15
発明の名称
補助バスマスタ回路及び電子機器
出願人
カシオ計算機株式会社
代理人
個人
主分類
G06F
13/362 20060101AFI20250919BHJP(計算;計数)
要約
【課題】高優先度マスタが複数回連続したデータ転送を行う場合に、このデータ転送を短時間で完了することができるようにする。
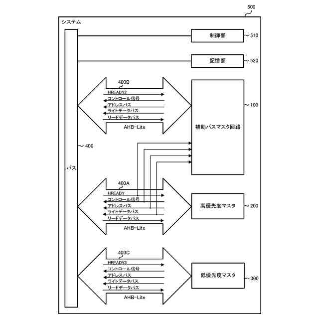
【解決手段】補助バスマスタ回路100は、高い優先度のバスアクセス権を有する高優先度マスタ200と高優先度マスタ200よりも低い優先度のバスアクセス権を有する低優先度マスタ300とが1つのバス400に接続されているシステム500のバス400に接続され又は接続可能であり、高優先度マスタ200からバス400でやり取りする信号である高優先度マスタ信号のうちの少なくとも1つが出力されるタイミングに基づいて、バス400にアクセス権を要求するアクセス要求信号を出力する制御回路を備える。
【選択図】図1
特許請求の範囲
【請求項1】
高い優先度のバスアクセス権を有する高優先度マスタと前記高優先度マスタよりも低い優先度のバスアクセス権を有する低優先度マスタとが1つのバスに接続されているシステムの前記バスに接続され又は接続可能であり、
前記高優先度マスタから前記バスでやり取りする信号である高優先度マスタ信号のうちの少なくとも1つが出力されるタイミングに基づいて、前記バスにアクセス権を要求するアクセス要求信号を出力する制御回路を備える補助バスマスタ回路。
続きを表示(約 1,500 文字)
【請求項2】
前記高優先度マスタから取得した前記高優先度マスタ信号をラッチする論理回路をさらに有し、
前記制御回路は、前記高優先度マスタ信号をラッチするタイミングと、取得した前記高優先度マスタ信号を、前記アクセス要求信号として前記バスに出力するタイミングと、を制御する、請求項1に記載の補助バスマスタ回路。
【請求項3】
前記論理回路でラッチされる前記高優先度マスタ信号は、少なくとも高優先度マスタアドレスバス信号及び高優先度マスタ書き込みデータバス信号のうちの1つである、請求項2に記載の補助バスマスタ回路。
【請求項4】
前記制御回路は、前記バスのうち、前記高優先度マスタアドレスバス信号のやり取りが行われるバス及び前記高優先度マスタ書き込みデータバス信号のやり取りが行われるバスのうちの少なくともいずれか1つに、前記アクセス要求信号を出力するよう制御する、請求項3に記載の補助バスマスタ回路。
【請求項5】
前記補助バスマスタ回路のバスアクセス権の優先度は、前記低優先度マスタよりも高い優先度に設定されており、
前記高優先度マスタから前記バスにアクセス権を要求する高優先度マスタ要求信号を取得し、
前記高優先度マスタ要求信号を取得したタイミングに基づいて前記アクセス要求信号を出力する、
請求項1に記載の補助バスマスタ回路。
【請求項6】
転送モードがシングル転送モードかバースト転送モードかを示す転送モードの信号の出力として、前記高優先度マスタの転送モードに関わらず、シングル転送モードを示す転送モード信号を出力する、
請求項1に記載の補助バスマスタ回路。
【請求項7】
前記高優先度マスタ要求信号を取得したら前記高優先度マスタがアクセスするアドレス値を示す高優先度マスタアドレス信号を取得してラッチし、
前記アクセス要求信号を出力するときに、取得した前記高優先度マスタアドレス信号を前記補助バスマスタ回路がアクセスするアドレス値を示すアドレス信号として出力する、
請求項5に記載の補助バスマスタ回路。
【請求項8】
前記高優先度マスタが前記バスにアクセスする際の転送方向を示す高優先度マスタ転送方向信号を取得し、
取得した前記高優先度マスタ転送方向信号が書き込みを示していた場合、
前記高優先度マスタアドレス信号を取得したタイミングの後に前記高優先度マスタが書き込むデータ値を示す高優先度マスタデータ信号を取得し、
前記アクセス要求信号を出力するときに、取得した前記高優先度マスタデータ信号と同じ信号を前記補助バスマスタ回路が書き込むデータ値を示す書き込みデータバス信号として出力する、
請求項7に記載の補助バスマスタ回路。
【請求項9】
動作モード信号を取得し、
取得した前記動作モード信号に基づいて前記アクセス要求信号を出力するか否かを切り替える、
請求項1に記載の補助バスマスタ回路。
【請求項10】
前記動作モード信号には閾値アドレスの情報と閾値アドレス条件の情報を含み、
前記高優先度マスタ信号のうちのアドレスバスの信号である高優先度マスタアドレス信号が示すアドレス値が前記閾値アドレス及び前記閾値アドレス条件を満たすか否かに応じて前記アクセス要求信号を出力するか否かを切り替える、
請求項9に記載の補助バスマスタ回路。
(【請求項11】以降は省略されています)
発明の詳細な説明
【技術分野】
【0001】
本発明は、補助バスマスタ回路及び電子機器に関する。
続きを表示(約 2,100 文字)
【背景技術】
【0002】
大量のデータを高速に転送したい場合にバースト転送が用いられることがある。通常転送では1つのデータを転送するたびにアドレスの値とデータの値を両方とも指定するとその1つのデータが転送され、その都度転送が完了する。これに対して、バースト転送でははじめに先頭アドレスの値と規定数のデータの値を指定し、先頭アドレスから規定数のデータ転送を行う。つまり、バースト転送ではデータ転送がパイプライン化されるので、連続するアドレスに存在するデータを高速に転送することができる。
【0003】
また、データ転送を行うバスマスタが複数ある場合、例えば時間的な制約が厳しいバスマスタには優先的にデータ転送の許可を与える必要がある。このため、バスマスタ毎に優先度を設定して、高い優先度のバスマスタに優先的にデータ転送の許可が与えられるようにするシステムが存在する。例えば、特許文献1には、データ転送が完了する理論時刻から次に発行される転送要求の発行時刻までの期間に応じた重みデータに基づいて優先度を動的に変更することにより、システム全体の転送効率を向上させるデータ転送システムが開示されている。
【先行技術文献】
【特許文献】
【0004】
特開2021-82103号公報
【発明の概要】
【発明が解決しようとする課題】
【0005】
特許文献1に開示されているデータ転送システムは、複数のマスタが発行する転送要求に応じてデータ転送の優先度を動的に変更することにより、システム全体の転送効率を向上させることを目指している。しかし、このシステムでは特定のバスマスタ(ここでは高優先度マスタと呼ぶことにする)が離散的なアドレス空間に複数回連続したデータ転送を短時間で完了する必要がある場合でも、高優先度マスタが連続して発行する転送要求(シングル転送又はバースト転送)の間に別のマスタの転送要求が割り込んでしまうことがある。したがって、高優先度マスタの優先度を最高にしたとしても連続する転送を最優先に行うことはできず、高優先度マスタが発行する全ての連続転送が完了するまでに時間がかかるという問題があった。
【0006】
本発明は上記実情に鑑みてなされたものであり、高優先度マスタが複数回連続したデータ転送を行う場合に、このデータ転送を短時間で完了することができるようにする補助バスマスタ回路及び電子機器を提供することを目的とする。
【課題を解決するための手段】
【0007】
上記目的を達成するため、本発明に係る補助バスマスタ回路の一態様は、高い優先度のバスアクセス権を有する高優先度マスタと前記高優先度マスタよりも低い優先度のバスアクセス権を有する低優先度マスタとが1つのバスに接続されているシステムの前記バスに接続され又は接続可能であり、前記高優先度マスタから前記バスでやり取りする信号である高優先度マスタ信号のうちの少なくとも1つが出力されるタイミングに基づいて、前記バスにアクセス権を要求するアクセス要求信号を出力する制御回路を備える。
【発明の効果】
【0008】
本発明によれば、高優先度マスタが複数回連続したデータ転送を行う場合に、このデータ転送を短時間で完了することができる。
【図面の簡単な説明】
【0009】
実施の形態に係るシステムの構成例を示す図である。
実施の形態に係る補助バスマスタ回路の構成例を示す図である。
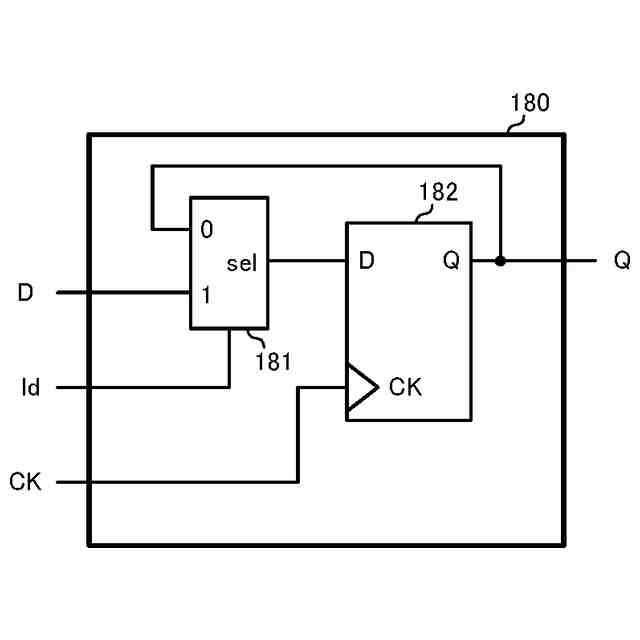
ロード機能付きDフリップフロップの構成例を示す図である。
2ビットの入出力に対応したロード機能付きDフリップフロップの構成例を示す図である。
書き込みのバースト転送が行われているときのタイムチャートの一例を示す図である。
低優先度マスタを3つ備えるシステムの構成例を示す図である。
(a)は、図6に示すシステムにおいて補助バスマスタ回路が動作しているときのバスアクセス例を示す図である。(b)は、図6に示すシステムにおいて補助バスマスタ回路が動作していないときのバスアクセス例を示す図である。
読み出しのバースト転送が行われているときのタイムチャートの一例を示す図である。
書き込みのバースト転送が行われている途中で補助バスマスタ回路の動作が停止したときのタイムチャートの一例を示す図である。
図6に示すシステムにおいて補助バスマスタ回路が動作しておらず低優先度マスタ群が全てデータ転送を行っていないときのバスアクセス例を示す図である。
実施の形態に係る制御回路の制御シーケンスを記述するコードの一部の一例を示す図である。
実施の形態に係る音源システムの構成例を示す図である。
【発明を実施するための形態】
【0010】
実施の形態に係る補助バスマスタ回路等について、図面を参照して説明する。なお、図中同一又は相当する部分には同一符号を付す。
(【0011】以降は省略されています)
この特許をJ-PlatPat(特許庁公式サイト)で参照する
関連特許
カシオ計算機株式会社
支持台
7日前
カシオ計算機株式会社
減音器具
9日前
カシオ計算機株式会社
減音器具
9日前
カシオ計算機株式会社
電子鍵盤楽器
7日前
カシオ計算機株式会社
装飾板及び時計
8日前
カシオ計算機株式会社
光源装置及び投影装置
9日前
カシオ計算機株式会社
光源装置及び投影装置
9日前
カシオ計算機株式会社
端末装置及びプログラム
9日前
カシオ計算機株式会社
外装部品ユニット及び時計
7日前
カシオ計算機株式会社
電子機器、及び表示制御方法
11日前
カシオ計算機株式会社
カッターユニット及び切断装置
7日前
カシオ計算機株式会社
演奏装置、方法およびプログラム
9日前
カシオ計算機株式会社
演奏装置、方法およびプログラム
8日前
カシオ計算機株式会社
補助バスマスタ回路及び電子機器
11日前
カシオ計算機株式会社
制御装置、方法およびプログラム
11日前
カシオ計算機株式会社
機器、制御方法およびプログラム
3日前
カシオ計算機株式会社
制御装置、方法およびプログラム
11日前
カシオ計算機株式会社
ロボット、及びロボットの製造方法
7日前
カシオ計算機株式会社
電子機器、及び、電力伝送システム
3日前
カシオ計算機株式会社
給電装置、及び、電力伝送システム
3日前
カシオ計算機株式会社
情報処理装置、方法およびプログラム
7日前
カシオ計算機株式会社
制御装置、制御方法、及びプログラム
8日前
カシオ計算機株式会社
外装部品、外装部品ユニット及び時計
7日前
カシオ計算機株式会社
プログラム、電子機器及び登録処理方法
7日前
カシオ計算機株式会社
電子機器、登録処理方法及びプログラム
7日前
カシオ計算機株式会社
情報提供装置、情報提供方法及びプログラム
9日前
カシオ計算機株式会社
活動支援方法、プログラム及び活動支援装置
3日前
カシオ計算機株式会社
情報処理方法、プログラム及び情報処理装置
3日前
カシオ計算機株式会社
音声提供装置、音声提供方法及びプログラム
7日前
カシオ計算機株式会社
情報出力方法、情報出力装置及びプログラム
3日前
カシオ計算機株式会社
情報処理装置、プログラム及び情報処理方法
7日前
カシオ計算機株式会社
電子楽器、電子楽器の制御方法及びプログラム
7日前
カシオ計算機株式会社
情報処理装置、表示制御方法、及びプログラム
7日前
カシオ計算機株式会社
印刷装置、印刷装置の制御方法及びプログラム
7日前
カシオ計算機株式会社
投影装置、投影装置の調整方法及びプログラム
8日前
カシオ計算機株式会社
投影装置、投影装置の調整方法及びプログラム
8日前
続きを見る
他の特許を見る