TOP
|
特許
|
意匠
|
商標
特許ウォッチ
Twitter
他の特許を見る
10個以上の画像は省略されています。
公開番号
2025092992
公報種別
公開特許公報(A)
公開日
2025-06-23
出願番号
2023208457
出願日
2023-12-11
発明の名称
打ち込み工具
出願人
株式会社マキタ
代理人
弁理士法人岡田国際特許事務所
主分類
B25C
1/00 20060101AFI20250616BHJP(手工具;可搬型動力工具;手工具用の柄;作業場設備;マニプレータ)
要約
【課題】マガジン内の打ち込み具を打ち込み通路へ送るためのソレノイドを効率良く冷却できる打ち込み工具が必要とされている。
【解決手段】打ち込み工具1は、打ち込み方向に移動するための動力を発生させる駆動源がモータ20であるドライバ16を有する。打ち込み工具1は、ドライバ16を移動可能に案内するドライバガイド4を有する。打ち込み工具1は、打ち込み具nを収容するマガジン26を有する。打ち込み工具1は、打ち込み具nをマガジン26からドライバガイド4へ供給する送り爪31を有する。打ち込み工具1は、送り爪31に連動する動力伝達部材35を有する。打ち込み工具1は、動力伝達部材35を介して送り爪31を駆動させるソレノイド36を有する。ソレノイド36がマガジン26の外の本体ハウジング11に設けられている。
【選択図】図7
特許請求の範囲
【請求項1】
打ち込み工具であって、
打ち込み方向に移動するための動力を発生させる駆動源がモータであるドライバと、
前記ドライバを移動可能に案内するドライバガイドと、
打ち込み具を収容するマガジンと、
打ち込み具を前記マガジンから前記ドライバガイドへ供給する送り爪と、
前記送り爪に連動する動力伝達部材と、
前記動力伝達部材を介して前記送り爪を駆動させるソレノイドを有し、前記ソレノイドが前記マガジンの外の本体ハウジングに設けられている打ち込み工具。
続きを表示(約 1,200 文字)
【請求項2】
請求項1に記載の打ち込み工具であって、
前記動力伝達部材は、回転支持部を中心に回転可能に前記本体ハウジングに支持されかつ爪連結部で前記送り爪に連結され、
前記ソレノイドのプランジャは、前記回転支持部と前記爪連結部との間で前記動力伝達部材に連結される打ち込み工具。
【請求項3】
請求項1または2に記載の打ち込み工具であって、
前記送り爪を前記ドライバガイドに向けて付勢する付勢部材が設けられ、
前記ソレノイドは、オン状態で前記送り爪を前記付勢部材の付勢方向と反対方向へ移動させる打ち込み工具。
【請求項4】
請求項1~3のいずれか1つに記載の打ち込み工具であって、
前記本体ハウジングは、前記モータを収容するモータハウジングを含み、
前記ソレノイドは、前記モータハウジングに収容され、かつ前記モータと前記マガジンの間に配置されている打ち込み工具。
【請求項5】
請求項1~4のいずれか1つに記載の打ち込み工具であって、
前記本体ハウジング内で風を発生させるファンを有し、
前記ソレノイドは、前記ファンによって発生する風が流れるエア通路に設けられる打ち込み工具。
【請求項6】
請求項5に記載の打ち込み工具であって、
前記ソレノイドは、前記モータに対して前記エア通路の上流側に設けられる打ち込み工具。
【請求項7】
請求項5または6に記載の打ち込み工具であって、
前記本体ハウジングは、前記モータを収容するモータハウジングを含み、
前記モータハウジングは、前記モータを収容するモータ収容室と前記ソレノイドを収容するソレノイド収容室を有し、前記モータ収容室と前記ソレノイド収容室が連通路で連通される打ち込み工具。
【請求項8】
請求項5~7のいずれか1つに記載の打ち込み工具であって、
前記本体ハウジングは、前記ソレノイドのプランジャを貫通させる第1壁または前記ソレノイドのコイルと対向する第2壁の少なくとも一方に吸気口を有する打ち込み工具。
【請求項9】
請求項5~8のいずれか1つに記載の打ち込み工具であって、
前記エア通路は、前記モータを外側から冷却する冷却風が流れる第1エア通路と、前記第1エア通路と連通されかつ前記冷却風が前記モータの内側を通過する第2エア通路を含む打ち込み工具。
【請求項10】
請求項1~9のいずれか1つに記載の打ち込み工具であって、
前記ドライバが連結されるピストンと、
前記ピストンが移動可能に設けられるシリンダを有し、
前記モータによって前記ドライバが反打ち込み方向へ戻されて前記シリンダ内のガス圧が高められる打ち込み工具。
発明の詳細な説明
【技術分野】
【0001】
本開示は、打ち込み具を被打ち込み材に打ち込むための打ち込み工具に関する。
続きを表示(約 2,600 文字)
【背景技術】
【0002】
特許文献1に記載された打ち込み工具は、打ち込み具を打撃するドライバと、ドライバを待機位置または上死点へ移動させるリフト機構と、リフト機構の駆動源としてのモータを有する。ドライバとリフト機構とモータは、打ち込み工具の本体ハウジングに内装される。打ち込み工具は、打ち込み具を収容するマガジンと、マガジンからドライバが移動する打ち込み通路へと打ち込み具を1本ずつ供給する送り機構を有する。マガジンは、工具本体の下部で打ち込み通路を形成するドライバガイドに連結される。マガジンは円筒状である。マガジンには、例えば複数本がワイヤで連結されかつ螺旋状に巻かれたコイル釘が収容される。
【0003】
送り機構は、例えば本体ハウジングの外方においてマガジンとドライバガイドとの間に設けられる。送り機構は、コイル釘を打ち込み通路に向けて1本ずつ送る送り爪と、送ったコイル釘がマガジンへ戻ることを規制する逆止爪を有する。送り爪は、例えば圧縮ばねによって打ち込み通路側に向けて常時付勢されている。送り機構は、送り爪を圧縮ばねの付勢方向と反対方向に移動させる構造を有し、例えばソレノイドを有する。ソレノイドがオン状態になった時、送り爪が反送り方向へ移動して次のコイル釘を受取る。その後にソレノイドがオフ状態になることで、送り爪が1本のコイル釘と共に送り方向へ移動する。かくしてコイル釘を1本ずつ打ち込み通路へ供給できる。
【0004】
従来の打ち込み具を送るためのソレノイドは、例えばマガジン内、あるいはマガジンとドライバガイドとの間のハウジング内に設けられていた。ソレノイドがオン状態になる時、大きな電流がソレノイドのコイルに流れる。そのためコイルが発熱する。本体ハウジングに収容されるモータには、出力軸と一体で回転可能なファンが取付けられる。ファンの回転で発生した風は、主としてモータ等の工具本体電材部品を冷却する。そのため本体ハウジングの外方に設けられるソレノイドは、ファンの回転によって冷却することが難しい。したがってソレノイドの冷却効率を高めるために改良の余地があった。
【0005】
従来の打ち込み工具においてソレノイドのプランジャは、送り爪を反送り方向へ移動させる距離と同じ長さ分のストロークが必要である。したがってプランジャの往復時間を短くするために改良の余地があった。また、プランジャのストロークが長くなると、プランジャの突出量が多い時に、コイル内に挿通されているプランジャ(鉄芯)の長さが短くなる。そのためプランジャの突出量が多い時には、ソレノイドの出力が低くなってしまう。したがってソレノイドの出力を高く維持できるように改良の余地があった。
【先行技術文献】
【特許文献】
【0006】
米国特許第11224960号明細書
【発明の概要】
【発明が解決しようとする課題】
【0007】
したがってマガジン内の打ち込み具を打ち込み通路へ送るためのソレノイドを効率良く冷却できる打ち込み工具が必要とされている。
【課題を解決するための手段】
【0008】
本開示の1つの特徴によると打ち込み工具は、打ち込み方向に移動するための動力を発生させる駆動源がモータであるドライバを有する。打ち込み工具は、ドライバを移動可能に案内するドライバガイドを有する。打ち込み工具は、打ち込み具を収容するマガジンを有する。打ち込み工具は、打ち込み具をマガジンからドライバガイドへ供給する送り爪を有する。打ち込み工具は、送り爪に連動する動力伝達部材を有する。打ち込み工具は、動力伝達部材を介して送り爪を駆動させるソレノイドを有する。ソレノイドがマガジンの外の本体ハウジングに設けられている。
【0009】
したがってマガジン内の打ち込み具をドライバガイド内の打ち込み通路へ送るためのソレノイドを本体ハウジングに設ける。これにより、例えばモータを冷却する冷却風の流路上にソレノイドを配置できる。これによりソレノイドを効率良く冷却でき、ソレノイドの高温化を抑制できる。また、ソレノイドと送り爪との間に動力伝達部材を設けることで、ソレノイドの出力を送り爪へと効率良く伝達できる。
【図面の簡単な説明】
【0010】
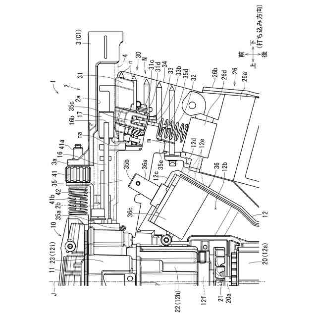
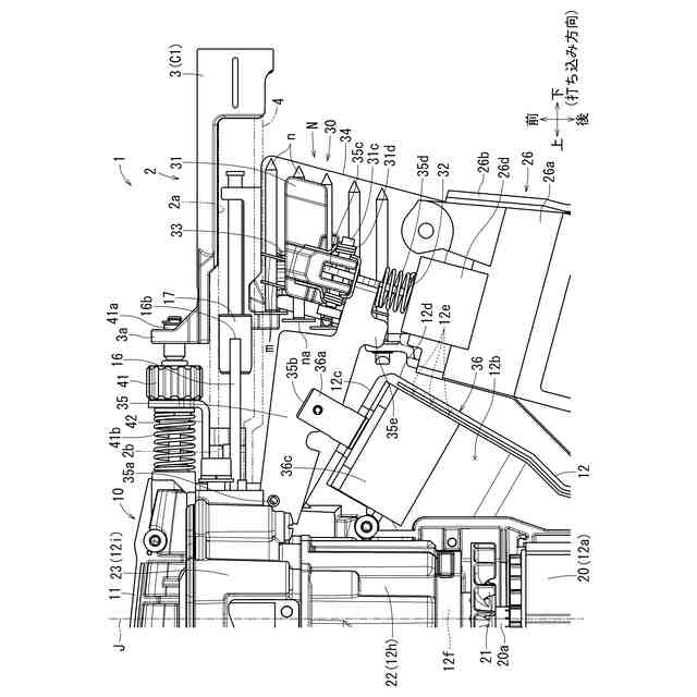
第1実施例に係る打ち込み工具の斜視図である。
右ハウジングを取外した打ち込み工具の右側面図である。
ドライバが待機位置の時の打ち込み工具を右方から見た断面図である。
左ハウジングを取外した打ち込み工具の左側面図である。
ドライバが待機位置の時の工具本体の縦断面図である。
打ち込み具を打ち込み通路に装填する時の工具本体の縦断面図である。
ドライバが待機位置の時における右ハウジングとドライバガイドを取外した打ち込み工具の拡大右側面図である。
ソレノイドがオン状態の時における右ハウジングとドライバガイドを取外した打ち込み工具の拡大右側面図である。
打ち込み具を打ち込み通路に装填する時における右ハウジングとドライバガイドを取外した打ち込み工具の拡大右側面図である。
ドライバが待機位置の時における右ハウジングとドライバガイドを取外した打ち込み工具の拡大下面図である。
ソレノイドがオン状態の時における右ハウジングとドライバガイドを取外した打ち込み工具の拡大下面図である。
打ち込み具を打ち込み通路に装填するにおける右ハウジングとドライバガイドを取外した打ち込み工具の拡大下面図である。
ソレノイドと動力伝達部材と送り爪の斜視図である。
ソレノイドと動力伝達部材と送り爪の下面図である。
第2実施例に係る打ち込み工具の斜視図である。
第2実施例に係る打ち込み工具の図5中のXVI-XVI線断面に相当する断面図である。
第3実施例に係る打ち込み工具の図5中のXVII-XVII線断面に相当する断面図である。
第4実施例に係る打ち込み工具の斜視図である。
右ハウジングを取外した打ち込み工具の右側面図である。
【発明を実施するための形態】
(【0011】以降は省略されています)
この特許をJ-PlatPat(特許庁公式サイト)で参照する
関連特許
株式会社マキタ
作業機
1か月前
株式会社マキタ
電動工具
19日前
株式会社マキタ
鉄筋結束機
1か月前
株式会社マキタ
電動作業機
1か月前
株式会社マキタ
ハンマドリル
1か月前
株式会社マキタ
ハンマドリル
1か月前
株式会社マキタ
回転打撃工具
2か月前
株式会社マキタ
現場用作業機
1か月前
株式会社マキタ
インパクト工具
1か月前
株式会社マキタ
ダイグラインダ
2か月前
株式会社マキタ
集塵アタッチメント
11日前
株式会社マキタ
スクラバードライヤー
19日前
株式会社マキタ
充電器及び充電システム
1か月前
株式会社マキタ
フレア形成装置及びフレア形成工具
2か月前
株式会社マキタ
インパクト工具及びインパクトレンチ
1か月前
株式会社マキタ
往復動工具、及び、往復動工具の電動モータを制御する方法
4日前
株式会社マキタ
現場用機器における光学表示器の内部に回路基板を固定する技術
1か月前
株式会社マキタ
往復動工具、及び、往復動工具における電動モータを制御する方法
4日前
株式会社マキタ
往復動工具、及び、往復動工具における電動モータの通電を保持する方法
4日前
株式会社マキタ
往復動工具、及び、往復動工具における往復部材の位置検出に関連する不具合の発生を検出する方法
4日前
個人
フラワーホッチキス。
1か月前
個人
手持ち挟持具
1か月前
川崎重工業株式会社
ロボット
2か月前
株式会社不二越
ロボット
2か月前
トヨタ自動車株式会社
学習装置
19日前
株式会社竹中工務店
補助セット
2か月前
CKD株式会社
把持装置
4日前
ダイセイ株式会社
ロボット自動刻印装置
4日前
川崎重工業株式会社
ハンド
2か月前
株式会社マキタ
ハンマドリル
1か月前
株式会社マキタ
ハンマドリル
1か月前
工機ホールディングス株式会社
作業機
2か月前
瓜生製作株式会社
電動締付工具
12日前
トヨタ自動車株式会社
ロボット
2か月前
株式会社安川電機
ロボット
1か月前
川崎重工業株式会社
塗装システム
2か月前
続きを見る
他の特許を見る