TOP
|
特許
|
意匠
|
商標
特許ウォッチ
Twitter
他の特許を見る
公開番号
2025069624
公報種別
公開特許公報(A)
公開日
2025-05-01
出願番号
2023179447
出願日
2023-10-18
発明の名称
放射線遮蔽構造
出願人
清水建設株式会社
代理人
弁理士法人酒井国際特許事務所
主分類
G21F
3/00 20060101AFI20250423BHJP(核物理;核工学)
要約
【課題】放射線遮蔽性能の低下を抑制できる鉛直方向の構造スリットを用いた放射線遮蔽構造を提供する。
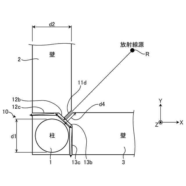
【解決手段】柱1を介して壁2,3が交差する部分の放射線室側の隅部に柱1に沿って増し打ちされた増設壁部4を配設し、増設壁部4の放射線室内から1柱まで延びる鉛直方向スリットである内側鉛直スリット11と、内側鉛直スリット11の柱1側で2分岐し、それぞれ柱1の周面に沿って放射線室外まで延びる鉛直方向スリットである2つの分岐鉛直スリット12,13とからなる鉛直構造スリット10が形成される。
【選択図】図1
特許請求の範囲
【請求項1】
柱を介して壁が交差する部分の放射線室側の隅部に前記柱に沿って増し打ちされた増設壁部を配設し、
前記増設壁部の放射線室内から前記柱まで延びる鉛直方向スリットである内側鉛直スリットと、前記内側鉛直スリットの前記柱側で2分岐し、それぞれ前記柱の周面に沿って放射線室外まで延びる鉛直方向スリットである2つの分岐鉛直スリットとからなる鉛直構造スリットが形成されることを特徴とする放射線遮蔽構造。
続きを表示(約 400 文字)
【請求項2】
前記内側鉛直スリットは、放射線到来方向に対して斜めに形成されることを特徴とする請求項1に記載の放射線遮蔽構造。
【請求項3】
前記内側鉛直スリットは、水平方向に対して屈曲した複数の部分内側鉛直スリットにより形成されることを特徴とする請求項1に記載の放射線遮蔽構造。
【請求項4】
前記分岐鉛直スリットは、水平方向に対して屈曲した複数の部分分岐鉛直スリットにより形成されることを特徴とする請求項1に記載の放射線遮蔽構造。
【請求項5】
2つの前記分岐鉛直スリットは、同一の鉛直面上に形成され、各壁に形成されることを特徴とする請求項1に記載の放射線遮蔽構造。
【請求項6】
前記柱の厚さは、前記壁の厚さに比して小さく、各壁の交差部分の隅部側の厚さを前記増設壁部とすることを特徴とする請求項1に記載の放射線遮蔽構造。
発明の詳細な説明
【技術分野】
【0001】
本発明は、放射線遮蔽性能の低下を抑制できる鉛直方向の構造スリットを用いた放射線遮蔽構造に関する。
続きを表示(約 1,100 文字)
【背景技術】
【0002】
従来、耐震壁を設けることによって部材に応力が集中することを防ぐために構造スリットを設けることがある(例えば、特許文献1を参照)。強力な放射線を用いた治療を行う部屋(リニアック室等)は、放射線遮蔽のために四周を分厚いコンクリート壁(例えば、厚さt=1400mm等の壁)で囲う必要があるが、この壁にも当然、応力集中が生じることになる。
【先行技術文献】
【特許文献】
【0003】
特開昭63-167853号公報
【発明の概要】
【発明が解決しようとする課題】
【0004】
上記の応力集中を緩和するため、リニアック室と同一階の外周部に耐震壁を設ける、リニアック室周りの部材の耐力を上げる、又はリニアック室と周囲の架構との縁を切るといった対策が施されることがある。しかし、純S造と比べて施工時間が長くなるという問題があった。
【0005】
リニアック室の壁に構造スリットを設けることができれば応力集中の問題を解決することができる。しかしながら、従来のスリット材はポリエチレン等であり、放射線を遮蔽する能力が低いため、構造スリットを設けると放射線の遮蔽性能が低下するという課題があった。
【0006】
本発明は、上記に鑑みてなされたものであって、放射線遮蔽性能の低下を抑制できる鉛直方向の構造スリットを用いた放射線遮蔽構造を提供することを目的とする。
【課題を解決するための手段】
【0007】
上述した課題を解決し、目的を達成するために、本発明は、柱を介して壁が交差する部分の放射線室側の隅部に前記柱に沿って増し打ちされた増設壁部を配設し、前記増設壁部の放射線室内から前記柱まで延びる鉛直方向スリットである内側鉛直スリットと、前記内側鉛直スリットの前記柱側で2分岐し、それぞれ前記柱の周面に沿って放射線室外まで延びる鉛直方向スリットである2つの分岐鉛直スリットとからなる鉛直構造スリットが形成されることを特徴とする。
【0008】
また、本発明は、上記の発明において、前記内側鉛直スリットは、放射線到来方向に対して斜めに形成されることを特徴とする。
【0009】
また、本発明は、上記の発明において、前記内側鉛直スリットは、水平方向に対して屈曲した複数の部分内側鉛直スリットにより形成されることを特徴とする。
【0010】
また、本発明は、上記の発明において、前記分岐鉛直スリットは、水平方向に対して屈曲した複数の部分分岐鉛直スリットにより形成されることを特徴とする。
(【0011】以降は省略されています)
この特許をJ-PlatPat(特許庁公式サイト)で参照する
関連特許
清水建設株式会社
建築構造
1日前
清水建設株式会社
水制御システム
6日前
清水建設株式会社
遮水層の構築方法
5日前
清水建設株式会社
免震装置の基礎構造
6日前
清水建設株式会社
床吹き出し空調装置
5日前
清水建設株式会社
ボルトによる接合構造
12日前
清水建設株式会社
変位計測装置および変位計測方法
1日前
清水建設株式会社
中間階免震建物の免震層の構築方法
6日前
清水建設株式会社
ケーソンの施工方法および施工補助装置
14日前
清水建設株式会社
金属造形物の造形装置および金属造形物の造形方法
7日前
清水建設株式会社
鉄筋の放射線漏洩線量減少率評価方法及び解析装置
12日前
清水建設株式会社
施工時CO2排出量の推定方法および推定システム
12日前
清水建設株式会社
土壌資材、土壌資材の設計方法および土壌資材の製造方法
16日前
清水建設株式会社
鉄筋の突合わせ接合構造及び鉄筋接続用スリーブの圧縮装置
12日前
清水建設株式会社
陰イオン吸着体、陰イオン吸着体の製造方法、陰イオン吸着方法
12日前
清水建設株式会社
情報処理装置、情報処理システム、情報処理方法、および、プログラム
6日前
株式会社神戸製鋼所
ジオポリマー組成物、ジオポリマー硬化体およびジオポリマー硬化体の製造方法
5日前
株式会社神戸製鋼所
ジオポリマー組成物、ジオポリマー硬化体およびジオポリマー硬化体の製造方法
5日前
個人
常温核融合装置
5か月前
個人
原子力プラント
1日前
個人
常温核融合装置
5か月前
個人
常温核融合装置
5か月前
個人
超音波振動子の利用
1日前
個人
トリチウムの除去装置
6か月前
個人
元素変換用固体核融合工程
4か月前
個人
廃炉方法及び固化材
16日前
個人
安山岩を利用した放射線消去装置
4か月前
個人
安山岩を利用した放射線消去装置
3か月前
パテントフレア株式会社
核融合反応促進法
6か月前
個人
はんれい岩を利用した放射線消去装置
3か月前
パテントフレア株式会社
核融合反応促進法
5か月前
個人
金属製軽水炉使用済核燃料増殖原子炉
6か月前
個人
コンクリート船に乗せた、原子力発電
7か月前
個人
装置、加速器、減速器、核変換システム
6か月前
合同会社日本レプトン
電子発生ペースト
20日前
株式会社エー・アンド・デイ
X線検査装置
5か月前
続きを見る
他の特許を見る