TOP
|
特許
|
意匠
|
商標
特許ウォッチ
Twitter
他の特許を見る
公開番号
2025158026
公報種別
公開特許公報(A)
公開日
2025-10-16
出願番号
2024060450
出願日
2024-04-03
発明の名称
アルカリ金属イオンの抽出方法
出願人
株式会社安藤・間
,
国立大学法人 新潟大学
代理人
個人
,
個人
主分類
C04B
41/72 20060101AFI20251008BHJP(セメント;コンクリート;人造石;セラミックス;耐火物)
要約
【課題】セメント硬化体の中からアルカリ金属イオンを選択的に抽出するアルカリ金属イオンの抽出方法を提供すること
【解決手段】セメント硬化体からpH6.5以上pH11以下の水でアルカリ金属イオンを抽出する抽出工程を有することを特徴とする、セメント硬化体からのアルカリ金属イオンの抽出方法である。本発明によれば、セメント硬化体からアルカリ金属イオンのみを抽出することができるので、カルシウムは炭酸カルシウムの形態でセメント硬化体中に残り、抽出工程の前後でセメント硬化体の強度を維持することができる。
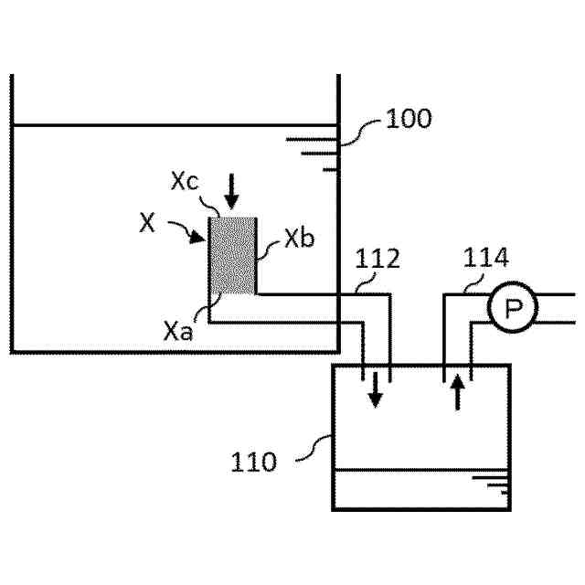
【選択図】図1
特許請求の範囲
【請求項1】
セメント硬化体からpH6.5以上pH11.0以下の水でアルカリ金属イオンを抽出する抽出工程を有することを特徴とする、セメント硬化体からのアルカリ金属イオンの抽出方法。
続きを表示(約 250 文字)
【請求項2】
前記抽出工程の前に実施される、セメント組成物またはセメント硬化体にアルカリ金属炭酸塩の水溶液を供給する供給工程を有することを特徴とする請求項1に記載のアルカリ金属イオンの抽出方法。
【請求項3】
前記セメント硬化体が水を通すことができる多孔性構造を有することを特徴とする請求項1に記載のアルカリ金属イオンの抽出方法。
【請求項4】
前記アルカリ金属イオンがカリウムイオンであることを特徴とする請求項1~3の何れか一項に記載のアルカリ金属イオンの抽出方法。
発明の詳細な説明
【技術分野】
【0001】
本発明は、アルカリ金属イオンの抽出方法に関し、特に、セメント硬化体からのアルカリ金属イオンの抽出方法に関する。
続きを表示(約 1,200 文字)
【背景技術】
【0002】
コンクリートは、砂、砂利などの骨材と水などをセメントで固めたセメント硬化体であり、建築土木工事の材料として広く利用されている。
【0003】
このコンクリートの劣化要因の一つに、アルカリ骨材反応が挙げられる。アルカリ骨材反応とは、コンクリートに含まれるアルカリ性の水溶液が骨材(砂利や砂)の特定成分と反応し、異常膨張やそれに伴うひび割れなどを引き起こす現象である。
【0004】
アルカリ骨材反応は、コンクリート中にNaやKなどのアルカリ金属が少ない場合は特に問題にはならないが、近年、コンクリートにアルカリ金属炭酸塩の水溶液を含浸させ、炭素をコンクリートに貯留させることが検討されており、そのような場合にはコンクリート中でアルカリ金属が高濃度で存在することとなり、問題となる。
【0005】
コンクリート中のアルカリ金属を除去するには、例えば、再アルカリ化工法の通電を逆方法とすることでも可能である。特許文献1は、コンクリート内部の鋼材を陽極とし、コンクリートの表面と該表面に重ねたシートとの間に溶液を保持するとともに該溶液中に電極を挿入して陰極とし、陽極と陰極との間に電流を流して溶液中の陰イオンをコンクリート表面からコンクリート内部の鋼材側に電気化学的に浸透させることを開示する。
【0006】
特許文献1の発明によれば、溶液中の陰イオンがコンクリート表面からコンクリート内部の鋼材側に移動すると同時に、コンクリート内部から陽イオンをコンクリート外部の溶液中へと排出することができる。
【先行技術文献】
【特許文献】
【0007】
特開2015-227578号公報
【非特許文献】
【0008】
畑中重光ら著、「委員会報告 性能設計対応型ポーラスコンクリートの施工基準と品質保証耐性の確立研究委員会」、コンクリート工学年次論文集、Vol.37、No.1、2015年
【発明の概要】
【発明が解決しようとする課題】
【0009】
上述のとおり、特許文献1の発明によれば、コンクリート内部から陽イオン(アルカリ金属イオンを含む)をコンクリート外部の溶液中へと排出することができるものの、陽イオンとしてアルカリ金属イオンだけでなくコンクリート中のカルシウムイオンも排出されてしまうことから、コンクリート中の炭酸カルシウムが崩壊するという不具合がある。
【0010】
上記課題を鑑みた本願発明の目的は、セメント硬化体の中からアルカリ金属イオンを選択的に抽出するアルカリ金属イオンの抽出方法を提供することにある。
【課題を解決するための手段】
(【0011】以降は省略されています)
この特許をJ-PlatPat(特許庁公式サイト)で参照する
関連特許
株式会社安藤・間
橋梁健全度評価システム
26日前
株式会社安藤・間
アルカリ金属イオンの抽出方法
1か月前
株式会社安藤・間
床面測定装置、及び床面測定方法
29日前
株式会社安藤・間
プレキャスト柱梁部材及び梁部材の接合方法
12日前
株式会社安藤・間
柱梁接合部のグラウト充填構造及びグラウト充填方法
12日前
株式会社安藤・間
混和材料、セメント組成物、セメント硬化体およびセメント硬化体の製造方法
1か月前
株式会社安藤・間
セメント硬化体形成用組成物及びその製造方法、並びに、セメント硬化体及びその製造方法
1か月前
個人
吸収材
12日前
個人
振動吸収材
12日前
個人
水質浄化剤
12日前
個人
空気清浄材
12日前
東ソー株式会社
焼結体
14日前
東ソー株式会社
焼結体
14日前
株式会社トクヤマ
水硬性組成物
1か月前
東ソー株式会社
焼結体の製造方法
1か月前
株式会社トクヤマ
窒化ケイ素基板
2か月前
株式会社トクヤマ
窒化ケイ素基板
1か月前
株式会社トクヤマ
窒化ケイ素基板
3か月前
太平洋マテリアル株式会社
膨張材
1か月前
太平洋マテリアル株式会社
裏込め材
1か月前
有限会社林製作所
無機質成形体
3か月前
太平洋マテリアル株式会社
吹付モルタル
1か月前
太平洋マテリアル株式会社
樹脂モルタル
2か月前
太平洋マテリアル株式会社
樹脂モルタル
2か月前
ノリタケ株式会社
焼成用治具
1か月前
ノリタケ株式会社
焼成用治具
1か月前
日本電気硝子株式会社
光学部材の製造方法
1か月前
太平洋マテリアル株式会社
セメント組成物
1か月前
ノリタケ株式会社
焼成用治具
1か月前
愛媛県
釉薬組成物
3か月前
株式会社トクヤマ
改質フライアッシュの製造方法
1か月前
デンカ株式会社
グラウト材料
3か月前
デンカ株式会社
モルタル材料
1か月前
日本特殊陶業株式会社
セラミック部品
1か月前
TOTO株式会社
複合材料
2か月前
TOTO株式会社
構造部材
1か月前
続きを見る
他の特許を見る