TOP
|
特許
|
意匠
|
商標
特許ウォッチ
Twitter
他の特許を見る
公開番号
2025155299
公報種別
公開特許公報(A)
公開日
2025-10-14
出願番号
2024059053
出願日
2024-04-01
発明の名称
車両制御装置
出願人
トヨタ自動車株式会社
代理人
弁理士法人太陽国際特許事務所
主分類
B60L
3/00 20190101AFI20251006BHJP(車両一般)
要約
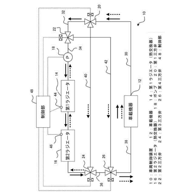
【課題】冷媒を流す複数の熱交換器の全体としての熱交換量を向上させる。
【解決手段】車両制御装置10は、車両に搭載された車載機器12と熱交換を行った冷媒の熱を外部へ放熱するラジエータ14、16を含み、制御部48は、ラジエータ14、16への日射量を取得し、ラジエータ14の方が日射量が高い場合は、ラジエータ14からラジエータ16へ冷媒が流れる(実線の矢印の方向)ように制御し、ラジエータ16の方が日射量が高い場合は、ラジエータ16からラジエータ14へ冷媒が流れる(破線の矢印の方向)ように制御する。
【選択図】図1
特許請求の範囲
【請求項1】
車両に搭載された車載機器と熱交換を行った冷媒の熱を外部へ放熱する複数の熱交換器と、
前記複数の熱交換器への日射量を取得し前記冷媒が前記日射量の高い順に前記複数の熱交換器を流れるように制御する制御部と、
を含む車両制御装置。
発明の詳細な説明
【技術分野】
【0001】
本開示は車両制御装置に関する。
続きを表示(約 1,200 文字)
【背景技術】
【0002】
特許文献1には、冷媒循環回路における冷媒の流路として、チラー熱交換流路、ラジエータ熱交換流路およびヒータ熱交換流路を備え、対象機器の熱を放出する場合、冷媒の流路としてラジエータ熱交換流路とチラー熱交換流路とを選択しかつチラーを作動させない技術が記載されている。
【先行技術文献】
【特許文献】
【0003】
特開2019-047588号公報
【発明の概要】
【発明が解決しようとする課題】
【0004】
特許文献1に記載の技術は、ラジエータ熱交換流路およびチラー熱交換流路に並列に冷媒を流し、チラー熱交換流路をバイパス流路として利用することで、冷媒の圧力損失を抑制する技術であり、複数の熱交換流路へ冷媒を流す順序を任意に変えることはできない。このため、特許文献1に記載の技術は、冷媒を流す複数の熱交換器への日射量が相違している場合に、冷媒を流す複数の熱交換器の全体としての熱交換量の向上の点で改善の余地がある。
【0005】
本開示は上記事実を考慮して成されたもので、冷媒を流す複数の熱交換器の全体としての熱交換量率を向上できる車両制御装置を得ることが目的である。
【課題を解決するための手段】
【0006】
第1の態様に係る車両制御装置は、車両に搭載された車載機器と熱交換を行った冷媒の熱を外部へ放熱する複数の熱交換器と、前記複数の熱交換器への日射量を取得し前記冷媒が前記日射量の高い順に前記複数の熱交換器を流れるように制御する制御部と、を含んでいる。
【0007】
第1の態様では、複数の熱交換器への日射量を取得し、車載機器と熱交換を行った冷媒が、日射量の高い順に複数の熱交換器を流れるように制御するので、後述する実施例でも説明するように、冷媒を流す複数の熱交換器の全体としての熱交換量を向上させることができる。
【発明の効果】
【0008】
本開示は、冷媒を流す複数の熱交換器の全体としての熱交換量を向上できる、という効果を有する。
【図面の簡単な説明】
【0009】
実施形態に係る車両制御装置の概略構成図である。
制御部で実行される熱交換制御処理を示すフローチャートである。
本願発明者が実施したシミュレーション結果を示す線図である。
【発明を実施するための形態】
【0010】
以下、図面を参照して本開示の実施形態の一例を詳細に説明する。図1には車両に搭載された車両制御装置10が示されている。本実施形態では、車両制御装置10が搭載された車両が、月面を走行可能に設計された車両、いわゆる月面ローバーである態様を説明するが、車両制御装置10は地上を走行する目的で設計された、いわゆる地上車にも搭載可能である。
(【0011】以降は省略されています)
この特許をJ-PlatPat(特許庁公式サイト)で参照する
関連特許
トヨタ自動車株式会社
方法
3日前
トヨタ自動車株式会社
車両
3日前
トヨタ自動車株式会社
車体
3日前
トヨタ自動車株式会社
蓄電池
3日前
トヨタ自動車株式会社
モータ
2日前
トヨタ自動車株式会社
樹脂外板
3日前
トヨタ自動車株式会社
電動車両
2日前
トヨタ自動車株式会社
路側装置
2日前
トヨタ自動車株式会社
路側装置
2日前
トヨタ自動車株式会社
路側装置
2日前
トヨタ自動車株式会社
電動車両
2日前
トヨタ自動車株式会社
制御装置
2日前
トヨタ自動車株式会社
推定装置
2日前
トヨタ自動車株式会社
路側装置
2日前
トヨタ自動車株式会社
鋳造装置
2日前
トヨタ自動車株式会社
蓄電装置
2日前
トヨタ自動車株式会社
制御装置
2日前
トヨタ自動車株式会社
電動車両
3日前
トヨタ自動車株式会社
電池パック
3日前
トヨタ自動車株式会社
電力システム
2日前
トヨタ自動車株式会社
情報処理装置
3日前
トヨタ自動車株式会社
情報処理装置
2日前
トヨタ自動車株式会社
回路システム
3日前
トヨタ自動車株式会社
情報処理装置
3日前
トヨタ自動車株式会社
情報処理装置
3日前
トヨタ自動車株式会社
車両制御装置
3日前
トヨタ自動車株式会社
油量判定装置
3日前
トヨタ自動車株式会社
車両前部構造
3日前
トヨタ自動車株式会社
車両下部構造
3日前
トヨタ自動車株式会社
車両前部構造
3日前
トヨタ自動車株式会社
動力伝達装置
2日前
トヨタ自動車株式会社
情報処理装置
3日前
トヨタ自動車株式会社
車両前部構造
2日前
トヨタ自動車株式会社
蓄電モジュール
3日前
トヨタ自動車株式会社
ハイブリッド車
3日前
トヨタ自動車株式会社
螺旋状伸縮装置
3日前
続きを見る
他の特許を見る