TOP
|
特許
|
意匠
|
商標
特許ウォッチ
Twitter
他の特許を見る
公開番号
2025147768
公報種別
公開特許公報(A)
公開日
2025-10-07
出願番号
2024048175
出願日
2024-03-25
発明の名称
電池パック
出願人
トヨタ自動車株式会社
代理人
弁理士法人酒井国際特許事務所
主分類
H01M
50/204 20210101AFI20250930BHJP(基本的電気素子)
要約
【課題】防水性を向上することができる電池パックを提供する。
【解決手段】電池パックは、上部に第1フランジ部を有する電池ケースと、前記電池ケースに収容された電池モジュールと、前記第1フランジ部に対して締結部を介して固定された台座部材と、前記第1フランジ部及び前記台座部材と前記締結部を介して固定された第2フランジ部を有し、該第2フランジ部と前記第1フランジ部との互いの端部同士が上下に並んで配置された機器ケースと、前記機器ケースに収容された電子機器と、前記第1フランジ部と前記第2フランジ部との間に介在し、前記機器ケースの周囲を囲むように設けられると共に前記機器ケースの内外方向で前記締結部よりも外側に配置されたシール部材と、備える。
【選択図】図1
特許請求の範囲
【請求項1】
上部に第1フランジ部を有する電池ケースと、
前記電池ケースに収容された電池モジュールと、
前記第1フランジ部に対して締結部を介して固定された台座部材と、
前記第1フランジ部及び前記台座部材と前記締結部を介して固定された第2フランジ部を有し、該第2フランジ部と前記第1フランジ部との互いの端部同士が上下に並んで配置された機器ケースと、
前記機器ケースに収容された電子機器と、
前記第1フランジ部と前記第2フランジ部との間に介在し、前記機器ケースの周囲を囲むように設けられると共に前記機器ケースの内外方向で前記締結部よりも外側に配置されたシール部材と、
備えることを特徴とする電池パック。
発明の詳細な説明
【技術分野】
【0001】
本発明は、電池パックに関する。
続きを表示(約 1,300 文字)
【背景技術】
【0002】
例えば特許文献1には車両等に搭載される電池パックが開示されている。
【先行技術文献】
【特許文献】
【0003】
特開2022-165836号公報
【発明の概要】
【発明が解決しようとする課題】
【0004】
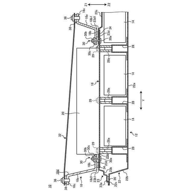
上記のような電池パックは、電池モジュールを収容した電池ケースの上に電子機器を収容した機器ケース(ジャンクションボックス)を搭載することが考えられる。この構成とすると電池パックの全高を低減でき、さらに電子機器と電池との接続が容易となる。ところが、この構成では、機器ケースと電池ケースや台座部材との締結部が電池ケースの上に位置するため、機器ケースや電池ケースでの防水性が問題となる。
【0005】
本発明は、上記の課題に鑑みてなされたものであって、防水性を向上することができる電池パックを提供することを目的とする。
【課題を解決するための手段】
【0006】
本発明の一態様に係る電池パックは、上部に第1フランジ部を有する電池ケースと、前記電池ケースに収容された電池モジュールと、前記第1フランジ部に対して締結部を介して固定された台座部材と、前記第1フランジ部及び前記台座部材と前記締結部を介して固定された第2フランジ部を有し、該第2フランジ部と前記第1フランジ部との互いの端部同士が上下に並んで配置された機器ケースと、前記機器ケースに収容された電子機器と、前記第1フランジ部と前記第2フランジ部との間に介在し、前記機器ケースの周囲を囲むように設けられると共に前記機器ケースの内外方向で前記締結部よりも外側に配置されたシール部材と、備える。
【発明の効果】
【0007】
本発明の上記態様によれば、防水性を向上することができる。
【図面の簡単な説明】
【0008】
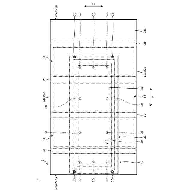
図1は、本発明の一実施形態に係る電池パックの模式的な側面断面図である。
図2は、図1に示す電池パックの模式的な平面図である。
【発明を実施するための形態】
【0009】
以下、本発明に係る電池パックの実施形態を図面に基づいて詳細に説明する。なお、この実施形態によりこの発明が限定されるものではない。
【0010】
図1は、本発明の一実施形態に係る電池パック10の模式的な側面断面図である。図2は、図1に示す電池パック10の模式的な平面図である。本実施形態の電池パック10は、例えば電気自動車(BEV:Battery Electric Vehicle)、ハイブリッド車(HEV:Hybrid Electric Vehicle)、プラグインハイブリッド車(PHEV:Plug-in Hybrid Electric Vehicle)等の車両等に搭載して使用することができる。電池パック10は例えばフロアパネルの下方に配置され、車両の構造材であるクロスメンバやリインフォースに固定することができる。
(【0011】以降は省略されています)
この特許をJ-PlatPat(特許庁公式サイト)で参照する
関連特許
東ソー株式会社
絶縁電線
18日前
APB株式会社
蓄電セル
16日前
個人
フレキシブル電気化学素子
1か月前
日新イオン機器株式会社
イオン源
26日前
株式会社東芝
端子台
10日前
ローム株式会社
半導体装置
1か月前
マクセル株式会社
電源装置
10日前
株式会社ユーシン
操作装置
1か月前
ローム株式会社
半導体装置
17日前
株式会社GSユアサ
蓄電装置
11日前
株式会社GSユアサ
蓄電設備
1か月前
株式会社GSユアサ
蓄電設備
1か月前
オムロン株式会社
電磁継電器
1か月前
株式会社GSユアサ
蓄電装置
11日前
太陽誘電株式会社
コイル部品
1か月前
株式会社ホロン
冷陰極電子源
24日前
株式会社GSユアサ
蓄電装置
3日前
トヨタ自動車株式会社
蓄電装置
1か月前
トヨタ自動車株式会社
冷却構造
18日前
北道電設株式会社
配電具カバー
16日前
ノリタケ株式会社
熱伝導シート
1か月前
トヨタ自動車株式会社
蓄電装置
11日前
トヨタ自動車株式会社
バッテリ
1か月前
日本特殊陶業株式会社
保持装置
19日前
トヨタ自動車株式会社
バッテリ
16日前
日本特殊陶業株式会社
保持装置
2日前
日東電工株式会社
積層体
1か月前
サクサ株式会社
電池の固定構造
1か月前
日新イオン機器株式会社
基板処理装置
13日前
株式会社トクヤマ
シリコンエッチング液
24日前
ベストテック株式会社
装置支持具
1か月前
トヨタ自動車株式会社
電池パック
23日前
トヨタ自動車株式会社
電池パック
23日前
株式会社ダイヘン
搬送装置
1か月前
古河電気工業株式会社
端子
1か月前
ローム株式会社
半導体装置
1か月前
続きを見る
他の特許を見る