TOP
|
特許
|
意匠
|
商標
特許ウォッチ
Twitter
他の特許を見る
公開番号
2025153086
公報種別
公開特許公報(A)
公開日
2025-10-10
出願番号
2024055370
出願日
2024-03-29
発明の名称
モータ装置
出願人
国立大学法人大阪大学
,
株式会社A.H.MotorLab
代理人
弁理士法人プロウィン
主分類
H02K
19/10 20060101AFI20251002BHJP(電力の発電,変換,配電)
要約
【課題】トルク脈動が小さく騒音や振動を抑制することが可能なモータ装置を提供する。
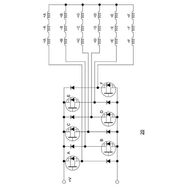
【解決手段】回転軸を中心に回転可能に配置された回転子(11)と、内周に複数のティース部(13)が形成された固定子(12)を有し、回転子(11)が強磁性体で構成されたスイッチトリラクタンスモータであるモータ装置であって、複数のティース部(13)には固定子(12)の周方向に沿ってA相、B相、C相、D相、E相およびF相の順で巻線が巻回されており、それぞれ第1方向に巻回された第1部分巻線と、第1方向と逆方向の第2方向に巻回された第2部分巻線と、第1方向に巻回された第3部分巻線が直列接続され、第1部分巻線、第2部分巻線および第3部分巻線は、3つの連続するティース部(13)に巻回されているモータ装置。
【選択図】図1
特許請求の範囲
【請求項1】
回転軸を中心に回転可能に配置された回転子と、内周に複数のティース部が形成された固定子を有し、前記回転子が強磁性体で構成されたスイッチトリラクタンスモータであるモータ装置であって、
前記複数のティース部には、前記固定子の周方向に沿ってA相、B相、C相、D相、E相およびF相の順で巻線が巻回されており、
前記A相、前記B相、前記C相、前記D相、前記E相および前記F相は、それぞれ第1方向に巻回された第1部分巻線と、前記第1方向と逆方向の第2方向に巻回された第2部分巻線と、前記第1方向に巻回された第3部分巻線が直列接続され、
前記第1部分巻線、前記第2部分巻線および前記第3部分巻線は、3つの連続する前記ティース部に巻回されていることを特徴とするモータ装置。
続きを表示(約 720 文字)
【請求項2】
請求項1に記載のモータ装置であって、
前記回転子の極数Pと、前記ティース部のスロット数Sの比は、P:S=17:18であることを特徴とするモータ装置。
【請求項3】
請求項1に記載のモータ装置であって、
前記回転子の極数Pと、前記ティース部のスロット数Sの比は、P:S=19:18であることを特徴とするモータ装置。
【請求項4】
請求項1に記載のモータ装置であって、
前記A相、前記B相、前記C相、前記D相、前記E相および前記F相は、それぞれ電気角で60度の位相差で配置されていることを特徴とするモータ装置。
【請求項5】
請求項1に記載のモータ装置であって、
前記第1部分巻線、前記第2部分巻線および前記第3部分巻線は、それぞれ電気角で20度の位相差で配置されていることを特徴とするモータ装置。
【請求項6】
請求項1に記載のモータ装置であって、
前記A相、前記B相、前記C相、前記D相、前記E相および前記F相は、一端が中性点に接続されて、スター結線されていることを特徴とするモータ装置。
【請求項7】
請求項1に記載のモータ装置であって、
前記A相、前記B相、前記C相、前記D相、前記E相および前記F相は、この順に環状に直列接続されて、ヘキサゴン結線されていることを特徴とするモータ装置。
【請求項8】
請求項1から7の何れか一つに記載のモータ装置であって、
前記巻線は、個々の前記ティース部に巻回された集中巻きとして構成されていることを特徴とするモータ装置。
発明の詳細な説明
【技術分野】
【0001】
本発明は、モータ装置に関し、特に、回転子に強磁性体を用いるスイッチトリラクタンスモータのモータ装置に関する。
続きを表示(約 1,300 文字)
【背景技術】
【0002】
従来から様々な技術分野において、交流の周波数を変化させることで回転数を制御でき、安定した回転数を得られる三相モータが動力源として用いられている。また、回転子に強磁性体を用いるスイッチトリラクタンスモータも提案されている(例えば特許文献1を参照)。また、複数の相を備えた多相巻線を複数系統備えたモータ装置も提案されている。
【0003】
従来の三相巻線を2系統備えたモータ装置では、第1系統の三相巻線としてA相コイル、E相コイル、C相コイルを有し、第2系統の三相巻線としてD相コイル、B相コイル、F相コイルを有している。このような従来のモータ装置では、各相に対応したスイッチを用いて、各相の巻線に電流が流れるタイミングを交互に切替えることで、各相のコイルに適切に電流が流れて、スイッチトリラクタンスモータを回転させることができる。
【先行技術文献】
【特許文献】
【0004】
特開2016-103957号公報
【発明の概要】
【発明が解決しようとする課題】
【0005】
このような従来のスイッチトリラクタンスモータでは、電流波形を制御していないため、トルク脈動(トルクリップル)が生じて騒音や振動が大きくなるという問題があった。
【0006】
そこで本発明は、上記従来の問題点に鑑みなされたものであり、トルク脈動が小さく騒音や振動を抑制することが可能なモータ装置を提供することを目的とする。
【課題を解決するための手段】
【0007】
上記課題を解決するために、本発明のモータ装置は、回転軸を中心に回転可能に配置された回転子と、内周に複数のティース部が形成された固定子を有し、前記回転子が強磁性体で構成されたスイッチトリラクタンスモータであるモータ装置であって、前記複数のティース部には、前記固定子の周方向に沿ってA相、B相、C相、D相、E相およびF相の順で巻線が巻回されており、前記A相、前記B相、前記C相、前記D相、前記E相および前記F相は、それぞれ第1方向に巻回された第1部分巻線と、前記第1方向と逆方向の第2方向に巻回された第2部分巻線と、前記第1方向に巻回された第3部分巻線が直列接続され、前記第1部分巻線、前記第2部分巻線および前記第3部分巻線は、3つの連続する前記ティース部に巻回されていることを特徴とする。
【0008】
このような本発明のモータ装置では、A相からF相がそれぞれ第1方向に巻回された第1部分巻線、第2方向に巻回された第2部分巻線、第1方向に巻回された第3部分巻線を有し、第1部分巻線、第2部分巻線および第3部分巻線が直列接続されて3つの連続するティース部に巻回されることで、トルク脈動が小さく騒音や振動を抑制することが可能となる。
【0009】
また、本発明の一態様では、前記回転子の極数Pと、前記ティース部のスロット数Sの比は、P:S=17:18である。
【0010】
また、本発明の一態様では、前記回転子の極数Pと、前記ティース部のスロット数Sの比は、P:S=19:18である。
(【0011】以降は省略されています)
この特許をJ-PlatPat(特許庁公式サイト)で参照する
関連特許
国立大学法人大阪大学
滅菌器
今日
国立大学法人大阪大学
モータ装置
2か月前
国立大学法人大阪大学
細胞シート
5か月前
国立大学法人大阪大学
歩行訓練装置
2日前
国立大学法人大阪大学
眼瞼痙攣緩和具
4か月前
国立大学法人大阪大学
メタン反応装置
今日
国立大学法人大阪大学
ロボットハンド
3か月前
国立大学法人大阪大学
半月板の治療薬
2か月前
国立大学法人大阪大学
漏洩情報抑制回路
4か月前
国立大学法人大阪大学
動体視力向上用組成物
29日前
国立大学法人大阪大学
試料中の標的物質の検出
2か月前
国立大学法人大阪大学
化学反応方法及び反応装置
2か月前
国立大学法人大阪大学
溶接装置および積層造形装置
今日
トヨタ自動車株式会社
電池
5か月前
国立大学法人大阪大学
電気泳動装置および電気泳動法
3か月前
国立大学法人大阪大学
音声分析方法および音声分析装置
今日
大和ハウス工業株式会社
反応装置
2か月前
大和ハウス工業株式会社
反応装置
2か月前
川崎重工業株式会社
ゼオライト触媒
2か月前
国立大学法人大阪大学
CTAT電流生成回路及びBGR回路
1か月前
国立大学法人大阪大学
化合物の製造方法、及び金属多核錯体
3か月前
国立大学法人大阪大学
タンパク質間相互作用を可視化する方法
3か月前
国立大学法人大阪大学
溶融試料浮遊装置および溶融試料浮遊方法
2か月前
株式会社トクヤマ
ケトン誘導体の製造方法
1か月前
国立大学法人大阪大学
ナノダイヤモンドの製造方法および製造装置
5か月前
株式会社トクヤマ
ケトン誘導体の製造方法
4か月前
国立大学法人大阪大学
量子ビット制御装置および量子コンピューター
6日前
セイコーグループ株式会社
生体電位計測装置
2か月前
セイコーグループ株式会社
生体電位計測装置
2か月前
国立大学法人大阪大学
接合体及びその製造方法、ならびに接合ツール
今日
株式会社塚田メディカル・リサーチ
カテーテル
5か月前
日東紡績株式会社
二酸化炭素の吸収又は脱着剤
4か月前
株式会社アイシン
フッ化物イオン電池用電解液
2か月前
シーライヴ株式会社
ベッドコントロールシステム
1日前
国立大学法人大阪大学
セミクラスレートハイドレートおよびその製造方法
5か月前
国立大学法人大阪大学
トラッキング装置、トラッキング方法及びプログラム
5か月前
続きを見る
他の特許を見る