TOP
|
特許
|
意匠
|
商標
特許ウォッチ
Twitter
他の特許を見る
10個以上の画像は省略されています。
公開番号
2025109566
公報種別
公開特許公報(A)
公開日
2025-07-25
出願番号
2024003538
出願日
2024-01-12
発明の名称
漏洩情報抑制回路
出願人
国立大学法人大阪大学
代理人
個人
主分類
G06F
21/55 20130101AFI20250717BHJP(計算;計数)
要約
【課題】サイドチャネル攻撃に対する耐性を向上しやすくすること。
【解決手段】漏洩情報抑制回路100は、WDDL回路であって、複数の論理ゲート1と、複数のプリチャージ回路2と、1以上のセルフリタイマ回路3と、を備える。複数のプリチャージ回路2の各々は、複数の論理ゲート1の各々に対して、プリチャージ期間においては同じレベルとなる2つの差動出力を出力し、論理評価期間においては互いにレベルが異なる2つの差動出力を出力する。1以上のセルフリタイマ回路3は、前段の論理ゲート1からの2つの差動出力が確定するまではクロック信号を出力せず、当該2つの差動出力が確定するとクロック信号を出力して後段の論理ゲート1を動作させる。
【選択図】図7
特許請求の範囲
【請求項1】
WDDL(Wave Dynamic Differential Logic)回路であって、
複数の論理ゲートと、
前記複数の論理ゲートの各々に対して、プリチャージ期間においては同じレベルとなる2つの差動出力を出力し、論理評価期間においては互いにレベルが異なる2つの差動出力を出力する複数のプリチャージ回路と、
前段の論理ゲートからの2つの差動出力が確定するまではクロック信号を出力せず、当該2つの差動出力が確定すると前記クロック信号を出力して後段の論理ゲートを動作させる1以上のセルフリタイマ回路と、を備える、
漏洩情報抑制回路。
続きを表示(約 640 文字)
【請求項2】
前記複数の論理ゲートの各々は、
PTL(Pass Transistor Logic)を構成する複数組のMOSトランジスタと、
前記プリチャージ期間において出力をハイレベルに維持するラッチ回路と、を備える、
請求項1に記載の漏洩情報抑制回路。
【請求項3】
前記複数の論理ゲートのうちの1以上の論理ゲートは、AND回路、及び当該AND回路と対となる相補的AND回路を有する差動AND回路であって、
前記AND回路においてPTLを構成する2組のMOSトランジスタには、それぞれ前記論理評価期間においてローレベルを維持する2つの仮想入力が入力される、
請求項2に記載の漏洩情報抑制回路。
【請求項4】
前記複数のプリチャージ回路の各々は、前記プリチャージ期間において出力がハイレベルとなる前記2つの差動出力を出力する、
請求項1~3のいずれか1項に記載の漏洩情報抑制回路。
【請求項5】
前記漏洩情報抑制回路は、AESで用いられる合成体S-Boxに用いられており、
前記合成体S-Boxは、上位階層において回路が実装される領域と下位階層において回路が実装される領域とが入れ子構造となった複数の階層を有しており、
前記複数の階層の各々では、1以上の前記領域が平面視で線対称となるように配置されている、
請求項1~3のいずれか1項に記載の漏洩情報抑制回路。
発明の詳細な説明
【技術分野】
【0001】
本発明は、WDDL(Wave Dynamic Differential Logic)回路を含む漏洩情報抑制回路に関する。
続きを表示(約 2,000 文字)
【背景技術】
【0002】
非特許文献1は、WDDLを用いた回路設計について開示している。
【0003】
非特許文献2は、WDDLを用いた回路の性能評価について開示している。
【先行技術文献】
【非特許文献】
【0004】
K. Tiri and I Verbauwhede, "A Logic Level Design Methodology for a Secure DPA Resistant ASIC or FPGA Implementation," DATE, pp. 1530-1591, Mar. 2004.
K. Tiri, et al., "Prototype IC with WDDL and Differential Routing -DPA Resistance Assessment," CHES, pp. 354-365, Sept. 2005.
【発明の概要】
【発明が解決しようとする課題】
【0005】
本発明は、サイドチャネル攻撃に対する耐性を向上しやすい漏洩情報抑制回路を提供することを目的とする。
【課題を解決するための手段】
【0006】
本発明の一態様に係る漏洩情報抑制回路は、WDDL(Wave Dynamic Differential Logic)回路であって、複数の論理ゲートと、複数のプリチャージ回路と、1以上のセルフリタイマ回路と、を備える。前記複数のプリチャージ回路の各々は、前記複数の論理ゲートの各々に対して、プリチャージ期間においては同じレベルとなる2つの差動出力を出力し、論理評価期間においては互いにレベルが異なる2つの差動出力を出力する。前記1以上のセルフリタイマ回路は、前段の論理ゲートからの2つの差動出力が確定するまではクロック信号を出力せず、当該2つの差動出力が確定すると前記クロック信号を出力して後段の論理ゲートを動作させる。
【発明の効果】
【0007】
本発明の漏洩情報抑制回路によれば、サイドチャネル攻撃に対する耐性を向上しやすい、という利点がある。
【図面の簡単な説明】
【0008】
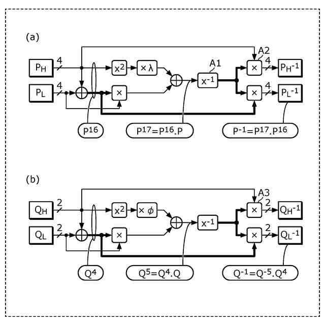
図1は、合成体S-Boxの処理を示す図である。
図2は、ガロア体を用いた乗法逆元の演算回路の一例を示すブロック図である。
図3は、ガロア体を用いた乗算回路の一例を示すブロック図である。
図4は、比較例の漏洩情報抑制回路を示す回路図である。
図5は、比較例の漏洩情報抑制回路におけるプリチャージ回路を示す回路図である。
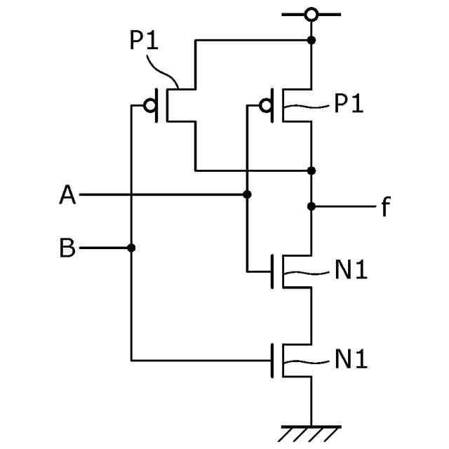
図6は、スタティックCMOS(Complementary Metal-Oxide-Semiconductor)回路の一例を示す回路図である。
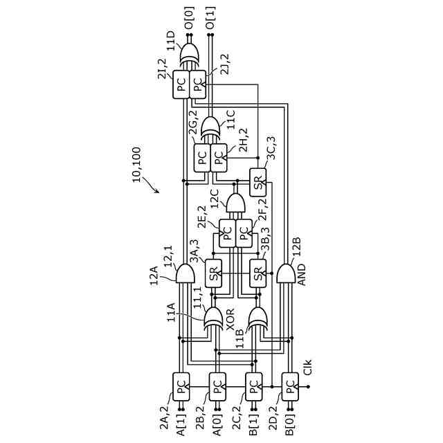
図7は、実施の形態に係る漏洩情報抑制回路の一例を示す回路図である。
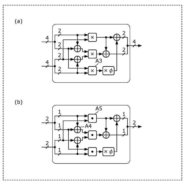
図8は、実施の形態に係る漏洩情報抑制回路における差動XOR回路を示す回路図である。
図9は、PTL(Pass Transistor Logic)を構成する複数対のMOSトランジスタを備えたXOR回路を示す回路図である。
図10は、実施の形態に係る漏洩情報抑制回路における差動AND回路を示す回路図である。
図11は、実施の形態に係る漏洩情報抑制回路における差動AND回路の動作の説明図である。
図12は、実施の形態に係る漏洩情報抑制回路におけるプリチャージ回路を示す回路図である。
図13は、実施の形態に係る漏洩情報抑制回路におけるセルフリタイマ回路を示す回路図である。
図14は、実施の形態に係る漏洩情報抑制回路のレイアウトの一例を示す図である。
図15は、実施の形態に係る漏洩情報抑制回路を用いた合成体S-Boxの供給電流のシミュレーションの結果の説明図である。
図16は、実施の形態に係る漏洩情報抑制回路の基本性能の測定結果の説明図である。
図17は、実施の形態に係る漏洩情報抑制回路のサイドチャネル攻撃に対する耐性の測定結果の説明図である。
図18は、実施の形態に係る漏洩情報抑制回路の性能の説明図である。
【発明を実施するための形態】
【0009】
[1.本発明の基礎となった知見]
まず、発明者の着眼点が下記に説明される。
【0010】
WDDLは、ハードウェア・セキュリティのための回路設計の分野における先駆的な技術の1つである。WDDLは、例えば暗号化回路とその相補的な回路とを備え、入力によらず消費電力を一定にすることで、例えば暗号鍵等の回路で秘匿すべき情報と消費電力との相関を打ち消す技術である。
(【0011】以降は省略されています)
この特許をJ-PlatPat(特許庁公式サイト)で参照する
関連特許
国立大学法人大阪大学
モータ装置
24日前
国立大学法人大阪大学
細胞シート
4か月前
国立大学法人大阪大学
半月板の治療薬
1か月前
国立大学法人大阪大学
眼瞼痙攣緩和具
3か月前
国立大学法人大阪大学
ロボットハンド
1か月前
国立大学法人大阪大学
漏洩情報抑制回路
3か月前
国立大学法人大阪大学
試料中の標的物質の検出
1か月前
国立大学法人大阪大学
化学反応方法及び反応装置
1か月前
トヨタ自動車株式会社
電池
4か月前
国立大学法人大阪大学
電気泳動装置および電気泳動法
2か月前
大和ハウス工業株式会社
反応装置
27日前
大和ハウス工業株式会社
反応装置
27日前
国立大学法人大阪大学
CTAT電流生成回路及びBGR回路
6日前
国立大学法人大阪大学
化合物の製造方法、及び金属多核錯体
1か月前
川崎重工業株式会社
ゼオライト触媒
1か月前
国立大学法人大阪大学
タンパク質間相互作用を可視化する方法
1か月前
国立大学法人大阪大学
溶融試料浮遊装置および溶融試料浮遊方法
25日前
国立大学法人大阪大学
ナノダイヤモンドの製造方法および製造装置
4か月前
株式会社トクヤマ
ケトン誘導体の製造方法
3か月前
株式会社トクヤマ
ケトン誘導体の製造方法
17日前
セイコーグループ株式会社
生体電位計測装置
1か月前
セイコーグループ株式会社
生体電位計測装置
1か月前
日東紡績株式会社
二酸化炭素の吸収又は脱着剤
2か月前
株式会社塚田メディカル・リサーチ
カテーテル
4か月前
株式会社アイシン
フッ化物イオン電池用電解液
24日前
国立大学法人大阪大学
セミクラスレートハイドレートおよびその製造方法
4か月前
国立大学法人大阪大学
トラッキング装置、トラッキング方法及びプログラム
3か月前
ウシオ電機株式会社
半導体レーザ素子および発光装置
1か月前
エヌ・イーケムキャット株式会社
還元的アミノ化触媒
3か月前
日東紡績株式会社
電池用活物質、電池用電極及び電池
26日前
ウシオ電機株式会社
半導体レーザ素子および発光装置
1か月前
日本電気株式会社
推定装置、推定方法及びプログラム
25日前
三菱重工業株式会社
劣化診断方法および劣化診断装置
4か月前
大成建設株式会社
汚泥処理方法および汚泥処理システム
2か月前
国立大学法人大阪大学
コンピュータプログラム、情報処理方法及び情報処理装置
26日前
株式会社ジャパンディスプレイ
液晶光学素子の製造方法
17日前
続きを見る
他の特許を見る