TOP
|
特許
|
意匠
|
商標
特許ウォッチ
Twitter
他の特許を見る
公開番号
2025149321
公報種別
公開特許公報(A)
公開日
2025-10-08
出願番号
2024049885
出願日
2024-03-26
発明の名称
監視装置、および監視システム
出願人
三菱電機株式会社
代理人
弁理士法人深見特許事務所
主分類
H01F
27/00 20060101AFI20251001BHJP(基本的電気素子)
要約
【課題】ネットワーク上のデータ量を軽減しつつ、変圧器において発生した異常の種類を提示することが可能な監視装置を提供する。
【解決手段】監視装置は、変圧器の絶縁油に含まれる複数のガス成分の濃度を取得する取得部と、複数のガス成分の濃度に基づいて、変圧器の状態の異常レベルを判定する判定部と、変圧器の絶縁油に含まれる複数のガス成分の濃度および変圧器の状態の異常レベルから変圧器の異常の種類を推定結果として出力するように学習処理がなされた学習済モデルに対して、取得部により取得された複数のガス成分の濃度および判定部により判定された異常レベルを入力することにより、変圧器の異常の種類を推定する推定部と、推定部により推定された異常の種類を示す識別情報を出力する情報出力部とを備える。
【選択図】図1
特許請求の範囲
【請求項1】
変圧器の絶縁油に含まれる複数のガス成分の濃度を取得する取得部と、
前記複数のガス成分の濃度に基づいて、前記変圧器の状態の異常レベルを判定する判定部と、
前記変圧器の絶縁油に含まれる複数のガス成分の濃度および前記変圧器の状態の異常レベルから前記変圧器の異常の種類を推定結果として出力するように学習処理がなされた学習済モデルに対して、前記取得部により取得された前記複数のガス成分の濃度および前記判定部により判定された前記異常レベルを入力することにより、前記変圧器の異常の種類を推定する推定部と、
前記推定部により推定された前記異常の種類を示す識別情報を出力する情報出力部とを備える、監視装置。
続きを表示(約 1,200 文字)
【請求項2】
過去に前記学習済モデルに入力された前記複数のガス成分の濃度と、当該入力された前記複数のガス成分の濃度から推定された前記異常の種類とを関連付けた第1の情報に基づいて、前記推定部により推定された前記異常の種類の尤度を算出する尤度算出部をさらに備え、
前記尤度算出部は、
前記第1の情報を参照して、前記推定部により推定された前記異常の種類と同一の前記異常の種類に関連付けられた前記複数のガス成分の濃度を特定し、
特定された前記複数のガス成分の濃度と、前記取得部により取得された前記複数のガス成分の濃度とに基づいて、前記推定部により推定された前記異常の種類の尤度を算出する、請求項1に記載の監視装置。
【請求項3】
前記情報出力部は、算出された前記異常の種類の尤度をさらに出力する、請求項2に記載の監視装置。
【請求項4】
前記判定部は、前記複数のガス成分の各々について、当該ガス成分の濃度と、当該ガス成分に対応する規定濃度とを比較することにより、前記異常レベルを判定する、請求項1~請求項3のいずれか1項に記載の監視装置。
【請求項5】
前記複数のガス成分は、水素、メタン、エタン、エチレン、アセチレン、および一酸化炭素のうちの少なくとも2つを含む、請求項1~請求項3のいずれか1項に記載の監視装置。
【請求項6】
変圧器の状態を監視する監視装置と、
前記監視装置と通信する端末装置とを備え、
前記監視装置は、
前記変圧器の絶縁油に含まれる複数のガス成分の濃度を取得する取得部と、
前記複数のガス成分の濃度に基づいて、前記変圧器の状態の異常レベルを判定する判定部と、
前記変圧器の絶縁油に含まれる複数のガス成分の濃度および前記変圧器の状態の異常レベルから前記変圧器の異常の種類を推定結果として出力するように学習処理がなされた学習済モデルに対して、前記取得部により取得された前記複数のガス成分の濃度および前記判定部により判定された前記異常レベルを入力することにより、前記変圧器の異常の種類を推定する推定部と、
前記推定部により推定された前記異常の種類を示す識別情報を出力する情報出力部とを含む、監視システム。
【請求項7】
前記端末装置は、
前記変圧器における複数の異常の種類の各々について、当該異常の種類と、当該異常が前記変圧器の複数の部位の各々において発生する確率とを関連付けた第2の情報を記憶する記憶部と、
前記情報出力部から受信した前記識別情報に対応する異常が発生した異常部位の入力を受け付ける入力部と、
前記識別情報と、前記異常部位とに基づいて、前記第2の情報を更新する更新部とを含む、請求項6に記載の監視システム。
発明の詳細な説明
【技術分野】
【0001】
本開示は、監視装置、および監視システムに関する。
続きを表示(約 1,800 文字)
【背景技術】
【0002】
電力会社の変電所に設置されている変圧器は電力を供給する重要な機器であるため、変圧器の電圧、電流、絶縁油の油温度、油面等の計測によって、その状態を監視する必要がある。従来、保守員は、変電所が設置された現地に出動し、各種の計器の計測値を得ることによって機器の状態の時系列変化を把握していた。しかし、近年では、直接現地に出動する代わりに機器に種々のセンサを設置しておき、遠隔からセンサの計測値を収集することにより機器の監視が行なわれている。
【0003】
例えば、特許第7342233号(特許文献1)は、スマートゲートウェイと、インターフェイスボックスとを備える保安システムを開示している。保安システムでは、受変電設備に設置された各種センサからの情報を、効率的に収集することが検討されている。
【先行技術文献】
【特許文献】
【0004】
特許第7342233号
【発明の概要】
【発明が解決しようとする課題】
【0005】
特許文献1では、センサ処理プラットフォームは、スマートゲートウェイが配置された受変電設備に異常が発生したか否かを判定するために、スマートゲートウェイから送信されるセンサ情報(すなわち、計測値)を受信する必要がある。そのため、スマートゲートウェイとセンサ処理プラットフォームとの間でやり取りされるデータ量は比較的大きくなる。また、設備利用者(例えば、変圧器の運用者)によっては、ネットワークを介して、センサ情報等の計測値自体を設備供給者(例えば、変圧器の製造メーカ)へ提供することをデータ取扱い上好まない場合もある。このような場合、設備供給者は変圧器の異常を把握するために、現地へ出動して計測値を取得する必要がある。
【0006】
本開示のある局面における目的は、ネットワーク上のデータ量を軽減しつつ、変圧器において発生した異常の種類を提示することが可能な監視装置、および監視システムを提供することである。
【課題を解決するための手段】
【0007】
ある実施の形態に従う監視装置は、変圧器の絶縁油に含まれる複数のガス成分の濃度を取得する取得部と、複数のガス成分の濃度に基づいて、変圧器の状態の異常レベルを判定する判定部と、変圧器の絶縁油に含まれる複数のガス成分の濃度および変圧器の状態の異常レベルから変圧器の異常の種類を推定結果として出力するように学習処理がなされた学習済モデルに対して、取得部により取得された複数のガス成分の濃度および判定部により判定された異常レベルを入力することにより、変圧器の異常の種類を推定する推定部と、推定部により推定された異常の種類を示す識別情報を出力する情報出力部とを備える。
【0008】
他の実施の形態に従う監視システムは、変圧器の状態を監視する監視装置と、監視装置と通信する端末装置とを備える。監視装置は、変圧器の絶縁油に含まれる複数のガス成分の濃度を取得する取得部と、複数のガス成分の濃度に基づいて、変圧器の状態の異常レベルを判定する判定部と、変圧器の絶縁油に含まれる複数のガス成分の濃度および変圧器の状態の異常レベルから変圧器の異常の種類を推定結果として出力するように学習処理がなされた学習済モデルに対して、取得部により取得された複数のガス成分の濃度および判定部により判定された異常レベルを入力することにより、変圧器の異常の種類を推定する推定部と、推定部により推定された異常の種類を示す識別情報を出力する情報出力部とを含む。
【発明の効果】
【0009】
本開示によると、ネットワーク上のデータ量を軽減しつつ、変圧器において発生した異常の種類を提示することができる。
【図面の簡単な説明】
【0010】
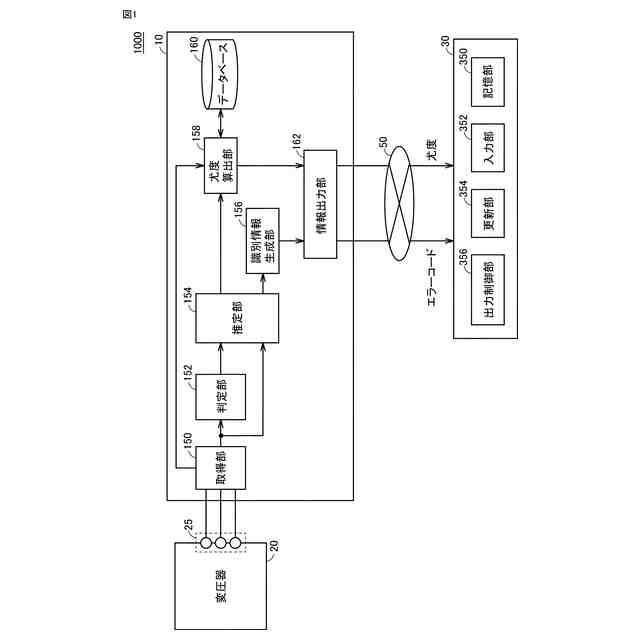
監視システムの全体構成例を示す図である。
監視装置のハードウェア構成例を示す図である。
学習部の構成図である。
推定部の構成図である。
変圧器の異常種類とエラーコードとを含む情報テーブルを示す図である。
異常種類の尤度の算出方式を説明するための図である。
異常部位テーブルの一例を示す図である。
監視装置の処理手順の一例を示すフローチャートである。
【発明を実施するための形態】
(【0011】以降は省略されています)
この特許をJ-PlatPat(特許庁公式サイト)で参照する
関連特許
三菱電機株式会社
冷蔵庫
1か月前
三菱電機株式会社
回転電機
1か月前
三菱電機株式会社
照明器具
1か月前
三菱電機株式会社
照明装置
1か月前
三菱電機株式会社
電子機器
1か月前
三菱電機株式会社
回転電機
23日前
三菱電機株式会社
照明器具
1か月前
三菱電機株式会社
回転電機
1か月前
三菱電機株式会社
照明装置
23日前
三菱電機株式会社
回転電機
13日前
三菱電機株式会社
照明装置
1か月前
三菱電機株式会社
換気装置
1か月前
三菱電機株式会社
回転電機
1か月前
三菱電機株式会社
半導体装置
17日前
三菱電機株式会社
半導体装置
1か月前
三菱電機株式会社
回路遮断器
1か月前
三菱電機株式会社
半導体装置
1か月前
三菱電機株式会社
半導体装置
1か月前
三菱電機株式会社
回路遮断器
1か月前
三菱電機株式会社
電気掃除機
1か月前
三菱電機株式会社
半導体装置
1か月前
三菱電機株式会社
半導体装置
1か月前
三菱電機株式会社
加熱調理器
16日前
三菱電機株式会社
半導体装置
23日前
三菱電機株式会社
半導体装置
3日前
三菱電機株式会社
電源システム
1か月前
三菱電機株式会社
電力変換装置
23日前
三菱電機株式会社
埋込プレート
1か月前
三菱電機株式会社
給湯システム
16日前
三菱電機株式会社
照明システム
3日前
三菱電機株式会社
空気処理装置
1か月前
三菱電機株式会社
回転電機装置
1か月前
三菱電機株式会社
車両制御装置
25日前
三菱電機株式会社
空気調和装置
24日前
三菱電機株式会社
貯湯式給湯機
13日前
三菱電機株式会社
電力変換装置
1か月前
続きを見る
他の特許を見る