TOP
|
特許
|
意匠
|
商標
特許ウォッチ
Twitter
他の特許を見る
公開番号
2025035491
公報種別
公開特許公報(A)
公開日
2025-03-13
出願番号
2023142555
出願日
2023-09-01
発明の名称
防蟻用硬化性組成物
出願人
株式会社コシイプレザービング
代理人
弁理士法人アスフィ国際特許事務所
主分類
A01M
29/34 20110101AFI20250306BHJP(農業;林業;畜産;狩猟;捕獲;漁業)
要約
【課題】コスト高を招くことがないようにしながら、薬剤による問題も軽減又は解消されるように改善された、新たな防蟻用硬化性組成物を提供する。
【解決手段】無機物粒子1をバインダー樹脂2で固めて構成されるとともに、前記無機物粒子のうち、粒径0.6~4.75mmのものが60質量%以上含まれており、山中式土壌硬度計により測定される硬度が40kg/cm
2
以上、150kg/cm
2
以下であると好ましい防蟻用硬化性組成物C。
【選択図】図1
特許請求の範囲
【請求項1】
無機物粒子をバインダー樹脂で固めて構成される防蟻用硬化性組成物。
続きを表示(約 780 文字)
【請求項2】
山中式土壌硬度計により測定される硬度が40kg/cm
2
以上である請求項1に記載の防蟻用硬化性組成物。
【請求項3】
前記山中式土壌硬度計により測定される硬度が150kg/cm
2
以下である請求項2に記載の防蟻用硬化性組成物。
【請求項4】
前記無機物粒子のうち、粒径4.75mm以下のものが50質量%以上含まれている請求項1~3のいずれか1項に記載の防蟻用硬化性組成物。
【請求項5】
前記無機物粒子100重量部に対して、前記バインダー樹脂が15重量部以上、55重量部以下となる範囲で配合されている請求項1~3のいずれか1項に記載の防蟻用硬化性組成物。
【請求項6】
前記無機物粒子は、転炉スラグである請求項1~3のいずれか1項に記載の防蟻用硬化性組成物。
【請求項7】
前記バインダー樹脂は、アクリル系樹脂である請求項1~3のいずれか1項に記載の防蟻用硬化性組成物。
【請求項8】
前記アクリル系樹脂は、アクリル酸エステルスチレン共重合樹脂である請求項7に記載の防蟻用硬化性組成物。
【請求項9】
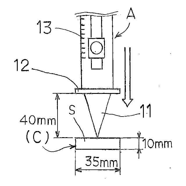
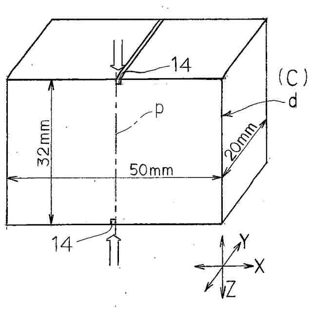
左右方向をX、前後方向をY、上下方向をZとしたとき、X方向長さが50mm、Y方向長さが20mm、Z方向長さが32mmで、かつ、上面と下面それぞれの前記X方向の中央部にて前記Y方向に貫通する幅及び深さ1mmのスリットが形成された防蟻用硬化性組成物の試験体に、前記Z方向に荷重を掛けるせん断試験を行った場合に、前記Z方向の変位8mmから12mmにおける単位変位(mm)当たりの荷重変動率A(%/mm)が、-5以上で15以下の範囲にある請求項1~3のいずれか1項に記載の防蟻用硬化性組成物。
発明の詳細な説明
【技術分野】
【0001】
本発明は、建築物の躯体や構造体の表面に塗布する防蟻手段として好適な防蟻用硬化性組成物に関する。
続きを表示(約 1,000 文字)
【背景技術】
【0002】
白蟻は、建物の外部から地中を建物内地下に向けて進み、コンクリート間の隙間や割れ目を縫って建物内部に侵入し、支柱となる木材、断熱材等の建築物を食い荒らすため、種々の防蟻手段が開発されている。
【0003】
一般的な防蟻手段としては、特許文献1に示されるように、薬剤である防蟻剤の塗布や散布が挙げられる。この場合、建築時から経年後における居住中の再防蟻処理時には、防蟻剤の匂い等の問題がある。
【0004】
特許文献2に示されるように、防蟻剤に代えてヒバ油、木酢液、或いは液状の炭など、自然素材による防蟻処理も試されてきている。ヒバ油は、シロアリに強い樹種である青森ヒバから抽出したものであり、また、木酢液は炭を作る時にできる液であって、いずれも虫を寄せ付け難い効果を有している。しかしながら、これらの自然素材は、効果が限定的であったり、大量に生産される化学物質である防蟻剤に比べて価格が高いという欠点がある。
【先行技術文献】
【特許文献】
【0005】
特開2007-331367号公報
特開2019-98724号公報
【発明の概要】
【発明が解決しようとする課題】
【0006】
本発明の目的は、鋭意研究により、コスト高を招くことがないようにしながら、薬剤による問題も軽減又は解消されるように、新たな防蟻用硬化性組成物を提供する点にある。
【課題を解決するための手段】
【0007】
[1]本発明は、防蟻用硬化性組成物において、無機物粒子をバインダー樹脂で固めて構成されることを特徴とする。
【0008】
[2]第2の本発明は、[1]に記載の防蟻用硬化性組成物において、山中式土壌硬度計により測定される硬度が40kg/cm
2
以上であることを特徴とする。
【0009】
[3]第3の本発明は、[1]または[2]に記載の防蟻用硬化性組成物において、山中式土壌硬度計により測定された硬度が150kg/cm
2
以下であることを特徴とする。
【0010】
[4]第4の本発明は、[1]~[3]のいずれかに記載の防蟻用硬化性組成物において、前記無機物粒子のうち、粒径4.75mm以下のものが50質量%以上含まれていることを特徴とする。
(【0011】以降は省略されています)
この特許をJ-PlatPat(特許庁公式サイト)で参照する
関連特許
個人
虫捕り器
1か月前
個人
蠅捕獲器
12日前
個人
草刈り鋏
16日前
個人
刈込鋏保持具
1か月前
個人
蜜蜂保護装置
3日前
個人
草刈機用回転刃
12日前
個人
後付巻降ろし器
1か月前
個人
種子の製造方法
9日前
個人
飼育容器
1か月前
個人
イカ釣り用ヤエン
1か月前
株式会社丹勝
緑化工法
1か月前
個人
昆虫捕集器
9日前
井関農機株式会社
作業車両
1か月前
井関農機株式会社
作業車両
24日前
井関農機株式会社
作業車両
24日前
井関農機株式会社
作業車両
1か月前
株式会社シマノ
釣竿
1か月前
井関農機株式会社
作業車両
1か月前
個人
水耕栽培システム
1か月前
個人
四足動物用装着具
17日前
大栄工業株式会社
捕獲器
24日前
井関農機株式会社
作業車両
17日前
株式会社オーツボ
海苔箱船
16日前
井関農機株式会社
作業車両
1か月前
井関農機株式会社
作業車両
1か月前
井関農機株式会社
作業車両
12日前
個人
妻面トラス梁付き園芸用ハウス
1か月前
個人
伸縮する草刈り機の可動装置。
1か月前
松山株式会社
農作業機
1か月前
松山株式会社
農作業機
1か月前
トヨタ自動車株式会社
育苗装置
1か月前
松山株式会社
草刈作業機
3日前
スガノ農機株式会社
圃場作業装置
1か月前
個人
飼育水槽用の浄化装置
1か月前
みのる産業株式会社
茎葉処理装置
18日前
グローブライド株式会社
釣竿
25日前
続きを見る
他の特許を見る