TOP
|
特許
|
意匠
|
商標
特許ウォッチ
Twitter
他の特許を見る
公開番号
2025159377
公報種別
公開特許公報(A)
公開日
2025-10-21
出願番号
2024061859
出願日
2024-04-08
発明の名称
内燃機関の油温制御方法および装置
出願人
日産自動車株式会社
代理人
個人
,
個人
,
個人
,
個人
主分類
B60W
10/06 20060101AFI20251014BHJP(車両一般)
要約
【課題】シリーズハイブリッド車両において、登坂路走行等の車両側の要求出力が大きい状態が継続したときの油温上昇を抑制する。
【解決手段】シリーズハイブリッド車両は、車両側の要求出力が大きいときには、内燃機関の燃焼運転による発電を行いながら走行を行うHEVモードとなる。バッテリのSOCに基づき、目標回転数が第1の回転数N1と第2の回転数N2とに交互に切り換えられる。潤滑油の油温が許容上限温度に近い所定の閾値SL以上となったら(時間t1)、油温の観点で設定された規制回転数N3によって目標回転数が制限される。これにより、一定車速の登坂路走行を継続しながら油温の上昇を抑制できる。
【選択図】図3
特許請求の範囲
【請求項1】
シリーズハイブリッド車両において発電機を駆動する発電用の内燃機関において、
上記内燃機関の油温を、許容上限温度に近い所定の閾値と比較し、
上記油温が上記閾値以上であれば内燃機関の回転数の高回転側を規制回転数によって制限する、
内燃機関の油温制御方法。
続きを表示(約 620 文字)
【請求項2】
車両の要求出力が大きいときの内燃機関の目標の回転数を、
バッテリSOCが相対的に高い第1のSOC閾値に達するまでの間に用いられる相対的に高い第1の回転数と、バッテリSOCが上記第1のSOC閾値に達した後、相対的に低い第2のSOC閾値に低下するまでの間に用いられる相対的に低い第2の回転数と、にバッテリSOCに応じて切り換える、
請求項1に記載の内燃機関の油温制御方法。
【請求項3】
上記油温が上記閾値よりも所定温度低い規制解除閾値以下となったときに上記規制回転数による制限を解除する、
請求項1に記載の内燃機関の油温制御方法。
【請求項4】
上記閾値として複数の閾値を有し、
各々の閾値毎に規制回転数が段階的に定められている、
請求項1に記載の内燃機関の油温制御方法。
【請求項5】
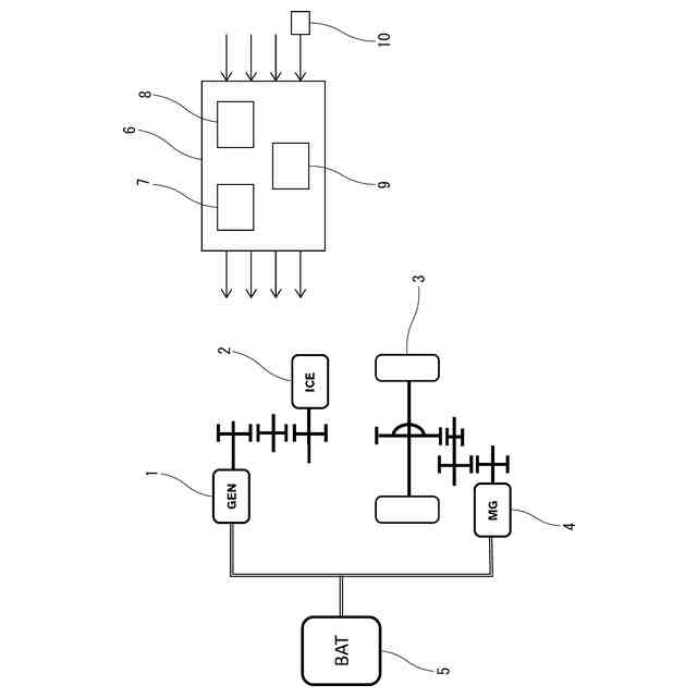
シリーズハイブリッド車両において発電機を駆動する発電用の内燃機関と、
上記内燃機関の油温を検出する油温センサと、
上記内燃機関の回転数を目標回転数に沿うように制御するコントローラと、
を備え、
上記コントローラは、
上記内燃機関の油温を、許容上限温度に近い所定の閾値と比較し、
上記油温が上記閾値以上であれば内燃機関の回転数の高回転側を規制回転数によって制限する、
内燃機関の油温制御装置。
発明の詳細な説明
【技術分野】
【0001】
この発明は、内燃機関の潤滑油の油温制御、特にシリーズハイブリッド車両において発電機を駆動する発電用の内燃機関の油温制御に関する。
続きを表示(約 1,400 文字)
【背景技術】
【0002】
内燃機関を用いて発電を行いモータによって走行するシリーズハイブリッド車両においては、多くの場合、登坂時や牽引時のような車両側での要求出力が大きいときは、バッテリのSOCがある程度高いレベルにあっても、いわゆるHEV走行となる。なお、内燃機関が停止したままバッテリの電力でもって走行用モータにより走行することを「EV走行」といい、内燃機関による発電を行いながら走行用モータにより走行すること「HEV走行」という。
【0003】
例えば、登坂路の勾配が急であるほど発電機の出力が高く要求されるため、発電機を駆動する内燃機関の回転数が高くなる。内燃機関の回転数が高い運転状態が続くと、内燃機関の各部を潤滑している潤滑油の油温が上昇し、許容上限温度に近付いてしまうことがある。
【0004】
特許文献1には、車両停車中に長時間の空ぶかしによってエンジンオイルの温度または冷却水の温度が許容値を上回った場合に、燃料供給量を調節してエンジン回転数を一定値以下に制限することが開示されている。
【先行技術文献】
【特許文献】
【0005】
特開平4-143438号公報
【発明の概要】
【発明が解決しようとする課題】
【0006】
特許文献1は、そもそも走行のための内燃機関の出力が不要である車両停車中の空ぶかしによる油温ないし水温の異常昇温に対応する技術であり、例えば登坂路走行中の油温上昇を考慮したものではない。内燃機関の出力によって走行する車両においては、燃料供給量を調節してエンジン回転数を低く制限すると、所望の車速での走行が困難となる。
【課題を解決するための手段】
【0007】
この発明は、シリーズハイブリッド車両において発電機を駆動する発電用の内燃機関において、
上記内燃機関の油温を、許容上限温度に近い所定の閾値と比較し、
上記油温が上記閾値以上であれば内燃機関の回転数の高回転側を規制回転数によって制限する。
【0008】
シリーズハイブリッド車両においては、登坂時や牽引時のような車両側での要求出力が大きいときは、HEV走行となり、発電機による発電を行いながら走行する。このようなHEV走行の中で油温が閾値以上となると、内燃機関の回転数が規制回転数に制限されるため、油温上昇が抑制され、あるいは油温が低下傾向となる。このとき、発電機による発電は継続されるので、そのまま走行を継続することができる。
【発明の効果】
【0009】
この発明によれば、シリーズハイブリッド車両において発電用の内燃機関の油温が許容上限温度に近付いたときに、車両の走行を継続したまま油温の低下ないし油温上昇の抑制が図れる。
【図面の簡単な説明】
【0010】
シリーズハイブリッド車両の構成説明図。
一実施例の油温制御の処理の流れを示すフローチャート。
登坂路走行時の動作の一例を示すタイムチャート。
登坂路走行時の動作の他の例を示すタイムチャート。
複数段階の規制回転数を備えた実施例の説明図。
【発明を実施するための形態】
(【0011】以降は省略されています)
この特許をJ-PlatPat(特許庁公式サイト)で参照する
関連特許
日産自動車株式会社
二次電池
28日前
日産自動車株式会社
電子機器
1日前
日産自動車株式会社
電動車両
17日前
日産自動車株式会社
二次電池
25日前
日産自動車株式会社
内燃機関
14日前
日産自動車株式会社
電池モジュール
22日前
日産自動車株式会社
ロータシャフト
9日前
日産自動車株式会社
ロータシャフト
9日前
日産自動車株式会社
電池モジュール
15日前
日産自動車株式会社
リチウム二次電池
14日前
日産自動車株式会社
車両用排気部構造
14日前
日産自動車株式会社
塗装方法及び自動車
16日前
日産自動車株式会社
エアレスタイヤ構造
1日前
日産自動車株式会社
エンジンのアンダカバー
22日前
株式会社ニフコ
締結構造
22日前
日産自動車株式会社
相乗り可否判定方法及び装置
25日前
日産自動車株式会社
車両用荷室における排熱構造
25日前
日産自動車株式会社
施錠制御方法及び施錠制御装置
24日前
日産自動車株式会社
運転支援方法及び運転支援装置
23日前
日産自動車株式会社
運転支援方法及び運転支援装置
22日前
日産自動車株式会社
情報提供方法及び情報提供装置
1日前
日産自動車株式会社
車両制御方法および車両制御装置
23日前
日産自動車株式会社
車両制御方法および車両制御装置
23日前
日産自動車株式会社
車両制御方法および車両制御装置
23日前
日産自動車株式会社
物体検出方法、及び物体検出装置
14日前
日産自動車株式会社
衝突回避方法、及び衝突回避装置
14日前
日産自動車株式会社
地図情報生成方法及び地図情報生成装置
17日前
日産自動車株式会社
楽曲情報共有方法及び楽曲情報共有装置
14日前
日産自動車株式会社
車体姿勢制御方法及び車体姿勢制御装置
23日前
日産自動車株式会社
車両の発進制御方法、車両の発進制御装置
14日前
日産自動車株式会社
内燃機関の制御方法及び内燃機関の制御装置
14日前
日産自動車株式会社
成形のための位置決め治具および位置決め方法
17日前
日産自動車株式会社
車両用内燃機関のトルクダウン制御方法および装置
25日前
日産自動車株式会社
ターボチャージャの潤滑油吸い出し抑制方法および装置
14日前
日産自動車株式会社
表示制御方法及び表示制御装置
24日前
日産自動車株式会社
車両用インフラ設備制御方法、車両用インフラ設備制御装置及び車両用インフラシステム
22日前
続きを見る
他の特許を見る