TOP
|
特許
|
意匠
|
商標
特許ウォッチ
Twitter
他の特許を見る
10個以上の画像は省略されています。
公開番号
2025147971
公報種別
公開特許公報(A)
公開日
2025-10-07
出願番号
2024048507
出願日
2024-03-25
発明の名称
プログラム、情報処理方法、及び情報処理装置
出願人
大日本印刷株式会社
代理人
個人
,
個人
主分類
G06T
7/00 20170101AFI20250930BHJP(計算;計数)
要約
【課題】作業者に加わる負荷を正確に評価することが可能なプログラム等を提供する。
【解決手段】コンピュータは、プログラムに従って、作業者を撮影した撮影画像と、前記作業者が保持する対象物の重量に関する重量情報とを取得する。そして、コンピュータは、取得した撮影画像に基づいて、前記作業者の姿勢を特定し、特定した前記作業者の姿勢と、取得した重量情報とに基づいて、前記作業者の身体に加わる負荷に関する負荷情報を特定する
【選択図】図2
特許請求の範囲
【請求項1】
作業者を撮影した撮影画像を取得し、
前記作業者が保持する対象物の重量に関する重量情報を取得し、
取得した前記撮影画像に基づいて、前記作業者の姿勢を特定し、
特定した前記作業者の姿勢と、取得した前記重量情報とに基づいて、前記作業者の身体に加わる負荷に関する負荷情報を特定する
処理をコンピュータに実行させるプログラム。
続きを表示(約 1,200 文字)
【請求項2】
複数種類の姿勢のそれぞれと対象物の重量情報との各組合せに対して、前記作業者の身体に加わる負荷に関するスコアが対応付けてあるテーブルを用いて、特定した前記作業者の姿勢と、取得した前記重量情報とに対応する前記スコアを特定する
処理を前記コンピュータに実行させる請求項1に記載のプログラム。
【請求項3】
前記姿勢は、前記作業者の背部の姿勢と、前記作業者の上肢の姿勢と、前記作業者の下肢の姿勢とを含む
請求項1又は2に記載のプログラム。
【請求項4】
前記作業者の背部、上肢、及び下肢のそれぞれに対して、複数種類の姿勢が対応付けてあるテーブルを用いて、前記撮影画像中の前記作業者の背部、上肢、及び下肢の姿勢を特定する
処理を前記コンピュータに実行させる請求項3に記載のプログラム。
【請求項5】
特定した前記負荷情報に応じた情報を出力する
処理を前記コンピュータに実行させる請求項1又は2に記載のプログラム。
【請求項6】
前記作業者を時系列で撮影した複数の撮影画像のそれぞれに基づいて特定した前記作業者の姿勢と、前記複数の撮影画像のそれぞれに撮影された前記作業者が保持する対象物の重量情報とに基づいて、前記作業者の身体に加わる負荷に関する負荷情報をそれぞれ特定し、
前記負荷情報の時系列変化を出力する
処理を前記コンピュータに実行させる請求項1又は2に記載のプログラム。
【請求項7】
前記姿勢は、前記作業者の背部の姿勢と、前記作業者の上肢の姿勢と、前記作業者の下肢の姿勢とを含み、
前記時系列で撮影した複数の撮影画像のそれぞれに基づいて特定した前記作業者の背部、上肢、及び下肢の姿勢の時系列変化を出力する
処理を前記コンピュータに実行させる請求項6に記載のプログラム。
【請求項8】
作業者を撮影した撮影画像を取得し、
前記作業者が保持する対象物の重量に関する重量情報を取得し、
取得した前記撮影画像に基づいて、前記作業者の姿勢を特定し、
特定した前記作業者の姿勢と、取得した前記重量情報とに基づいて、前記作業者の身体に加わる負荷に関する負荷情報を特定する
処理をコンピュータが実行する情報処理方法。
【請求項9】
制御部を有する情報処理装置において、
前記制御部は、
作業者を撮影した撮影画像を取得し、
前記作業者が保持する対象物の重量に関する重量情報を取得し、
取得した前記撮影画像に基づいて、前記作業者の姿勢を特定し、
特定した前記作業者の姿勢と、取得した前記重量情報とに基づいて、前記作業者の身体に加わる負荷に関する負荷情報を特定する
情報処理装置。
発明の詳細な説明
【技術分野】
【0001】
本開示は、プログラム、情報処理方法、及び情報処理装置に関する。
続きを表示(約 2,000 文字)
【背景技術】
【0002】
特許文献1では、動体物を撮影した画像から当該動体物の関節位置を抽出し、抽出した各関節位置までの空間距離に基づいて当該動体物の骨格を再構成することにより当該動体物の姿勢を評価する技術が開示されている。特許文献1に開示の技術では、複数の光学カメラで同時に撮影した画像から動体物までの距離が測定され、又は、光学カメラ及び距離カメラで同時に撮影して動体物の画像及び距離情報が取得される。また特許文献1に開示の技術では、OWAS(Ovako Working Posture Analyzing System)法を用いて、動体物の姿勢によって動体物に加わる負荷が評価される。
【先行技術文献】
【特許文献】
【0003】
特開2023-59753号公報
【発明の概要】
【発明が解決しようとする課題】
【0004】
特許文献1に開示の技術では、複数の光学カメラ、又は、光学カメラ及び距離カメラで動体物を撮影するので、動体物を撮影できる位置に全てのカメラを配置する必要がある。また、OWAS法では作業者の背部(背中)、上肢(腕)、下肢(脚)の姿勢と、作業者が保持(運搬)する対象物の重さ(重量、荷重)との4項目に基づいて、作業者に加わる負荷が評価(分類)される。しかし、特許文献1に開示の技術では、作業者が作業する対象物の重さは計測対象外とされているので、対象物の重さも考慮した正確な評価を行うことはできず、評価対象の作業が、指定された重さの対象物を保持する作業に限定されるという問題がある。
【0005】
本開示は、作業者に加わる負荷を正確に評価することが可能なプログラム等を提供することを目的とする。
【課題を解決するための手段】
【0006】
本開示の一態様に係るプログラムは、作業者を撮影した撮影画像を取得し、前記作業者が保持する対象物の重量に関する重量情報を取得し、取得した前記撮影画像に基づいて、前記作業者の姿勢を特定し、特定した前記作業者の姿勢と、取得した前記重量情報とに基づいて、前記作業者の身体に加わる負荷に関する負荷情報を特定する処理をコンピュータに実行させる。
【発明の効果】
【0007】
本開示の一態様では、作業者に加わる負荷を正確に評価することができる。
【図面の簡単な説明】
【0008】
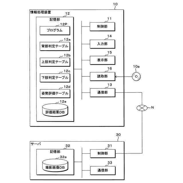
情報処理システムの構成例を示す説明図である。
情報処理装置及びサーバの構成例を示すブロック図である。
作業者の関節位置の抽出処理の説明図である。
背部判定テーブルの構成例を示す説明図である。
上肢判定テーブルの構成例を示す説明図である。
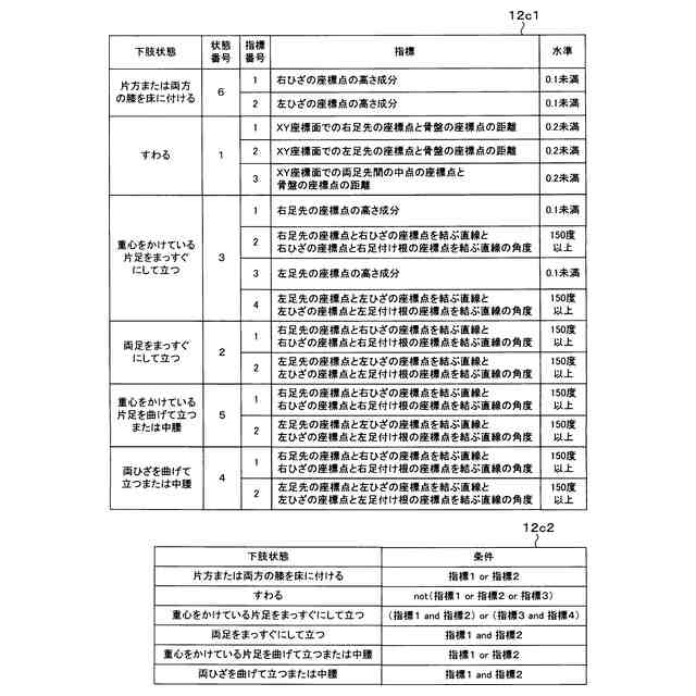
下肢判定テーブルの構成例を示す説明図である。
姿勢評価テーブルの構成例を示す説明図である。
評価結果DB及び撮影画像DBのレコードレイアウトの一例を示す説明図である。
負荷推定処理手順の一例を示すフローチャートである。
負荷推定処理手順の一例を示すフローチャートである。
負荷推定処理手順の一例を示すフローチャートである。
負荷推定処理手順の一例を示すフローチャートである。
画面例を示す説明図である。
【発明を実施するための形態】
【0009】
以下に、本開示のプログラム、情報処理方法、及び情報処理装置について、その実施形態を示す図面に基づいて詳述する。
【0010】
(実施形態1)
本実施形態では、作業を行う作業者を撮影した画像に基づいて、当該作業者の身体に加わる負荷を推定する情報処理システムについて説明する。図1は情報処理システムの構成例を示す説明図である。本実施形態の情報処理システムは、情報処理装置10、カメラ20、サーバ30、及び重量計40等を含み、これらの各機器はネットワークNを介して通信接続されている。ネットワークNは、インターネット又は公衆電話回線網であってもよく、情報処理システムが設けられている施設内に構築されたLAN(Local Area Network)であってもよい。本実施形態は、カメラ20で撮影された撮影画像及び重量計40で計測された重量がサーバ30に送信されて蓄積される構成であり、カメラ20及び重量計40とサーバ30とは、ケーブルを介した有線通信又は無線通信によって直接情報の送受信を行うように構成されていてもよい。このほかに、サーバ30を設けずに、情報処理装置10にサーバ30の機能を持たせてもよく、この場合、カメラ20及び重量計40と情報処理装置10とが、ケーブルを介した有線通信又は無線通信によって直接情報の送受信を行う構成でもよい。
(【0011】以降は省略されています)
この特許をJ-PlatPat(特許庁公式サイト)で参照する
関連特許
個人
詐欺保険
1日前
個人
縁伊達ポイン
1日前
個人
地球保全システム
14日前
個人
QRコードの彩色
5日前
個人
為替ポイント伊達夢貯
1か月前
個人
冷凍食品輸出支援構造
1か月前
個人
表変換編集支援システム
1か月前
個人
残土処理システム
7日前
個人
農作物用途分配システム
今日
個人
知的財産出願支援システム
8日前
個人
知財出願支援AIシステム
1か月前
個人
AIによる情報の売買の仲介
1か月前
個人
パスワード管理支援システム
1か月前
個人
行動時間管理システム
1か月前
株式会社キーエンス
受発注システム
13日前
株式会社キーエンス
受発注システム
13日前
日本精機株式会社
施工管理システム
1か月前
株式会社キーエンス
受発注システム
13日前
株式会社アジラ
進入判定装置
1か月前
個人
システム及びプログラム
27日前
個人
海外支援型農作物活用システム
26日前
個人
食品レシピ生成システム
13日前
個人
AIキャラクター制御システム
1か月前
個人
パスポートレス入出国システム
1か月前
サクサ株式会社
中継装置
1か月前
個人
音声対話型帳票生成支援システム
1か月前
個人
人格進化型対話応答制御システム
1か月前
個人
SaaS型勤務調整支援システム
1か月前
個人
帳票自動生成型SaaSシステム
8日前
個人
社会還元・施設向け供給支援構造
1か月前
大同特殊鋼株式会社
疵判定方法
20日前
個人
食事受注会計処理システム
1か月前
キヤノン株式会社
表示システム
13日前
個人
冷凍加工連携型農場運用システム
1か月前
個人
未来型家系図構築システム
26日前
個人
音声・通知・再配達UX制御構造
8日前
続きを見る
他の特許を見る