TOP
|
特許
|
意匠
|
商標
特許ウォッチ
Twitter
他の特許を見る
10個以上の画像は省略されています。
公開番号
2025144822
公報種別
公開特許公報(A)
公開日
2025-10-03
出願番号
2024044684
出願日
2024-03-21
発明の名称
熱管理システム
出願人
トヨタ自動車株式会社
代理人
弁理士法人深見特許事務所
主分類
B60L
58/26 20190101AFI20250926BHJP(車両一般)
要約
【課題】リザーブタンクを用いて第1流路および第2流路に気泡が混入(残留)するのを抑制することが可能な熱管理システムを提供する。
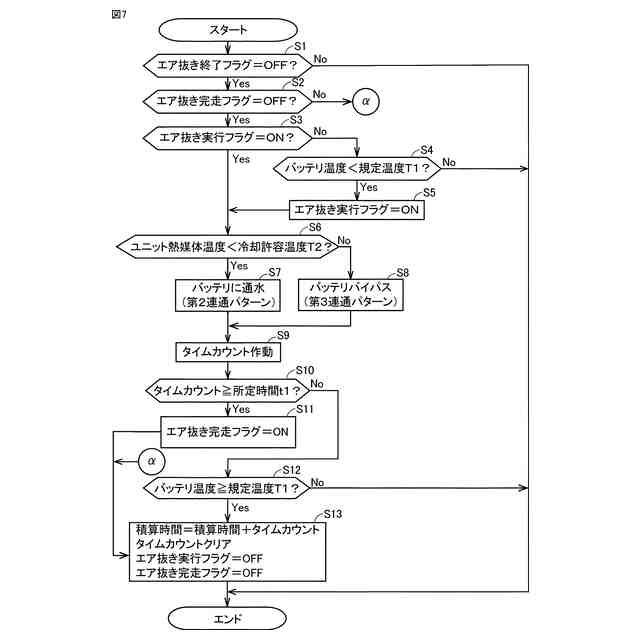
【解決手段】熱管理システム1は、熱媒体が流通する流路130a(第1流路)と、熱媒体が流通する流路170a(第2流路)と、流路170aに設けられたリザーブタンク175と、熱媒体を循環させるウォータポンプ171(131)と、五方弁180(切替装置)とを備える。熱管理システム1は、流路170aと流路130aとが切り離された状態でバッテリ173の温度が規定温度T1未満の場合に、流路170aと流路130aとを五方弁180により接続するとともにウォータポンプ171(131)を駆動することにより、流路170aおよび流路130aに対するエア抜き処理A(第1エア抜き処理)を実行する。
【選択図】図7
特許請求の範囲
【請求項1】
充電可能な電気機器に設けられた熱管理システムであって、
熱媒体が流通する第1流路と、
熱媒体が流通するとともにリザーブタンクが設けられた第2流路と、
前記第1流路および前記第2流路の一方を流通する熱媒体と熱交換される被熱交換装置と、
前記第1流路と前記第2流路との接続状態を切り替え可能な切替装置と、
前記第1流路と前記第2流路とが接続された状態で、前記第1流路および前記第2流路の各々において熱媒体を循環させるポンプと、を備え、
前記第1流路と前記第2流路とが切り離された状態において前記被熱交換装置の温度が第1温度未満の場合に、前記第1流路と前記第2流路とを前記切替装置により接続するとともに前記ポンプを駆動することにより、前記第1流路および前記第2流路に対するエア抜き処理を実行する、熱管理システム。
続きを表示(約 1,000 文字)
【請求項2】
前記エア抜き処理が第1時間以上継続された場合に、前記エア抜き処理を終了する、請求項1に記載の熱管理システム。
【請求項3】
前記被熱交換装置は、第1蓄電装置を含み、
前記第1流路および前記第2流路の他方を流通する熱媒体と熱交換される、駆動力を発生可能な第1駆動装置をさらに備える、請求項1または2に記載の熱管理システム。
【請求項4】
前記エア抜き処理の実行時に、前記第1蓄電装置の温度が前記第1温度以上の場合に、前記エア抜き処理を停止する、請求項3に記載の熱管理システム。
【請求項5】
前記第1流路および前記第2流路の前記一方のうち少なくとも前記第1蓄電装置と熱媒体との熱交換が行われる部分をバイパスするバイパス経路をさらに備え、
前記エア抜き処理の実行時に、前記第1流路および前記第2流路の他方を流通する熱媒体の温度が第2温度以上の場合に、前記部分に熱媒体を流通させずに前記バイパス経路に熱媒体を流通させる、請求項3に記載の熱管理システム。
【請求項6】
前記第1流路と前記第2流路とが接続された状態で前記ポンプが駆動された積算時間が第2時間を超えた場合に、前記エア抜き処理は実行されない、請求項1または2に記載の熱管理システム。
【請求項7】
前記積算時間は、前記エア抜き処理が実行された第1積算時間と、前記エア抜き処理の実行時以外において前記第1流路と前記第2流路とが接続された状態で前記ポンプが駆動された第2積算時間との合計値である、請求項6に記載の熱管理システム。
【請求項8】
前記エア抜き処理が実行されない状態で前記電気機器を流通する熱媒体が交換された場合に、前記エア抜き処理の実行が可能な状態にされる、請求項1または2に記載の熱管理システム。
【請求項9】
前記切替装置は、五方弁または八方弁を含む、請求項1または2に記載の熱管理システム。
【請求項10】
ラジエータと、
駆動力を発生可能な第2駆動装置と、をさらに備え、
前記被熱交換装置は、第2蓄電装置を含み、
前記ラジエータは、前記第2流路に設けられ、
前記第2蓄電装置および前記第2駆動装置のうち少なくとも一方は、前記第1流路を流通する熱媒体と熱交換される、請求項1または2に記載の熱管理システム。
発明の詳細な説明
【技術分野】
【0001】
本開示は、熱管理システムに関する。
続きを表示(約 1,600 文字)
【背景技術】
【0002】
特開2023-063735号公報(特許文献1)には、PCUが接続される経路と、バッテリが接続される経路と、リザーブタンクと、冷却液の流通経路を切り替える五方弁とが設けられる冷却液回路を備える温度制御システムが開示されている。
【先行技術文献】
【特許文献】
【0003】
特開2023-063735号公報
【発明の概要】
【発明が解決しようとする課題】
【0004】
ここで、上記特許文献1には明記されていないが、五方弁の状態を制御することにより、PCUが接続される経路(第1流路)またはバッテリが接続される経路(第2流路)と、リザーブタンクとが接続されない回路が一時的に形成される場合がある。この場合、リバーブタンクと接続されていない経路において気泡が混入(残留)する恐れがある。
【0005】
本開示は、上記課題を解決するためになされたものであり、その目的は、リザーブタンクを用いて第1流路および第2流路に気泡が混入(残留)するのを抑制することが可能な熱管理システムを提供することである。
【課題を解決するための手段】
【0006】
本開示の一の局面に係る熱管理システムは、充電可能な電気機器に設けられた熱管理システムであって、熱媒体が流通する第1流路と、熱媒体が流通するとともにリザーブタンクが設けられた第2流路と、第1流路および第2流路の一方を流通する熱媒体と熱交換される被熱交換装置と、第1流路と第2流路との接続状態を切り替え可能な切替装置と、第1流路と第2流路とが接続された状態で、第1流路および第2流路の各々において熱媒体を循環させるポンプと、を備える。熱管理システムは、第1流路と第2流路とが切り離された状態において被熱交換装置の温度が第1温度未満の場合に、第1流路と第2流路とを切替装置により接続するとともにポンプを駆動することにより、第1流路および第2流路に対するエア抜き処理を実行する。
【0007】
本開示の一の局面に係る熱管理システムでは、上記のように、第1流路と第2流路とが切り離された状態において被熱交換装置の温度が第1温度未満の場合に第1流路および第2流路に対するエア抜き処理が実行される。これにより、被熱交換装置の温度が第1温度未満の場合に第1流路および第2流路の各々においてエア抜きが行われる。その結果、リザーブタンクを用いて、第1流路および第2流路の各々に気泡が混入(残留)するのを抑制することができる。
【0008】
また、被熱交換装置の温度が第1温度未満の場合にエア抜き処理が実行されることによって、被熱交換装置の冷却が必要な場合に被熱交換装置の冷却が行われずにエア抜き処理が行われるのを抑制することができる。その結果、被熱交換装置の温度が過剰に高くなるのを抑制することができる。また、被熱交換装置の熱により昇温された熱媒体がエア抜き処理により循環されるのを抑制することができる。
【0009】
上記一の局面に係る熱管理システムにおいて、好ましくは、エア抜き処理が第1時間以上継続された場合に、エア抜き処理を終了する。このように構成すれば、エア抜き処理が第1時間以上継続されるのを防止することができる。その結果、1回のエア抜き処理の実行に要する時間を比較的短くすることができる。
【0010】
上記一の局面に係る熱管理システムにおいて、好ましくは、被熱交換装置は、第1蓄電装置を含む。熱管理システムは、第1流路および第2流路の他方を流通する熱媒体と熱交換される、駆動力を発生可能な第1駆動装置を備える。このように構成すれば、第1流路および第2流路の各々に気泡が混入(残留)するのを抑制することにより、第1蓄電装置および第1駆動装置の各々を熱媒体により効率的に冷却することができる。
(【0011】以降は省略されています)
この特許をJ-PlatPat(特許庁公式サイト)で参照する
関連特許
トヨタ自動車株式会社
椅子
2日前
トヨタ自動車株式会社
車両
6日前
トヨタ自動車株式会社
方法
2日前
トヨタ自動車株式会社
方法
2日前
トヨタ自動車株式会社
車両
1日前
トヨタ自動車株式会社
加熱器
6日前
トヨタ自動車株式会社
固定子
7日前
トヨタ自動車株式会社
モータ
今日
トヨタ自動車株式会社
電動車
2日前
トヨタ自動車株式会社
電磁弁
2日前
トヨタ自動車株式会社
二次電池
7日前
トヨタ自動車株式会社
車載装置
6日前
トヨタ自動車株式会社
監視装置
7日前
トヨタ自動車株式会社
製造装置
7日前
トヨタ自動車株式会社
制御装置
6日前
トヨタ自動車株式会社
通話装置
6日前
トヨタ自動車株式会社
蓄電装置
6日前
トヨタ自動車株式会社
車両構造
6日前
トヨタ自動車株式会社
電動車両
今日
トヨタ自動車株式会社
判定装置
2日前
トヨタ自動車株式会社
三角表示板
6日前
トヨタ自動車株式会社
ガスタンク
6日前
トヨタ自動車株式会社
車両制御装置
2日前
トヨタ自動車株式会社
制御システム
6日前
トヨタ自動車株式会社
車両制御装置
2日前
トヨタ自動車株式会社
電池システム
6日前
トヨタ自動車株式会社
車両下部構造
2日前
トヨタ自動車株式会社
車両制御装置
2日前
トヨタ自動車株式会社
車両前部構造
2日前
トヨタ自動車株式会社
計測システム
1日前
トヨタ自動車株式会社
伐倒支援装置
2日前
トヨタ自動車株式会社
車両下部構造
2日前
トヨタ自動車株式会社
情報処理装置
6日前
トヨタ自動車株式会社
車両前部構造
7日前
トヨタ自動車株式会社
車両制御装置
今日
トヨタ自動車株式会社
車両下部構造
7日前
続きを見る
他の特許を見る