TOP
|
特許
|
意匠
|
商標
特許ウォッチ
Twitter
他の特許を見る
10個以上の画像は省略されています。
公開番号
2025143984
公報種別
公開特許公報(A)
公開日
2025-10-02
出願番号
2024043530
出願日
2024-03-19
発明の名称
水中移動体制御システム、水中移動体及び水中移動体制御方法
出願人
KDDI株式会社
代理人
弁理士法人創光国際特許事務所
主分類
B63C
11/00 20060101AFI20250925BHJP(船舶またはその他の水上浮揚構造物;関連艤装品)
要約
【課題】水中移動体が要救助状態のダイバーの位置に迅速に到達できるようにする。
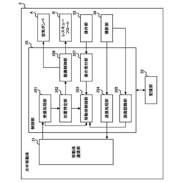
【解決手段】本実施形態に係る水中移動体制御システムは、水中移動体3と、ダイバーの潜水状態を示す潜水状態情報を発信する情報端末2と、を備え、水中移動体3は、ダイバーの位置と、水中移動体3の位置と、を特定する位置特定部352と、潜水状態情報が所定の条件を満たす場合に、ダイバーの位置に近づくように水中移動体3を移動させる移動体制御部353と、を有する。
【選択図】図4
特許請求の範囲
【請求項1】
水中移動体と、ダイバーの潜水状態を示す潜水状態情報を発信する情報端末と、を備え、
前記水中移動体は、
前記ダイバーの位置と、前記水中移動体の位置と、を特定する位置特定部と、
前記潜水状態情報が所定の条件を満たす場合に、前記ダイバーの位置に近づくように前記水中移動体を移動させる移動体制御部と、
を有する、
水中移動体制御システム。
続きを表示(約 1,600 文字)
【請求項2】
水中移動体と、前記水中移動体と通信可能な外部装置と、ダイバーの潜水状態を示す潜水状態情報を発信する情報端末と、を備え、
前記外部装置は、
前記ダイバーの位置と、前記水中移動体の位置と、を特定する位置特定部と、
前記潜水状態情報が所定の条件を満たす場合に、前記ダイバーの位置に近づくように前記水中移動体を移動させることを指示する信号である移動信号を前記水中移動体に送信する送信処理部と、を有し、
前記水中移動体は、
前記移動信号に基づいて、前記ダイバーの位置に近づくように前記水中移動体を移動させる移動体制御部を有する、
水中移動体制御システム。
【請求項3】
前記所定の条件は、前記ダイバーの位置と前記水中移動体の位置との距離である二者間距離が第1距離以下となるように前記水中移動体を移動させるための条件である第1条件及び前記二者間距離が前記第1距離より短い第2距離以下となるように前記水中移動体を移動させるための条件である第2条件を含む、
請求項1又は2に記載の水中移動体制御システム。
【請求項4】
前記移動体制御部は、前記潜水状態情報が前記第1条件を満たすが前記第2条件を満たさない場合に、前記二者間距離が前記第1距離以下かつ前記第2距離以上となるように前記水中移動体を移動させる、
請求項3に記載の水中移動体制御システム。
【請求項5】
前記移動体制御部は、前記潜水状態情報が前記第1条件を満たしたことにより前記水中移動体の移動を開始した後に、前記潜水状態情報が前記第1条件を満たさなくなった場合に、前記ダイバーの位置から離れるように前記水中移動体を移動させる、
請求項4に記載の水中移動体制御システム。
【請求項6】
前記移動体制御部は、前記潜水状態情報が前記第1条件及び前記第2条件を満たす場合に、前記二者間距離が前記第2距離以下となるように前記水中移動体を移動させる、
請求項3に記載の水中移動体制御システム。
【請求項7】
前記水中移動体には、空気ボンベが搭載されており、
前記水中移動体は、前記ダイバーの位置と前記水中移動体の位置との距離が所定距離以下になった場合に、前記空気ボンベのバルブを開ける装備制御部を更に有する、
請求項1又は2に記載の水中移動体制御システム。
【請求項8】
複数種類の前記潜水状態情報に対して優先順が定められており、
前記移動体制御部は、優先順が相対的に高い前記潜水状態情報が前記所定の条件を満たす複数の前記ダイバーのうち、優先順が相対的に高い前記潜水状態情報が示す潜水状態が最も不良な前記ダイバーの位置に近づくように前記水中移動体を移動させる、
請求項1又は2に記載の水中移動体制御システム。
【請求項9】
前記情報端末は、前記水中移動体による救助が不要である旨の情報を前記ダイバーから受け付けた場合に、前記情報を発信し、
前記水中移動体における前記移動体制御部は、前記情報を受信した場合に、前記潜水状態情報が前記所定の条件を満たすとしても、前記ダイバーの位置に近づくように前記水中移動体を移動させない、
請求項1又は2に記載の水中移動体制御システム。
【請求項10】
前記水中移動体は、前記水中移動体の救助を終了させる救助終了操作を前記ダイバーから受け付ける操作受付部を更に有し、
前記移動体制御部は、前記救助終了操作を前記ダイバーから受け付けた場合に、前記ダイバーの位置から離れるように前記水中移動体を移動させる、
請求項1又は2に記載の水中移動体制御システム。
(【請求項11】以降は省略されています)
発明の詳細な説明
【技術分野】
【0001】
本発明は、水中移動体を制御するための水中移動体制御システム、水中移動体及び水中移動体制御方法に関する。
続きを表示(約 1,200 文字)
【背景技術】
【0002】
ダイバーの深度管理をサポートするための技術が知られている(例えば、特許文献1を参照)。
【先行技術文献】
【特許文献】
【0003】
特開2022-052380号公報
【発明の概要】
【発明が解決しようとする課題】
【0004】
潜水中のダイバーが要救助状態に陥ることがある。レジャーダイビングや潜水作業においては、同行者のダイバーが近くにいるとは限らないため、要救助状態のダイバーの状態を確認したり救助したりすることができない場合がある。
【0005】
そこで、本発明はこれらの点に鑑みてなされたものであり、水中移動体が要救助状態のダイバーの位置に迅速に到達できるようにすることを目的とする。
【課題を解決するための手段】
【0006】
本発明の第1の態様に係る水中移動体制御システムは、水中移動体と、ダイバーの潜水状態を示す潜水状態情報を発信する情報端末と、を備え、前記水中移動体は、前記ダイバーの位置と、前記水中移動体の位置と、を特定する位置特定部と、前記潜水状態情報が所定の条件を満たす場合に、前記ダイバーの位置に近づくように前記水中移動体を移動させる移動体制御部と、を有する。
【0007】
本発明の第2の態様に係る水中移動体制御システムは、水中移動体と、前記水中移動体と通信可能な外部装置と、ダイバーの潜水状態を示す潜水状態情報を発信する情報端末と、を備え、前記外部装置は、前記ダイバーの位置と、前記水中移動体の位置と、を特定する位置特定部と、前記潜水状態情報が所定の条件を満たす場合に、前記ダイバーの位置に近づくように前記水中移動体を移動させることを指示する信号である移動信号を前記水中移動体に送信する送信処理部と、を有し、前記水中移動体は、前記移動信号に基づいて、前記ダイバーの位置に近づくように前記水中移動体を移動させる移動体制御部を有する。
【0008】
前記所定の条件は、前記ダイバーの位置と前記水中移動体の位置との距離である二者間距離が第1距離以下となるように前記水中移動体を移動させるための条件である第1条件及び前記二者間距離が前記第1距離より短い第2距離以下となるように前記水中移動体を移動させるための条件である第2条件を含んでもよい。
【0009】
前記移動体制御部は、前記潜水状態情報が前記第1条件を満たすが前記第2条件を満たさない場合に、前記二者間距離が前記第1距離以下かつ前記第2距離以上となるように前記水中移動体を移動させてもよい。
【0010】
前記移動体制御部は、前記潜水状態情報が前記第1条件を満たしたことにより前記水中移動体の移動を開始した後に、前記潜水状態情報が前記第1条件を満たさなくなった場合に、前記ダイバーの位置から離れるように前記水中移動体を移動させてもよい。
(【0011】以降は省略されています)
この特許をJ-PlatPat(特許庁公式サイト)で参照する
関連特許
KDDI株式会社
光増幅器
16日前
KDDI株式会社
光増幅器
16日前
KDDI株式会社
光増幅器
3日前
KDDI株式会社
光増幅器
3日前
KDDI株式会社
光接続ノード
3日前
KDDI株式会社
解析装置及びプログラム
1か月前
KDDI株式会社
緊急ネットワーク分離方法
4日前
KDDI株式会社
ユーザ端末及び通信制御方法
2か月前
KDDI株式会社
ユーザ端末及び通信制御方法
2か月前
KDDI株式会社
情報処理装置及び情報処理方法
1か月前
KDDI株式会社
情報処理装置及び情報処理方法
1か月前
KDDI株式会社
情報処理装置及び情報処理方法
1か月前
KDDI株式会社
情報処理装置及び情報処理方法
26日前
KDDI株式会社
情報処理装置及び情報処理方法
16日前
KDDI株式会社
情報処理装置及び情報処理方法
2日前
KDDI株式会社
情報処理装置及び情報処理方法
2日前
KDDI株式会社
情報処理装置及び情報処理方法
2日前
KDDI株式会社
情報処理装置及び情報処理方法
16日前
KDDI株式会社
通信制御システム及び通信制御方法
10日前
KDDI株式会社
通信制御システム及び通信制御方法
10日前
KDDI株式会社
通信制御システム及び通信制御方法
10日前
KDDI株式会社
通信制御システム及び通信制御方法
10日前
KDDI株式会社
ネットワーク制御装置及びプログラム
1か月前
KDDI株式会社
飛行体、情報処理装置及び情報処理方法
6日前
KDDI株式会社
通信装置、無線デバイス及びプログラム
6日前
KDDI株式会社
中継装置、中継方法及び中継プログラム
25日前
KDDI株式会社
認証装置、認証方法及び認証プログラム
1か月前
KDDI株式会社
通信装置、無線デバイス及びプログラム
1か月前
KDDI株式会社
通信装置、無線デバイス及びプログラム
1か月前
KDDI株式会社
認証装置、認証方法及び認証プログラム
25日前
KDDI株式会社
無線デバイス及びコンピュータプログラム
1か月前
KDDI株式会社
情報処理装置、情報処理方法及びプログラム
1か月前
KDDI株式会社
支援処理装置、支援処理方法及びプログラム
16日前
KDDI株式会社
情報処理装置、情報処理方法及びプログラム
17日前
KDDI株式会社
情報処理装置、情報処理方法及びプログラム
1か月前
KDDI株式会社
情報処理装置、情報処理方法及びプログラム
2か月前
続きを見る
他の特許を見る