TOP
|
特許
|
意匠
|
商標
特許ウォッチ
Twitter
他の特許を見る
公開番号
2025139046
公報種別
公開特許公報(A)
公開日
2025-09-26
出願番号
2024037764
出願日
2024-03-12
発明の名称
捺染物の製造方法及び捺染物の製造システム
出願人
理想科学工業株式会社
代理人
個人
,
個人
,
個人
主分類
D06P
5/30 20060101AFI20250918BHJP(繊維または類似のものの処理;洗濯;他に分類されない可とう性材料)
要約
【課題】前処理液の付与にインクジェット方式を用いた、より簡便なインクジェット捺染の前処理方法を提供することを課題とする。
【解決手段】インク凝集剤、及び、沸点が180℃以上の有機溶剤の少なくとも一方を含む前処理液(A)を付与した領域(1)と、前記領域(1)よりも前記前処理液(A)の単位面積当たりの付与量が少ない領域(2-1)、前記前処理液(A)よりもインク凝集力の低い前処理液(B)を付与した領域(2-2)、及び前処理液を付与していない領域(2-3)からなる群から選択される少なくとも一つの領域である領域(2)とを有する布に、インクを付与する、捺染物の製造方法。
【選択図】なし
特許請求の範囲
【請求項1】
インク凝集剤、及び、沸点が180℃以上の有機溶剤の少なくとも一方を含む前処理液(A)を付与した領域(1)と、
前記領域(1)よりも前記前処理液(A)の単位面積当たりの付与量が少ない領域(2-1)、前記前処理液(A)よりもインク凝集力の低い前処理液(B)を付与した領域(2-2)、及び前処理液を付与していない領域(2-3)からなる群から選択される少なくとも一つの領域である領域(2)とを有する布に、
インクを付与する、捺染物の製造方法。
続きを表示(約 490 文字)
【請求項2】
前記前処理液(A)が、前記インク凝集剤、及び、前記沸点が180℃以上の有機溶剤を含む、請求項1に記載の捺染物の製造方法。
【請求項3】
前記前処理液(A)、前記前処理液(B)及び前記インクを、インクジェット方式にて付与する、請求項1に記載の捺染物の製造方法。
【請求項4】
前処理液を布に付与する前処理液付与装置と、インクを布に付与するインク付与装置とを備え、
前記前処理液付与装置は、
インク凝集剤、及び、沸点が180℃以上の有機溶剤の少なくとも一方を含む前処理液(A)を付与する領域(1)と、
前記領域(1)よりも前記前処理液(A)の単位面積当たりの付与量が少ない領域(2-1)、前処理液(A)よりもインク凝集力の低い前処理液(B)を付与する領域(2-2)、及び、前処理液を付与していない領域(2-3)からなる群から選択される少なくとも1つ以上の領域である領域(2)とを形成し、
前記インク付与装置は、前記領域(1)及び前記領域(2)に水性インクを付与する、
捺染物の製造システム。
発明の詳細な説明
【技術分野】
【0001】
本開示は、捺染物の製造方法及び捺染物の製造システムに関する。
続きを表示(約 1,200 文字)
【背景技術】
【0002】
織物、編み物、不織布等の布に、文字、絵、図柄等の画像を印刷する方法として、スクリーン印刷、ローラー印刷、転写印刷、インクジェット印刷等、様々な方法が知られている。これらの印刷方法は、布の種類、画像のデザイン、所望の洗濯耐久性、ロット数等に応じて適宜選択され用いられている。
【0003】
特許文献1には、インクリボン式熱転写とスクリーン印刷との2つの印刷方法を用い、両印刷画像の洗濯堅牢度の差を利用することにより、耐用期間の判断を可能としたタオルが記載されている。
【先行技術文献】
【特許文献】
【0004】
特開2023-146356号公報
【発明の概要】
【発明が解決しようとする課題】
【0005】
特許文献1に記載された方法によれば、洗濯堅牢度の低いインクリボン式熱転写印刷画像が、洗濯堅牢度の高いスクリーン印刷画像よりも先に剥がれ落ちることにより、経時的に印刷画像を変化させることができる。しかしながら、印刷方法の種類によって洗濯堅牢度を調整するため、画像変化の範囲が限定的であった。また、インクリボン式熱転写とスクリーン印刷との2つの印刷方法を用いる点において煩雑であった。
【0006】
本開示は、印刷画像の経時的な変化をコントロール可能な捺染物の製造方法、及び、捺染物の製造システムを提供することを課題とするものである。
【課題を解決するための手段】
【0007】
本開示の一実施形態は、インク凝集剤、及び、沸点が180℃以上の有機溶剤の少なくとも一方を含む前処理液(A)を付与した領域(1)と、前記領域(1)よりも前記前処理液(A)の単位面積当たりの付与量が少ない領域(2-1)、前処理液(A)よりもインク凝集力の低い前処理液(B)を付与した領域(2-2)、及び前処理液を付与していない領域(2-3)からなる群から選択される少なくとも一つ以上の領域である領域(2)とを有する布に、インクを付与する、捺染物の製造方法に関する。
【発明の効果】
【0008】
本開示によれば、印刷画像の経時的な変化をコントロール可能な捺染物の製造方法、及び、捺染物の製造システムを提供することができる。
【図面の簡単な説明】
【0009】
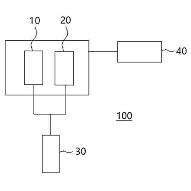
図1は一実施形態による製造システムの一例の概略構成図である。
図2は実施例で用いた印刷画像のイメージ図である。
【発明を実施するための形態】
【0010】
以下、本開示の実施形態について詳しく説明するが、本開示がこれらの実施形態に限定されることはなく、様々な修正及び変更を加えてもよいことはいうまでもない。
(【0011】以降は省略されています)
この特許をJ-PlatPat(特許庁公式サイト)で参照する
関連特許
理想科学工業株式会社
印刷装置
11日前
理想科学工業株式会社
孔版印刷装置
1日前
理想科学工業株式会社
画像処理装置
1日前
理想科学工業株式会社
画像形成装置
10日前
理想科学工業株式会社
画像形成装置
10日前
理想科学工業株式会社
油性インクジェットインク
16日前
理想科学工業株式会社
梱包支援装置、方法およびプログラム
1日前
理想科学工業株式会社
画像処理装置、画像処理方法、及び、プログラム
18日前
個人
洗濯装置
2か月前
株式会社青柳
染め加工方法
1か月前
東レ株式会社
繊維断面の検査方法
23日前
日本バイリーン株式会社
内装用表面材
3か月前
株式会社槌屋
加飾用表皮材
16日前
東レ株式会社
ゴム補強用合成繊維コード
1か月前
有限会社高田紙器製作所
紙製洗濯バサミ
2か月前
花王株式会社
洗浄剤組成物
3か月前
東レ株式会社
炭素繊維シートの製造方法
2か月前
東レ株式会社
樹脂含浸繊維束の製造方法
2か月前
リンナイ株式会社
衣類乾燥機
10日前
個人
ポリエステル染色物の製造方法
11日前
株式会社大阪ソーダ
撥水撥油性繊維処理剤
1か月前
株式会社創和
ボックス状洗濯ネット
1か月前
シャープ株式会社
洗濯機
2か月前
リンテック株式会社
耐水性基材
15日前
個人
洗濯用洗剤容器の蓋
2か月前
株式会社コーワ
フィルター清掃装置及び乾燥機
3か月前
日本バイリーン株式会社
表皮材とその製造方法
3か月前
株式会社コーワ
フィルター清掃装置及び乾燥機
3か月前
大阪瓦斯株式会社
衣類乾燥機
2か月前
大阪瓦斯株式会社
衣類乾燥機
2か月前
松本油脂製薬株式会社
繊維用処理剤及びその利用
2か月前
大阪瓦斯株式会社
衣類乾燥機
2か月前
シャープ株式会社
洗濯機
2か月前
個人
開閉角度調整可能な角型折畳みピンチハンガー
2か月前
ダイニック株式会社
ターポリン、及びその製造方法
11日前
シャープ株式会社
洗濯機
2か月前
続きを見る
他の特許を見る