TOP
|
特許
|
意匠
|
商標
特許ウォッチ
Twitter
他の特許を見る
10個以上の画像は省略されています。
公開番号
2025161396
公報種別
公開特許公報(A)
公開日
2025-10-24
出願番号
2024064552
出願日
2024-04-12
発明の名称
梱包支援装置、方法およびプログラム
出願人
理想科学工業株式会社
代理人
個人
主分類
B65B
63/00 20060101AFI20251017BHJP(運搬;包装;貯蔵;薄板状または線条材料の取扱い)
要約
【課題】梱包材に収容される内容物の個装材を容易に作成することができ、内容物のガタツキを抑制することができる梱包支援装置、方法およびプログラムを提供する。
【解決手段】梱包材に梱包される内容物の情報を取得する内容物情報取得部13と、内容物の情報に基づいて、内容物の個装材の製造条件を決定する個装材製造条件決定部14とを備える。
【選択図】図1
特許請求の範囲
【請求項1】
梱包材に梱包される内容物の情報を取得する内容物情報取得部と、
前記内容物の情報に基づいて、前記内容物の個装材の製造条件を決定する個装材製造条件決定部とを備えた梱包支援装置。
続きを表示(約 570 文字)
【請求項2】
前記内容物情報取得部が、前記内容物の情報として、前記内容物のサイズ情報、形状情報、重さ情報および堅牢性の情報の少なくとも1つを取得する請求項1記載の梱包支援装置。
【請求項3】
前記内容物情報取得部が、前記内容物を撮影した撮影画像に基づいて、前記内容物の情報を取得する請求項1記載の梱包支援装置。
【請求項4】
前記個装材製造条件決定部が、複数の前記内容物がそれぞれ収容された複数の前記個装材を前記梱包材内に梱包した際に、前記複数の個装材の位置が固定されるように前記各内容物の個装材の製造条件を決定する請求項1記載の梱包支援装置。
【請求項5】
前記個装材製造条件決定部が、前記内容物の形状情報に基づいて、複数種類の前記個装材の形状の中から選択して製造条件を決定する請求項1記載の梱包支援装置。
【請求項6】
梱包材に梱包される内容物の情報を取得し、
前記内容物の情報に基づいて、前記内容物の個装材の製造条件を決定する梱包支援方法。
【請求項7】
梱包材に梱包される内容物の情報を取得するステップと、
前記内容物の情報に基づいて、前記内容物の個装材の製造条件を決定するステップとをコンピュータに実行させる梱包支援プログラム。
発明の詳細な説明
【技術分野】
【0001】
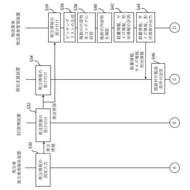
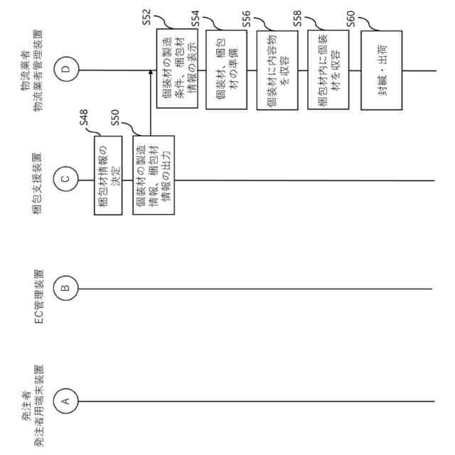
本発明は、梱包材内に収容される内容物の個装材の製造を支援する梱包支援装置、方法およびプログラムに関するものである。
続きを表示(約 1,100 文字)
【背景技術】
【0002】
近年、Amazon(登録商標)や楽天(登録商標)のようなEC(electronic commerce)の市場が拡大している。
【0003】
ECサイトにおいて注文された商品は、たとえば物流業者などにおいて在庫商品の中からピッキングされ、段ボールなどの梱包材に梱包された後、受取人に発送される。
【0004】
この発送の際、梱包材内の内容物に対する衝撃を抑制するため、緩衝材などが同梱される。たとえば特許文献1においては、ECにおける購入物の発送において、梱包材の箱の内側に、箱の形状に合わせて形成された袋状の緩衝材をセットし、その緩衝材内に内容物を入れ、袋をエアでふくらませることによって、内容物を保護する方法が提案されている。
【先行技術文献】
【特許文献】
【0005】
特開平10-129731号公報
【発明の概要】
【発明が解決しようとする課題】
【0006】
しかしながら、特許文献1の方法では、以下の問題がある。たとえばECでの購入物の場合、複数の内容物が同時に購入される場合があり、複数の内容物はランダムに梱包材内に梱包される。この梱包工程において、内容物同士がぶつかり破損するおそれがあり、個々の内容物を気泡緩衝材やミラーマットのシートで個々に包装し、テープで止める作業が必要であり、非常に手間であった。また、梱包材内にエアピローやクラフト紙などガタツキを抑える緩衝材を入れる必要もあった。
【0007】
また、特許文献1では、梱包材のサイズに合わせた複数の緩衝材を準備する必要があり、緩衝材の在庫が増える問題がある。
【0008】
本発明は、上記事情に鑑み、梱包材に収容される内容物の個装材を容易に作成することができ、内容物のガタツキを抑制することができる梱包支援装置、方法およびプログラムを提供することを目的とするものである。
【課題を解決するための手段】
【0009】
本発明の梱包支援装置は、梱包材に梱包される内容物の情報を取得する内容物情報取得部と、内容物の情報に基づいて、内容物の個装材の製造条件を決定する個装材製造条件決定部とを備える。
【発明の効果】
【0010】
本発明の梱包支援装置は、梱包材に梱包される内容物の情報を取得し、その内容物の情報に基づいて、内容物の個装材の製造条件を決定するようにしたので、梱包材に収容される内容物の個装材を容易に作成することができ、内容物のガタツキを抑制することができる。
【図面の簡単な説明】
(【0011】以降は省略されています)
この特許をJ-PlatPat(特許庁公式サイト)で参照する
関連特許
個人
収容箱
3か月前
個人
コンベア
5か月前
個人
容器
9か月前
個人
段ボール箱
7か月前
個人
段ボール箱
7か月前
個人
ゴミ収集器
7か月前
個人
角筒状構造体
5か月前
個人
土嚢運搬器具
8か月前
個人
宅配システム
7か月前
個人
楽ちんハンド
5か月前
個人
バンド
2か月前
個人
廃棄物収容容器
2か月前
個人
コード類収納具
8か月前
個人
包装容器
1か月前
個人
お薬の締結装置
6か月前
個人
閉塞装置
10か月前
個人
蓋閉止構造
4か月前
株式会社和気
包装用箱
9か月前
個人
蓋閉止構造
4か月前
個人
貯蔵サイロ
7か月前
株式会社和気
包装用箱
4日前
個人
積み重ね用補助具
2か月前
個人
ゴミ処理機
9か月前
株式会社コロナ
梱包材
5か月前
株式会社バンダイ
物品
24日前
個人
把手付米袋
4か月前
三甲株式会社
容器
8日前
株式会社KY7
封止装置
3か月前
個人
袋入り即席麺
7か月前
個人
搬送システム
6か月前
個人
コード折り畳み器具
4か月前
個人
包装箱
10か月前
個人
輸送積荷用動吸振器
6か月前
株式会社新弘
容器
3か月前
株式会社イシダ
搬送装置
6か月前
個人
介護用コップ
2か月前
続きを見る
他の特許を見る