TOP
|
特許
|
意匠
|
商標
特許ウォッチ
Twitter
他の特許を見る
10個以上の画像は省略されています。
公開番号
2025138223
公報種別
公開特許公報(A)
公開日
2025-09-25
出願番号
2024037187
出願日
2024-03-11
発明の名称
電力変換装置
出願人
株式会社デンソー
,
トヨタ自動車株式会社
,
株式会社ミライズテクノロジーズ
代理人
弁理士法人サトー
主分類
H02J
7/00 20060101AFI20250917BHJP(電力の発電,変換,配電)
要約
【課題】直流による急速充電、及び交流による普通充電の機能を備え、且つ、MG損失の少ない小型な電力変換装置を提供する。
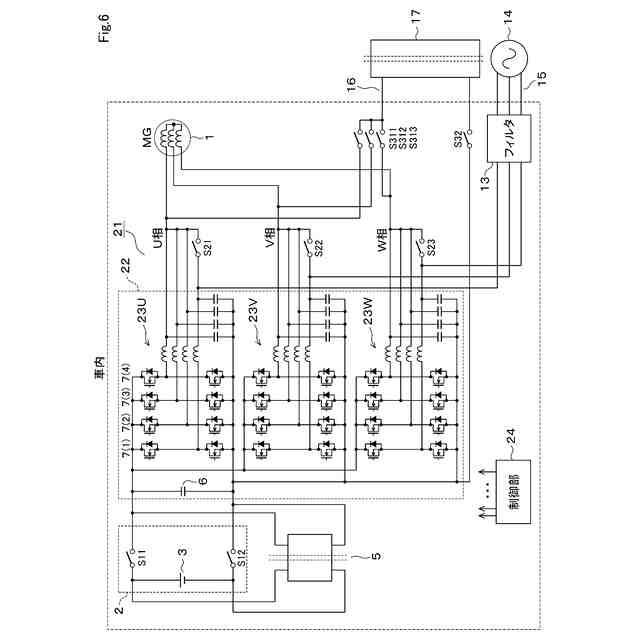
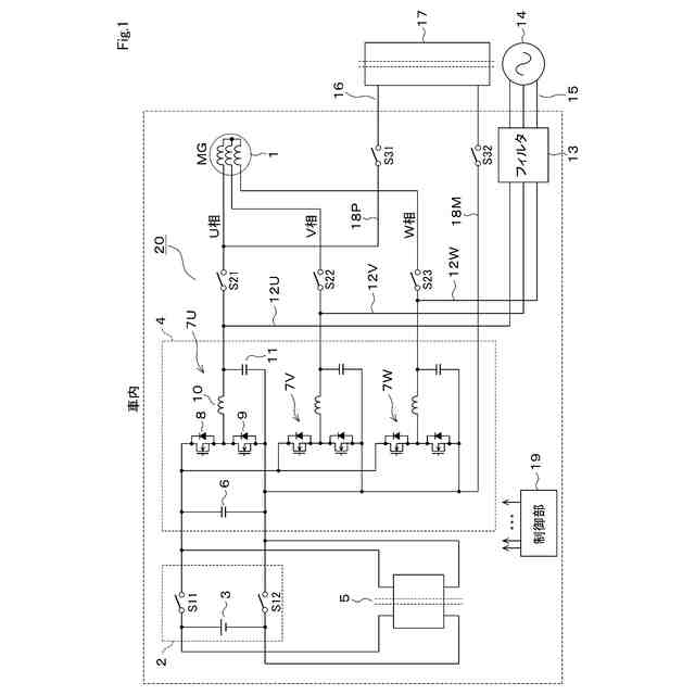
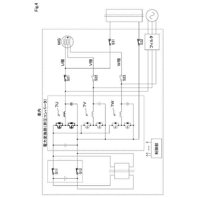
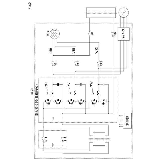
【解決手段】電力変換装置20は、EVに搭載されるバッテリ2を駆動用電源として、EVを走行駆動させる三相のMG1を駆動する。電力変換部4は、三相のコンバータ回路7U~7Wを備える。第1リレーS21~S23は、コンバータ回路7U~7Wの出力端子とMG1の各相巻線端子との間に接続される。バッテリ2を充電するため、商用交流電源14と前記出力端子とを接続する配線12U~12Wと、車外の直流急速充電器17と、コンバータ回路7Uの出力端子、及びコンバータ回路7のグランドとの間に接続される第2リレーS31及びS32とを備える。制御部19は、電力変換部4の動作モードを、インバータモード、昇圧コンバータモード、及び三相PFCモードに切り替える。
【選択図】図1
特許請求の範囲
【請求項1】
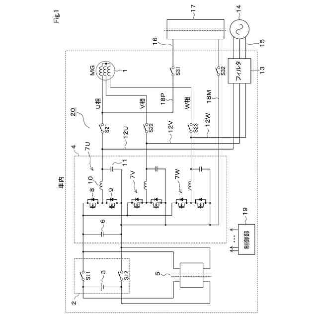
車両に搭載されるバッテリ(2)を駆動用電源として、前記車両を走行駆動させる三相のモータ(1)を駆動するもので、
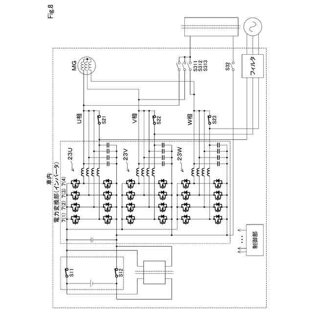
各相について、上下アームスイッチ(8,9)と、前記下アームスイッチに並列に接続されるインダクタ(10)及びコンデンサ(11)の直列回路とを有し、前記インダクタ及びコンデンサの共通接続点を各相の出力端子とする三相のコンバータ回路(7U~7W,23U~23W)を備える電力変換部(4,22)と、
前記出力端子と前記モータの各相巻線端子との間に接続される第1リレー(S21~S23)と、
前記バッテリを充電するため、商用交流電源(14)と前記出力端子とを接続する交流充電用配線(12U~12W)と、
前記バッテリを充電するため、車外の直流急速充電器(17)と、前記出力端子の何れか一相、及び前記コンバータ回路のグランドとの間に接続される第2リレー(S31,S32)と、
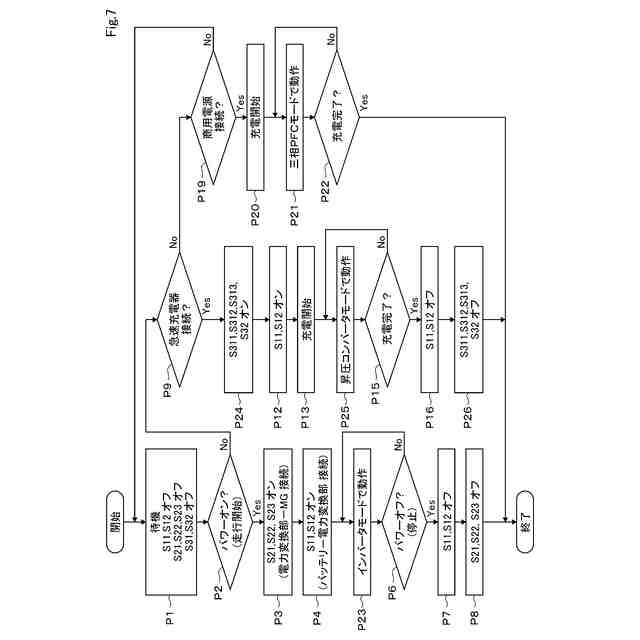
前記電力変換部の動作モードを、インバータモード、昇圧コンバータモード、及び三相力率改善モードに切り替える制御部(19,24)と、を備える電力変換装置。
続きを表示(約 610 文字)
【請求項2】
前記電力変換部(22)は、各相毎に前記コンバータ回路をn並列備え、
前記制御部(24)は、前記インバータモードで動作させる場合は、前記n並列のコンバータ回路をスイッチング制御し、
前記昇圧コンバータモードで動作させる場合は、1つ又はi(i<n)並列のコンバータ回路をスイッチング制御し、
前記三相力率改善モードで動作させる場合は、1つ又はj(j<n)並列のコンバータ回路をスイッチング制御し、
前記第1リレーは、前記三相力率改善モードで動作させるコンバータ回路に対応して接続されている請求項1記載の電力変換装置。
【請求項3】
前記制御部は、前記インバータモードで動作させる場合は、前記n並列のコンバータ回路を、それぞれに位相差を付与してスイッチング制御する請求項2記載の電力変換装置。
【請求項4】
前記制御部は、前記電力変換部を前記インバータモードで動作させる際に、前記昇圧コンバータモードで動作させるi個のコンバータ回路、前記三相力率改善モードで動作させるj{j<n、且つ(i+j)<n}個のコンバータ回路、前記インバータモードのみで動作させる{n-(i+j)}個のコンバータ回路のそれぞれについて、出力電流、スイッチング周波数、及び電流制御方式の何れか1つ以上が異なるように制御する請求項2又は3記載の電力変換装置。
発明の詳細な説明
【技術分野】
【0001】
本発明は、車両に搭載されるバッテリを駆動用電源として、前記車両を走行駆動させる三相のモータを駆動する電力変換装置に関する。
続きを表示(約 1,900 文字)
【背景技術】
【0002】
バッテリを要する電気自動車については、充電時間を短縮するため、バッテリの高電圧化が進んでいる一方で、高電圧に対応した直流による急速充電器の普及が遅れている、という現状がある。(1)既存の急速充電器で高電圧のバッテリを充電するためには、昇圧コンバータを備える必要があるが、昇圧コンバータは体格が大きくコストが高いという問題がある。
【0003】
(2)また、交流による普通充電器についても、やはり充電時間を短縮するために高出力が求められ、単相から三相化が進んでいるが、三相PFCコンバータにも同様に、体格が大きくコストが高いという問題がある。(3)さらに、バッテリの電圧が高くなると、モータ/ジェネレータ(以下、MGと記載する)への入力電流リップルが大きくなるため、MGでの損失が増加する。
【0004】
特許文献1~3には、上記の問題(1)、(2)に対して、電気自動車は充電時は停止しており、MGやインバータは使用しないことに着眼して、インバータのパワー素子や、MGの巻線、リアクトルを利用して充電用の電力変換器として共用することで、体格、コストを抑制する技術が開示されている。
【先行技術文献】
【特許文献】
【0005】
特開2021-175363号公報
特許第5601274号
特許第6147426号
【発明の概要】
【発明が解決しようとする課題】
【0006】
特許文献1では、MGの巻線を利用するため、昇圧コンバータの効率が悪く性能が制限されるおそれがある。また、MGの中性点を外部に引き出す必要がある。MGでの損失を低減する必要については、言及されていない。特許文献2については、特許文献1と同様にMGの巻線を利用することに加えて、充電中にMGが回転しないように別のインバータを使って制御する必要がある。特許文献3についても充電中にMGが回転しないように、インバータ-MG間に大型のリレーを配置する必要がある。
【0007】
本発明は上記事情に鑑みてなされたものであり、その目的は、直流による急速充電、及び交流による普通充電の機能を備え、且つ、MG損失の少ない小型な電力変換装置を提供することにある。
【課題を解決するための手段】
【0008】
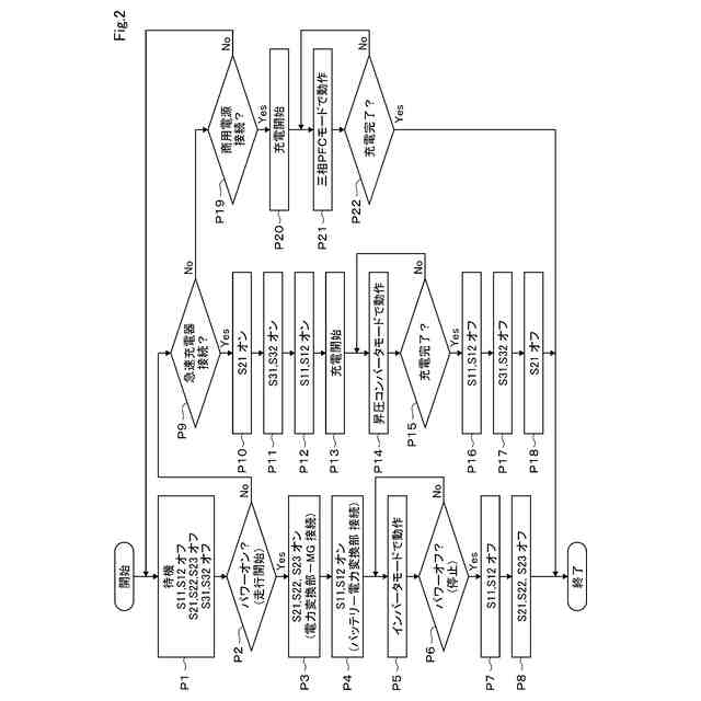
請求項1記載の電力変換装置によれば、車両に搭載されるバッテリ(2)を駆動用電源として、前記車両を走行駆動させる三相のモータ(1)を駆動する。電力変換部(4,22)は、上下アームスイッチ(8,9)及び下アームスイッチ(9)に並列に接続されるインダクタ(10)及びコンデンサ(11)の直列回路を有してなる三相のコンバータ回路(7U~7W,23U~23W)を備える。第1リレー(S21~S23)は、コンバータ回路の出力端子とモータの各相巻線端子との間に接続される。バッテリを充電するため、商用交流電源(14)と前記出力端子とを接続する交流充電用配線(12U~12W)と、車外の直流急速充電器(17)と前記出力端子の何れか一相、及びコンバータ回路のグランドとの間に接続される第2リレー(S31,S32)とを備える。制御部(19,24)は、電力変換部の動作モードを、インバータモード、昇圧コンバータモード、及び三相力率改善モードに切り替える。
【0009】
上下アームスイッチの共通接続点に、インダクタ及びコンデンサの直列回路、すなわちLC直列回路を備えたので、電力変換部をインバータモードで動作させる際に、モータに入力される電流のリップルを抑制して損失を低減できる。また、バッテリを車外の直流急速充電器により充電する際には昇圧コンバータモードで動作させ、商用交流電源により充電する際には三相力率改善モードで動作させることで、装置を小型にできる。また、バッテリを充電する際にモータの巻線を使用しないので、モータの回転を防止するために行う制御が不要になる。
【0010】
請求項2記載の電力変換装置によれば、電力変換部(22)は、各相毎にコンバータ回路をn並列備える。制御部(24)は、インバータモードで動作させる場合は、n並列のコンバータ回路をスイッチング制御し、昇圧コンバータモードで動作させる場合は、1つ又はi並列のコンバータ回路をスイッチング制御し、三相力率改善モードで動作させる場合は、1つ又はj並列のコンバータ回路をスイッチング制御する。第1リレーは、三相力率改善モードで動作させるコンバータ回路に対応して接続される。
(【0011】以降は省略されています)
この特許をJ-PlatPat(特許庁公式サイト)で参照する
関連特許
株式会社デンソーウェーブ
筐体
6日前
株式会社デンソー
回転機
6日前
株式会社デンソー
検出装置
5日前
株式会社デンソー
半導体装置
1日前
株式会社デンソー
電流センサ
6日前
株式会社デンソー
画像処理装置
6日前
株式会社デンソー
非接触受電装置
1日前
株式会社デンソー
スパークプラグ
1日前
株式会社デンソー
スイッチング素子
5日前
株式会社デンソーウェーブ
レーザレーダ装置
5日前
株式会社デンソー
ブラシレスモータ
5日前
株式会社デンソーウェーブ
レーザレーダ装置
5日前
株式会社デンソー
検出装置、検出装置の製造方法
5日前
株式会社デンソー
検出装置、検出装置の製造方法
5日前
株式会社デンソー
バッテリマネジメントシステム
1日前
株式会社デンソー
検出装置、検出装置の製造方法
5日前
株式会社デンソー
診断装置、電気化学反応システム
1日前
株式会社デンソー
検出装置、プログラム、及び算出方法
5日前
株式会社デンソー
接触センサおよび接触センサを備えたヒータ
5日前
株式会社SOKEN
推定装置及び表示装置
1日前
株式会社デンソー
シザーズギア、アクチュエータ及び反力付与装置
5日前
株式会社デンソーテン
情報処理装置、情報処理方法、および情報処理プログラム
1日前
株式会社デンソー
半導体モジュール、半導体装置、半導体モジュールの製造方法
5日前
株式会社デンソーテン
通知制御装置、方法及びプログラム並びに車載用通知システム
1日前
株式会社デンソー
電力変換器の制御装置、プログラム、及び電力変換器の制御方法
6日前
株式会社デンソー
電界効果トランジスタ
5日前
株式会社デンソー
レーダシステム、レーダ制御装置、レーダ制御方法、レーダ制御プログラム
1日前
株式会社豊田中央研究所
演算処理方法、演算処理プログラム、及び演算処理装置
6日前
株式会社デンソー
携帯型またはウェアラブル型で構成された電子機器
7日前
株式会社デンソー
車両用表示制御装置、車両用表示制御システム、車両用表示制御方法、及び車両用表示制御プログラム
5日前
株式会社デンソー
車両用表示制御装置、車両用表示制御システム、車両用表示制御方法、及び車両用表示制御プログラム
5日前
株式会社豊田中央研究所
ガス吸着用複合材料基板、それを備えるガスセンサ、及びガス吸着用複合材料基板の製造方法
6日前
個人
単極モータ
8日前
株式会社アイシン
ロータ
8日前
株式会社アイシン
ロータ
12日前
日本精機株式会社
サージ保護回路
15日前
続きを見る
他の特許を見る