TOP
|
特許
|
意匠
|
商標
特許ウォッチ
Twitter
他の特許を見る
公開番号
2025020707
公報種別
公開特許公報(A)
公開日
2025-02-13
出願番号
2023124239
出願日
2023-07-31
発明の名称
電動シュレッダとその駆動方法
出願人
愛知電機株式会社
代理人
主分類
H02P
29/024 20160101AFI20250205BHJP(電力の発電,変換,配電)
要約
【課題】本発明は、過負荷電力制限機能を備えた小型かつ安価な電動シュレッダを提供する。
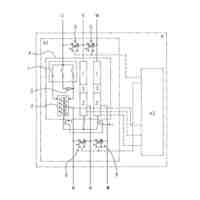
【解決手段】駆動源であるモータ6を、位置センサレス制御、および、1シャント電流検出方式を採用したベクトル制御にて駆動することで、モータ6を駆動するインバータ制御部9をセンサレスで構成し、製品コストの削減と小型化を実現する。1シャント電流検出方式の回路構成で検出可能な直流電圧VDCとモータ電流iDCからモータ入力電力を推定することで、モータ6の過負荷状態を確実に検出する。
【選択図】 図2
特許請求の範囲
【請求項1】
永久磁石型電動機を駆動源とする電動シュレッダにおいて、前記電動機を駆動させるインバータの直流電流部に1シャント方式の電流検出回路を設置し、当該電流検出回路で検出したモータ電流と、前記インバータの入力電圧からモータ入力電力を推定し、当該モータ入力電力が許容値を超えた場合、前記電動機の駆動を停止、逆転させるインバータ回路制御部を備えて構成されることを特徴とする電動シュレッダ。
続きを表示(約 440 文字)
【請求項2】
前記インバータ回路制御部は、前記インバータの入力電圧と、前記電流検出回路で検出したモータ電流を用いて前記電動機を構成する永久磁石の磁極位置を推定し、位置センサレス制御を行うことを特徴とする請求項1記載の電動シュレッダ。
【請求項3】
永久磁石型電動機を駆動源とする電動シュレッダにおいて、前記電動機を駆動させるインバータの直流電流部に設置した1シャント方式の電流検出回路にて検出したモータ電流と、前記インバータの入力電圧からモータ入力電力を推定し、当該モータ入力電力が許容値を超えた場合、前記電動機の駆動を停止、逆転させるように、インバータ回路制御部にて駆動することを特徴とする電動シュレッダの駆動方法。
【請求項4】
前記インバータの入力電圧と、前記電流検出回路で検出したモータ電流を用いて前記電動機を構成する永久磁石の磁極位置を推定し、位置センサレス駆動を行うことを特徴とする請求項3記載の電動シュレッダの駆動方法。
発明の詳細な説明
【技術分野】
【0001】
本発明は、過負荷電力制限機能を備えた電動シュレッダと、その駆動方法に関する。
続きを表示(約 1,600 文字)
【背景技術】
【0002】
電動シュレッダによって書類等を細断する際に、細断する書類等の投入量が多いと、シュレッダの細断部分で書類が詰まった状態となり、駆動源であるモータが過負荷状態となり停止(拘束停止)する可能性がある。過負荷状態を解消する方法としては、モータを逆回転させることで、詰まった紙片をシュレッダ外部へ戻す方法が例示できる。また、モータの過負荷の検知方法としては、モータの負荷電流の増加を検出することで検知する方法が知られている(下記特許文献1参照)
【0003】
シュレッダのモータをインバータ制御することは従来から知られており(下記特許文献2参照)、インバータの基本制御方式として、ベクトル制御は一般的である。ベクトル制御には、回転子位置を検出する位置センサや、モータの入力電流を検出する電流センサが必要となるが、電流センサや位置センサの設置は、電動シュレッダの高コスト化、大型化を招くため、代替する手段の採用が望まれる。
【0004】
位置センサの代替には、モータに入力される電圧、電流から回転子位置を推定する位置センサレス制御が知られている。電流センサについては、ベクトル制御に必要な少なくとも2相分の相電流をインバータの直流部に設置した単一のシャント抵抗を用いて検出し、当該検出結果を活用して2相分以上の相電流を再現する1シャント電流検出方式が知られている(下記特許文献3参照)。
【先行技術文献】
【特許文献】
【0005】
特開2021-7899号公報
特開平3-32753号公報
特開2019-154114号公報
【発明の概要】
【発明が解決しようとする課題】
【0006】
本発明は、上記特許文献3記載の技術同様、位置センサレス制御と1シャント電流検出方式を採用することで、電動シュレッダの低コスト化を実現し、かつ、1シャント電流検出方式で検出した一相分のモータ電流を用いて、過負荷時のモータ動作を制御する電動シュレッダとその駆動方法を開示するものである。
【課題を解決するための手段】
【0007】
請求項1記載の電動シュレッダは、永久磁石型電動機を駆動源とし、当該電動機を駆動させるインバータの直流電流部に1シャント方式の電流検出回路を設置し、当該電流検出回路で検出したモータ電流と、前記インバータの入力電圧からモータ入力電力を推定し、当該モータ入力電力が許容値を超えた場合、前記電動機の駆動を停止、逆転させるインバータ回路制御部を備えて構成したことに特徴を有する。
【0008】
請求項2記載の電動シュレッダは、請求項1記載のインバータ回路制御部において、前記電流検出回路で検出したモータ電流を用いて前記電動機を構成する永久磁石の磁極位置を推定し、位置センサレス制御を行うことに特徴を有する。
【0009】
請求項3記載の電動シュレッダの駆動方法は、永久磁石型電動機を駆動源とする電動シュレッダにおいて、当該電動機を駆動させるインバータの直流電流部に設置した1シャント方式の電流検出回路にて検出したモータ電流と、前記インバータの入力電圧からモータ入力電力を推定し、当該モータ入力電力が許容値を超えた場合、前記電動機の駆動を停止、逆転させるように、インバータ回路制御部にて駆動することに特徴を有する。
【0010】
請求項4記載の電動シュレッダの駆動方法は、請求項3記載のインバータの入力電圧と、電流検出回路で検出したモータ電流を用いて、駆動源としての電動機を構成する永久磁石の磁極位置を推定し、位置センサレス制御を行うことに特徴を有する。
【発明の効果】
(【0011】以降は省略されています)
この特許をJ-PlatPat(特許庁公式サイト)で参照する
関連特許
愛知電機株式会社
軸部材の外観検査装置
28日前
愛知電機株式会社
自動電圧平衡化装置および自動電圧平衡化方法
1か月前
愛知電機株式会社
ステータおよびモータ
10日前
個人
単極モータ
1か月前
個人
高圧電気機器の開閉器
5日前
個人
電気を重力で発電装置
18日前
キヤノン電子株式会社
モータ
17日前
キヤノン電子株式会社
モータ
25日前
株式会社アイシン
ロータ
1か月前
株式会社アイシン
ロータ
1か月前
日星電気株式会社
ケーブル組立体
1か月前
コーセル株式会社
電源装置
26日前
トヨタ自動車株式会社
モータ
17日前
株式会社アイドゥス企画
減反モータ
5日前
株式会社デンソー
回転機
1か月前
個人
二次電池繰返パルス放電器用印刷基板
1か月前
株式会社kaisei
発電システム
1か月前
株式会社ミツバ
回転電機
1か月前
株式会社デンソー
電力変換装置
1か月前
株式会社デンソー
電力変換装置
1か月前
株式会社デンソー
非接触受電装置
1か月前
矢崎総業株式会社
電源回路
4日前
トヨタ自動車株式会社
固定子の加熱装置
28日前
株式会社ダイヘン
インバータ装置
1か月前
日産自動車株式会社
ロータシャフト
12日前
トヨタ自動車株式会社
ステータの製造装置
18日前
日産自動車株式会社
ロータシャフト
12日前
ローム株式会社
モータドライバ回路
12日前
個人
非対称鏡像力を有する4層PWB電荷搬送体
12日前
山洋電気株式会社
モータ
1か月前
矢崎総業株式会社
ワイヤーハーネス
1か月前
個人
電線盗難防止方法及び電線盗難防止装置
25日前
京商株式会社
模型用非接触電力供給システム
5日前
株式会社明治ゴム化成
ワイヤレス給電用部品
27日前
株式会社TMEIC
電力変換装置
1か月前
トヨタ自動車株式会社
可変界磁ロータ
20日前
続きを見る
他の特許を見る