TOP
|
特許
|
意匠
|
商標
特許ウォッチ
Twitter
他の特許を見る
10個以上の画像は省略されています。
公開番号
2025091663
公報種別
公開特許公報(A)
公開日
2025-06-19
出願番号
2023207053
出願日
2023-12-07
発明の名称
圧力可変ユニット及び液体吐出装置
出願人
セイコーエプソン株式会社
代理人
個人
,
個人
主分類
F15B
1/26 20060101AFI20250612BHJP(流体圧アクチュエータ;水力学または空気力学一般)
要約
【課題】大型化を抑制した圧力可変ユニット及び液体吐出装置を提供する。
【解決手段】圧力可変ユニットは、複数の接続先の圧力を変化させる圧力可変ユニットであって、モーターと、モーターと接続され、モーターの動力によって駆動するポンプと、モーターの動力によって、複数の接続先とポンプとの接続を切り換える切換部94と、モーターと切換部との間に位置する伝達部と、を備え、伝達部は、モーターが正方向に回転する場合に前記モーターから切換部に動力を伝達せず、モーターが逆方向に回転する場合にモーターから切換部に動力を伝達するように構成される。
【選択図】図19
特許請求の範囲
【請求項1】
複数の接続先の圧力を変化させる圧力可変ユニットであって、
モーターと、
前記モーターと接続され、前記モーターの動力によって駆動するポンプと、
前記モーターの動力によって、複数の前記接続先と前記ポンプとの接続を切り換える切換部と、
前記モーターと前記切換部との間に位置する伝達部と、を備え、
前記伝達部は、前記モーターが正方向に回転する場合に前記モーターから前記切換部に動力を伝達せず、前記モーターが逆方向に回転する場合に前記モーターから前記切換部に動力を伝達するように構成されることを特徴とする圧力可変ユニット。
続きを表示(約 1,900 文字)
【請求項2】
前記切換部は、
複数の前記接続先と前記ポンプとの間にそれぞれ位置する複数のバルブと、
複数の前記バルブをそれぞれ開閉させる複数のカムと、を有することを特徴とする請求項1に記載の圧力可変ユニット。
【請求項3】
前記切換部は、複数の前記接続先と前記ポンプとの間に位置し、回転することによって複数の接続先と前記ポンプとの接続を切り換える切換体を有することを特徴とする請求項1に記載の圧力可変ユニット。
【請求項4】
前記伝達部は、ワンウェイクラッチを有することを特徴とする請求項1に記載の圧力可変ユニット。
【請求項5】
前記モーターは、第1モーターであり、
前記ポンプは、第1ポンプであり、
前記伝達部は、第1伝達部であり、
前記圧力可変ユニットは、
第2モーターと、
前記第2モーターと接続され、前記第2モーターの動力によって駆動する第2ポンプと、
複数の前記接続先と接続され、複数の前記接続先を大気に開放させる大気開放部と、
前記第2モーターと前記大気開放部との間に位置し、前記第2モーターの動力を前記大気開放部に伝達する第2伝達部と、を備え、
前記第2ポンプは、複数の前記接続先のうち少なくとも1つの前記接続先の圧力を変化させるように構成され、
前記大気開放部は、前記第2モーターが正方向に回転する場合に閉じ、前記第2モーターが逆方向に回転する場合に開くように構成されることを特徴とする請求項1に記載の圧力可変ユニット。
【請求項6】
前記モーターの回転角を検出する検出部と、
前記モーターを制御する制御部と、備え、
前記制御部は、
前記モーターを正方向に回転させる場合に、前記モーターをオープン制御し、
前記モーターを逆方向に回転させる場合に、前記検出部による検出結果に基づいて前記モーターをPID制御することを特徴とする請求項1から請求項5の何れか一項に記載の圧力可変ユニット。
【請求項7】
液体を吐出する液体吐出ユニットと、
前記液体吐出ユニットに液体を供給する液体供給ユニットと、を備え、
前記液体供給ユニットは、
前記液体吐出ユニットに向かって液体が流れる供給流路と、
請求項1に記載の圧力可変ユニットと、を有し、
前記液体供給ユニット及び前記液体吐出ユニットのうち少なくとも一方は、液体を収容する収容部を有し、
前記収容部は、前記収容部内を空気室と液室とに区画する膜部材を有し、
複数の前記接続先は、前記収容部を含み、
前記圧力可変ユニットは、前記空気室の圧力を変化させることを特徴とする液体吐出装置。
【請求項8】
前記収容部は、複数の収容部のうちの1つであり、
複数の前記収容部は、前記空気室をそれぞれ有し、
複数の前記収容部のそれぞれは、前記液体供給ユニット又は前記液体吐出ユニットに設けられ、
複数の前記接続先は、複数の前記収容部を含み、
前記圧力可変ユニットは、複数の空気室の圧力を選択的に変化させることを特徴とする請求項7に記載の液体吐出装置。
【請求項9】
前記圧力可変ユニットを支持するフレームと、
前記圧力可変ユニットを前記フレームに固定する固定部材と、を備え、
前記固定部材は、前記圧力可変ユニット及び前記フレームに対して上方から着脱されることを特徴とする請求項7に記載の液体吐出装置。
【請求項10】
前記液体供給ユニットは、前記収容部と前記ポンプとに接続される空気流路を有し、
前記液体吐出ユニットは、
前記液体を吐出する吐出部と、
前記吐出部を搭載し、走査方向に移動可能な移動体と、
前記移動体に搭載され、前記供給流路及び前記吐出部に接続される流動部と、を有し、
前記流動部は、前記収容部を有し、
前記供給流路は、前記液体吐出ユニットが前記走査方向に移動することに伴い変形する第1可撓性部材を有し、
前記空気流路は、前記液体吐出ユニットが前記走査方向に移動することに伴い変形する第2可撓性部材を有し、
前記第1可撓性部材の上流端、及び、前記第2可撓性部材の上流端は、前記液体吐出ユニットの移動領域の中心に対して、一方に位置することを特徴とする請求項9に記載の液体吐出装置。
(【請求項11】以降は省略されています)
発明の詳細な説明
【技術分野】
【0001】
本発明は、圧力可変ユニット及び液体吐出装置に関する。
続きを表示(約 2,500 文字)
【背景技術】
【0002】
特許文献1には、複数の接続先の圧力を変化させる圧力可変ユニットを備える液体吐出装置が記載されている。圧力可変ユニットは、複数の接続先の圧力を変化させるポンプと、複数の接続先とポンプとの接続を切り換える切換部とを有する。任意の接続先とポンプとを切換部が接続させることによって、その接続先の圧力がポンプにより変化する。
【先行技術文献】
【特許文献】
【0003】
特開2023-59392号公報
【発明の概要】
【発明が解決しようとする課題】
【0004】
こうした圧力可変ユニットは、ポンプを駆動させるモーターと、切換部を駆動させるモーターとを別々で有する。この場合、圧力可変ユニット及び液体吐出装置が大型化するおそれがある。
【課題を解決するための手段】
【0005】
上記課題を解決する圧力可変ユニットは、複数の接続先の圧力を変化させる圧力可変ユニットであって、モーターと、前記モーターと接続され、前記モーターの動力によって駆動するポンプと、前記モーターの動力によって、複数の前記接続先と前記ポンプとの接続を切り換える切換部と、前記モーターと前記切換部との間に位置する伝達部と、を備え、前記伝達部は、前記モーターが正方向に回転する場合に前記モーターから前記切換部に動力を伝達せず、前記モーターが逆方向に回転する場合に前記モーターから前記切換部に動力を伝達するように構成される。
【0006】
上記課題を解決する液体吐出装置は、液体を吐出する液体吐出ユニットと、前記液体吐出ユニットに液体を供給する液体供給ユニットと、を備え、前記液体供給ユニットは、前記液体吐出ユニットに向かって液体が流れる供給流路と、上記圧力可変ユニットと、を有し、前記液体供給ユニット及び前記液体吐出ユニットのうち少なくとも一方は、液体を収容する収容部を有し、前記収容部は、前記収容部内を空気室と液室とに区画する膜部材を有し、複数の前記接続先は、前記収容部を含み、前記圧力可変ユニットは、前記空気室の圧力を変化させる。
【図面の簡単な説明】
【0007】
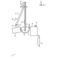
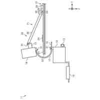
図1は、液体吐出装置の一例を示す斜視図である。
図2は、液体吐出装置の内部構成を模式的に示す正面図である。
図3は、収容部の一例を示す断面図である。
図4は、液体吐出装置の内部構成を示す斜視図である。
図5は、図4とは異なる角度から見た斜視図である。
図6は、図4及び図5とは異なる角度から見た斜視図である。
図7は、図4、図5、及び、図6とは異なる角度から見た斜視図である。
図8は、フレーム及び第1ポンプユニットの斜視図である。
図9は、図8に示す状態から第1ポンプユニットを取り外した斜視図である。
図10は、液体吐出ユニットの斜視図である。
図11は、流動部の断面図である。
図12は、流路ポンプの斜視図である。
図13は、流路ポンプを模式的に示す断面図である。
図14は、第1ポンプユニットの斜視図である。
図15は、取付部材がフレームに取り付けられた状態の斜視図である。
図16は、第1ポンプユニットがフレームに取り付けられた状態の正面図である。
図17は、挿入部分がフレームから取り外された状態の正面図である。
図18は、図14とは異なる角度から見た斜視図である。
図19は、第1ポンプユニットの内部構成を示す斜視図である。
図20は、流路部材の上面図である。
図21は、伝達歯車及び連結歯車を軸方向から見た図である。
図22は、ワンウェイクラッチを示す斜視図である。
図23は、第2ポンプユニットを示す斜視図である。
図24は、液体吐出ユニット及び液体供給ユニットのブロック図である。
図25は、供給流路及び空気流路の斜視図である。
図26は、供給流路及び空気流路の正面図である。
図27は、供給流路及び空気流路の断面図である。
図28は、結束体の斜視図である。
図29は、液体吐出ユニットが待機位置に位置する状態の模式図である。
図30は、液体吐出ユニットが待機位置と折り返し位置との間に位置する状態の模式図である。
図31は、液体吐出ユニットが折り返し位置に位置する状態の模式図である。
図32は、圧力可変ユニットの動作を示す表である。
図33は、流路部材の変更例を示す斜視図である。
【発明を実施するための形態】
【0008】
以下、液体吐出装置の一実施例について図を参照しながら説明する。液体吐出装置は、例えば、用紙、布帛などの媒体に液体の一例であるインクを吐出することによって、文字、写真などの画像を印刷するインクジェット式のプリンターである。
【0009】
<液体吐出装置>
図1に示すように、液体吐出装置11は、筐体12を備える。筐体12には、排出口13が開口する。排出口13から印刷済みの媒体M1が排出される。
【0010】
液体吐出装置11は、読取部14を備えてもよい。読取部14は、原稿に記録されている画像を読み取るように構成される。読取部14は、スキャナーである。読取部14は、例えば、セットされた原稿を自動的に給紙することによって、画像を順次読み取る。読取部14は、筐体12に搭載される。読取部14は、例えば、筐体12の上部に搭載される。一例では、読取部14は、筐体12に対して開閉可能に取り付けられる。読取部14が筐体12に対して開くと、筐体12内が露出する。ユーザーは、読取部14を開くことによって、筐体12の上部から筐体12内にアクセスできる。
(【0011】以降は省略されています)
この特許をJ-PlatPat(特許庁公式サイト)で参照する
関連特許
セイコーエプソン株式会社
ロボット
1日前
セイコーエプソン株式会社
印刷装置
5日前
セイコーエプソン株式会社
印刷装置
1日前
セイコーエプソン株式会社
印刷装置
1日前
セイコーエプソン株式会社
印刷装置
5日前
セイコーエプソン株式会社
印刷装置
2日前
セイコーエプソン株式会社
印刷装置
5日前
セイコーエプソン株式会社
印刷装置
3日前
セイコーエプソン株式会社
印刷装置
5日前
セイコーエプソン株式会社
印刷装置
1日前
セイコーエプソン株式会社
印刷装置
2日前
セイコーエプソン株式会社
印刷装置
3日前
セイコーエプソン株式会社
印刷装置
1日前
セイコーエプソン株式会社
気体分離膜
5日前
セイコーエプソン株式会社
微細化装置
2日前
セイコーエプソン株式会社
画像読取装置
5日前
セイコーエプソン株式会社
液体収容容器
1日前
セイコーエプソン株式会社
権限管理装置
1日前
セイコーエプソン株式会社
虚像表示装置
5日前
セイコーエプソン株式会社
液体吐出装置
5日前
セイコーエプソン株式会社
液体吐出ヘッド
5日前
セイコーエプソン株式会社
プロジェクター
1日前
セイコーエプソン株式会社
プロジェクター
1日前
セイコーエプソン株式会社
プロジェクター
1日前
セイコーエプソン株式会社
プロジェクター
1日前
セイコーエプソン株式会社
電子制御式機械時計
3日前
セイコーエプソン株式会社
垂直多関節ロボット
1日前
セイコーエプソン株式会社
回路装置及び電子機器
1日前
セイコーエプソン株式会社
スクリーンの製造方法
5日前
セイコーエプソン株式会社
栽培用培地の製造方法
2日前
セイコーエプソン株式会社
波長可変干渉フィルター
5日前
セイコーエプソン株式会社
保持方法、及び加工方法
5日前
セイコーエプソン株式会社
治具、及び加工システム
5日前
セイコーエプソン株式会社
三次元造形物の製造方法
5日前
セイコーエプソン株式会社
電気光学装置および電子機器
2日前
セイコーエプソン株式会社
インクジェットインク組成物
5日前
続きを見る
他の特許を見る