TOP
|
特許
|
意匠
|
商標
特許ウォッチ
Twitter
他の特許を見る
10個以上の画像は省略されています。
公開番号
2025144262
公報種別
公開特許公報(A)
公開日
2025-10-02
出願番号
2024043956
出願日
2024-03-19
発明の名称
移動体制御装置
出願人
株式会社デンソー
代理人
個人
,
個人
主分類
G06Q
10/083 20240101AFI20250925BHJP(計算;計数)
要約
【課題】より適切な配送計画へと更新可能な移動体制御装置を提供すること。
【解決手段】移動体制御装置は、経路上を移動する複数の移動体6の移動を制御する移動体制御装置であって、複数タイプのイベントの発生を判断可能なイベント発生判断部と、制約条件を満たしつつ目的関数により求まる評価値を最小化することを目的とする、配送計画に係る組合せ最適化問題を生成する最適化問題生成部と、組合せ最適化問題を解くことにより移動体の配送計画を計算する最適化問題実行部30と、を備える。最適化問題生成部は、検出されたイベントのタイプに応じて制約条件および目的関数を設定しなおすことにより組合せ最適化問題を更新し、最適化問題実行部は、更新された組合せ最適化問題を解くことにより配送計画を更新する。
【選択図】図1
特許請求の範囲
【請求項1】
経路上を移動する複数の移動体(6)の移動を制御する移動体制御装置であって、
複数タイプのイベントの発生を判断可能なイベント発生判断部(22)と、
制約条件を満たしつつ目的関数により求まる評価値を最大化または最小化することを目的とする、前記移動体の配送計画に係る組合せ最適化問題を生成する最適化問題生成部(24)と、
前記組合せ最適化問題を解くことにより前記配送計画を計算する最適化問題実行部(30)と、を備え、
前記最適化問題生成部は、前記イベント発生判断部が発生したと判断したイベントのタイプに応じて前記制約条件および前記目的関数を設定しなおすことにより前記組合せ最適化問題を更新し、
前記最適化問題実行部は、更新された前記組合せ最適化問題を解くことにより前記配送計画を更新する移動体制御装置。
続きを表示(約 1,800 文字)
【請求項2】
前記イベント発生判断部が発生したと判断したイベントである判断イベントに応じて、前記判断イベントの影響を受けるエリアを抽出する対象エリア判断部(231)を備え、
前記最適化問題生成部は、抽出された前記エリアに対する前記組合せ最適化問題を更新する、請求項1に記載の移動体制御装置。
【請求項3】
前記イベント発生判断部が発生したと判断したイベントである判断イベントに応じて、前記判断イベントの影響を受けるエリアを抽出する対象エリア判断部(231)を備え、
前記最適化問題生成部は、抽出された前記エリアに対する前記組合せ最適化問題を更新する一方、
抽出された前記エリア以外の前記エリアに対する前記組合せ最適化問題を更新しないように構成されている、請求項1に記載の移動体制御装置。
【請求項4】
前記イベント発生判断部が発生したと判断したイベントである判断イベントに応じて、前記複数の移動体のうち前記判断イベントの影響を受ける移動体を抽出する対象移動体判断部(232)を備え、
前記最適化問題生成部は、抽出された前記移動体に対する前記組合せ最適化問題を更新する、請求項1に記載の移動体制御装置。
【請求項5】
前記イベント発生判断部が発生したと判断したイベントである判断イベントに応じて、前記複数の移動体のうち前記判断イベントの影響を受ける移動体を抽出する対象移動体判断部(232)を備え、
前記最適化問題生成部は、
抽出された前記移動体に対する前記組合せ最適化問題を更新する一方、
抽出された前記移動体以外の前記移動体に対する前記組合せ最適化問題は更新しないように構成されている、請求項1に記載の移動体制御装置。
【請求項6】
前記イベント発生判断部が発生したと判断したイベントである判断イベントの影響を受けるエリアを抽出する対象エリア判断部(231)と、
前記複数の移動体のうち、抽出された前記エリアに関連する移動体を抽出する対象移動体判断部(232)と、を備え、
前記最適化問題生成部は、抽出された前記移動体の前記組合せ最適化問題を更新する、請求項1に記載の移動体制御装置。
【請求項7】
前記イベント発生判断部が発生したと判断したイベントである判断イベントの影響を受けるエリアを抽出する対象エリア判断部(231)と、
前記複数の移動体のうち、抽出された前記エリアに関連する移動体を抽出する対象移動体判断部(232)と、を備え、
前記最適化問題生成部は、抽出された前記移動体の前記組合せ最適化問題を更新する一方、
抽出された前記移動体以外の前記移動体に対する前記組合せ最適化問題は更新しないように構成されている、請求項1に記載の移動体制御装置。
【請求項8】
表示部(4)をさらに備え、
前記表示部は、
現在の前記配送計画に係る前記組合せ最適化問題を構成する前記制約条件および前記目的関数を示す情報または前記組合せ最適化問題が更新された場合に前記組合せ最適化問題が更新されたことを示す情報のうち少なくとも一方の情報を表示可能に構成されている、請求項1に記載の移動体制御装置。
【請求項9】
表示部(4)をさらに備え、
前記表示部は、
前記配送計画に係る前記組合せ最適化問題を構成する前記制約条件および前記目的関数を示す情報を前記移動体ごとまたはエリアごとに表示可能に構成されている、請求項1に記載の移動体制御装置。
【請求項10】
複数の他装置(101)と通信可能に構成された通信部(9)を介して、前記他装置から配送に係るオーダーに関する情報および前記移動体の状態に関する情報を受信する入力処理部(10)をさらに備え、
前記イベント発生判断部は、前記入力処理部が受信した前記オーダーに関する情報および前記移動体に関する情報に基づいて、前記オーダーに関するイベントの発生、および前記移動体に関するイベントの発生を判断可能に構成されている、請求項1から9のいずれか1項に記載の移動体制御装置。
(【請求項11】以降は省略されています)
発明の詳細な説明
【技術分野】
【0001】
この明細書における開示は、移動体制御装置に関する。
続きを表示(約 2,400 文字)
【背景技術】
【0002】
特許文献1は、新規オーダーが発生した場合に、移動体の配送計画を効率的に再計算できる配送計画作成システムを開示している。
【先行技術文献】
【特許文献】
【0003】
特開2007-119099号公報
【発明の概要】
【発明が解決しようとする課題】
【0004】
特許文献1に記載の配送計画作成システムは、新規オーダー発生のイベントには対応しているが、新規オーダー発生以外のイベントには対応していない。配送計画作成システムには、新規オーダーの発生以外のイベントが生じうる。そのため、1種類のイベントのみに対応するシステムでは、配送計画が非効率になりうる課題があった。
【0005】
開示されるひとつの目的は、より効率的な配送計画へ更新可能な移動体制御装置を提供することにある。
【課題を解決するための手段】
【0006】
ここに開示された移動体制御装置は、経路上を移動する複数の移動体(6)の移動を制御する移動体制御装置であって、複数タイプのイベントの発生を判断可能なイベント発生判断部(22)と、制約条件を満たしつつ目的関数により求まる評価値を最大化または最小化することを目的とする、移動体の配送計画に係る組合せ最適化問題を生成する最適化問題生成部(24)と、組合せ最適化問題を解くことにより配送計画を計算する最適化問題実行部(30)と、を備え、最適化問題生成部は、イベント発生判断部が発生したと判断したイベントのタイプに応じて制約条件および目的関数を設定しなおすことにより組合せ最適化問題を更新し、最適化問題実行部は、更新された組合せ最適化問題を解くことにより配送計画を更新する。
【0007】
最適化問題生成部は、イベント発生判断部が判断したイベントのタイプに応じて制約条件および目的関数を設定しなおすことにより組合せ最適化問題を更新する。更新された組合せ最適化問題は、発生したイベントの内容が反映された問題となりうる。故に、更新された組合せ最適化問題を解くことによって生成される新たな配送計画は、現状に即したより効率的な配送計画となりうる。つまり、開示された移動体制御装置によれば、配送計画をより適切な配送計画へと更新可能となる。
【0008】
なお、上記および特許請求の範囲等における括弧内の参照番号は、後述する実施形態における具体的な構成との対応関係の一例を示すものにすぎず、技術的範囲を何ら制限するものではない。また、特に組み合わせに支障が生じなければ、特許請求の範囲において明示していない請求項同士の組み合わせも可能である。
【図面の簡単な説明】
【0009】
配送計画システムの全体構成を示す図である。
入力処理部の構成を示す図である。
最適化問題切替判断部の構成を示す図である。
記憶部の構成を示す図である。
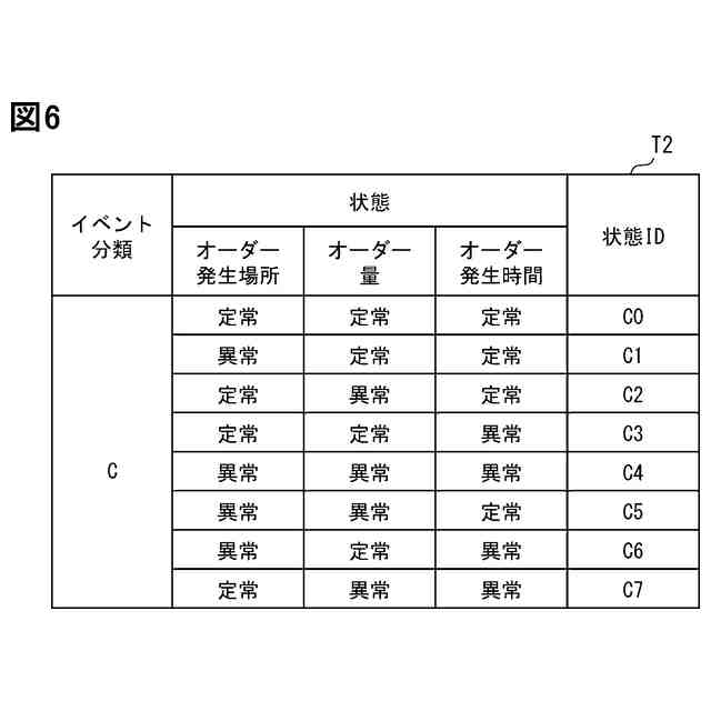
イベント発生判断部が発生を判断可能なイベントを示す表である。
イベント発生判断部が発生を判断可能なイベントを示す表である。
イベント発生判断部が発生を判断可能なイベントを示す表である。
新規のオーダーが発生したときの概要図である。
移動体に異常が発生したときのイベント概要図である。
オーダーの発生傾向に変更が生じたときのイベント概要を示す図である。
経路状態に変化が生じたときのイベント概要図である。
切り替え方の例を示す図である。
目的関数の例を示す図である。
制約条件の例を示す図である。
定期判断処理フローを示す図である。
イベント発生判断処理フローを示す図である。
問題実行処理フローを示す図である。
例1のイベントの概要図を示す。
例1のイベントにおける、目的関数および制約条件を示す表である。
例2のイベントの概要図を示す。
例2のイベントにおける、目的関数および制約条件を示す表である。
例3のイベントの概要図を示す。
例3のイベントにおける、目的関数および制約条件を示す表である。
例4のイベントの概要図を示す。
例4のイベントにおける、目的関数および制約条件を示す表である。
例5のイベントにおける、目的関数および制約条件を示す表である。
組合せ最適化問題の切り替え方の一例を示す図である。
組合せ最適化問題の切り替え方の他の例を示す図である。
組合せ最適化問題の切り替え方の他の例を示す図である。
【発明を実施するための形態】
【0010】
<配送計画システム>
図1に示す配送計画システム1は、経路上を移動する複数の移動体6の配送を計画するシステムである。配送計画システム1は、状況に応じて最適化問題(目的関数または評価値)を動的に変更し、配送計画を作成するシステムである。配送計画システム1は、管制装置2、移動体6、拠点7、および空間センサ8を有している。配送計画システム1は、移動体6の配送計画の作成に用いられる。管制装置2は、例えば物流センターに所属する複数台の運搬車両が物流センターを出発して複数の拠点7への荷物の配送または集荷を行う計画を作成する。拠点7とは、荷物の配送または集荷などのサービスを提供する場所である。配送計画システム1は、工場の生産ラインまたは倉庫などの中で物を運ぶ、AGV(Automatic Guided Vehicle)の配送計画の作成に用いられてよい。AGVとは、無人搬送車もしくは無人搬送ロボットである。
(【0011】以降は省略されています)
この特許をJ-PlatPat(特許庁公式サイト)で参照する
関連特許
個人
工程設計支援装置
1か月前
個人
地球保全システム
4日前
個人
フラワーコートA
1か月前
個人
冷凍食品輸出支援構造
1か月前
個人
為替ポイント伊達夢貯
1か月前
個人
携帯情報端末装置
1か月前
個人
表変換編集支援システム
24日前
個人
結婚相手紹介支援システム
1か月前
個人
知財出願支援AIシステム
1か月前
個人
パスワード管理支援システム
24日前
個人
行動時間管理システム
26日前
個人
AIによる情報の売買の仲介
1か月前
個人
パスポートレス入出国システム
1か月前
個人
海外支援型農作物活用システム
16日前
株式会社アジラ
進入判定装置
1か月前
株式会社キーエンス
受発注システム
3日前
個人
アンケート支援システム
2か月前
日本精機株式会社
施工管理システム
1か月前
個人
AIキャラクター制御システム
24日前
個人
システム及びプログラム
17日前
個人
食品レシピ生成システム
3日前
株式会社キーエンス
受発注システム
3日前
株式会社キーエンス
受発注システム
3日前
キヤノン株式会社
表示システム
3日前
個人
冷凍加工連携型農場運用システム
1か月前
個人
SaaS型勤務調整支援システム
24日前
個人
音声対話型帳票生成支援システム
24日前
サクサ株式会社
中継装置
2か月前
サクサ株式会社
中継装置
24日前
大阪瓦斯株式会社
住宅設備機器
1か月前
個人
人格進化型対話応答制御システム
24日前
大同特殊鋼株式会社
疵判定方法
10日前
個人
社会還元・施設向け供給支援構造
24日前
個人
ジェスチャーパッドのガイド部材
2か月前
個人
食事受注会計処理システム
1か月前
個人
未来型家系図構築システム
16日前
続きを見る
他の特許を見る