TOP
|
特許
|
意匠
|
商標
特許ウォッチ
Twitter
他の特許を見る
10個以上の画像は省略されています。
公開番号
2025134146
公報種別
公開特許公報(A)
公開日
2025-09-17
出願番号
2024031858
出願日
2024-03-04
発明の名称
定着装置
出願人
ブラザー工業株式会社
代理人
個人
,
個人
主分類
G03G
15/20 20060101AFI20250909BHJP(写真;映画;光波以外の波を使用する類似技術;電子写真;ホログラフイ)
要約
【課題】除電ブラシのすべての毛の挙動が安定する定着装置を提供する。
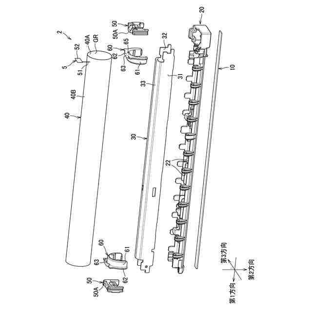
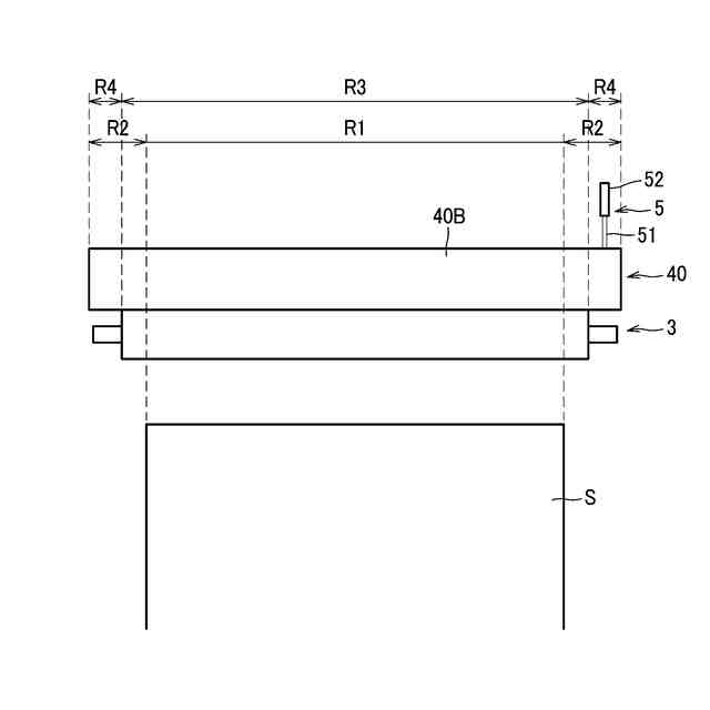
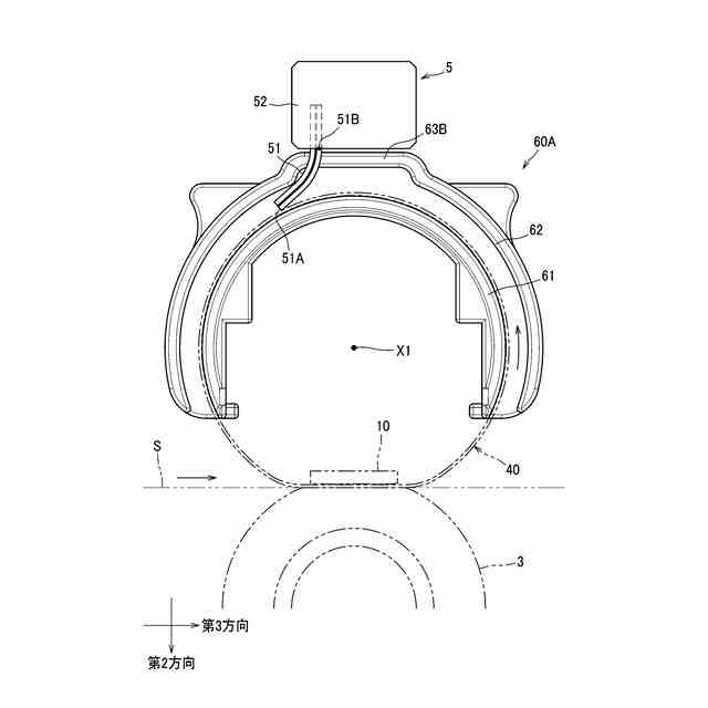
【解決手段】定着装置1は、ヒータ10と、ベルト40と、除電ブラシ5と、を備える。ベルト40は、無端状であり、ヒータ10の周りを回転する。除電ブラシ5では、ベルト40を除電する。除電ブラシ5は、先端51Aがベルト40の外周面40Bに接触する複数の毛51と、複数の毛51の基端51Bを保持する保持フレーム52とを有する。保持フレーム52は、ベルト40に接触する複数の毛51のすべてが、基端51Bから先端51Aに向かう方向がベルト40の回転方向に沿った方向を向くように、複数の毛51を保持している。
【選択図】図2
特許請求の範囲
【請求項1】
第1方向に延びるヒータと、
前記ヒータの周りを回転する無端状のベルトと、
前記ベルトを除電する除電ブラシであって、先端が前記ベルトの外周面に接触する複数の毛と、前記複数の毛の基端を保持する保持フレームとを有する除電ブラシと、を備え、
前記保持フレームは、前記ベルトに接触する前記複数の毛のすべてが、前記基端から前記先端に向かう方向が前記ベルトの回転方向に沿った方向を向くように、前記複数の毛を保持していることを特徴とする定着装置。
続きを表示(約 1,500 文字)
【請求項2】
前記ベルトと接触する加圧回転体であって、前記ベルトと共にシートを搬送する加圧回転体をさらに備え、
前記ベルトの外周面は、シートを搬送する場合にシートと接触する第1接触領域と、シートを搬送する場合にシートと接触しない第1非接触領域と、を有し、
前記複数の毛は、前記第1非接触領域に接触し、前記第1接触領域に接触しないことを特徴とする請求項1に記載の定着装置。
【請求項3】
前記ベルトと接触する加圧回転体であって、前記ベルトと共にシートを搬送する加圧回転体をさらに備え、
前記ベルトの外周面は、前記加圧回転体と接触する第2接触領域と、前記加圧回転体と接触しない第2非接触領域と、を有し、
前記複数の毛は、前記第2非接触領域に接触し、前記第2接触領域に接触しないことを特徴とする請求項1に記載の定着装置。
【請求項4】
前記ベルトは、基層と、前記基層を覆う表層であって、シートと接触する表層と、を有し、
前記複数の毛は、前記基層と接触し、前記表層と接触しないことを特徴とする請求項1に記載の定着装置。
【請求項5】
前記ベルトは、基層と、前記基層を覆う表層であって、シートと接触する表層と、前記表層と前記表層の間に位置する中間層と、を有し、
前記複数の毛は、前記基層と接触し、前記表層および前記中間層と接触しないことを特徴とする請求項1に記載の定着装置。
【請求項6】
前記ベルトの前記第1方向の端面と接触し、前記ベルトの前記第1方向の端面をガイドするサイドガイドをさらに備え、
前記サイドガイドは、
前記端面に接触して、前記ベルトの前記第1方向の移動を規制する端面ガイドと、
前記端面ガイドから前記第1方向に突出する規制リブであって、前記複数の毛と接触可能である規制リブと、を有することを特徴とする請求項1に記載の定着装置。
【請求項7】
前記ベルトの内周面の前記第1方向の端部と接触して前記ベルトの回転をガイドする内周ガイドをさらに備え
前記ベルトは、前記内周ガイドと接触する第3接触領域と、前記内周ガイドと接触しない第3非接触領域と、を有し、
前記複数の毛は、前記第3接触領域に接触し、前記第3非接触領域に接触しないことを特徴とする請求項1に記載の定着装置。
【請求項8】
前記ヒータと、前記ベルトと、を備える加熱回転体と、
前記ベルトと接触する加圧回転体であって、前記ベルトと共にシートを搬送する加圧回転体をさらに備え、
前記加熱回転体を前記加圧回転体に対して移動させる移動機構であって、前記加熱回転体と前記加圧回転体の間のニップ部における押圧力が第1押圧力となる第1位置と、前記ニップ部における押圧力が第1押圧力よりも小さい第2押圧力となる第2位置と、の間で前記加熱回転体を移動させる移動機構と、を備え、
前記ベルトに接触する前記複数の毛のすべては、前記第1位置および前記第2位置のいずれにおいても、前記基端から前記先端に向かう方向が前記ベルトの回転方向に沿った方向を向いていることを特徴とする請求項1に記載の定着装置。
【請求項9】
前記複数の毛の束は、前記第1方向よりも前記ベルトの回転方向に長いことを特徴とする請求項1に記載の定着装置。
【請求項10】
前記複数の毛の束は、前記ベルトの回転方向よりも前記第1方向に長いことを特徴とする請求項1に記載の定着装置。
(【請求項11】以降は省略されています)
発明の詳細な説明
【技術分野】
【0001】
本発明は、シートにトナー像を定着させる定着装置に関する。
続きを表示(約 1,200 文字)
【背景技術】
【0002】
シートにトナー像を定着させる定着装置が知られている(特許文献1参照)。この定着装置は、複数の毛を有する除電ブラシが配置されている。除電ブラシは、ベルトの外面に接触することで、ベルトを除電する。
【先行技術文献】
【特許文献】
【0003】
特開2022-171185号公報
【発明の概要】
【発明が解決しようとする課題】
【0004】
しかしながら、従来の定着装置の除電ブラシは、複数の毛の先端が向く方向が一定でなく、毛の挙動が安定していないという問題点があった。
【0005】
そこで、本発明は、除電ブラシのすべての毛の挙動が安定する定着装置を提供することを目的とする。
【課題を解決するための手段】
【0006】
前記課題を解決するため、本発明に係る定着装置は、ヒータと、ベルトと、除電ブラシと、を備える。
ヒータは、第1方向に延びている。ベルトは、ヒータの周りを回転する。ベルトは無端状である。除電ブラシでは、ベルトを除電する。除電ブラシは、先端がベルトの外周面に接触する複数の毛と、複数の毛の基端を保持する保持フレームとを有する。
保持フレームは、ベルトに接触する複数の毛のすべてが、基端から先端に向かう方向がベルトの回転方向に沿った方向を向くように、複数の毛を保持している。
【0007】
保持フレームは、ベルトに接触する複数の毛のすべてが、基端から先端に向かう方向がベルトの回転方向に沿った方向を向くように、複数の毛を保持しているため、除電ブラシのすべての毛の挙動が安定する。
【0008】
また、ベルトと接触する加圧回転体であって、ベルトと共にシートを搬送する加圧回転体をさらに備えていてもよい。そして、ベルトの外周面は、シートを搬送する場合にシートと接触する第1接触領域と、シートを搬送する場合にシートと接触しない第1非接触領域と、を有していてもよい。そして、複数の毛は、第1非接触領域に接触し、第1接触領域に接触しない構成であってもよい。
【0009】
除電ブラシの複数の毛が第1非接触領域に接触し、第1接触領域に接触しないので、仮に、複数の毛に異物が付着したとしても、異物がシートに付着することを抑制できる。
【0010】
また、ベルトと接触する加圧回転体であって、ベルトと共にシートを搬送する加圧回転体をさらに備えていてもよい。そして、ベルトの外周面は、加圧回転体と接触する第2接触領域と、加圧回転体と接触しない第2非接触領域と、を有していてもよい。そして、複数の毛は、第2非接触領域に接触し、第2接触領域に接触しない構成であってもよい。
(【0011】以降は省略されています)
この特許をJ-PlatPat(特許庁公式サイト)で参照する
関連特許
ブラザー工業株式会社
印刷装置
24日前
ブラザー工業株式会社
電子機器
6日前
ブラザー工業株式会社
スキャナ
27日前
ブラザー工業株式会社
印刷装置
12日前
ブラザー工業株式会社
スキャナ
27日前
ブラザー工業株式会社
画像形成装置
27日前
ブラザー工業株式会社
画像形成装置
27日前
ブラザー工業株式会社
画像形成装置
11日前
ブラザー工業株式会社
画像形成装置
11日前
ブラザー工業株式会社
画像形成装置
11日前
ブラザー工業株式会社
画像形成装置
11日前
ブラザー工業株式会社
画像形成装置
3日前
ブラザー工業株式会社
画像形成装置
27日前
ブラザー工業株式会社
シート給送装置
5日前
ブラザー工業株式会社
サポートプログラム
11日前
ブラザー工業株式会社
サポートプログラム
11日前
ブラザー工業株式会社
プリンタおよびプログラム
13日前
ブラザー工業株式会社
定着装置及び画像形成装置
3日前
ブラザー工業株式会社
プリンタおよびプログラム
13日前
ブラザー工業株式会社
インクジェット記録方法及び印刷物
26日前
ブラザー工業株式会社
画像形成方法及びそれに用いられる液体
27日前
ブラザー工業株式会社
画像形成装置、画像形成システム、消耗品
27日前
ブラザー工業株式会社
接着液、画像形成システム、及び画像形成方法
1か月前
ブラザー工業株式会社
プログラム、データ処理装置、および、データ処理方法
13日前
ブラザー工業株式会社
画像形成装置、画像形成プログラム、及び画像形成方法
1か月前
ブラザー工業株式会社
カセット
27日前
ブラザー工業株式会社
プリンタ
26日前
ブラザー工業株式会社
通信システム、サーバ、および、コンピュータプログラム
11日前
ブラザー工業株式会社
工作機械、工作機械の制御方法、及びコンピュータプログラム
1か月前
ブラザー工業株式会社
画像形成装置
17日前
ブラザー工業株式会社
ラベル巻付装置
27日前
ブラザー工業株式会社
タンクセット及び液体消費装置
3日前
ブラザー工業株式会社
情報処理プログラム、情報処理装置、情報処理方法、印刷プログラム、印刷装置、及び印刷方法
13日前
ブラザー工業株式会社
記録装置、記録装置用消耗品、及び情報処理方法
27日前
個人
表示装置
26日前
個人
雨用レンズカバー
24日前
続きを見る
他の特許を見る