TOP
|
特許
|
意匠
|
商標
特許ウォッチ
Twitter
他の特許を見る
10個以上の画像は省略されています。
公開番号
2025123629
公報種別
公開特許公報(A)
公開日
2025-08-25
出願番号
2024019179
出願日
2024-02-13
発明の名称
簡易建物
出願人
三協立山株式会社
代理人
個人
主分類
E04B
1/343 20060101AFI20250818BHJP(建築物)
要約
【課題】 簡易建物の施工性の向上。
【解決手段】 梁4と屋根1と屋根材支持金具7とを備え、屋根1は、形材よりなる屋根材8,8,…を梁下に梁4の長手方向に並べて配置してあり、前後方向の一方側が低くなるように傾斜しており、屋根材支持金具7は、複数に分割してあり、梁4の長手方向に通水部9となる間隔をあけて梁4に取付けてあり、各屋根材支持金具7に屋根材8,8,…が梁4の下面との間に隙間20をあけた状態で支持してある。
【選択図】 図5
特許請求の範囲
【請求項1】
梁と屋根と屋根材支持金具とを備え、屋根は、形材よりなる屋根材を梁下に梁の長手方向に並べて配置してあり、前後方向の一方側が低くなるように傾斜しており、屋根材支持金具は、複数に分割してあり、梁の長手方向に通水部となる間隔をあけて梁に取付けてあり、各屋根材支持金具に屋根材が梁の下面との間に隙間をあけた状態で支持してあることを特徴とする簡易建物。
発明の詳細な説明
【技術分野】
【0001】
本発明は、カーポート等の簡易建物に関する。
続きを表示(約 2,300 文字)
【背景技術】
【0002】
従来より、住宅の敷地に設置されるカーポート等の簡易建物が知られている。かかる簡易建物においては、施工性の向上が求められている。
【発明の概要】
【発明が解決しようとする課題】
【0003】
本発明は以上に述べた実情に鑑み、簡易建物の施工性の向上を目的とする。
【課題を解決するための手段】
【0004】
上記の課題を達成するために請求項1記載の発明による簡易建物は、梁と屋根と屋根材支持金具とを備え、屋根は、形材よりなる屋根材を梁下に梁の長手方向に並べて配置してあり、前後方向の一方側が低くなるように傾斜しており、屋根材支持金具は、複数に分割してあり、梁の長手方向に通水部となる間隔をあけて梁に取付けてあり、各屋根材支持金具に屋根材が梁の下面との間に隙間をあけた状態で支持してあることを特徴とする。
【発明の効果】
【0005】
請求項1記載の発明による簡易建物は、梁と屋根と屋根材支持金具とを備え、屋根は、形材よりなる屋根材を梁下に梁の長手方向に並べて配置してあり、前後方向の一方側が低くなるように傾斜しており、屋根材支持金具は、複数に分割してあり、梁の長手方向に通水部となる間隔をあけて梁に取付けてあり、各屋根材支持金具に屋根材が梁の下面との間に隙間をあけた状態で支持してあることで、屋根の施工が容易であり、施工性を向上することができる。しかも、屋根材支持金具の通水部と、梁の下面と屋根材との間の隙間により、屋根の雨水を水下側にスムーズに流下させることができる。
【図面の簡単な説明】
【0006】
本発明の簡易建物の一実施形態を示す斜視図である。
同簡易建物の平面図である。
同簡易建物の側面図である。
図2のA-A断面図である。
図4の一部を拡大して示す縦断面図である。
図2のB-B断面図である。
図5のC-C断面図である。
補助樋を取付ける際の手順を順に示す斜視図である。
横樋の他の実施形態を示す屋根の縦断面図である。
横樋のさらに別の実施形態を示す屋根の縦断面図である。
【発明を実施するための形態】
【0007】
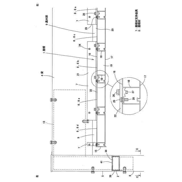
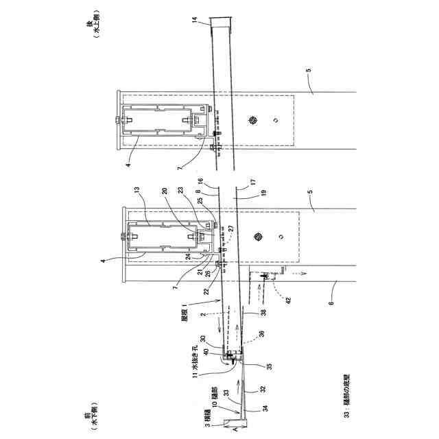
以下、本発明の実施の形態を図面に基づいて説明する。図1~7は、本発明の簡易建物の一実施形態を示している。本簡易建物は、住宅の敷地に設置される乗用車2台用のカーポートに適用したものであり、図1~4に示すように、左右の柱5,5の上部に梁4を架設した門型のフレームを前後方向に間隔をおいて2つ設けてあり、前後の梁4,4の下にまたがって屋根1が支持してある。屋根1は、図3に示すように、前側が低くなるように下向きに2°傾斜している。
【0008】
柱5は、図7に示すように、アルミニウム合金の押出形材で略矩形断面の中空状に形成されている。4本の柱のうち、左側の前側の柱5には、図1,7に示すように、前面にたて樋6が取付けてある。たて樋6は、アルミニウム合金の押出形材で略コ字型断面に形成され、左右の側面が柱5の左右の側面と面一で連続しており、柱5の前面に取付けた受け部品12に係合取付けされている。
梁4は、図6に示すように、アルミニウム合金の押出形材で略矩形断面の中空状に形成されており、長手方向の両端部を柱梁連結金具13により柱5の上端部に連結して支持してある。梁4は、図5に示すように、長手方向の両端部が屋根1よりも側方に張り出している。
【0009】
屋根1は、図1,2,4に示すように、アルミニウム合金の押出形材よりなる前後方向に長い一定の幅の屋根材8,8,…を、梁4の下に梁4の長手方向に多数並べて配置してある。屋根1の水下側(前側)の端部には横樋3が取付けてあり、屋根1の水上側(後側)の端部には後枠14が取付けてあり、屋根1の左右両側の端部には側枠15が取付けてある。
各屋根材8は、図5に示すように、上壁16と、下壁17と、上壁16と下壁17とを繋ぐ左右の連結壁18,18とを有し、中空部19を有するものとなっており、これを多数並べて配置することで、上壁16によりフラットな屋根面が形成され、下壁17によりフラットな天井面が形成される。すなわち屋根材8は、天井材を兼ねるものとなっている。屋根材8の厚みは、40mmとなっている。
【0010】
各屋根材8は、図4,5,6に示すように、梁4に取付けられる屋根材支持金具7を介して梁4の下面との間に隙間20をあけた状態で取付けられている。屋根材支持金具7は、図4,5に示すように、梁4の長手方向に複数に分割してあり、梁4の長手方向に通水部9となる間隔をあけて梁4に取付けてある。したがって、屋根1上に降った雨水は、通水部9を通って水上側から水下側に流下する。
屋根材支持金具7は、図5,6に示すように、梁4の前面に当接する見付壁21と、見付壁21の下端より前方に張り出して設けた支持片22と、梁4の下面に対向する見込壁23を有している。屋根材支持金具7は、見付壁21を梁4の前面に当接して前方からねじ24で固定するとともに、見込壁23を梁4の下面に当接して下方からボルト25で固定することで、前後方向及び上下方向に位置決めして取付けられる。支持片22には、上方からのボルト26で屋根材8を引き付けて固定される。
(【0011】以降は省略されています)
この特許をJ-PlatPat(特許庁公式サイト)で参照する
関連特許
三協立山株式会社
構造体
13日前
三協立山株式会社
構造体
13日前
三協立山株式会社
構造体
13日前
三協立山株式会社
構造体
13日前
三協立山株式会社
構造体
13日前
三協立山株式会社
構造体
13日前
三協立山株式会社
開口部装置
5日前
三協立山株式会社
開口部装置
17日前
三協立山株式会社
水耕栽培装置
3日前
三協立山株式会社
荷物昇降装置
13日前
三協立山株式会社
サッシの製造方法
1か月前
三協立山株式会社
構造体、構造体の製造方法
13日前
個人
接合構造
6日前
個人
タッチミー
5日前
個人
屋台
23日前
個人
野良猫ハウス
1か月前
個人
フェンス
1か月前
個人
転落防止用手摺
1か月前
個人
居住車両用駐車場
1か月前
個人
ベンリナアングル
5日前
ニチハ株式会社
建築板
1か月前
個人
地下型マンション
3か月前
個人
筋交自動設定装置
13日前
積水樹脂株式会社
柵体
1か月前
個人
熱抵抗多層断熱建材
1か月前
個人
鋼管結合資材
3か月前
個人
柵
2か月前
個人
補強部材
1か月前
個人
身体用シェルター
13日前
成友建設株式会社
建物
1か月前
個人
身体用シェルター
13日前
鹿島建設株式会社
壁体
1か月前
三協立山株式会社
構造体
13日前
イワブチ株式会社
組立柱
1か月前
三協立山株式会社
構造体
13日前
株式会社熊谷組
木質材料
23日前
続きを見る
他の特許を見る