TOP
|
特許
|
意匠
|
商標
特許ウォッチ
Twitter
他の特許を見る
10個以上の画像は省略されています。
公開番号
2025068413
公報種別
公開特許公報(A)
公開日
2025-04-28
出願番号
2023178309
出願日
2023-10-16
発明の名称
積層コイル部品
出願人
TDK株式会社
代理人
個人
,
個人
,
個人
主分類
H01F
17/04 20060101AFI20250421BHJP(基本的電気素子)
要約
【課題】コイル導体と端子電極との間の接続性向上が図られた積層コイル部品を提供する。
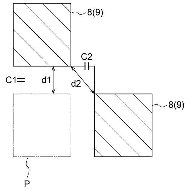
【解決手段】 積層コイル部品1を高周波回路に用いる場合、素体2内に生じた浮遊容量C1、C2に起因する共振が生じ得る。その自己共振周波数は素体2内に生じた浮遊容量の大きさに応じて変わるため、積層コイル部品1のように複数の第1ピラー部9の少なくとも一部を基準位置Pから第1方向D1にずれるように設計することで、自己共振周波数を調整することができる。または、複数の第2ピラー部10の少なくとも一部を基準位置Pから第1方向D1にずれるように設計することでも、自己共振周波数を調整することができる。
【選択図】図5
特許請求の範囲
【請求項1】
積層された複数の絶縁層で構成され、積層方向に対して交差する実装面を有する素体と、
前記素体の実装面に設けられ、前記実装面における第1方向において対向する一対の端子電極と、
前記素体内に設けられ、前記一対の端子電極と電気的に接続されるコイル導体と
を備え、
前記コイル導体は、
前記実装面に対して平行に延びる複数の第1配線部と、
前記第1配線部より前記実装面から遠い側において前記実装面に対して平行かつ前記第1方向に沿って延び、前記第1方向に関する一側に位置する第1端部と他側に位置する第2端部とを有するとともに、前記第1方向および前記積層方向に対して直交する第2方向に沿って並列された複数の第2配線部と、
前記複数の第2配線部の前記各第1端部から前記積層方向に沿って延びて前記複数の第1配線部にそれぞれ接続された複数の第1ピラー部と、
前記複数の第2配線部の前記各第2端部から前記積層方向に沿って延びて前記複数の第1配線部にそれぞれ接続された複数の第2ピラー部と
を含み、
前記積層方向から見て、前記複数の第1ピラー部および前記複数の第2ピラー部の少なくとも一方は、少なくとも一部が前記第2方向に並ぶ基準位置から前記第2方向に交差する方向にずれている、積層コイル部品。
続きを表示(約 860 文字)
【請求項2】
前記複数の第2配線部が、前記第1方向に関する長さが相対的に長い複数の長尺配線部と、前記第1方向に関する長さが相対的に短い複数の短尺配線部とを含み、前記第2方向に沿って前記長尺配線部と前記短尺配線部とが交互に並列されている、請求項1に記載の積層コイル部品。
【請求項3】
前記素体が、前記第2方向において対面する一対の側面を有し、前記短尺配線部が前記側面に最も近接している、請求項2に記載の積層コイル部品。
【請求項4】
前記素体が、前記第2方向において対面する一対の側面を有し、前記長尺配線部が前記側面に最も近接している、請求項2に記載の積層コイル部品。
【請求項5】
前記複数の長尺配線部が前記第1方向に関して同じ長さを有し、かつ、前記複数の短尺配線部が前記第1方向に関して同じ長さを有する、請求項2~4のいずれか一項に記載の積層コイル部品。
【請求項6】
前記第2配線部の前記短尺配線部を含む前記コイル導体の1ターンの開口が、前記第2配線部の前記長尺配線部を含む前記コイル導体の1ターンの開口より小さい、請求項2~4のいずれか一項に記載の積層コイル部品。
【請求項7】
前記複数の第2配線部は、前記第1方向に関して同じ長さを有する、請求項1に記載の積層コイル部品。
【請求項8】
前記積層方向から見て、前記複数の第1ピラー部および前記複数の第2ピラー部の少なくとも一方は、少なくとも一部が前記第2方向に並ぶ基準位置から、前記第1ピラー部および前記第2ピラー部の前記第1方向に関する長さ以上前記第1方向にずれている、請求項1に記載の積層コイル部品。
【請求項9】
前記積層方向に対して直交する断面において、前記ピラー部および第2ピラー部の少なくとも一方は、前記第1方向に沿って延びる2辺と前記第2方向に沿って延びる2辺とで画成された矩形状断面を有する、請求項1に記載の積層コイル部品。
発明の詳細な説明
【技術分野】
【0001】
本発明は、積層コイル部品に関する。
続きを表示(約 1,400 文字)
【背景技術】
【0002】
従来の積層コイル部品として、たとえば特許文献1に記載されたものが知られている。特許文献1に記載の積層コイル部品は、積層方向において対面する実装面及び主面を有する素体と、素体内に配置されているコイル導体と、素体の実装面に配置されている一対の端子電極とを備えている。コイル導体は、主面側に配置された配線部と、実装面側に配置された配線部と、積層方向に延びて主面側と実装面側の配線部同士を接続するピラー部とを有する。
【0003】
上述した積層コイル部品には素体内に浮遊容量が生じ、高周波回路に適用した場合には所定の自己共振周波数(SRF)において共振することが知られている。
【先行技術文献】
【特許文献】
【0004】
特開2015-141945号公報
【発明の概要】
【発明が解決しようとする課題】
【0005】
発明者らは、積層コイルにおける自己共振周波数について研究を重ね、自己共振周波数を調整することができる技術を新たに見いだした。
【0006】
本発明は、自己共振周波数を調整することができる積層コイル部品を提供することを目的とする。
【課題を解決するための手段】
【0007】
本発明の一側面に係る積層コイル部品では、積層された複数の絶縁層で構成され、積層方向に対して交差する実装面を有する素体と、素体の実装面に設けられ、実装面における第1方向において対向する一対の端子電極と、素体内に設けられ、一対の端子電極と電気的に接続されるコイル導体とを備え、コイル導体は、実装面に対して平行に延びる複数の第1配線部と、第1配線部より実装面から遠い側において実装面に対して平行かつ第1方向に沿って延び、第1方向に関する一側に位置する第1端部と他側に位置する第2端部とを有するとともに、第1方向および積層方向に対して直交する第2方向に沿って並列された複数の第2配線部と、複数の第2配線部の各第1端部から積層方向に沿って延びて複数の第1配線部にそれぞれ接続された複数の第1ピラー部と、複数の第2配線部の各第2端部から積層方向に沿って延びて複数の第1配線部にそれぞれ接続された複数の第2ピラー部とを含み、積層方向から見て、複数の第1ピラー部および複数の第2ピラー部の少なくとも一方は、少なくとも一部が第2方向に並ぶ基準位置から第2方向に交差する方向にずれている。
【0008】
上記積層コイル部品においては、複数の第1ピラー部の少なくとも一部が第2方向に並ぶ基準位置から第2方向に交差する方向にずれている、または、複数の第2ピラー部の少なくとも一部が第2方向に並ぶ基準位置から第2方向に交差する方向にずれていることで、隣り合うピラー部の離間距離に変更が加えられており、それにより自己共振周波数の調整が図られている。
【0009】
他の側面に係る積層コイル部品は、複数の第2配線部が、第1方向に関する長さが相対的に長い複数の長尺配線部と、第1方向に関する長さが相対的に短い複数の短尺配線部とを含み、第2方向に沿って長尺配線部と短尺配線部とが交互に並列されている。
【0010】
他の側面に係る積層コイル部品は、素体が、第2方向において対面する一対の側面を有し、短尺配線部が側面に最も近接している。
(【0011】以降は省略されています)
この特許をJ-PlatPat(特許庁公式サイト)で参照する
関連特許
TDK株式会社
電子部品
28日前
TDK株式会社
電子部品
27日前
TDK株式会社
フィルタ
28日前
TDK株式会社
電子部品
28日前
TDK株式会社
圧電素子
28日前
TDK株式会社
電子部品
27日前
TDK株式会社
電子部品
23日前
TDK株式会社
コイル部品
27日前
TDK株式会社
コイル装置
27日前
TDK株式会社
コイル装置
27日前
TDK株式会社
コイル装置
27日前
TDK株式会社
コイル装置
27日前
TDK株式会社
コイル部品
27日前
TDK株式会社
コイル部品
28日前
TDK株式会社
熱処理容器
16日前
TDK株式会社
磁気センサ
28日前
TDK株式会社
ガスセンサ
29日前
TDK株式会社
コイル部品
1か月前
TDK株式会社
圧力センサ
1か月前
TDK株式会社
積層型分波器
29日前
TDK株式会社
電磁波センサ
29日前
TDK株式会社
電子デバイス
27日前
TDK株式会社
電子デバイス
27日前
TDK株式会社
積層コイル部品
27日前
TDK株式会社
積層コイル部品
28日前
TDK株式会社
積層型電子部品
28日前
TDK株式会社
積層型コイル部品
1か月前
TDK株式会社
積層型フィルタ装置
29日前
TDK株式会社
フェライト焼結磁石
27日前
TDK株式会社
アンテナモジュール
7日前
TDK株式会社
圧電アクチュエータ
1か月前
TDK株式会社
配線体、及び表示装置
27日前
TDK株式会社
配線体、及び表示装置
27日前
TDK株式会社
配線体、及び表示装置
27日前
TDK株式会社
メタサーフェスレンズ
27日前
TDK株式会社
圧力センサ用金属部材
27日前
続きを見る
他の特許を見る