TOP
|
特許
|
意匠
|
商標
特許ウォッチ
Twitter
他の特許を見る
10個以上の画像は省略されています。
公開番号
2025014384
公報種別
公開特許公報(A)
公開日
2025-01-30
出願番号
2023116894
出願日
2023-07-18
発明の名称
MEMSデバイス
出願人
ローム株式会社
代理人
個人
,
個人
主分類
G01C
19/5621 20120101AFI20250123BHJP(測定;試験)
要約
【課題】角加速度の検出精度を向上させる。
【解決手段】
MEMSデバイス1のセンサ部3は、連結されて逆位相でY方向に加振される第1及び第2駆動フレーム20、30、第1及び第2駆動フレーム20、30にX方向に変位可能に連結された第1及び第2検出フレーム40、50、第1及び第2固定フレーム60、70、第1及び第2検出フレーム40、50から延びる第1及び第2可動電極子45、55、第1固定フレーム60から延びて第1可動電極子45にX1側、X2側に対向する第1及び第2固定電極子66、67、第2固定フレーム70から延びて第2可動電極子55にX1側、X2側に対向する第3及び第4固定電極子76、77を備え、第1及び第2固定電極子66、67は第1固定フレーム60にIJ6を介して連結され、第3及び第4固定電極子76、77は第2固定フレーム70にIJ6を介して連結されている。
【選択図】図1
特許請求の範囲
【請求項1】
第1主面及び前記第1主面に対向する第2主面を含む基板と、前記基板に対して前記第1主面から前記第2主面側へ凹んだ凹部と、前記凹部内に位置するセンサ部とを備えた、MEMSデバイスであって、
前記センサ部は、
第1方向に加振される、第1駆動フレームと、
前記第1駆動フレームに対して連結スプリングを介して機械的に接続されて、前記第1駆動フレームとは逆位相で前記第1方向に加振される、第2駆動フレームと、
前記第1駆動フレームに対して第1駆動スプリングを介して機械的に接続されて、前記第1駆動フレームと共に前記第1方向に変位可能であり、前記第1駆動フレームに対して前記第1方向とは直交する第2方向に変位可能である、第1検出フレームと、
前記第2駆動フレームに対して第2駆動スプリングを介して機械的に接続されて、前記第2駆動フレームと共に前記第1方向に変位可能であり、前記第2駆動フレームに対して前記第2方向に変位可能である、第2検出フレームと、
前記凹部を画定する壁面に対して移動不能に支持された、第1固定フレームと、
前記凹部を画定する壁面に対して移動不能に支持された、第2固定フレームと、
前記第1駆動フレームを、静電引力により前記第1方向に加振する、第1加振部と、
前記第2駆動フレームを、静電引力により前記第1方向に、前記第1加振部による加振とは逆位相で加振する、第2加振部と、
前記第1検出フレームから前記第1方向に延びる、第1可動電極子と、
前記第2検出フレームから前記第1方向に延びており、前記第1可動電極子に対して電気的に絶縁された、第2可動電極子と、
前記第1固定フレームから前記第1方向に延びており、前記第1可動電極子に対して前記第2方向の第1側から対向する、第1固定電極子と、
前記第1固定フレームから前記第1方向に延びており、前記第1可動電極子に対して前記第2方向において第1側とは反対である第2側から対向しており、前記第1固定電極子に対して電気的に絶縁された、第2固定電極子と、
前記第2固定フレームから前記第1方向に延びており、前記第2可動電極子に対して前記第2方向の前記第1側から対向しており、前記第1固定電極子と同電位である、第3固定電極子と、
前記第2固定フレームから前記第1方向に延びており、前記第2可動電極子に対して前記第2方向の前記第2側から対向しており、前記第2固定電極子と同電位である、第4固定電極子と、
を有しており、
前記第1固定電極子及び前記第2固定電極子はそれぞれ、前記第1固定フレームに対して、アイソレーションジョイントを介して連結されており、ここで前記アイソレーションジョイントは2つの部材を電気的に絶縁しつつ機械的に連結するものであり、
前記第3固定電極子及び前記第4固定電極子はそれぞれ、前記第2固定フレームに対して、前記アイソレーションジョイントを介して連結されている、MEMSデバイス。
続きを表示(約 1,900 文字)
【請求項2】
前記第1駆動フレームの前記第1方向の変位を検出する、第1変位検出部と、
前記第2駆動フレームの前記第1方向の変位を検出する、第2変位検出部と
をさらに備えた、請求項1に記載のMEMSデバイス。
【請求項3】
前記第1駆動フレームは、前記第1固定電極子と同電位であり、
前記第2駆動フレームは、前記第2固定電極子と同電位であり、
前記連結スプリングは、
前記第1駆動フレームに接続される第1連結スプリングと、
前記第2駆動フレームに接続される第2連結スプリングと
前記第1連結スプリングと前記第2連結スプリングとを連結する前記アイソレーションジョイントと
を有する、
請求項1又は2に記載のMEMSデバイス。
【請求項4】
前記第1検出フレームに対して前記アイソレーションジョイントを介して連結された、第3検出フレームと、
前記第2検出フレームに対して前記アイソレーションジョイントを介して連結された、第4検出フレームと、
前記第3検出フレームから前記第1方向に延びており、前記第2可動電極子と同電位である、第3可動電極子と、
前記第4検出フレームから前記第1方向に延びており、前記第3可動電極子に対して電気的に絶縁されており、前記第1可動電極子と同電位である、第4可動電極子と、
前記第1固定フレームから前記第1方向に延びており、前記第3可動電極子に対して前記第2方向の前記第2側から対向しており、前記第1固定電極子と同電位である、第5固定電極子と、
前記第1固定フレームから前記第1方向に延びており、前記第3可動電極子に対して前記第2方向の前記第1側から対向しており、前記第5固定電極子に対して電気的に絶縁されており、前記第2固定電極子と同電位である、第6固定電極子と、
前記第2固定フレームから前記第1方向に延びており、前記第4可動電極子に対して前記第2方向の前記第2側から対向しており、前記第5固定電極子と同電位である、第7固定電極子と、
前記第2固定フレームから前記第1方向に延びており、前記第4可動電極子に対して前記第2方向の前記第1側から対向しており、前記第6固定電極子と同電位である、第8固定電極子と、
を備えており、
前記第5固定電極子及び前記第6固定電極子はそれぞれ、前記第1固定フレームに対して前記アイソレーションジョイントを介して連結されており、
前記第7固定電極子及び前記第8固定電極子はそれぞれ、前記第2固定フレームに対して前記アイソレーションジョイントを介して連結されている、
請求項1又は2に記載のMEMSデバイス。
【請求項5】
前記第1駆動フレームと前記第2駆動フレームとは、同電位である、
請求項4に記載のMEMSデバイス。
【請求項6】
前記第1可動電極子は、前記第3可動電極子に対して前記第2方向の前記第1側に位置しており、
前記第2可動電極子は、前記第4可動電極子に対して前記第2方向の前記第1側に位置している、
請求項4に記載のMEMSデバイス。
【請求項7】
前記第1可動電極子は、前記第4可動電極子に対して前記センサ部の前記第1方向及び前記第2方向における中心に対して点対称に配置されており、
前記第2可動電極子は、前記第3可動電極子に対して前記センサ部の前記中心に対して点対称に配置されている、
請求項6に記載のMEMSデバイス。
【請求項8】
前記第1固定フレームは、前記第1検出フレームの前記第1方向における第1側に位置しており、
前記第1固定電極子及び前記第2固定電極子は、前記第1固定フレームから前記第1方向における前記第1側とは反対側の第2側に延びており、
前記第1固定電極子及び前記第2固定電極子の先端と前記第1検出フレームとの間に、前記第1固定フレームと同電位である、ストッパ部を有する、
請求項1又は2に記載のMEMSデバイス。
【請求項9】
前記ストッパ部は、前記第1固定フレームから前記第1方向の前記第2側に延びるストッパ支持部に支持されている、
請求項8に記載のMEMSデバイス。
【請求項10】
前記ストッパ支持部は、前記第1固定電極子と前記第2固定電極子との間に位置している、
請求項9に記載のMEMSデバイス。
(【請求項11】以降は省略されています)
発明の詳細な説明
【技術分野】
【0001】
本発明はMEMSデバイスに関する。
続きを表示(約 2,900 文字)
【背景技術】
【0002】
半導体微細加工技術を用いて製造されるMEMS(Micro Electro Mechanical System)デバイスが知られている。MEMSデバイスとして、特許文献1には静電容量型のMEMSジャイロセンサ(以下、ジャイロセンサと称する)が開示されている。
【0003】
ジャイロセンサでは、第1方向に振動する素子に対して第1方向に平行な面内方向に角加速度が作用するとき、素子はコリオリ力によって第1方向に直交する第2方向に変位し、該素子の第2方向への変位が静電容量の変化として検出され、該変化に基づいて素子に作用する角加速度が検出される。
【先行技術文献】
【特許文献】
【0004】
WO2012/002514A1
【0005】
[概要]
ジャイロセンサが、互いにスプリングで第1方向に連結された一対のマスを有する場合がある。このとき、一対のマスはスプリングで機械的に連結されているので、互いに逆位相で振動するが、スプリングを介して互いに電気的に導通するため同電位となる。この結果、この互いにスプリングで連結された一対のマスを有するジャイロセンサでは、角加速度の作用時に2つの対称的な出力電圧を得ることができず差動回路を構成できない。
【0006】
ジャイロセンサにおいて、互いに機械的に連結していない2つのマスを互いに逆位相で振動させることによって、角加速度の作用時に2つの対称的な出力電圧を得ることも考えられる。しかしながら、2つのマスが機械的に連結されていない場合、2つのマスを精度よく同期させて逆位相で振動させることは容易ではないので、得られる2つの出力電圧は完全に逆位相に揃えにくい。その結果、この2つの出力電圧に基づいてもコモンモードノイズが打ち消されない場合があり、角加速度の算出精度を向上させにくい。
【0007】
本開示の一態様に係るMEMSデバイスは、
第1主面及び前記第1主面に対向する第2主面を含む基板と、前記基板に対して前記第1主面から前記第2主面側へ凹んだ凹部と、前記凹部内に位置するセンサ部とを備えた、MEMSデバイスであって、
前記センサ部は、
第1方向に加振される、第1駆動フレームと、
前記第1駆動フレームに対して連結スプリングを介して機械的に接続されて、前記第1駆動フレームとは逆位相で前記第1方向に加振される、第2駆動フレームと、
前記第1駆動フレームに対して第1駆動スプリングを介して機械的に接続されて、前記第1駆動フレームと共に前記第1方向に移動可能であり、前記第1駆動フレームに対して前記第1方向とは直交する第2方向に移動可能である、第1検出フレームと、
前記第2駆動フレームに対して第2駆動スプリングを介して機械的に接続されて、前記第2駆動フレームと共に前記第1方向に移動可能であり、前記第2駆動フレームに対して前記第2方向に移動可能である、第2検出フレームと、
前記凹部を画定する壁面に対して移動不能に支持された、第1固定フレームと、
前記凹部を画定する壁面に対して移動不能に支持された、第2固定フレームと、
前記第1駆動フレームを、静電引力により前記第1方向に加振する、第1駆動部と、
前記第2駆動フレームを、静電引力により前記第1方向に、前記第1駆動部による加振とは逆位相で加振する、第2駆動部と、
前記第1検出フレームから前記第1方向に延びる、第1可動電極子と、
前記第2検出フレームから前記第1方向に延びており、前記第1可動電極子に対して電気的に絶縁された、第2可動電極子と、
前記第1固定フレームから前記第1方向に延びており、前記第1可動電極子に対して前記第2方向の第1側から対向する、第1固定電極子と、
前記第1固定フレームから前記第1方向に延びており、前記第1可動電極子に対して前記第2方向において第1側とは反対である第2側から対向しており、前記第1固定電極子に対して電気的に絶縁された、第2固定電極子と、
前記第2固定フレームから前記第1方向に延びており、前記第2可動電極子に対して前記第2方向の前記第1側から対向しており、前記第1固定電極子と同電位である、第3固定電極子と、
前記第2固定フレームから前記第1方向に延びており、前記第2可動電極子に対して前記第2方向の前記第2側から対向しており、前記第2固定電極子と同電位である、第4固定電極子と、
を有しており、
前記第1固定電極子及び前記第2固定電極子はそれぞれ、前記第1固定フレームに対して、アイソレーションジョイントを介して連結されており、ここで前記アイソレーションジョイントは2つの部材を電気的に絶縁しつつ機械的に連結するものであり、
前記第3固定電極子及び前記第4固定電極子はそれぞれ、前記第2固定フレームに対して、前記アイソレーションジョイントを介して連結されている。
【図面の簡単な説明】
【0008】
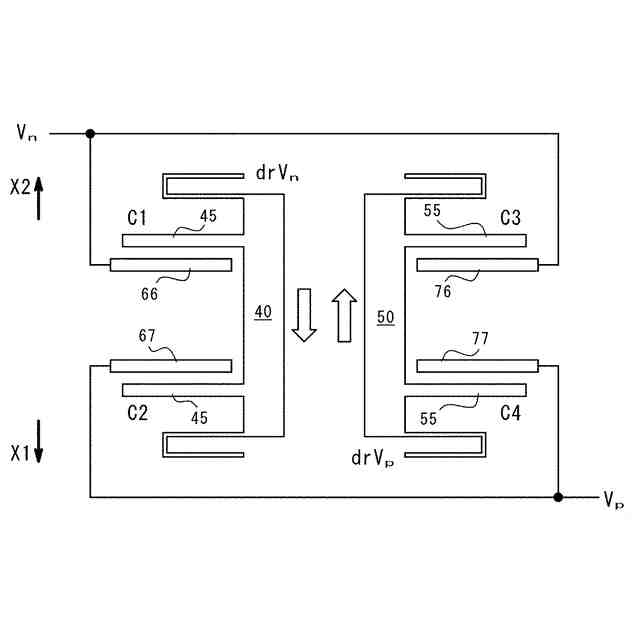
図1は本発明の第1実施形態に係るMEMSデバイスを概略的に示す斜視図である。
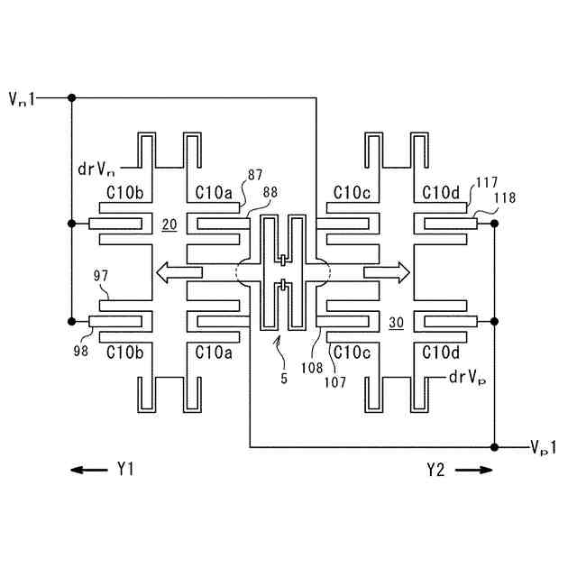
図2はセンサ部を概略的に示す平面図である。
図3はセンサ部を簡略化して示す構成図である。
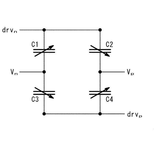
図4は図3の等価回路図である。
図5は変位検出部を簡略化して示す構成図である。
図6は図5の等価回路図である。
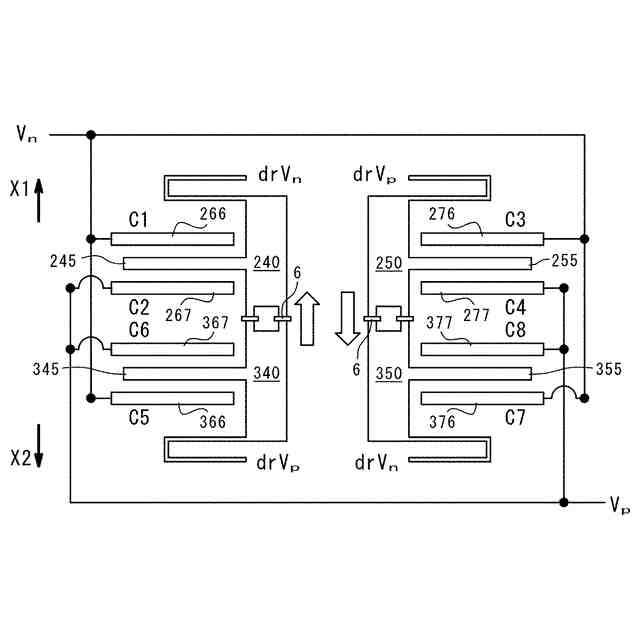
図7は本発明の第2実施形態に係るセンサ部を概略的に示す平面図である。
図8はセンサ部を簡略化して示す構成図である。
図9は図8の等価回路図である。
図10は変位検出部を簡略化して示す構成図である。
図11は図10の等価回路図である。
図12は変形例に係るセンサ部を概略的に示す平面図である。
図13は更なる変形例に係るセンサ部を概略的に示す平面図である。
【0009】
[詳細な説明]
以下、本開示の一実施形態に係るMEMSデバイスを添付図面に従って説明する。なお、以下の説明は、本質的に例示に過ぎず、本開示、その適用物、あるいは、その用途を制限することを意図するものではない。また、図面は模式的なものであり、各寸法の比率等は現実のものとは相違している。
【0010】
[第1実施形態]
図1~図6を参照して、本開示の第1実施形態に係るMEMSデバイス1を説明する。図1はMEMSデバイス1を示す斜視図である。以下の説明では、MEMSデバイス1の各辺に沿った方向のうち、図1の左右方向をY方向、上下方向をZ方向、Y方向及びZ方向に直交する方向をX方向と称する。特に、図1における、右斜め上側をX1側、左斜め下側をX2側、左側をY1側、右側をY2側、上側をZ1側、及び下側をZ2側とそれぞれ称する。
(【0011】以降は省略されています)
この特許をJ-PlatPat(特許庁公式サイト)で参照する
関連特許
ローム株式会社
半導体装置
10日前
ローム株式会社
半導体装置
1か月前
ローム株式会社
半導体装置
10日前
ローム株式会社
半導体装置
10日前
ローム株式会社
半導体装置
26日前
ローム株式会社
半導体装置
26日前
ローム株式会社
半導体装置
1か月前
ローム株式会社
半導体装置
18日前
ローム株式会社
半導体装置
3日前
ローム株式会社
半導体装置
1か月前
ローム株式会社
電源制御装置
26日前
ローム株式会社
信号伝達装置
26日前
ローム株式会社
定電圧生成回路
10日前
ローム株式会社
半導体集積回路
10日前
ローム株式会社
半導体集積回路
11日前
ローム株式会社
定電圧生成回路
10日前
ローム株式会社
半導体モジュール
19日前
ローム株式会社
モータドライバ回路
26日前
ローム株式会社
比較回路、半導体装置
10日前
ローム株式会社
サーマルプリントヘッド
10日前
ローム株式会社
逐次比較型AD変換回路
18日前
ローム株式会社
半導体装置およびシステム
18日前
ローム株式会社
電源制御装置及び電源装置
3日前
ローム株式会社
監視回路及びレジスタ制御装置
10日前
ローム株式会社
昇圧型スイッチングレギュレータ
12日前
ローム株式会社
電源制御装置、スイッチング電源
3日前
ローム株式会社
信号受信装置、IC及び電気機器
24日前
ローム株式会社
電圧調整装置及び電荷蓄積システム
12日前
ローム株式会社
モータドライバ回路および駆動方法
11日前
ローム株式会社
半導体装置および半導体装置の製造方法
11日前
ローム株式会社
検出回路、信号伝達装置、電子機器、車両
10日前
ローム株式会社
サーマルプリントヘッド及びその製造方法
10日前
ローム株式会社
半導体装置、および半導体装置の製造方法
10日前
ローム株式会社
力率改善回路、制御装置、および電子機器
1か月前
ローム株式会社
ドライバ、信号伝達装置、電子機器、車両
3日前
ローム株式会社
半導体装置、および半導体装置の製造方法
24日前
続きを見る
他の特許を見る