TOP
|
特許
|
意匠
|
商標
特許ウォッチ
Twitter
他の特許を見る
公開番号
2025166312
公報種別
公開特許公報(A)
公開日
2025-11-06
出願番号
2024070238
出願日
2024-04-24
発明の名称
開口部建材
出願人
三協立山株式会社
代理人
個人
主分類
E06B
7/22 20060101AFI20251029BHJP(戸,窓,シャッタまたはローラブラインド一般;はしご)
要約
【課題】 断熱性を向上させることのできる開口部建材の提供。
【解決手段】 上枠17と外障子12aと内障子12bを備え、上枠17は、外障子12a及び内障子12bの上部を案内する障子案内溝48a,48bを有し、室外側の障子案内溝48a内には、閉鎖した外障子12aが位置する範囲に障子案内溝48aの上部から垂下して外障子12aに当接する気密材67aを有し、室内側の障子案内溝48b内には、閉鎖した内障子12bが位置する範囲に障子案内溝48bの上部から垂下して内障子12bに当接する気密材67bを有するとともに、外障子12aの室内側に伝熱抑制部材70を設けて溝内の空間を狭めてある。
【選択図】 図1
特許請求の範囲
【請求項1】
上枠と外障子と内障子を備え、上枠は、外障子及び内障子の上部を案内する障子案内溝を有し、室外側の障子案内溝内には、閉鎖した外障子が位置する範囲に障子案内溝の上部から垂下して外障子に当接する気密材を有し、室内側の障子案内溝内には、閉鎖した内障子が位置する範囲に障子案内溝の上部から垂下して内障子に当接する気密材を有するとともに、外障子の室内側に伝熱抑制部材を設けて溝内の空間を狭めてあることを特徴とする開口部建材。
発明の詳細な説明
【技術分野】
【0001】
本発明は、建物の開口部に設置される開口部建材に関する。
続きを表示(約 1,900 文字)
【背景技術】
【0002】
従来より、建物の開口部に取付けた枠内に障子を摺動可能に設けた開口部建材が知られている。かかる開口部建材においては、断熱性の向上が求められている。
【発明の概要】
【発明が解決しようとする課題】
【0003】
本発明は以上に述べた実情に鑑み、断熱性を向上させることのできる開口部建材の提供を目的とする。
【課題を解決するための手段】
【0004】
上記の課題を達成するために請求項1記載の発明による開口部建材は、上枠と外障子と内障子を備え、上枠は、外障子及び内障子の上部を案内する障子案内溝を有し、室外側の障子案内溝内には、閉鎖した外障子が位置する範囲に障子案内溝の上部から垂下して外障子に当接する気密材を有し、室内側の障子案内溝内には、閉鎖した内障子が位置する範囲に障子案内溝の上部から垂下して内障子に当接する気密材を有するとともに、外障子の室内側に伝熱抑制部材を設けて溝内の空間を狭めてあることを特徴とする。
【発明の効果】
【0005】
請求項1記載の発明による開口部建材は、上枠と外障子と内障子を備え、上枠は、外障子及び内障子の上部を案内する障子案内溝を有し、室外側の障子案内溝内には、閉鎖した外障子が位置する範囲に障子案内溝の上部から垂下して外障子に当接する気密材を有し、室内側の障子案内溝内には、閉鎖した内障子が位置する範囲に障子案内溝の上部から垂下して内障子に当接する気密材を有するとともに、外障子の室内側に伝熱抑制部材を設けて溝内の空間を狭めてあることで、気密材により室外の冷気が室内に侵入するのを防げるとともに、伝熱抑制部材により室内の熱が上枠を伝って室外に逃げるのを抑制できるため、断熱性が向上する。
【図面の簡単な説明】
【0006】
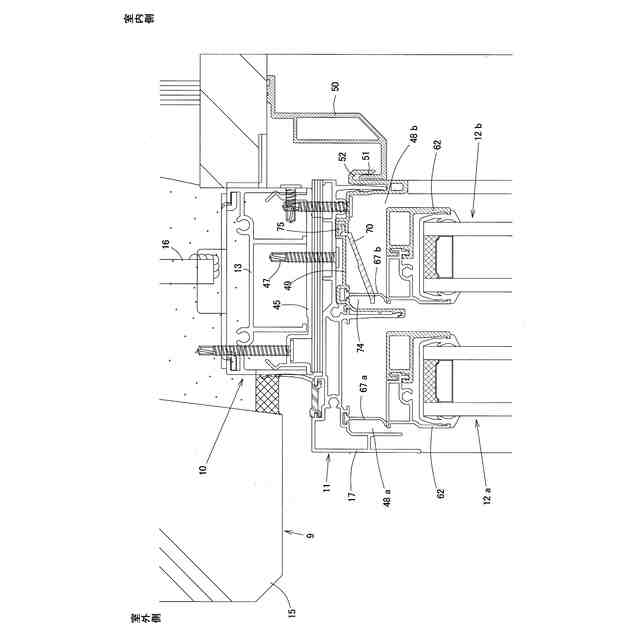
図2の上枠側を拡大して示す縦断面図である。
本発明の開口部建材の一実施形態を示す縦断面図である。
同開口部建材の横断面図である。
図2の下枠側を拡大して示す縦断面図である。
同開口部建材の上枠を下から見た図である。
本発明の開口部建材の他の実施形態を示す縦断面図である。
【発明を実施するための形態】
【0007】
以下、本発明の実施の形態を図面に基づいて説明する。図1~5は、本発明の開口部建材の一実施形態を示している。この開口部建材は、ビル用の改装サッシに適用したものであり、図2,3に示すように、建物の躯体開口部9に既に取付けられている窓枠(既設枠10)をそのまま残して、既設枠10の内周側に新しい窓枠(新設枠11)を設置し、新設枠11に新しい外障子12aと内障子12bを取付けて窓を改装するものである。
【0008】
既設枠10は、図2,3に示すように、既設下枠8と既設上枠13と左右の既設縦枠14,14を四方枠組みして構成してあり、各枠材8,13,14は躯体15にアンカー16で固定されている。
新設枠11は、新設下枠1と新設上枠17と左右の新設縦枠18,18を四方枠組みして構成してある。既設枠10と新設枠11は、いずれも引き違い窓用の窓枠となっている。
既設枠10は、見込寸法Dが70mmであるのに対し、新設枠の見込寸法Aは90~130mmと既設枠10よりも見込寸法が大きくなっており、それに伴って本開口部建材は断熱性能を向上させたものとなっている。
【0009】
外障子12aと内障子12bは、図2,3に示すように、上框62と下框63と戸先框60と召合せ框64とを枠組みし、その内側に複層ガラス65を嵌め込んで形成してある。各框62,63,60,64は、室外側に位置する金属形材(アルミ形材)68と室内側に位置する樹脂形材69とから成り、複層ガラス65を用いていることとあいまって、障子12a,12bは断熱性能の高いものとなっている。
【0010】
図2に示すように、既設上枠13の内周側には上枠補助材45が取付けてある。新設上枠17は、上枠補助材45との隙間にスペーサー46を適宜差し入れた上で、内周側からのねじ47で上枠補助材45に取付けてある。
新設上枠17は、内周側に向けて開口した略コ字型断面の外障子案内溝(室外側の障子案内溝)48aと内障子案内溝(室内側の障子案内溝)48bを有し、外障子案内溝48aに外障子12aの上部を、内障子案内溝48bに内障子12bの上部をそれぞれ案内してある。内障子案内溝48bは、樹脂製のカバー49で覆ってある。
(【0011】以降は省略されています)
この特許をJ-PlatPat(特許庁公式サイト)で参照する
関連特許
三協立山株式会社
構造体
今日
三協立山株式会社
構造体
1か月前
三協立山株式会社
構造体
1か月前
三協立山株式会社
構造体
1か月前
三協立山株式会社
構造体
1か月前
三協立山株式会社
構造体
1か月前
三協立山株式会社
構造体
1か月前
三協立山株式会社
構造体
16日前
三協立山株式会社
開口部装置
1か月前
三協立山株式会社
開口部建材
1日前
三協立山株式会社
上げ下げ窓
3日前
三協立山株式会社
開口部建材
1日前
三協立山株式会社
開口部装置
1か月前
三協立山株式会社
開口部装置
2か月前
三協立山株式会社
開口部装置
2か月前
三協立山株式会社
水耕栽培装置
29日前
三協立山株式会社
荷物昇降装置
1か月前
三協立山株式会社
バッテリーケース
15日前
三協立山株式会社
サッシの製造方法
1か月前
三協立山株式会社
構造体、構造体の製造方法
1か月前
三協立山株式会社
Mg合金、Mg合金の製造方法、及び、Mg合金を用いた土木材料及び生体材料
10日前
株式会社ESP
止水板
2か月前
株式会社ナカオ
作業台
1か月前
中国電力株式会社
脚立
2か月前
株式会社ニチベイ
遮蔽装置
8日前
三協立山株式会社
開口部装置
2か月前
三協立山株式会社
開口部装置
2か月前
三協立山株式会社
開口部装置
1か月前
三協立山株式会社
開口部装置
2か月前
三協立山株式会社
開口部建材
1日前
三協立山株式会社
開口部建材
1日前
三協立山株式会社
開口部装置
2か月前
三協立山株式会社
開口部装置
2か月前
ミサワホーム株式会社
水切り材
2か月前
不二サッシ株式会社
引違いサッシ
2か月前
文化シヤッター株式会社
止水装置
1か月前
続きを見る
他の特許を見る