TOP
|
特許
|
意匠
|
商標
特許ウォッチ
Twitter
他の特許を見る
10個以上の画像は省略されています。
公開番号
2025147962
公報種別
公開特許公報(A)
公開日
2025-10-07
出願番号
2024048493
出願日
2024-03-25
発明の名称
サーマルプリンター
出願人
セイコーエプソン株式会社
代理人
弁理士法人クシブチ国際特許事務所
主分類
B41J
2/32 20060101AFI20250930BHJP(印刷;線画機;タイプライター;スタンプ)
要約
【課題】容易にサーマルヘッドを切替えることができ、サーマルプリンターの利便性を向上させる。
【解決手段】プラテンとサーマルヘッドにより、ロール紙を所定の圧力で挟んで、前記ロール紙に熱を与えて文字や画像を形成するサーマルプリンターにおいて、複数台の前記サーマルヘッドを備え、複数台の前記サーマルヘッドのうちの何れか一台を、前記ロール紙への記録位置に択一的に移動させる切替え機構を備える。
【選択図】図3
特許請求の範囲
【請求項1】
プラテンとサーマルヘッドにより、ロール紙を所定の圧力で挟んで、前記ロール紙に熱を与えて文字や画像を形成するサーマルプリンターにおいて、
複数台の前記サーマルヘッドを備え、
複数台の前記サーマルヘッドのうちの何れか一台を、前記ロール紙への記録位置に択一的に移動させる切替え機構を備える、
サーマルプリンター。
続きを表示(約 880 文字)
【請求項2】
複数台の前記サーマルヘッドの機能が同一である、
請求項1に記載のサーマルプリンター。
【請求項3】
前記サーマルヘッドの発熱体の状態を診断する劣化診断装置を備え、
前記切替え機構は、
前記劣化診断装置により、前記発熱体がダメージを受けていると診断されたとき、他の前記サーマルヘッドに切替える、
請求項2に記載のサーマルプリンター。
【請求項4】
複数台の前記サーマルヘッドの仕様が異なり、
前記切替え機構は、
仕様に応じて、他の前記サーマルヘッドに切替える、
請求項1に記載のサーマルプリンター。
【請求項5】
前記切替え機構は、
複数台の前記サーマルヘッドを保持する第1ヘッド保持部材を備え、前記サーマルヘッドの切替え時には、前記第1ヘッド保持部材を回転させて、他の前記サーマルヘッドを前記ロール紙への記録位置に移動させる、
請求項1乃至4の何れか一項に記載のサーマルプリンター。
【請求項6】
前記切替え機構は、
複数台の前記サーマルヘッドを保持する第2ヘッド保持部材を備え、前記サーマルヘッドの切替え時には、前記第2ヘッド保持部材をスライドさせて、他の前記サーマルヘッドを前記ロール紙への記録位置に移動させる、
請求項1乃至4の何れか一項に記載のサーマルプリンター。
【請求項7】
前記第2ヘッド保持部材は、前記サーマルヘッドの位置決め部材を備える、
請求項6に記載のサーマルプリンター。
【請求項8】
ロール紙を収容する収容部と、収容部を開閉するプリンターカバーと、を備え、
前記プリンターカバーは、装置本体に対して開閉可能に取付られ、
前記プリンターカバーには、前記プラテンが配置されており、
前記サーマルヘッドは、前記プリンターカバーが開状態のときに切換え可能である、
請求項1に記載のサーマルプリンター。
発明の詳細な説明
【技術分野】
【0001】
本発明は、サーマルプリンターに関する。
続きを表示(約 1,700 文字)
【背景技術】
【0002】
特許文献1は、プラテンとサーマルヘッドにより、ロール紙を所定の圧力で挟んで、前記ロール紙に熱を与えて文字や画像を形成するサーマルプリンターを開示する。
【先行技術文献】
【特許文献】
【0003】
特開2020-116658号公報
【発明の概要】
【発明が解決しようとする課題】
【0004】
従来のサーマルプリンターは、サーマルヘッドの発熱体がダメージを受けた場合や、サーマルヘッドの仕様を変更する場合等、現状のサーマルヘッドを取り外して、新たなサーマルヘッドへの交換が必要になる。サーマルヘッドの仕様の変更は、例えば解像度の変更(203dpiから180dpiへの変更)や、印刷幅の変更(80mm幅から58mm幅への変更)等を含む。
【課題を解決するための手段】
【0005】
本開示のサーマルプリンターは、プラテンとサーマルヘッドにより、ロール紙を所定の圧力で挟んで、前記ロール紙に熱を与えて文字や画像を形成するサーマルプリンターにおいて、複数台の前記サーマルヘッドを備え、複数台の前記サーマルヘッドのうちの何れか一台を、前記ロール紙への記録位置に択一的に移動させる切替え機構を備える。
【図面の簡単な説明】
【0006】
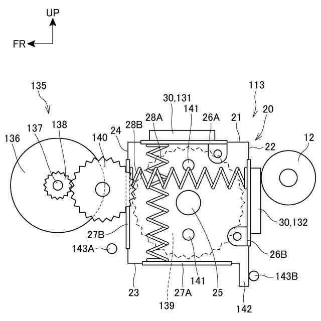
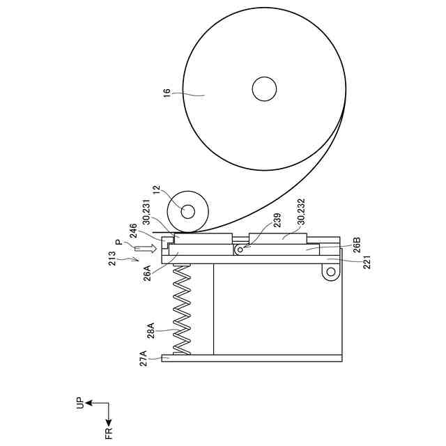
サーマルプリンターの断面図。
サーマルヘッドの劣化診断装置の一例を示す図。
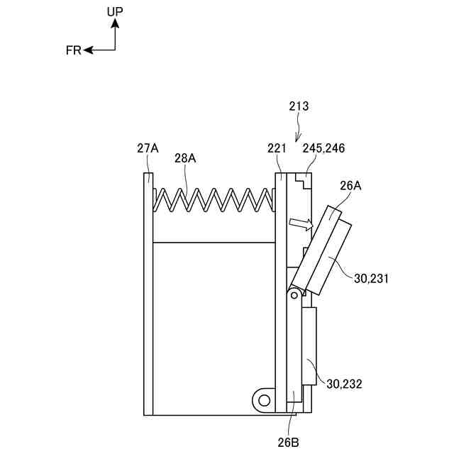
印字ユニットを模式的に示す側面図。
ヘッド保持部材の回転後の状態を示す図。
印字ユニットを模式的に示す側面図。
ヘッド保持部材の回転後の状態を示す図。
ヘッド保持部材を模式的に示す図。
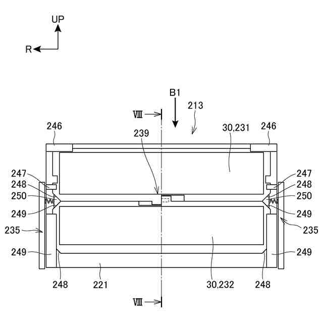
図7のVIII-VIII断面図。
ヘッド保持部材を模式的に示す図。
第1ヘッド取付板を取り外したヘッド保持部材を模式的に示す図。
印字ユニットを模式的に示す側面図。
ヘッド保持部材を模式的に示す図。
第1ヘッド保持部材を取り外した状態を示す図。
【発明を実施するための形態】
【0007】
以下、図面を参照して本開示の実施の形態について説明する。各図には、サーマルプリンター1の設置状態における方向を矢印で示している。符号UPは上方を示し、符号FRは前方を示し、符号Rは右方を示す。図示はないが、符号UPの反対方向は下方を示し、符号FRの反対方向は後方を示し、符号Rの反対方向は左方を示す。説明中、前後左右及び上下といった方向の記載は、特に記載がなければ、図1のサーマルプリンター1を基準とする。
【0008】
[1.実施の形態1]
[構成]
図1は、サーマルプリンター1の断面図であり、サーマルプリンター1を右から見た図である。また、図1のサーマルプリンター1は、後述するプリンターカバー11を開いた状態の図である。
【0009】
サーマルプリンター1は、プリンターケース10と、プリンターカバー11と、プリンターカバー11に設けられるプラテン12と、プリンターケース10に設けられるヘッド保持部材13と、を備える。プリンターケース10には、収容部15が設けられる。収容部15には、ロール紙16が配置される。プリンターカバー11は、一端がプリンターケース10に支持され、他端を上方に跳ね上げて開閉可能に形成される。プリンターカバー11の他端には、プラテン12が取り付けられる。
【0010】
プラテン12は、例えば、ゴム等の弾性部材により筒状に形成される。プラテン12には、プラテン12を回転させる動力部(図示無し)が接続される。プラテン12は、プリンターカバー11を閉じている際は、後述するヘッド保持部材13と共にロール紙16を挟んで保持する。サーマルプリンター1は、プリンターカバー11を開くことで、開口を形成し、ロール紙16の交換が可能となる。
(【0011】以降は省略されています)
この特許をJ-PlatPat(特許庁公式サイト)で参照する
関連特許
セイコーエプソン株式会社
接続方法
3日前
セイコーエプソン株式会社
印刷装置
3日前
セイコーエプソン株式会社
印刷装置
7日前
セイコーエプソン株式会社
印刷装置
7日前
セイコーエプソン株式会社
印刷装置
7日前
セイコーエプソン株式会社
記録装置
1日前
セイコーエプソン株式会社
印刷装置
7日前
セイコーエプソン株式会社
システム
1日前
セイコーエプソン株式会社
ロボット
7日前
セイコーエプソン株式会社
検査装置
1日前
セイコーエプソン株式会社
投射方法
3日前
セイコーエプソン株式会社
複写装置
1日前
セイコーエプソン株式会社
印刷装置
1日前
セイコーエプソン株式会社
電子時計
1日前
セイコーエプソン株式会社
液体収容体
1日前
セイコーエプソン株式会社
成形用材料
1日前
セイコーエプソン株式会社
成形用材料
1日前
セイコーエプソン株式会社
半導体装置
3日前
セイコーエプソン株式会社
成形用材料
1日前
セイコーエプソン株式会社
読み取り装置
3日前
セイコーエプソン株式会社
液体吐出装置
1日前
セイコーエプソン株式会社
液体吐出装置
1日前
セイコーエプソン株式会社
遠隔監視装置
1日前
セイコーエプソン株式会社
カートリッジ
1日前
セイコーエプソン株式会社
液体収容容器
2日前
セイコーエプソン株式会社
菌糸複合材料
2日前
セイコーエプソン株式会社
液体収容容器
7日前
セイコーエプソン株式会社
液体吐出装置
2日前
セイコーエプソン株式会社
液体吐出装置
1日前
セイコーエプソン株式会社
液体吐出装置
1日前
セイコーエプソン株式会社
液体吐出装置
2日前
セイコーエプソン株式会社
振動デバイス
今日
セイコーエプソン株式会社
権限管理装置
7日前
セイコーエプソン株式会社
投射型表示装置
1日前
セイコーエプソン株式会社
プロジェクター
7日前
セイコーエプソン株式会社
磁気流体組成物
2日前
続きを見る
他の特許を見る