TOP
|
特許
|
意匠
|
商標
特許ウォッチ
Twitter
他の特許を見る
公開番号
2025078582
公報種別
公開特許公報(A)
公開日
2025-05-20
出願番号
2024154300
出願日
2024-09-06
発明の名称
磁性異物粉分離装置及び磁性異物粉分離方法
出願人
学校法人 芝浦工業大学
,
国立大学法人 新潟大学
,
株式会社レゾナック
代理人
弁理士法人太陽国際特許事務所
主分類
B03C
1/0355 20060101AFI20250513BHJP(液体による,または,風力テーブルまたはジグによる固体物質の分離;固体物質または流体から固体物質の磁気または静電気による分離,高圧電界による分離)
要約
【課題】粉体に含まれる磁性異物粉の除去性が高い磁性異物粉分離装置及び磁性異物粉分離方法を提供する。
【解決手段】超伝導バルク磁石及び超伝導ソレノイド磁石からなる群より選択される少なくとも1つの磁石を含み、磁場を発生させる磁場発生部と、磁性異物粉を含む粉体が液状媒体に分散した分散液を流す管状の流路を有し、前記流路は、前記分散液が複数回前記磁場を直線状に通過するように配置された、流路部材と、を有する、磁性異物粉分離装置。
【選択図】図1
特許請求の範囲
【請求項1】
超伝導バルク磁石及び超伝導ソレノイド磁石からなる群より選択される少なくとも1つの磁石を含み、磁場を発生させる磁場発生部と、
磁性異物粉を含む粉体が液状媒体に分散した分散液を流す管状の流路を有し、前記流路は、前記分散液が複数回前記磁場を直線状に通過するように配置された、流路部材と、
を有する、磁性異物粉分離装置。
続きを表示(約 820 文字)
【請求項2】
前記流路における前記分散液の流れ方向に垂直な断面において、前記磁場の方向の最大高さが1.2mm~10mmである、請求項1に記載の磁性異物粉分離装置。
【請求項3】
前記磁場を通過する前の前記分散液に超音波を照射する超音波照射部をさらに有する、請求項1又は請求項2に記載の磁性異物粉分離装置。
【請求項4】
超伝導バルク磁石及び超伝導ソレノイド磁石からなる群より選択される少なくとも1つの磁石を含む磁場発生部から磁場を発生させることと、
磁性異物粉を含む粉体が液状媒体に分散した分散液が、複数回前記磁場を直線状に通過するように配置された管状の流路に、前記分散液を流すことと、
を有する、磁性異物粉分離方法。
【請求項5】
前記流路における前記分散液の流れ方向に垂直な断面において、前記磁場の方向の最大高さが1.2mm~10mmである、請求項4に記載の磁性異物粉分離方法。
【請求項6】
前記分散液の流速は、100cm/s以下である、請求項4又は請求項5に記載の磁性異物粉分離方法。
【請求項7】
前記磁場を通過する前の前記分散液に超音波を照射することをさらに有する、請求項4又は請求項5に記載の磁性異物粉分離方法。
【請求項8】
前記粉体を前記液状媒体に分散させて前記分散液を調製することをさらに有し、
前記分散液を調製してから前記分散液が前記磁場に最初に到達するまでの時間が500時間以下である、請求項4又は請求項5に記載の磁性異物粉分離方法。
【請求項9】
前記粉体を前記液状媒体に分散させて前記分散液を調製することをさらに有し、
前記分散液を調製してから前記分散液が前記磁場に最初に到達するまでの時間が500時間以下である、請求項7に記載の磁性異物粉分離方法。
発明の詳細な説明
【技術分野】
【0001】
本開示は、磁性異物粉分離装置及び磁性異物粉分離方法に関する。
続きを表示(約 2,600 文字)
【背景技術】
【0002】
半導体の実装において、半導体素子を封止する非導電性の封止材、熱伝導シート、放熱充填剤等の電子部品又はその基板に用いられる非導電性材料の絶縁性能は、原材料に含まれる主に鉄成分からなる導電性異物粉の存在によって劣化することがある。例えば導電性異物粉の存在は、素子回路間の短絡現象などにより品質保証上の問題の原因とされうる。半導体素子の回路幅は極めて細いことが多いため、これを電気的に架橋してしまう導電性異物は微細であっても可能な限り除去することが求められる。同様に層間絶縁膜における絶縁耐圧の低下は素子の信頼性を低下させることがある。
【0003】
しかし、通常の原材料として用いられる非導電性粉体材料の多くは、その製造過程で粉末化のために機械的な粉砕、金属網によるスクリーニング等、つまり、鉄、ステンレス等の導電性異物粒子の混入が生じやすい工程を経る。このため、高純度な非導電性粉体材料でも微量な導電性異物粒子を含むことが多い。
この非導電性粉体材料の品質向上のためには、原材料からの微量導電性異物粒子の分離除去が望まれる。これら導電性異物粒子の多くは鉄を主成分とする磁性導電体であり、非導電性材料の多くは非磁性粉体材料であることから、その除去には磁気によって分離する方法が有効である。
【0004】
非磁性の原材料から磁性異物粉を分離する従来技術には以下の例が提示されている。
一般的な粉体材料に対する磁気分離では、例えば永久磁石を内包する棒状の磁性物を、粉体の流動路中に配置して、その中の磁性物質を吸着させて保持し、ある時間経過後にこれを流路から取り出して、表面に吸着して堆積した磁性物あるいはその粉体をふき取るなどして除去する方法が実施されている(例えば特許文献1)。
また、特許文献2には、除鉄手段付ダイヘッド部でスラリー中に混入したFe系金属異物を除去する方法が記載されている。
【先行技術文献】
【特許文献】
【0005】
特開2009-269006号公報
特開2010-135238号公報
【発明の概要】
【発明が解決しようとする課題】
【0006】
非磁性材料として用いる非磁性粉体に磁性異物粉が含まれていると、微細で微量な磁性導電体である磁性異物粉は一般的に磁場吸着されにくいため、磁場を使った磁気分離法において、高い分離効率が望まれる。
本開示の一形態は、粉体に含まれる磁性異物粉の除去性が高い磁性異物粉分離装置及び磁性異物粉分離方法を提供することを目的とする。
【課題を解決するための手段】
【0007】
前記課題を達成するための具体的手段は以下の形態を含む。
<1>
超伝導バルク磁石及び超伝導ソレノイド磁石からなる群より選択される少なくとも1つの磁石を含み、磁場を発生させる磁場発生部と、
磁性異物粉を含む粉体が液状媒体に分散した分散液を流す管状の流路を有し、前記流路は、前記分散液が複数回前記磁場を直線状に通過するように配置された、流路部材と、
を有する、磁性異物粉分離装置。
<2>
前記流路における前記分散液の流れ方向に垂直な断面において、前記磁場の方向の最大高さが1.2mm~10mmである、<1>に記載の磁性異物粉分離装置。
<3>
前記磁場を通過する前の前記分散液に超音波を照射する超音波照射部をさらに有する、<1>又は<2>に記載の磁性異物粉分離装置。
<4>
超伝導バルク磁石及び超伝導ソレノイド磁石からなる群より選択される少なくとも1つの磁石を含む磁場発生部から磁場を発生させることと、
磁性異物粉を含む粉体が液状媒体に分散した分散液が、複数回前記磁場を直線状に通過するように配置された管状の流路に、前記分散液を流すことと、
を有する、磁性異物粉分離方法。
<5>
前記流路における前記分散液の流れ方向に垂直な断面において、前記磁場の方向の最大高さが1.2mm~10mmである、<4>に記載の磁性異物粉分離方法。
<6>
前記分散液の流速は、100cm/s以下である、<4>又は<5>に記載の磁性異物粉分離方法。
<7>
前記磁場を通過する前の前記分散液に超音波を照射することをさらに有する、<4>~<6>のいずれか1つに記載の磁性異物粉分離方法。
<8>
前記粉体を前記液状媒体に分散させて前記分散液を調製することをさらに有し、
前記分散液を調製してから前記分散液が前記磁場に最初に到達するまでの時間が500時間以下である、<4>~<7>のいずれか1つに記載の磁性異物粉分離方法。
【発明の効果】
【0008】
本開示の一形態によれば、粉体に含まれる磁性異物粉の除去性が高い磁性異物粉分離装置及び磁性異物粉分離方法が提供される。
【図面の簡単な説明】
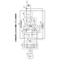
【0009】
第1実施形態の磁性異物粉分離装置の一例を示す概略構成図である。
図1の磁性異物粉分離装置における磁場発生部の磁極面近傍の拡大図である。
渦巻状の流路を有する流路部材を示す概略図である。
【発明を実施するための形態】
【0010】
本開示において「~」を用いて示された数値範囲には、「~」の前後に記載される数値がそれぞれ最小値及び最大値として含まれる。
本開示中に段階的に記載されている数値範囲において、一つの数値範囲で記載された上限値又は下限値は、他の段階的な記載の数値範囲の上限値又は下限値に置き換えてもよい。また、本開示中に記載されている数値範囲において、その数値範囲の上限値又は下限値は、試験例に示されている値に置き換えてもよい。
本開示において実施形態を図面を参照して説明する場合、当該実施形態の構成は図面に示された構成に限定されない。また、各図における部材の大きさは概念的なものであり、部材間の大きさの相対的な関係はこれに限定されない。
(【0011】以降は省略されています)
特許ウォッチbot のツイートを見る
この特許をJ-PlatPat(特許庁公式サイト)で参照する
関連特許
東ソー株式会社
アクチノイド吸着剤
2か月前
学校法人 芝浦工業大学
水力発電システムおよびこれに用いる電力変換装置、発電出力制御方法
1か月前
地方独立行政法人神奈川県立産業技術総合研究所
測定装置、測定方法及びプログラム
1か月前
関東電化工業株式会社
パーフルオロポリフェニレン系化合物、該化合物の製造方法、及び該化合物を含む青色蛍光材料
1か月前
国立大学法人東京海洋大学
マイクロプラスチック含有水濃縮装置およびマイクロプラスチック含有水濃縮方法、マイクロプラスチック濃度測定装置およびマイクロプラスチック濃度測定方法
1か月前
株式会社きんでん
磁性体除去具
4日前
アマノ株式会社
荷電装置
1か月前
富士レビオ株式会社
集磁システム
25日前
富士電機株式会社
ガス処理システム
3か月前
個人
水流式選別装置
4か月前
鈴健興業株式会社
湿式選別システムおよび湿式選別方法
1か月前
日本永磁株式会社
磁性異物除去装置
2か月前
日本永磁株式会社
磁性異物除去装置
2か月前
パナソニックIPマネジメント株式会社
電気集塵装置
1か月前
冨士色素株式会社
磁性体を含む粉体の磁気選別方法及び装置
5か月前
国立大学法人東海国立大学機構
流体浄化装置
6か月前
株式会社SCREENホールディングス
分離チップ
3か月前
株式会社SCREENホールディングス
分離チップ
3か月前
大成建設株式会社
磁性体回収装置および磁性体回収方法
6か月前
JFEスチール株式会社
エアテーブル型密度分離装置及び分離方法
9日前
雪印メグミルク株式会社
泡沫分離装置および泡沫分離方法
5日前
雪印メグミルク株式会社
泡沫分離装置および泡沫分離方法
5日前
国立研究開発法人産業技術総合研究所
湿式比重選別機
5か月前
三星電子株式会社
電気集塵装置
1か月前
国立大学法人 名古屋工業大学
帯電状態の切り替えにより花粉を吸着する金網およびこれを備えた網戸
2か月前
プライムプラネットエナジー&ソリューションズ株式会社
金属捕集器およびその利用
5か月前
JFEスチール株式会社
スローピングシュート、シュート装置及び、粒状物の分級方法
5か月前
三星電子株式会社
帯電装置及び電気集塵装置
1か月前
株式会社島津製作所
マグネットプレート、分離装置およびマグネットプレートを用いる自動分注機
5か月前
住友化学株式会社
浮選剤およびヒ素非含有銅鉱物の回収方法
3か月前
株式会社レゾナック
磁性異物分離装置、磁性異物分離方法、及び封止用樹脂組成物の製造方法
1か月前
アムジエン・インコーポレーテツド
磁気支援式分離装置及び関連方法
6か月前
学校法人 芝浦工業大学
磁性異物粉分離装置及び磁性異物粉分離方法
5か月前
コリア インスティチュート オブ ジオサイエンス アンド ミネラル リソースズ
土壌試料の粒度を選別するための一体型篩装置
6か月前
広東美的環境電器制造有限公司
ファン
3か月前
財團法人工業技術研究院
磁性物質分離装置
3か月前
続きを見る
他の特許を見る