TOP
|
特許
|
意匠
|
商標
特許ウォッチ
Twitter
他の特許を見る
公開番号
2025003080
公報種別
公開特許公報(A)
公開日
2025-01-09
出願番号
2023103554
出願日
2023-06-23
発明の名称
装甲車
出願人
三菱重工業株式会社
代理人
弁理士法人酒井国際特許事務所
主分類
F41H
7/04 20060101AFI20241226BHJP(武器)
要約
【課題】車体の重量を軽量化しつつ、底面の緩衝性能を確保することが可能な装甲車を提供する。
【解決手段】装甲車は、車筐を有する車体と、車筐の底板の底面側に配置される防護板と、底板と防護板との間に配置される緩衝層とを備え、緩衝層は、平面視において中央部よりも周縁部の方が、緩衝性能が高くなるように形成される。
【選択図】図1
特許請求の範囲
【請求項1】
車筐を有する車体と、
前記車筐の底板の底面側に配置される防護板と、
前記底板と前記防護板との間に配置される緩衝層と
を備え、
前記緩衝層は、平面視において中央部よりも周縁部の方が、緩衝性能が高くなるように形成される
装甲車。
続きを表示(約 700 文字)
【請求項2】
前記緩衝層は、周縁部に辺部及び角部を有し、前記辺部よりも前記角部における緩衝性能が高くなるように形成される
請求項1に記載の装甲車。
【請求項3】
前記底板は、切り欠き部を有し、
前記緩衝層は、前記底板の角部のうち平面視において180°未満の角度を有する凸状角部に配置される部分の方が、前記底板の辺部及び前記底板の角部のうち平面視において180°以上の角度を有する凹状角部に配置される部分よりも緩衝性能が高くなるように形成される
請求項2に記載の装甲車。
【請求項4】
前記緩衝層は、平面視において前記中央部から前記周縁部にかけて徐々に緩衝性能が高くなるように形成される
請求項1に記載の装甲車。
【請求項5】
前記底板は、平面視において前記車体の進行方向及び当該進行方向に直交する幅方向について複数の領域に区画され、
前記緩衝層は、前記領域ごとに設けられ、
平面視において前記中央部側の前記領域に配置される前記緩衝層よりも、平面視において前記周縁部側の前記領域に配置される前記緩衝層の方が、緩衝性能が高くなるように形成される
請求項1に記載の装甲車。
【請求項6】
前記緩衝層は、金属材料を用いて形成されたラティス構造を有する
請求項1に記載の装甲車。
【請求項7】
前記緩衝性能は、公称ひずみに対する公称応力の大きさで規定され、
所定の公称ひずみに対する公称応力が大きいほど前記緩衝性能が高い
請求項1に記載の装甲車。
発明の詳細な説明
【技術分野】
【0001】
本開示は、装甲車に関する。
続きを表示(約 1,400 文字)
【背景技術】
【0002】
装甲車は、車体を保護するための装甲が、車体の表面に設けられている。例えば、装甲車の底板には、地雷や即席爆発装置などの爆破物による爆風や衝撃に耐えられるように保護板が配置され、底板と保護板との間には緩衝層が配置されている。引用文献1には、自動車の衝突時のエネルギー吸収のため、緩衝層等のエネルギー吸収部材の寸法等を設置位置によって調整し、衝撃荷重を効率よく緩衝する構成について記載されている。
【先行技術文献】
【特許文献】
【0003】
特開2012-131486号公報
【発明の概要】
【発明が解決しようとする課題】
【0004】
このような緩衝層は、装甲車が衝撃を受けた際にも、機能を維持することが求められる。つまり、従来の装甲車では、車体の底面に緩衝性能が平面方向で一様となるように緩衝層が配置される。この場合、緩衝層の緩衝性能は、底面の角部や端部などの耐衝撃強度の要求が高い部分に合わせて設定される。したがって、耐衝撃強度の要求が比較的低い箇所、例えば底面の中央部等に対しては過剰な緩衝性能が与えられることになる。一般に、緩衝層は、緩衝性能が高いほど、重量が大きい傾向にある。すなわち、底面の中央部等に配置されている緩衝層は、必要以上に重量が大きいものであり、軽量化の余地がある。
【0005】
本開示は、上記に鑑みてなされたものであり、車体の重量を軽量化しつつ、底面の緩衝性能を確保することが可能な装甲車を提供することを目的とする。
【課題を解決するための手段】
【0006】
本開示に係る装甲車は、車筐を有する車体と、前記車筐の底板の底面側に配置される防護板と、前記底板と前記防護板との間に配置される緩衝層とを備え、前記緩衝層は、平面視において中央部よりも周縁部の方が、緩衝性能が高くなるように形成される。
【発明の効果】
【0007】
本開示によれば、車体の重量を軽量化しつつ、底面の緩衝性能を確保することが可能な装甲車を提供することができる。
【図面の簡単な説明】
【0008】
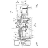
図1は、本実施形態に係る装甲車の一例を模式的に示す図である。
図2は、本実施形態に係る装甲車の一例を模式的に示す図である。
図3は、緩衝層の一例を示す平面図である。
図4は、公称ひずみと公称応力との関係一例を示す図である。
図5は、緩衝層の他の例を示す平面図である。
図6は、緩衝層の他の例を示す平面図である。
【発明を実施するための形態】
【0009】
以下、本開示に係る装甲車の実施形態を図面に基づいて説明する。なお、この実施形態によりこの発明が限定されるものではない。また、下記実施形態における構成要素には、当業者が置換可能かつ容易なもの、あるいは実質的に同一のものが含まれる。
【0010】
図1及び図2は、本実施形態に係る装甲車100の一例を模式的に示す図である。図1は側方から見た図、図2は進行方向の後方から見た図である。図1及び図2に示すように、装甲車100は、車体10と、車輪20とを備える。図1及び図2では、装甲車100として装輪装甲車を例示している。図には明示しないが、装甲車として装軌装甲車であってもよい。
(【0011】以降は省略されています)
この特許をJ-PlatPat(特許庁公式サイト)で参照する
関連特許
三菱重工業株式会社
炭化炉
2日前
三菱重工業株式会社
原子炉
1日前
三菱重工業株式会社
遠心圧縮機
7日前
三菱重工業株式会社
原子力システム
8日前
三菱重工業株式会社
支持金物除去方法
今日
三菱重工業株式会社
配管端部用閉止装置
2日前
三菱重工業株式会社
評価装置および評価方法
8日前
三菱重工業株式会社
支持金物の溶接装置および方法
今日
三菱重工業株式会社
ドライアイス貯留部、及び船舶
2日前
三菱重工業株式会社
水位制御方法および水位制御装置
8日前
三菱重工業株式会社
排ガス処理触媒及び排ガス処理方法
7日前
三菱重工業株式会社
評価方法、評価装置及びプログラム
1日前
三菱重工業株式会社
制御装置、制御方法、及びプログラム
7日前
三菱重工業株式会社
油圧防振装置および構造物の支持構造
9日前
三菱重工業株式会社
圧縮機の静翼セグメント、及び圧縮機
今日
三菱重工業株式会社
検査システム、検査方法及びプログラム
15日前
三菱重工業株式会社
ダスト除去システムおよびダスト除去方法
7日前
三菱重工業株式会社
排ガス処理触媒ユニット及び排ガス処理方法
7日前
三菱重工業株式会社
対象成分回収システム及び対象成分回収方法
8日前
三菱重工業株式会社
静翼セグメント、及びこれを備える蒸気タービン
21日前
三菱重工業株式会社
測定値の再構築方法、再構築装置及びプログラム
今日
三菱重工業株式会社
排気車室の分解組立方法、及び軸受台下半の支持装置
7日前
三菱重工業株式会社
回転機械の分解組立方法、及び位置決めピンの挿抜治具
7日前
三菱重工業株式会社
経路設定方法、移動体、管理システム、及びプログラム
7日前
三菱重工業株式会社
放射性物質取扱設備施工方法および放射性物質取扱設備
15日前
三菱重工業株式会社
脱硝触媒、及び燃焼排ガスから窒素酸化物を除去する方法
15日前
三菱重工業株式会社
燃焼装置の運転方法、燃料の選定方法及び運転制御システム
2日前
三菱重工業株式会社
ガスタービンシステム、及び、ガスタービンシステム制御方法
15日前
三菱重工業株式会社
ポリエステルリサイクルシステム、及びポリエステルリサイクル方法
今日
三菱重工業株式会社
温度制御装置、温度制御システム、温度制御方法、およびプログラム
15日前
三菱重工業株式会社
廃棄物処理システム
7日前
個人
弓用の弦
5か月前
個人
くまステッキ
5か月前
個人
矢筒兼用矢立
21日前
東レ株式会社
防刃材
10か月前
個人
低反動銃火器
9か月前
続きを見る
他の特許を見る