TOP
|
特許
|
意匠
|
商標
特許ウォッチ
Twitter
他の特許を見る
10個以上の画像は省略されています。
公開番号
2025174625
公報種別
公開特許公報(A)
公開日
2025-11-28
出願番号
2024081104
出願日
2024-05-17
発明の名称
遊技機
出願人
株式会社ユニバーサルエンターテインメント
代理人
個人
主分類
A63F
5/04 20060101AFI20251120BHJP(スポーツ;ゲーム;娯楽)
要約
【課題】遊技の興趣を高めつつ、型式試験の適合率を向上させることができる遊技機を提供する。
【解決手段】特定数の遊技価値がベットされたときにはボーナス役を当籤役として決定可能とし、所定数の遊技価値がベットされたときにはボーナス役を当籤役として決定可能としない。ボーナス役が持ち越されている場合、ベットされた遊技価値の数にかかわらず特別停止態様を停止表示させ、特別遊技状態を作動させ得る。所定数以上であって特定数未満の遊技価値が貯留されている場合、特定数の遊技価値をベット可能な第2ベット操作手段を操作しても所定数の遊技価値はベットされない。2回分の特別遊技状態を一連の有利な状態として報知し得る所定演出を実行可能とし、所定演出が実行された後に、1回目の特別遊技状態で遊技不能状態に制御される条件を満たし得る場合には、2回目の特別遊技状態が行われない可能性がある旨を報知可能とする。
【選択図】図529
特許請求の範囲
【請求項1】
所定数の遊技価値がベットされたときに遊技が可能となるとともに、前記所定数とは異なる特定数の遊技価値がベットされたときにも遊技が可能となるように構成された遊技機であって、
複数の表示列で図柄を変動表示可能な変動表示手段と、
ベットされた遊技価値の数に応じた態様にて、特別役を含む複数の役の中から当籤役を決定可能な役決定手段と、
前記役決定手段により決定された当籤役と遊技者の停止操作態様に応じて図柄の変動表示を停止させる停止制御手段と、
前記変動表示手段に停止表示された停止態様に応じた特典を付与可能な特典付与手段と、を備え、
前記役決定手段は、前記特定数の遊技価値がベットされたときには前記特別役を当籤役として決定可能とし、前記所定数の遊技価値がベットされたときには前記特別役を当籤役として決定可能としないものであり、
前記特別役は、前記役決定手段により当籤役として決定された場合、対応する特別停止態様が前記変動表示手段に停止表示されるまで持ち越し可能に構成され、
前記停止制御手段は、前記特別役が持ち越されている場合、ベットされた遊技価値の数にかかわらず遊技者の停止操作態様に応じて前記特別停止態様を停止表示させることが可能であり、
前記特典付与手段は、前記変動表示手段に前記特別停止態様が停止表示した場合、ベットされた遊技価値の数にかかわらず遊技者にとって有利な特別遊技状態を作動させるという特典を付与可能であり、
遊技者が保有する遊技価値をクレジットとして貯留可能な貯留手段と、
前記貯留手段に貯留された遊技価値の中から前記所定数の遊技価値をベット可能な第1ベット操作手段と、
前記貯留手段に貯留された遊技価値の中から前記特定数の遊技価値をベット可能な第2ベット操作手段と、をさらに備え、
前記所定数以上であって前記特定数未満の遊技価値が前記貯留手段に貯留されている場合、前記第2ベット操作手段を操作しても前記所定数の遊技価値はベットされず、
遊技に用いられた遊技価値と付与された遊技価値との差数が所定の条件を満たすものとなった場合には遊技不能状態に制御可能とし、
前記特別遊技状態において前記所定の条件を満たした場合にはその前記特別遊技状態が終了するときに前記遊技不能状態に制御され、
2回分の前記特別遊技状態を一連の有利な状態として報知し得る所定演出を実行可能な所定演出実行手段と、
前記所定演出が実行された後に、1回目の前記特別遊技状態で前記所定の条件を満たし得る場合には、2回目の前記特別遊技状態が行われない可能性がある旨を報知可能な事前報知手段と、をさらに備えることを特徴とする遊技機。
発明の詳細な説明
【技術分野】
【0001】
本発明は、パチスロ機やパチンコ機等の遊技機に関する。
続きを表示(約 2,900 文字)
【背景技術】
【0002】
従来の遊技機において、例えば、投入枚数が3枚(3枚ベット)の遊技で当籤したボーナスを、投入枚数が1枚(1枚ベット)の遊技でも作動させ得るようにし、1枚ベットの遊技ではボーナスに対応する図柄組合せが増加するようにして遊技の難易度の低減を図れるようにしたものが提案されている(例えば、特許文献1参照)。
【0003】
なお、このような遊技機では、3枚ベットの遊技で当籤したボーナスを1枚ベットの遊技で作動させた場合、3枚ベットの遊技で作動させた場合よりもボーナスの作動に要する投入枚数を減少させることができる。したがって、そのような遊技手順でボーナスの作動を行い得ることで、遊技の興趣を高めることができるものとなっている。
【先行技術文献】
【特許文献】
【0004】
特開2007-029523号公報
【発明の概要】
【発明が解決しようとする課題】
【0005】
ところで、上記特許文献1の遊技機では、3枚ベットの遊技で抽籤されるボーナスが、低確率ではあるが1枚ベットの遊技でも抽籤される構成となっている。このため、型式試験の際に、1枚ベット時の試験で偶々確率に偏りが生じ、設計上よりも高い確率でボーナスに当籤してしまった場合、出玉率が上振れして適合範囲外のものとなってしまう(すなわち、不適合となってしまう)可能性を高めていた。すなわち、型式試験の適合率を低下させるものとなっていた。
【0006】
本発明は、遊技の興趣を高めつつ、型式試験の適合率を向上させることができる遊技機を提供することを目的とする。
【課題を解決するための手段】
【0007】
上記目的を達成するために、本実施形態に係る遊技機によれば、以下の遊技機を提供することができる。
【0008】
所定数(例えば、1枚)の遊技価値がベットされたときに遊技が可能となるとともに、前記所定数とは異なる特定数(例えば、3枚)の遊技価値がベットされたときにも遊技が可能となるように構成された遊技機(例えば、第14実施形態のパチスロ機1)であって、
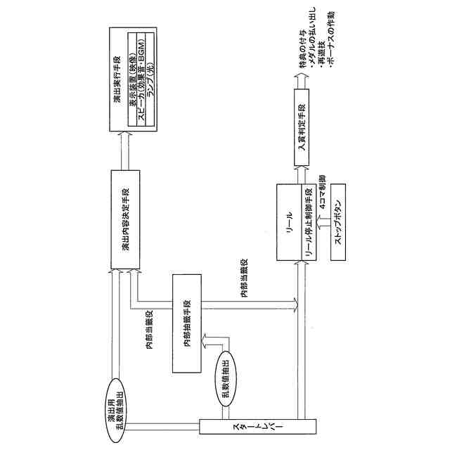
複数の表示列で図柄を変動表示可能な変動表示手段(例えば、リール3L,3C,3R)と、
ベットされた遊技価値の数に応じた態様にて、特別役(例えば、ボーナス役)を含む複数の役の中から当籤役を決定可能な役決定手段(例えば、内部抽籤処理を行うメインCPU)と、
前記役決定手段により決定された当籤役と遊技者の停止操作態様に応じて図柄の変動表示を停止させる停止制御手段(例えば、リール(回胴)停止制御処理を行うメインCPU)と、
前記変動表示手段に停止表示された停止態様に応じた特典を付与可能な特典付与手段(例えば、ボーナスの作動、再遊技の作動、及び遊技価値の付与などを行うメインCPU)と、を備え、
前記役決定手段は、前記特定数の遊技価値がベットされたときには前記特別役を当籤役として決定可能とし、前記所定数の遊技価値がベットされたときには前記特別役を当籤役として決定可能としないものであり、
前記特別役は、前記役決定手段により当籤役として決定された場合、対応する特別停止態様が前記変動表示手段に停止表示されるまで持ち越し可能に構成され、
前記停止制御手段は、前記特別役が持ち越されている場合、ベットされた遊技価値の数にかかわらず遊技者の停止操作態様に応じて前記特別停止態様を停止表示させることが可能であり、
前記特典付与手段は、前記変動表示手段に前記特別停止態様が停止表示した場合、ベットされた遊技価値の数にかかわらず遊技者にとって有利な特別遊技状態(例えば、ボーナス状態)を作動させるという特典を付与可能であり、
遊技者が保有する遊技価値をクレジットとして貯留可能な貯留手段(例えば、遊技価値の付与にともなってクレジットカウンタを加算可能なメインCPU)と、
前記貯留手段に貯留された遊技価値の中から前記所定数の遊技価値をベット可能な第1ベット操作手段(例えば、1ベットボタン6bなど)と、
前記貯留手段に貯留された遊技価値の中から前記特定数の遊技価値をベット可能な第2ベット操作手段(例えば、MAXベットボタン6aなど)と、をさらに備え、
前記所定数以上であって前記特定数未満の遊技価値が前記貯留手段に貯留されている場合、前記第2ベット操作手段を操作しても前記所定数の遊技価値はベットされず、
遊技に用いられた遊技価値と付与された遊技価値との差数が所定の条件を満たすものとなった場合(例えば、19000枚以上となった場合)には遊技不能状態に制御可能とし(例えば、コンプリート機能を搭載し)、
前記特別遊技状態において前記所定の条件を満たした場合にはその前記特別遊技状態が終了するときに前記遊技不能状態に制御され、
2回分の前記特別遊技状態を一連の有利な状態として報知し得る所定演出(例えば、図479に示す一撃ボーナス告知)を実行可能な所定演出実行手段(例えば、メイン演出表示部21)と、
前記所定演出が実行された後に、1回目の前記特別遊技状態で前記所定の条件を満たし得る場合には、2回目の前記特別遊技状態が行われない可能性がある旨(例えば、特別事前報知)を報知可能な事前報知手段(例えば、メイン演出表示部21)と、をさらに備えることを特徴とする遊技機。
【0009】
この構成の遊技機によれば、特定数の遊技価値がベットされた遊技で特別役に当籤した後、所定数の遊技価値がベットされた遊技においてもその特別役に対応する特別停止態様を停止表示させて特別遊技状態を作動させることを可能とし、しかも、所定数の遊技価値がベットされた遊技では特別役が抽籤されない構成としている。それゆえ、遊技の興趣を高めつつ、型式試験の適合率を向上させることができる。また、例えば、特別役が持ち越されていない状態において、企図せずに所定数の遊技価値がベットされて遊技が開始されてしまうことを防止できる。これは、所定数の遊技価値がベットされた遊技では特別役が抽籤されない本実施形態のような遊技機においては、特に好適な構成となる。
また、この構成の遊技機によれば、所定演出が実行され得ることによってその興趣を飛躍的に高めつつも、そこで報知された一連の有利な状態が最後まで実行されることなく終了される可能性がある場合にはそれを適切に報知可能としたことから、そのような特定演出によって遊技者が困惑してしまうといった事態が発生することを抑制することができる。
【発明の効果】
【0010】
上記構成の遊技機によれば、遊技の興趣を高めつつ、型式試験の適合率を向上させることができる。
【図面の簡単な説明】
(【0011】以降は省略されています)
この特許をJ-PlatPat(特許庁公式サイト)で参照する
関連特許
個人
玩具
2か月前
個人
玩具
5か月前
個人
自走玩具
2か月前
個人
小型卓球台
1か月前
個人
運動補助具
4か月前
個人
ゲーム玩具
6か月前
個人
玩具
10か月前
個人
盤上遊戯具
10か月前
個人
フィギュア
10か月前
個人
パズル
1か月前
個人
打撃練習用具
1か月前
株式会社三共
遊技機
5か月前
株式会社三共
遊技機
5か月前
株式会社三共
遊技機
5か月前
株式会社三共
遊技機
5か月前
株式会社三共
遊技機
5か月前
株式会社三共
遊技機
5か月前
株式会社三共
遊技機
5か月前
株式会社三共
遊技機
5か月前
株式会社三共
遊技機
5か月前
株式会社三共
遊技機
5か月前
株式会社三共
遊技機
5か月前
株式会社三共
遊技機
5か月前
株式会社三共
遊技機
5か月前
株式会社三共
遊技機
5か月前
株式会社三共
遊技機
1か月前
株式会社三共
遊技機
1か月前
株式会社三共
遊技機
1か月前
株式会社三共
遊技機
1か月前
株式会社三共
遊技機
1か月前
株式会社三共
遊技機
1か月前
株式会社三共
遊技機
1か月前
株式会社三共
遊技機
1か月前
株式会社三共
遊技機
1か月前
株式会社三共
遊技機
1か月前
株式会社三共
遊技機
1か月前
続きを見る
他の特許を見る