TOP
|
特許
|
意匠
|
商標
特許ウォッチ
Twitter
他の特許を見る
10個以上の画像は省略されています。
公開番号
2025158585
公報種別
公開特許公報(A)
公開日
2025-10-17
出願番号
2024061271
出願日
2024-04-05
発明の名称
電力変換装置及び電力変換装置の制御方法
出願人
新電元工業株式会社
代理人
弁理士法人酒井国際特許事務所
主分類
H02M
7/493 20070101AFI20251009BHJP(電力の発電,変換,配電)
要約
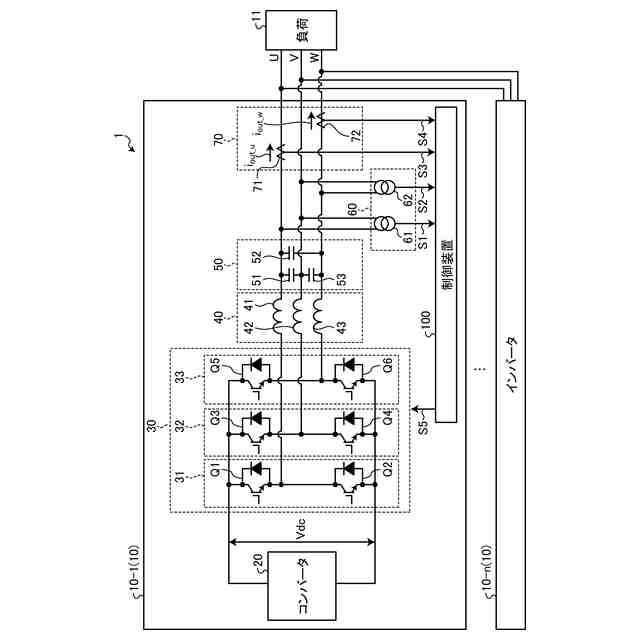
【課題】高周波横流を抑制するための構成を追加することなく、複数の電源装置間に流れる横流を抑制すること。
【解決手段】電力変換装置は、複数のスイッチング素子を含み、出力端子が並列に接続された複数の電源装置を含む。電源装置は、それぞれ、複数のスイッチング素子を制御する制御装置を含む。制御装置は、スイッチング素子のスイッチング周期内に電源装置の出力電流を複数回サンプリングして複数のサンプリング信号を算出し、複数のサンプリング信号間の差分信号を算出し、差分信号に基づいて、複数の電源装置のうち、自電源装置と、他電源装置との間を流れる高周波横流信号を算出し、高周波横流信号に基づいて、自電源装置のスイッチング素子を制御して、自電源装置の動作と、他電源装置の動作とを同期させる。
【選択図】図1
特許請求の範囲
【請求項1】
複数のスイッチング素子を含み、出力端子が並列に接続された複数の電源装置を含み、
前記電源装置は、それぞれ、複数の前記スイッチング素子を制御する制御装置を含み、
前記制御装置は、
前記スイッチング素子のスイッチング周期内に前記電源装置の出力電流を複数回サンプリングして複数のサンプリング信号を算出し、
複数の前記サンプリング信号間の差分信号を算出し、
前記差分信号に基づいて、複数の前記電源装置のうち、自電源装置と、他電源装置との間を流れる高周波横流信号を算出し、
前記高周波横流信号に基づいて、前記自電源装置の前記スイッチング素子を制御して、前記自電源装置の動作と、前記他電源装置の動作とを同期させる、
電力変換装置。
続きを表示(約 820 文字)
【請求項2】
前記制御装置は、
前記差分信号に対して、三相/二相変換及び回転座標変換を行い、前記高周波横流信号を算出する、
請求項1に記載の電力変換装置。
【請求項3】
前記制御装置は、
前記高周波横流信号に対して所定のゲインをかけて、複数の前記スイッチング素子のスイッチング周波数及びスイッチング周期の少なくとも一方を調整する、
請求項2に記載の電力変換装置。
【請求項4】
前記制御装置は、
前記高周波横流信号に所定のローパスフィルタをかけて、比例積分演算を行って、複数の前記スイッチング素子のスイッチング周波数及びスイッチング周期の少なくとも一方を調整する、
請求項2に記載の電力変換装置。
【請求項5】
前記制御装置は、
前記スイッチング周期を調整する場合、前記スイッチング周期の調整量の小数点部を記録し、次の前記スイッチング周期の調整量に前記小数点部を加算して、前記スイッチング周期を制御する、
請求項3に記載の電力変換装置。
【請求項6】
複数のスイッチング素子を含み、出力端子が並列に接続された複数の電源装置を含む電力変換装置の制御方法であって、
前記スイッチング素子のスイッチング周期内に前記電源装置の出力電流を複数回サンプリングして複数のサンプリング信号を算出するステップと、
複数の前記サンプリング信号間の差分信号を算出するステップと、
前記差分信号に基づいて、複数の前記電源装置のうち、自電源装置と、他電源装置との間を流れる高周波横流信号を算出するステップと、
前記高周波横流信号に基づいて、前記自電源装置の前記スイッチング素子を制御して、前記自電源装置の動作と、前記他電源装置の動作とを同期させるステップと、
を含む、電力変換装置の制御方法。
発明の詳細な説明
【技術分野】
【0001】
本開示は、電力変換装置及び電力変換装置の制御方法に関する。
続きを表示(約 1,700 文字)
【背景技術】
【0002】
特許文献1には、複数のインバータを並列運転する際に、仮想インピーダンス制御を行うことで、複数のインバータ間に流れる横流を抑制する技術が開示されている。特許文献2には、並列に接続されたインバータの同期制御を、複数のインバータに共通の専用回路で行う技術が開示されている。特許文献3には、インバータからの出力電流の高周波成分をバイパスフィルタで検出し、複数のインバータ間に流れる横流の発生を抑制する技術が開示されている。
【先行技術文献】
【特許文献】
【0003】
特開2017-225214号公報
米国特許第9800187号明細書
特開2019-68559号公報
【発明の概要】
【発明が解決しようとする課題】
【0004】
特許文献1に開示の技術は、低周波の横流の発生を抑制することはできるが、複数のインバータ間でPWM(Pulse Width Modulation)信号が同期していない場合は、複数のインバータ間に高周波の横流が流れてしまう可能性がある。特許文献2に開示の技術は、複数のインバータ間でPWM信号を同期させることができるが、PWM信号を同期させるための専用の回路を追加する必要があるため、コストが高くなったり、装置が大型化したりする可能性がある。特許文献3に開示の技術は、今回のスイッチング周波数の調整量を判定するためには、出力電流の高周波成分の今回の検出値、前回の検出値及び前回のスイッチング周波数の調整量に基づく必要がある。このとき、高周波の検出結果に有意な変化を発生させるために、スイッチング周波数を大きく変化させる必要があるので、スイッチング周波数の安定化に課題がある。また、複数のインバータにおいて負荷変動がある場合に、複数のインバータ間で同じ方向のスイッチング周波数を増減させてしまう可能性があり、スイッチング周波数の制御が不安定になってしまう可能性もある。
【0005】
本開示は、高周波横流を抑制するための構成を追加することなく、複数の電源装置間に流れる高周波横流を抑制することを目的とする。
【課題を解決するための手段】
【0006】
本開示の一態様の電力変換装置は、複数のスイッチング素子を含み、出力端子が並列に接続された複数の電源装置を含み、前記電源装置は、それぞれ、複数の前記スイッチング素子を制御する制御装置を含み、前記制御装置は、前記スイッチング素子のスイッチング周期内に前記電源装置の出力電流を複数回サンプリングして複数のサンプリング信号を算出し、複数の前記サンプリング信号間の差分信号を算出し、前記差分信号に基づいて、複数の前記電源装置のうち、自電源装置と、他電源装置との間を流れる高周波横流信号を算出し、前記高周波横流信号に基づいて、前記自電源装置の前記スイッチング素子を制御して、前記自電源装置の動作と、前記他電源装置の動作とを同期させる。
【0007】
本開示の電力変換装置において、前記制御装置は、前記差分信号に対して、三相/二相変換及び回転座標変換を行い、前記高周波横流信号を算出する。
【0008】
本開示の電力変換装置において、前記制御装置は、前記高周波横流信号に対して所定のゲインをかけて、複数の前記スイッチング素子のスイッチング周波数及びスイッチング周期の少なくとも一方を調整する。
【0009】
本開示の電力変換装置において、前記制御装置は、前記高周波横流信号に所定のローパスフィルタをかけて、比例積分演算を行って、複数の前記スイッチング素子のスイッチング周波数及びスイッチング周期の少なくとも一方を調整する。
【0010】
本開示の電力変換装置において、前記制御装置は、前記スイッチング周期を調整する場合、前記スイッチング周期の調整量の小数点部を記録し、次の前記スイッチング周期の調整量に前記小数点部を加算して、前記スイッチング周期を制御する。
(【0011】以降は省略されています)
この特許をJ-PlatPat(特許庁公式サイト)で参照する
関連特許
新電元工業株式会社
充電器
29日前
新電元工業株式会社
コイル装置
23日前
新電元工業株式会社
作業用ロボット
15日前
新電元工業株式会社
水素製造システム
11日前
新電元工業株式会社
水素製造システム
11日前
新電元工業株式会社
水素製造システム
11日前
新電元工業株式会社
半導体モジュール
16日前
新電元工業株式会社
半導体モジュール
16日前
新電元工業株式会社
ケーブルの防水構造
16日前
新電元工業株式会社
電源装置及び制御方法
1日前
新電元工業株式会社
ボビン及びトランス装置
3日前
新電元工業株式会社
制御回路及びスイッチング電源
8日前
新電元工業株式会社
液体用ホース及び液体塗布装置
8日前
新電元工業株式会社
ウェーハ搬送用ベルヌーイチャック
2日前
新電元工業株式会社
電力変換装置及び電力変換装置の制御方法
8日前
個人
単極モータ
11日前
株式会社アイシン
ロータ
11日前
株式会社アイシン
ロータ
15日前
日星電気株式会社
ケーブル組立体
3日前
トヨタ自動車株式会社
固定子
16日前
株式会社デンソー
回転機
9日前
トヨタ自動車株式会社
製造装置
16日前
株式会社ダイヘン
充電装置
15日前
株式会社アイシン
ステータ
15日前
株式会社アイシン
ステータ
15日前
株式会社アイシン
ステータ
15日前
株式会社ダイヘン
充電装置
15日前
株式会社ダイヘン
充電装置
15日前
個人
太陽エネルギー収集システム
16日前
株式会社アイシン
ステータ
15日前
株式会社ダイヘン
充電装置
15日前
カヤバ株式会社
筒型リニアモータ
17日前
トヨタ自動車株式会社
被膜形成装置
16日前
株式会社kaisei
発電システム
11日前
個人
二次電池繰返パルス放電器用印刷基板
1日前
株式会社デンソー
電力変換装置
10日前
続きを見る
他の特許を見る