TOP
|
特許
|
意匠
|
商標
意匠ウォッチ
Twitter
他の意匠を見る
発行日
2025-11-17
公報種別
意匠公報(S)
登録番号
1812838
登録日
2025-11-07
意匠に係る物品
オフィス共有スペースの内装
意匠分類
L3
-71(組立て家屋、屋外装備品等)
出願番号
2024015759
出願日
2024-07-30
意匠権者
株式会社大林組
代理人
個人
,
個人
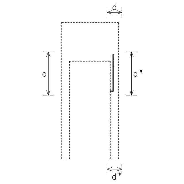
意匠に係る物品の説明
この内装は、オフィス共有スペースの内装であって、意匠登録を受けようとする部分は化粧室の案内標識である。
意匠の説明
意匠登録を受けようとする部分を実線で、それ以外の部分を破線で表した。透明部を示す参考e-e’部分拡大図において、薄墨を施した部分は透明である。
この意匠をJ-PlatPat(特許庁公式サイト)で参照する
関連意匠
株式会社大林組
ベンチ
5か月前
株式会社大林組
ベンチ
5か月前
株式会社大林組
ベンチ
7か月前
株式会社大林組
テーブル
6か月前
株式会社大林組
テーブル
6か月前
株式会社大林組
自動走行装置
11か月前
株式会社大林組
自動走行装置本体
11か月前
株式会社大林組
自動走行装置本体
11か月前
株式会社大林組
吊元装置
1か月前
株式会社大林組
連結具
2か月前
株式会社大林組
吊元装置
1か月前
株式会社大林組
柱
1か月前
株式会社大林組
柱
1か月前
株式会社大林組
家具用ユニット材
6か月前
株式会社大林組
柱
4か月前
株式会社大林組
温度調整機能付ベンチ
5か月前
株式会社大林組
温度調整機能付ベンチ
5か月前
株式会社大林組
温度調整機能付ベンチ
5か月前
株式会社大林組
仮囲いパネル
6か月前
株式会社大林組
柱材
1か月前
株式会社大林組
仮囲いパネル
6か月前
株式会社大林組
仮囲いパネル
9か月前
株式会社大林組
鋼管の篏合位置監視用画像
7か月前
株式会社大林組
照明具
9か月前
株式会社大林組
墜落防止器具
12か月前
株式会社大林組
建築用格子
5か月前
株式会社大林組
建築物用構造体
6か月前
株式会社大林組
建築用ルーバー
11か月前
株式会社大林組
藻場礁
8か月前
株式会社大林組
植栽帯
3か月前
株式会社大林組
銘板
6か月前
株式会社大林組
藻場礁
8か月前
株式会社大林組
柵
2か月前
株式会社大林組
建築用ルーバー材
7か月前
株式会社大林組
建築用ルーバー材
7か月前
株式会社大林組
病院
7か月前
続きを見る
他の意匠を見る