TOP
|
特許
|
意匠
|
商標
意匠ウォッチ
Twitter
他の意匠を見る
発行日
2025-10-23
公報種別
意匠公報(S)
登録番号
1811336
登録日
2025-10-15
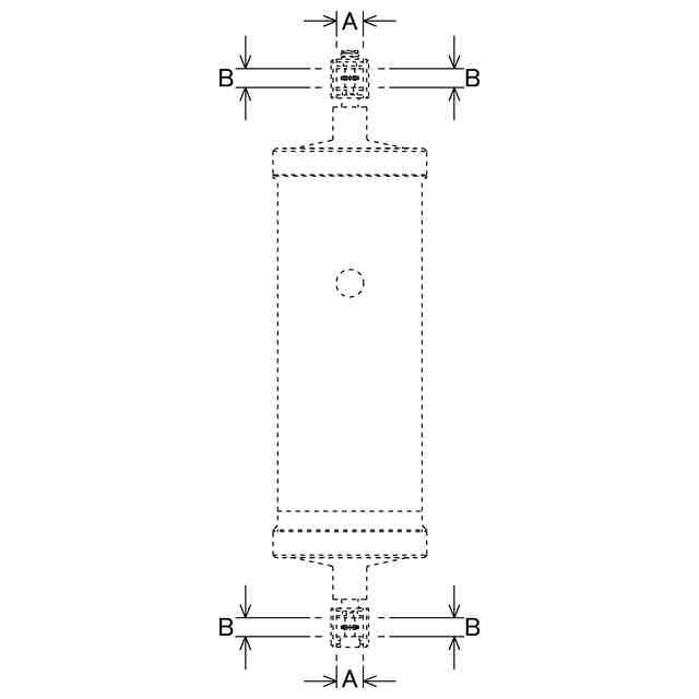
意匠に係る物品
プラスチック容器
意匠分類
J7
-46(医療機械器具)
出願番号
2025005713
出願日
2025-03-24
意匠権者
株式会社カネカ
代理人
弁理士法人アスフィ国際特許事務所
意匠に係る物品の説明
本物品は、血液浄化療法に用いられるプラスチック容器である。
意匠の説明
実線で表した部分が、意匠登録を受けようとする部分である。破線で表した部分は、意匠登録を受けようとする部分ではない。一点鎖線は意匠登録を受けようとする部分とその他の部分との境界のみを示す線である。
この意匠をJ-PlatPat(特許庁公式サイト)で参照する
関連意匠
株式会社カネカ
アイコン用画像
12か月前
株式会社カネカ
太陽電池
5か月前
株式会社カネカ
断熱材支持具
5か月前
株式会社カネカ
プラスチック容器
1か月前
株式会社カネカ
通気制御システム管理用画像
12か月前
株式会社カネカ
通気制御システム管理用画像
12か月前
株式会社カネカ
プラスチック容器
1か月前
株式会社カネカ
プラスチック容器
1か月前
株式会社カネカ
プラスチック容器
1か月前
株式会社カネカ
プラスチック栓部材
4か月前
株式会社カネカ
プラスチック栓部材
4か月前
株式会社カネカ
プラスチック栓部材
4か月前
株式会社カネカ
プラスチック栓部材
4か月前
株式会社カネカ
飲料用ストロー
3か月前
株式会社カネカ
飲料用ストロー
3か月前
株式会社カネカ
飲料用ストロー
3か月前
株式会社カネカ
飲料用ストロー
3か月前
株式会社カネカ
飲料用ストロー
3か月前
株式会社カネカ
飲料用ストロー
3か月前
株式会社カネカ
飲料用ストロー
3か月前
株式会社カネカ
飲食用スプーン
3か月前
株式会社カネカ
飲食用スプーン
3か月前
株式会社カネカ
飲食用フォーク
9か月前
株式会社カネカ
飲食用スプーン
9か月前
株式会社カネカ
飲食用フォーク
9か月前
株式会社カネカ
飲食用スプーン
9か月前
株式会社カネカ
飲食用フォーク
7か月前
株式会社カネカ
太陽電池モジュール付ガラス材
10か月前
株式会社カネカ
太陽電池モジュール付ガラス材
10か月前
株式会社カネカ
通気制御システム用リモートコントローラー
12か月前
株式会社カネカ
通気制御システム用リモートコントローラー
12か月前
花王株式会社
首枕
9か月前
花王株式会社
首枕
9か月前
花王株式会社
首枕
9か月前
花王株式会社
首枕
9か月前
雪印ビーンスターク株式会社
錠剤
3か月前
続きを見る
他の意匠を見る