TOP
|
特許
|
意匠
|
商標
意匠ウォッチ
Twitter
他の意匠を見る
発行日
2025-07-28
公報種別
意匠公報(S)
登録番号
1804565
登録日
2025-07-17
意匠に係る物品
レンジフード
意匠分類
D4
-510(暖冷房機又は空調換気機器)
出願番号
2025002474
出願日
2025-02-07
意匠権者
富士工業株式会社
代理人
意匠に係る物品の説明
意匠の説明
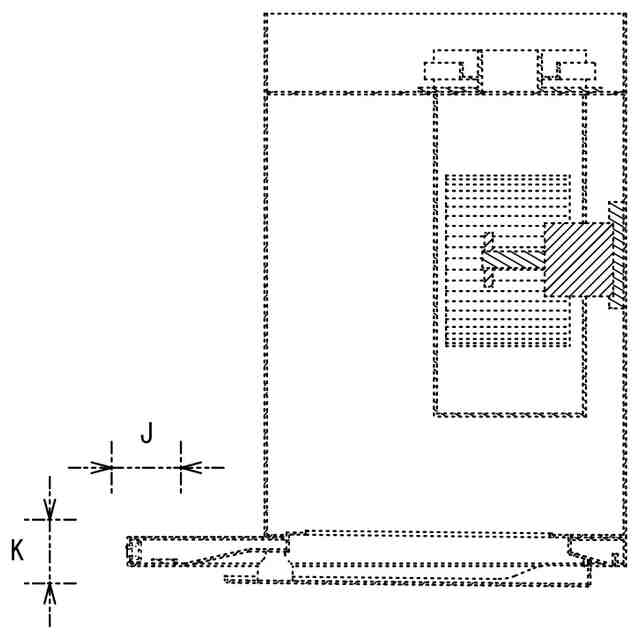
左側面図は、右側面図と対称にあらわれるため省略する。実線で表された部分が部分意匠として意匠登録を受けようとする部分であり、「内部構造を省略したA-A´線断面図」、「B-C間部分拡大図」、「D-E間部分拡大図」、「F-G間部分拡大図」、「H-I間部分拡大図」、「J-K間部分拡大図」、「意匠登録を受けようとする部分の拡大正面図」を含めて意匠登録を受けようとする部分を特定している。「B-C間部分拡大図」、「D-E間部分拡大図」、「F-G間部分拡大図」、「H-I間部分拡大図」、「J-K間部分拡大図」における二点鎖線は、指示線によって区切られた拡大箇所の周縁のみを示す線である。
この意匠をJ-PlatPat(特許庁公式サイト)で参照する
関連意匠
富士工業株式会社
建築用装飾板
6か月前
富士工業株式会社
冷蔵庫
2か月前
富士工業株式会社
レンジフード
3か月前
富士工業株式会社
レンジフード
3か月前
富士工業株式会社
空気浄化装置用油受け
8か月前
富士工業株式会社
空気浄化装置用フィルタ
3か月前
富士工業株式会社
油煙捕集機能付き調理台
12日前
GD Midea Environment Appliances MFG Co., Ltd.
Fan
4か月前
アイリスオーヤマ株式会社
扇風機
8か月前
深セン首明科技有限公司
加湿器
7か月前
深せん市舞翔電子有限公司
扇風機
2か月前
深セン宝霧科技有限公司
加湿器
7か月前
リスカイ株式会社
扇風機
2か月前
リスカイ株式会社
扇風機
2か月前
日翔株式会社
カイロ
7か月前
三菱電機株式会社
暖房機
2か月前
広東美的環境電器制造有限公司
加熱器
8か月前
個人
ファン
8か月前
アイリスオーヤマ株式会社
扇風機
8か月前
アイリスオーヤマ株式会社
扇風機
8か月前
Shenzhen Senhe Plastic Mould Co., Ltd.
Fan
2か月前
アイリスオーヤマ株式会社
扇風機
8か月前
深セン宝霧科技有限公司
加湿器
7か月前
アイリスオーヤマ株式会社
扇風機
8か月前
アイリスオーヤマ株式会社
扇風機
8か月前
深セン宝霧科技有限公司
加湿器
8か月前
艾美特電器(深せん)有限公司
扇風機
8か月前
台湾奥利安産業股フン有限公司
除湿機
8か月前
深せん市さん活科技有限公司
扇風機
8か月前
BRUNO株式会社
加湿器
8か月前
東洋紡エムシー株式会社
送風機
9か月前
個人
温風機
9か月前
株式会社山善
暖房機
9か月前
株式会社山善
暖房機
9か月前
小林製薬株式会社
カイロ
1か月前
佛山市土撥鼠智能科技有限公司
扇風機
2か月前
続きを見る
他の意匠を見る