TOP
|
特許
|
意匠
|
商標
特許ウォッチ
Twitter
他の特許を見る
10個以上の画像は省略されています。
公開番号
2025181506
公報種別
公開特許公報(A)
公開日
2025-12-11
出願番号
2024089536
出願日
2024-05-31
発明の名称
空気入りタイヤ
出願人
TOYO TIRE株式会社
代理人
弁理士法人ユニアス国際特許事務所
主分類
B60C
11/12 20060101AFI20251204BHJP(車両一般)
要約
【課題】雪上路面での制動性能を向上できる空気入りタイヤを提供する。
【解決手段】
空気入りタイヤは、トレッド面にブロック列またはリブである少なくとも一つの陸部2を有する。陸部2には、タイヤ周方向と交差する方向に延びるサイプ5と、サイプ5の開口幅を拡げるように形成されたディンプル6とが設けられている。ディンプル6は、その少なくとも一部が陸部2の幅中央領域に配置される。ディンプル6は、トレッド面と実質的に平行で且つサイプ5に沿って延びた底面61を有し、底面61の長さのサイプ5の長さに占める割合が50%以下である。サイプ5はサイプ底から隆起した隆起部7を含み、ディンプル6と隆起部7とがタイヤ径方向に重複する領域DAが形成されている。
【選択図】図5
特許請求の範囲
【請求項1】
トレッド面にブロック列またはリブである少なくとも一つの陸部を有し、
前記陸部に、タイヤ周方向と交差する方向に延びるサイプと、前記サイプの開口幅を拡げるように形成されたディンプルとが設けられ、
前記ディンプルは、その少なくとも一部が前記陸部の幅中央領域に配置され、
前記ディンプルは、前記トレッド面と実質的に平行で且つ前記サイプに沿って延びた底面を有し、前記底面の長さの前記サイプの長さに占める割合が50%以下であり、
前記サイプはサイプ底から隆起した隆起部を含み、前記ディンプルと前記隆起部とがタイヤ径方向に重複する領域が形成されている空気入りタイヤ。
続きを表示(約 610 文字)
【請求項2】
単一の前記ディンプルにおける前記底面の長さが前記サイプの長さの45%以下である請求項1に記載の空気入りタイヤ。
【請求項3】
前記サイプは、前記陸部の側壁に開口した開口端と、前記陸部内で終端した閉塞端とを有する請求項1に記載の空気入りタイヤ。
【請求項4】
前記陸部は、タイヤ周方向に沿ってブロックが配列された前記ブロック列であり、
前記ブロックの縁部の70%以上の範囲に段差が設けられている請求項1に記載の空気入りタイヤ。
【請求項5】
接地端を含むショルダー陸部よりもタイヤ幅方向内側の領域において、タイヤ周方向に隣接して並んだ前記ディンプルがタイヤ幅方向にオフセットして配置されている請求項1に記載の空気入りタイヤ。
【請求項6】
正規リムに装着され且つ正規内圧が充填された状態で正規荷重の60%を負荷して平面に垂直に接地したときの接地面のタイヤ幅方向の最外位置に、前記ディンプルが配置されている請求項1~5いずれか1項に記載の空気入りタイヤ。
【請求項7】
前記最外位置に配置された前記ディンプルは、前記最外位置よりもタイヤ幅方向外側に位置する外側部分と、前記最外位置よりもタイヤ幅方向内側に位置し、前記外側部分よりもタイヤ幅方向の長さが大きい内側部分とを含む請求項6に記載の空気入りタイヤ。
発明の詳細な説明
【技術分野】
【0001】
本開示は、空気入りタイヤに関する。
続きを表示(約 1,800 文字)
【背景技術】
【0002】
冬用タイヤやオールシーズンタイヤでは、トレッド面の陸部に切り込み状のサイプが設けられている。これにより、サイプのエッジ部で路面を引っ掻くことによってグリップ力を増す、いわゆるエッジ効果を発現し、雪上路面での制動性能が高められる。しかし、雪上路面のような摩擦係数の低い路面では、タイヤ幅方向における陸部の中央領域で接地圧が高くなる傾向にあり、それに起因して当該中央領域でサイプが閉じてしまうと、エッジ効果が適切に発揮されず、雪上路面での制動性能を十分に向上できない。
【0003】
特許文献1には、陸部をタイヤ幅方向に貫通するサイプと、そのサイプに設けられた面取部とを備え、面取部の長さがサイプの長さに対して70%未満に設定された空気入りタイヤが記載されている。但し、この面取部は、サイプのエッジ部を接続する平面(C面取り)または曲面(R面取り)で形成されており、接地圧が高くなりがちな陸部の中央領域では閉じることがあると考えられる。もとより、当該文献は、上述したエッジ効果が適切に発揮されない現象に対して、その解決手段を示唆するものではない。
【先行技術文献】
【特許文献】
【0004】
特開2020-163939号公報
【発明の概要】
【発明が解決しようとする課題】
【0005】
本開示は上記実情に鑑みてなされたものであり、その目的は、雪上路面での制動性能を向上できる空気入りタイヤを提供することにある。
【課題を解決するための手段】
【0006】
本開示の空気入りタイヤは、トレッド面にブロック列またはリブである少なくとも一つの陸部を有し、前記陸部に、タイヤ周方向と交差する方向に延びるサイプと、前記サイプの開口幅を拡げるように形成されたディンプルとが設けられ、前記ディンプルは、その少なくとも一部が前記陸部の幅中央領域に配置され、前記ディンプルは、前記トレッド面と実質的に平行で且つ前記サイプに沿って延びた底面を有し、前記底面の長さの前記サイプの長さに占める割合が50%以下であり、前記サイプはサイプ底から隆起した隆起部を含み、前記ディンプルと前記隆起部とがタイヤ径方向に重複する領域が形成されている。
【図面の簡単な説明】
【0007】
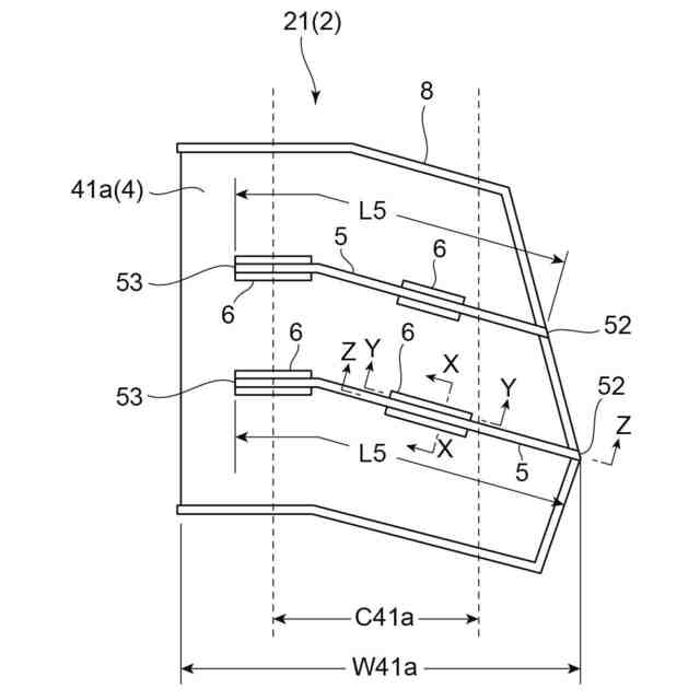
本実施形態の空気入りタイヤが備えるトレッド面の平面展開図
ショルダーブロックの拡大図
図2のX-X断面図
図2のY-Y断面図
図2のZ-Z断面図
ショルダーブロックの拡大図
センターブロックの拡大図
センターブロックの拡大図
センターブロックの拡大図
【発明を実施するための形態】
【0008】
本開示の空気入りタイヤの実施形態について、図面を参照しながら説明する。
【0009】
[トレッド面の概要]
図1は、本実施形態の空気入りタイヤが備えるトレッド面の平面展開図である。空気入りタイヤは、一対のビード部(図示せず)と、一対のビード部の各々からタイヤ径方向外側に延びる一対のサイドウォール部(図示せず)と、一対のサイドウォール部の各々のタイヤ径方向外側端に連なるトレッド部10とを備えた自動車用タイヤである。トレッド面Trは、トレッド部10の外周面を構成している。図1に示すタイヤは新品であり、トレッド面Trは未摩耗の状態にある。当該タイヤは、トレッド面Trにブロック列またはリブである少なくとも一つの陸部2を有する。
【0010】
ここで、タイヤ周方向は、タイヤの中心軸(回転軸)周りの方向である。タイヤ径方向は、タイヤの直径に沿った方向である。タイヤの中心軸に近付く側がタイヤ径方向内側となり、タイヤの中心軸から離れる側がタイヤ径方向外側となる。タイヤ幅方向は、タイヤの中心軸と平行な方向である。タイヤ赤道TCに近付く側がタイヤ幅方向内側となり、タイヤ赤道TCから離れる側がタイヤ幅方向外側となる。タイヤ赤道TCは、タイヤのタイヤ幅方向中央に位置する仮想線である。トレッド面Trの平面視において、タイヤ赤道TCはタイヤ周方向に延びてタイヤの中心軸に直交する。
(【0011】以降は省略されています)
この特許をJ-PlatPat(特許庁公式サイト)で参照する
関連特許
他の特許を見る