TOP
|
特許
|
意匠
|
商標
特許ウォッチ
Twitter
他の特許を見る
公開番号
2025180250
公報種別
公開特許公報(A)
公開日
2025-12-11
出願番号
2024087438
出願日
2024-05-29
発明の名称
粘着テープ、及びワイヤーハーネス
出願人
デンカ株式会社
代理人
SK弁理士法人
,
個人
,
個人
主分類
C09J
7/38 20180101AFI20251204BHJP(染料;ペイント;つや出し剤;天然樹脂;接着剤;他に分類されない組成物;他に分類されない材料の応用)
要約
【課題】 本発明は、粘着剤の塗工がしやすく、軽量性に優れ、かつ粘着剤層を薄肉化した場合でも電線等に巻き付けた際に高い粘着力を有する粘着テープを提供することを課題とする。
【解決手段】 本発明の一態様は、熱可塑性樹脂を含む樹脂組成物からなる基材層と、上記基材層の一方の面に設けられた粘着層と、を備える粘着テープである。上記基材層の厚さが58μm以下であり、上記基材層の最大厚さと最小厚さとの差Xが、上記基材層の厚さの30%以内である。さらに、上記Xと、上記粘着層の厚さYとが、X/2<Yの関係を満たす。
【選択図】 なし
特許請求の範囲
【請求項1】
熱可塑性樹脂を含む樹脂組成物からなる基材層と、
前記基材層の一方の面に設けられた粘着剤層と、
を備える粘着テープであって、
前記基材層の厚さが58μm以下であり、
前記基材層の最大厚さと最小厚さとの差Xが、前記基材層の厚さの30%以内であり、
前記Xと、前記粘着剤層の厚さYとが、X/2<Yの関係を満たす、粘着テープ。
続きを表示(約 450 文字)
【請求項2】
前記粘着剤層の厚さYが15μm以下である、請求項1に記載の粘着テープ。
【請求項3】
前記粘着テープの低速巻き戻し力が0.8~2.0N/10mmである、請求項1に記載の粘着テープ。
【請求項4】
前記粘着テープの弾性率が2.0~3500.0MPaである、請求項1に記載の粘着テープ。
【請求項5】
前記樹脂組成物が無機充填剤を含まない、請求項1に記載のテープ。
【請求項6】
前記樹脂組成物が、前記熱可塑性樹脂100質量部に対して、可塑剤を20~75質量部含む、請求項1に記載の粘着テープ。
【請求項7】
前記熱可塑性樹脂が、塩化ビニル系樹脂を含む、請求項1に記載の粘着テープ。
【請求項8】
電線類の結束用である、請求項1~請求項7のいずれか一項に記載の粘着テープ。
【請求項9】
電線類と、前記電線類を結束する請求項8に記載の粘着テープと、を備えるワイヤーハーネス。
発明の詳細な説明
【技術分野】
【0001】
本発明は、粘着テープ、及びワイヤーハーネスに関する。
続きを表示(約 1,700 文字)
【背景技術】
【0002】
自動車、鉄道、航空機、船舶、家屋、工場などにおける各種電気機器に用いられる絶縁テープなどの各種の粘着フィルムとしては、適度な柔軟性と伸長性を有し、難燃性、機械的強度、耐熱変形性、電気絶縁性及び成形加工性に優れ、さらに比較的安価であるという理由から、熱可塑性樹脂を含有する樹脂組成物を原料とした基材の片面に粘着剤を塗布した粘着テープが使用されている(特許文献1、2)。
【先行技術文献】
【特許文献】
【0003】
特開平11-209718号公報
国際公開第2019/049565号公報
【発明の概要】
【発明が解決しようとする課題】
【0004】
近年、このような粘着テープは、例えば、自動車や航空機においては燃費向上を目的に、軽量化、すなわち基材層及び粘着剤層の薄肉化が求められている。しかしながら、粘着剤層の薄肉化を行う場合、粘着テープの粘着力が低下してしまう場合があった。
【0005】
本発明は、このような事情に鑑みてなされたものであり、粘着剤の塗工がしやすく、軽量性に優れ、かつ粘着剤層を薄肉化した場合でも電線等に巻き付けた際に高い粘着力を有する粘着テープを提供することを目的とする。
【課題を解決するための手段】
【0006】
本発明者らが鋭意検討を行ったところ、基材層及び粘着剤層の厚さが、特定のパラメータを満たすようにすることにより、上記の課題を解決できることを見出し、本発明を完成させた。
【0007】
本発明によれば、以下が提供される。
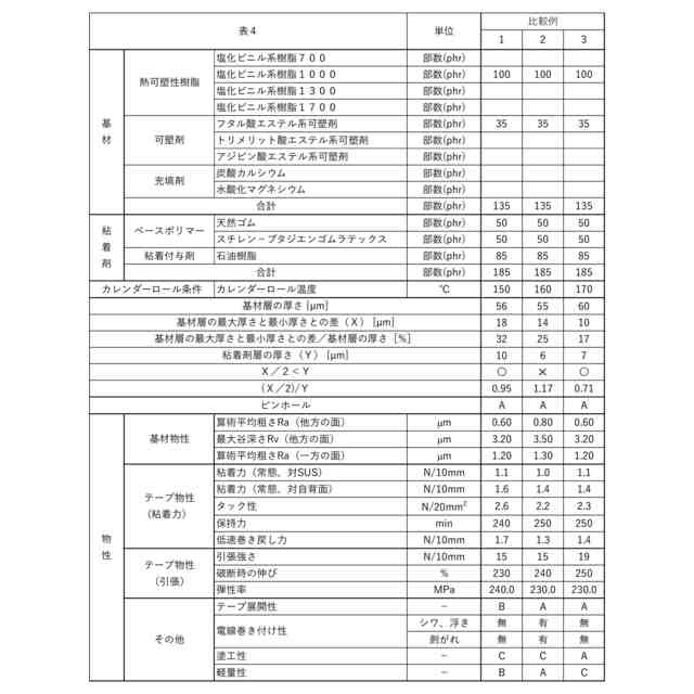
[1]熱可塑性樹脂を含む樹脂組成物からなる基材層と、上記基材層の一方の面に設けられた粘着剤層と、を備える粘着テープであって、上記基材層の厚さが58μm以下であり、上記基材層の最大厚さと最小厚さとの差Xが、前記厚さの30%以内であり、上記Xと、上記粘着剤層の厚さYとが、X/2<Yの関係を満たす、粘着テープ。
[2]上記粘着剤層の厚さYが15μm以下である、[1]に記載の粘着テープ。
[3]上記粘着テープの低速巻き戻し力が0.8~2.0N/10mmである、[1]又は[2]に記載の粘着テープ。
[4]上記粘着テープの弾性率が2.0~3500.0MPaである、[1]~[3]のいずれかにに記載の粘着テープ。
[5]上記樹脂組成物が無機充填剤を含まない、[1]~[4]のいずれかに記載のテープ。
[6]上記樹脂組成物が、上記熱可塑性樹脂100質量部に対して、可塑剤を20~75質量部含む、[1]~[5]のいずれかに記載の粘着テープ。
[7]上記熱可塑性樹脂が、塩化ビニル系樹脂を含む、[1]~[6]のいずれかに記載の粘着テープ。
[8]電線類の結束用である、[1]~[7]のいずれかに記載の粘着テープ。
[9]電線類と、上記電線類を結束する[1]~[8]のいずれかに記載の粘着テープと、を備えるワイヤーハーネス。
【発明の効果】
【0008】
本発明によれば、粘着剤の塗工がしやすく、軽量性に優れ、かつ粘着剤層を薄肉化した場合でも電線等に巻き付けた際に高い粘着力を有する粘着テープを提供することができる。
【発明を実施するための形態】
【0009】
以下、本発明について、詳細に説明する。本発明は、これらの記載に限定されるものではない。以下に示す実施形態の各特徴事項は、互いに組み合わせ可能である。また、各特徴事項について独立して発明が成立する。さらに、以下の実施形態のうち、特許請求の範囲で規定されていない要素は、任意の要素であるので、省略可能である。
【0010】
<用語の説明>
本明細書において、例えば、「A~B」なる記載は、A以上でありB以下であることを意味する。本明細書において、例えば、「例示した数値のいずれか2つの間の範囲内」なる記載は、例示した数値がA及びB(A<B)である場合、A以上又はA超えであり、B以下又はB未満であることを意味する。
(【0011】以降は省略されています)
この特許をJ-PlatPat(特許庁公式サイト)で参照する
関連特許
他の特許を見る