TOP
|
特許
|
意匠
|
商標
特許ウォッチ
Twitter
他の特許を見る
10個以上の画像は省略されています。
公開番号
2025178938
公報種別
公開特許公報(A)
公開日
2025-12-09
出願番号
2024085822
出願日
2024-05-27
発明の名称
塵芥収集車
出願人
極東開発工業株式会社
代理人
弁理士法人藤本パートナーズ
主分類
B65F
3/28 20060101AFI20251202BHJP(運搬;包装;貯蔵;薄板状または線条材料の取扱い)
要約
【課題】塵芥の積み込み時に排出板を前方へ移動可能な塵芥収集車を提供する。
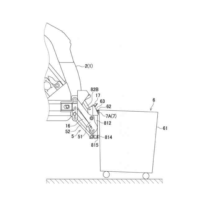
【解決手段】塵芥収容箱23と、塵芥投入箱2と、塵芥収容箱23内に設けられた排出板24と、排出板24に接続された排出アクチュエータ25と、油圧回路と、を備え、塵芥収容箱23は、箱外に連通する排出口23Aを備え、塵芥投入箱2は、積込装置27を備え、排出板24は、塵芥収容箱内で、排出口23A側と塵芥収容箱23の奥側との間で往復移動可能に設けられ、排出アクチュエータ25は、排出板24を往復移動させるように構成され、油圧回路には、切替弁とオイルタンクとが含まれ、切替弁は、排出アクチュエータ25とオイルタンクとを結ぶ油路に設けられ、パイロット圧により連通状態と遮断状態とが切り替わるよう構成され、パイロット圧は、積込装置27の駆動時に立つ油圧である
【選択図】図15
特許請求の範囲
【請求項1】
シャシと、
前記シャシに固定された塵芥収容箱と、
前記塵芥収容箱に連接して設けられた塵芥投入箱と、
前記塵芥収容箱内に設けられた排出板と、
前記排出板に接続された排出アクチュエータと、
前記排出アクチュエータに、作動油が出入り可能に接続された油圧回路と、を備え、
前記塵芥収容箱は、箱外に連通する排出口を備え、
前記塵芥投入箱は、前記排出口を開閉するように前記塵芥収容箱に対して移動可能であって、塵芥を前記塵芥収容箱へと移動させる、油圧駆動の積込装置を備え、
前記排出板は、前記塵芥収容箱内で、前記排出口側と前記塵芥収容箱の奥側との間で往復移動可能に設けられ、
前記排出アクチュエータは、油圧駆動であって、前記排出板を往復移動させるように前記排出板に接続され、
前記油圧回路には、少なくとも切替弁とオイルタンクとが含まれ、
前記切替弁は、前記排出板が前記塵芥収容箱の奥側に移動した際に前記排出アクチュエータと前記オイルタンクとを結ぶように作動油が流れる油路に設けられていて、パイロット圧により連通状態と遮断状態とが切り替わるよう構成されており、
前記切替弁の切り替えのための前記パイロット圧は、前記積込装置の駆動時に立つ油圧の圧力である、塵芥収集車。
続きを表示(約 200 文字)
【請求項2】
前記積込装置は、複数の積込油圧アクチュエータにより駆動され、
前記パイロット圧の検出位置は、前記複数の積込油圧アクチュエータよりも油圧源側とされている、請求項1に記載の塵芥収集車。
【請求項3】
前記油圧回路には、リリーフ弁が含まれ、
前記切替弁と前記リリーフ弁とは並列して前記オイルタンクに接続されている、請求項1または2に記載の塵芥収集車。
発明の詳細な説明
【技術分野】
【0001】
本発明は、塵芥収集車に関する。
続きを表示(約 1,500 文字)
【背景技術】
【0002】
塵芥収集車には、塵芥を投入するための塵芥投入箱と、塵芥投入箱の前部に連接して設けられ、塵芥投入箱に投入された塵芥を収容するための塵芥収容箱と、を備えている。塵芥収容箱は、箱外に連通する排出口を備えるとともに、前後方向に移動可能な排出板と、この排出板を移動させる排出アクチュエータと、を備えている。塵芥投入箱は、前記排出口を開閉するように塵芥収容箱に対して移動可能に設けられ、投入された塵芥を塵芥収容箱へ移動させる積込装置を備えている。そして、排出アクチュエータを駆動して排出板を後方へ移動させることによって、収容された塵芥を塵芥収容箱の排出口から外部に排出することができるようにしている(例えば、特許文献1参照)。
【0003】
上記塵芥収集車では、塵芥投入箱に投入された塵芥を積込装置の駆動により塵芥収容箱へ移動させて収容することになる。この塵芥の移動に伴って排出板が前方側に移動できない構成であるため、積込状況に応じて塵芥収容空間の容積を増大させることができず、使用し難いものであった。
【先行技術文献】
【特許文献】
【0004】
特開2016-52940号公報(図3,4参照)
【発明の概要】
【発明が解決しようとする課題】
【0005】
そこで本発明は、塵芥の積み込み時に排出板を前方へ移動可能な塵芥収集車を提供することを目的とする。
【課題を解決するための手段】
【0006】
本発明の塵芥収集車は、シャシと、前記シャシに固定された塵芥収容箱と、
前記塵芥収容箱に連接して設けられた塵芥投入箱と、前記塵芥収容箱内に設けられた排出板と、前記排出板に接続された排出アクチュエータと、前記排出アクチュエータに、作動油が出入り可能に接続された油圧回路と、を備え、前記塵芥収容箱は、箱外に連通する排出口を備え、前記塵芥投入箱は、前記排出口を開閉するように前記塵芥収容箱に対して移動可能であって、塵芥を前記塵芥収容箱へと移動させる、油圧駆動の積込装置を備え、前記排出板は、前記塵芥収容箱内で、前記排出口側と前記塵芥収容箱の奥側との間で往復移動可能に設けられ、前記排出アクチュエータは、油圧駆動であって、前記排出板を往復移動させるように前記排出板に接続され、前記油圧回路には、少なくとも切替弁とオイルタンクとが含まれ、前記切替弁は、前記排出板が前記塵芥収容箱の奥側に移動した際に前記排出アクチュエータと前記オイルタンクとを結ぶように作動油が流れる油路に設けられていて、パイロット圧により連通状態と遮断状態とが切り替わるよう構成されており、前記切替弁の切り替えのための前記パイロット圧は、前記積込装置の駆動時に立つ油圧の圧力である。
【0007】
本発明によれば、積込装置の駆動時に立つ圧力であるパイロット圧により、切替弁を連通状態に切り替えることができるため、積込装置に連動して排出板を移動可能な状態にできる。
【0008】
また、本発明の塵芥収集車は、前記積込装置が、複数の積込油圧アクチュエータにより駆動され、前記パイロット圧の検出位置は、前記複数の積込油圧アクチュエータよりも油圧源側とされていてもよい。
【0009】
上記構成によれば、積込装置におけるいずれかの積込油圧アクチュエータが駆動中は、切替弁を連通状態に切り替えることができる。
【0010】
また、本発明の塵芥収集車は、前記油圧回路には、リリーフ弁が含まれ、
前記切替弁と前記リリーフ弁とは並列して前記オイルタンクに接続されていてもよい。
(【0011】以降は省略されています)
この特許をJ-PlatPat(特許庁公式サイト)で参照する
関連特許
個人
収容箱
4か月前
個人
束ね具
29日前
個人
コンベア
6か月前
個人
段ボール箱
8か月前
個人
容器
10か月前
個人
ゴミ収集器
8か月前
個人
段ボール箱
8か月前
個人
角筒状構造体
7か月前
個人
土嚢運搬器具
10か月前
個人
楽ちんハンド
6か月前
個人
バンド
3か月前
個人
宅配システム
8か月前
個人
テープ引出機
29日前
個人
閉塞装置
11か月前
個人
棒状体収容容器
1か月前
個人
コード類収納具
9か月前
個人
包装容器
2か月前
個人
廃棄物収容容器
4か月前
個人
お薬の締結装置
7か月前
株式会社和気
包装用箱
10か月前
個人
積み重ね用補助具
4か月前
個人
蓋閉止構造
5か月前
株式会社コロナ
梱包材
7か月前
個人
蓋閉止構造
5か月前
株式会社バンダイ
物品
2か月前
株式会社和気
包装用箱
1か月前
個人
把手付米袋
6か月前
個人
貯蔵サイロ
8か月前
個人
ゴミ処理機
10か月前
株式会社KY7
封止装置
4か月前
三甲株式会社
蓋体
9か月前
株式会社ナベル
検査装置
1か月前
三甲株式会社
容器
7か月前
三甲株式会社
蓋体
10か月前
個人
袋入り即席麺
8か月前
三甲株式会社
容器
7か月前
続きを見る
他の特許を見る