TOP
|
特許
|
意匠
|
商標
特許ウォッチ
Twitter
他の特許を見る
10個以上の画像は省略されています。
公開番号
2025178903
公報種別
公開特許公報(A)
公開日
2025-12-09
出願番号
2024085774
出願日
2024-05-27
発明の名称
電子モジュールおよび電子機器
出願人
キヤノン株式会社
代理人
個人
,
個人
,
個人
主分類
H01L
25/04 20230101AFI20251202BHJP(基本的電気素子)
要約
【課題】電子モジュールにおける通信速度の高速化を実現する。
【解決手段】電子モジュールにおいて、配線板は、複数の配線層と、第1乃至第4のビア群を含み、第1半導体素子の第1端子群の第1端子に接続された第1ビアと第1端子群の第2端子に接続された第2ビアは第1方向に配列され、第2端子群の第3端子に接続された第3ビアと第2端子群の第4端子に接続され、第3ビアに隣り合う第4ビアは第1方向に交差する第2方向に配列され、第1ビアと第2ビアとを結ぶ仮想直線が、第3ビアと第4ビアとの間を通り、第1ビアと第2半導体素子の第3端子群の第5端子に接続された第5ビアとを接続する第1配線および第2ビアと第3端子群の第6端子に接続された第6ビアとを接続する第2配線が、第3ビアと第4ビアとの間を通る。
【選択図】図5A
特許請求の範囲
【請求項1】
配線板と、
前記配線板の一方の主面に搭載された第1半導体素子および第2半導体素子と、を備える電子モジュールであって、
前記第1半導体素子は、第1端子群および第2端子群を含み、
前記第2半導体素子は、第3端子群および第4端子群を含み、
前記配線板は、複数の配線層と、前記第1端子群の複数の端子にそれぞれ接続された複数のスルービアを有する第1ビア群と、前記第2端子群の複数の端子にそれぞれ接続された複数のスルービアを有する第2ビア群と、前記第3端子群の複数の端子にそれぞれ接続された複数のスルービアを有する第3ビア群と、前記第4端子群の複数の端子にそれぞれ接続された複数のスルービアを有する第4ビア群とを含み、
前記第1半導体素子の前記第1端子群は、前記第1ビア群および前記第3ビア群を介して前記第2半導体素子の前記第3端子群に接続され、前記第1半導体素子の前記第2端子群は、前記第2ビア群および前記第4ビア群を介して前記第2半導体素子の前記第4端子群にそれぞれ接続され、
前記第1ビア群は、前記第1端子群の第1端子に接続された第1ビアと、前記第1端子群の第2端子に接続された第2ビアと、を有し、
前記第2ビア群は、前記第2端子群の第3端子に接続された第3ビアと、前記第2端子群の第4端子に接続され、前記第3ビアに隣り合う第4ビアと、を有し、
前記第3ビア群は、前記第3端子群の第5端子に接続された第5ビアと、前記第3端子群の第6端子に接続された第6ビアと、を有し、
前記第1ビアと前記第2ビアは第1方向に配列されており、前記第3ビアと前記第4ビアは前記第1方向に交差する第2方向に配列されており、前記第1ビアと前記第2ビアとを結ぶ仮想直線が、前記第3ビアと前記第4ビアとの間を通り、前記第1ビアと前記第5ビアとを接続する第1配線および前記第2ビアと前記第6ビアとを接続する第2配線が、前記第3ビアと前記第4ビアとの間を通る、
ことを特徴とする電子モジュール。
続きを表示(約 1,200 文字)
【請求項2】
前記第4ビア群は、前記第4端子群の第7端子に接続された第7ビアと、前記第4端子群の第8端子に接続され、前記第7ビアに隣り合う第8ビアと、を有し、
前記第7ビアと前記第8ビアは前記第2方向に配列されており、
前記第1配線および前記第2配線が、前記第3ビアと前記第7ビアとを接続する第3配線と、前記第4ビアと前記第8ビアとを接続する第4配線との間を通る、
ことを特徴とする請求項1に記載の電子モジュール。
【請求項3】
前記第5ビアおよび前記第6ビアが、前記第3配線と、前記第4配線との間に配置されている、
ことを特徴とする請求項2に記載の電子モジュール。
【請求項4】
前記第5ビアと前記第6ビアは前記第1方向に配列されており、前記第5ビアと前記第6ビアとを結ぶ仮想直線が、前記第7ビアと前記第8ビアとの間を通る、
ことを特徴とする請求項2に記載の電子モジュール。
【請求項5】
前記第1ビアと前記第2ビアとを結ぶ前記仮想直線と、前記第5ビアと前記第6ビアとを結ぶ前記仮想直線と、が同一の仮想直線上に位置する、
ことを特徴とする請求項1乃至4のいずれか1項に記載の電子モジュール。
【請求項6】
前記第1ビア群は、前記第1端子群の第9端子に接続された第9ビアを有し、
前記第1ビアと前記第2ビアとを結ぶ前記仮想直線が、前記第9ビアを通り、
前記第2端子と前記第9端子は、前記第1方向に交差する第3方向に配列されている、
ことを特徴とする請求項1に記載の電子モジュール。
【請求項7】
前記第9ビアは前記第1ビアと前記第2ビアとの間に配置されている、
ことを特徴とする請求項6に記載の電子モジュール。
【請求項8】
前記第1端子と前記第2端子は、前記第3方向に交差する第4方向に配列されている、
ことを特徴とする請求項6に記載の電子モジュール。
【請求項9】
前記第4ビア群は、前記第4端子群の第7端子に接続された第7ビアと、前記第4端子群の第8端子に接続され、前記第7ビアに隣り合う第8ビアと、を有し、
前記第3ビア群は、前記第3端子群の第10端子に接続された第10ビアを有し、
前記第9ビアと前記第10ビアを接続する第5配線が、前記第7ビアと前記第8ビアの間を通る、
ことを特徴とする請求項6に記載の電子モジュール。
【請求項10】
前記第3ビア群は、前記第3端子群の第10端子に接続された第10ビアを有し、
前記第10ビアは、前記第5ビアと前記第6ビアとの間に配置されている、
ことを特徴とする請求項8に記載の電子モジュール。
(【請求項11】以降は省略されています)
発明の詳細な説明
【技術分野】
【0001】
本開示は、電子モジュールおよび電子機器に関する。
続きを表示(約 3,900 文字)
【背景技術】
【0002】
特許文献1には、複数の送信端子を有するメモリコントローラと、複数の端子を有するメモリ素子と、メモリコントローラおよびメモリ素子が実装されたプリント配線板と、を備えるメモリシステムが開示されている。メモリコントローラの送信端子とメモリ素子の受信端子とは、プリント配線板に設けられたバス配線によって電気的に接続される。メモリコントローラは、コマンド信号およびアドレス信号の制御信号を、バス配線を介してメモリ素子に送信することでメモリ素子を制御する。また、メモリコントローラおよびメモリ素子は、データ信号を送受信するデータ端子を有している。メモリコントローラのデータ端子は、メモリ素子のデータ端子とプリント配線板のデータ信号線によって電気的に接続される。
【先行技術文献】
【特許文献】
【0003】
特開2014-16867号公報
【発明の概要】
【発明が解決しようとする課題】
【0004】
大容量のデータを高速に処理するために、電子モジュールにおける通信速度の高速化が求められている。例えば、電子モジュールの一例であるメモリインターフェイスは、クロック信号に同期して動作する。高速化によりクロック信号の周波数が高くなると、クロック信号の周期は短くなる。また、制御信号は、クロック信号に同期して動作する。そのため、通信速度の高速化を実現するためには、制御信号がメモリ素子に受信される時間のばらつきを小さくすることが求められる。
そこで、本開示は、通信速度の高速化を実現することができる電子モジュールおよび電子機器を提供することを目的とする。
【課題を解決するための手段】
【0005】
本開示の一観点によれば、配線板と、前記配線板の一方の主面に搭載された第1半導体素子および第2半導体素子と、を備える電子モジュールであって、前記第1半導体素子は、第1端子群および第2端子群を含み、前記第2半導体素子は、第3端子群および第4端子群を含み、前記配線板は、複数の配線層と、前記第1端子群の複数の端子にそれぞれ接続された複数のスルービアを有する第1ビア群と、前記第2端子群の複数の端子にそれぞれ接続された複数のスルービアを有する第2ビア群と、前記第3端子群の複数の端子にそれぞれ接続された複数のスルービアを有する第3ビア群と、前記第4端子群の複数の端子にそれぞれ接続された複数のスルービアを有する第4ビア群とを含み、前記第1半導体素子の前記第1端子群は、前記第1ビア群および前記第3ビア群を介して前記第2半導体素子の前記第3端子群に接続され、前記第1半導体素子の前記第2端子群は、前記第2ビア群および前記第4ビア群を介して前記第2半導体素子の前記第4端子群にそれぞれ接続され、前記第1ビア群は、前記第1端子群の第1端子に接続された第1ビアと、前記第1端子群の第2端子に接続された第2ビアと、を有し、前記第2ビア群は、前記第2端子群の第3端子に接続された第3ビアと、前記第2端子群の第4端子に接続され、前記第3ビアに隣り合う第4ビアと、を有し、前記第3ビア群は、前記第3端子群の第5端子に接続された第5ビアと、前記第3端子群の第6端子に接続された第6ビアと、を有し、前記第1ビアと前記第2ビアは第1方向に配列されており、前記第3ビアと前記第4ビアは前記第1方向に交差する第2方向に配列されており、前記第1ビアと前記第2ビアとを結ぶ仮想直線が、前記第3ビアと前記第4ビアとの間を通り、前記第1ビアと前記第5ビアとを接続する第1配線および前記第2ビアと前記第6ビアとを接続する第2配線が、前記第3ビアと前記第4ビアとの間を通る、ことを特徴とする電子モジュールが提供される。
【発明の効果】
【0006】
本開示によれば、電子モジュールにおける通信速度の高速化を実現することができる。
【図面の簡単な説明】
【0007】
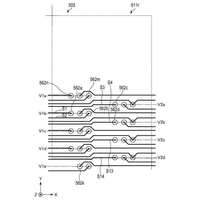
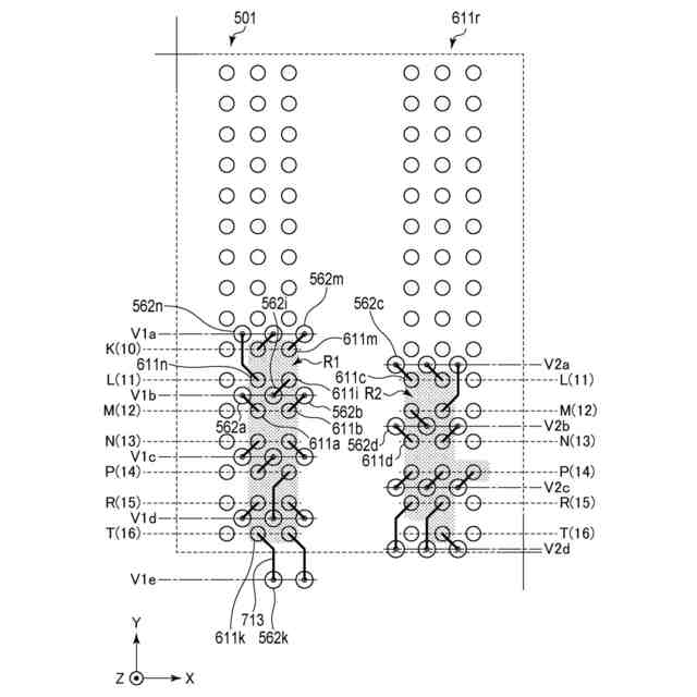
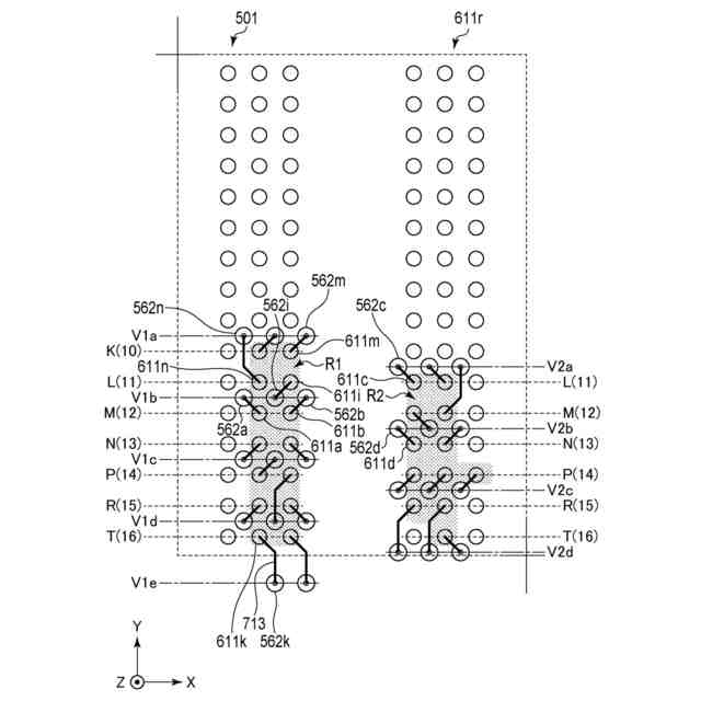
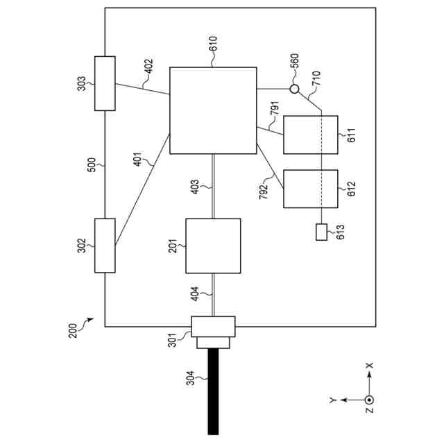
一実施形態に係る電子機器の一例を示す斜視図である。
一実施形態に係る電子モジュールの全体構成例を模式的に示す説明図である。
一実施形態に係る電子モジュールにおける配線層とビアの構造を説明する断面図である。
一実施形態に係るメモリ素子における端子の配列構造を示す平面図である。
一実施形態に係るプリント配線板の配線層における制御端子とビアとの位置関係および接続構造を模式的に示す配線図である。
一実施形態に係るプリント配線板の配線層におけるコマンド/アドレス信号線とビアとの接続構造を模式的に示す配線図である。
一実施形態に係るプリント配線板の配線層におけるコマンド/アドレス信号線とビアとの接続構造を模式的に示す配線図である。
一実施形態に係るプリント配線板の配線層における制御端子とビアとの位置関係および接続構造を模式的に示す配線図である。
一実施形態に係るプリント配線板の配線層におけるコマンド/アドレス信号線とビアとの接続構造を模式的に示す配線図である。
一実施形態に係るプリント配線板の配線層におけるコマンド/アドレス信号線とビアとの接続構造を模式的に示す配線図である。
実施例1に係るコマンド/アドレス信号線を模式的に示す平面図である。
実施例1に係るプリント配線板の配線層における制御端子とビアとの位置関係および接続構造を模式的に示す配線図である。
実施例1に係るプリント配線板の配線層におけるコマンド/アドレス信号線とビアとの接続構造を模式的に示す配線図である。
実施例1に係るプリント配線板の配線層におけるコマンド/アドレス信号線とビアとの接続構造を模式的に示す配線図である。
実施例1のシミュレーション波形を示す図である。
実施例2に係るコマンド/アドレス信号線を模式的に示す平面図である。
実施例2に係るプリント配線板の配線層におけるコマンド/アドレス信号線とビアとの接続構造を模式的に示す配線図である。
実施例2に係るプリント配線板の配線層におけるコマンド/アドレス信号線とビアとの接続構造を模式的に示す配線図である。
実施例2に係るプリント配線板の配線層におけるコマンド/アドレス信号線とビアとの接続構造を模式的に示す配線図である。
参考例に係るプリント配線板の配線層におけるコマンド/アドレス信号線とビアとの接続構造を模式的に示す配線図である。
参考例に係るプリント配線板の配線層におけるコマンド/アドレス信号線とビアとの接続構造を模式的に示す配線図である。
参考例に係るプリント配線板の配線層におけるコマンド/アドレス信号線とビアとの接続構造を模式的に示す配線図である。
参考例のシミュレーション波形を示す図である。
【発明を実施するための形態】
【0008】
以下、本開示を実施するための形態を、図面を参照しながら詳細に説明する。なお、本開示は以下の実施形態に限定されるものではなく、その要旨を逸脱しない範囲において適宜変更可能である。また、以下で説明する図面において、同じ機能を有するものは同一の符号を付し、その説明を省略または簡潔にすることもある。同様もしくは類似の機能を有するが別々の構成であるものについては、同一の名称で異なる符号を付して説明し、それらについては、第1、第2と、適宜に序数を付して区別することもできる。
【0009】
[一実施形態]
本開示の一実施形態に係る電子モジュールおよび電子モジュールを用いた電子機器について図1乃至図6Cを用いて説明する。
【0010】
図1は、本実施形態に係る電子機器100の一例を示す斜視図である。電子機器100は、特に限定されるものではないが、例えば撮像機器、表示機器、事務機器、印刷機器、産業機器、医療機器などのデジタル機器である。電子機器100は、画像などの情報を扱う画像装置101を備えうる。また、電子機器100は、画像に対応した画像データを扱う回路装置を備えうる。画像装置101は、例えば画像取得装置や画像形成装置である。画像取得装置は例えばセンサによる撮像装置やユーザー入力による描画装置、人工知能による画像生成装置である。画像形成装置は例えば表示装置や印刷装置である。回路装置は、記憶装置、通信装置、制御装置、入出力装置、演算装置(処理装置)の少なくともいずれかでありうる。例えば回路装置は、画像取得装置で得られた画像信号に基づく画像データを出力しうる。また、画像形成装置は、回路装置が出力した画像データに基づいて画像を形成する。カメラでは、CMOSイメージセンサなどの撮像装置で得られた画像信号に基づく画像データを回路装置が出力し、回路装置が出力した画像データに基づいて、液晶ディスプレイや有機ELディスプレイなどの表示装置が画像を表示(形成)する。複写機では、スキャナなどの撮像装置で得られた画像信号に基づく画像データを回路装置が出力し、回路装置が出力した画像データに基づいて、電子写真方式やインクジェット方式の印刷装置が画像を印刷(形成)する。複写機に限らず、単機能スキャナや単機能プリンタでも同様に、回路装置と画像装置を備えうる。
(【0011】以降は省略されています)
この特許をJ-PlatPat(特許庁公式サイト)で参照する
関連特許
APB株式会社
蓄電セル
1か月前
東ソー株式会社
絶縁電線
1か月前
日機装株式会社
加圧装置
5日前
個人
フレキシブル電気化学素子
2か月前
マクセル株式会社
電源装置
1か月前
株式会社東芝
端子台
1か月前
日新イオン機器株式会社
イオン源
5日前
日新イオン機器株式会社
イオン源
1か月前
ローム株式会社
半導体装置
1か月前
株式会社ユーシン
操作装置
2か月前
株式会社GSユアサ
蓄電設備
2か月前
株式会社GSユアサ
蓄電装置
1か月前
株式会社GSユアサ
蓄電装置
1か月前
株式会社ホロン
冷陰極電子源
1か月前
太陽誘電株式会社
コイル部品
2か月前
株式会社GSユアサ
蓄電設備
2か月前
株式会社GSユアサ
蓄電装置
1か月前
富士電機株式会社
電磁接触器
20日前
株式会社GSユアサ
蓄電装置
20日前
オムロン株式会社
電磁継電器
2か月前
三菱電機株式会社
回路遮断器
28日前
個人
電源ボックス及び電子機器
5日前
株式会社東芝
電子源
5日前
トヨタ自動車株式会社
バッテリ
1か月前
サクサ株式会社
電池の固定構造
2か月前
トヨタ自動車株式会社
蓄電装置
1か月前
日本特殊陶業株式会社
保持装置
1か月前
北道電設株式会社
配電具カバー
1か月前
トヨタ自動車株式会社
冷却構造
1か月前
ノリタケ株式会社
熱伝導シート
2か月前
日本特殊陶業株式会社
保持装置
1か月前
トヨタ自動車株式会社
蓄電装置
2か月前
株式会社トクミ
ケーブル
6日前
日新イオン機器株式会社
基板処理装置
1か月前
トヨタ自動車株式会社
蓄電装置
12日前
大電株式会社
電線又はケーブル
12日前
続きを見る
他の特許を見る