TOP
|
特許
|
意匠
|
商標
特許ウォッチ
Twitter
他の特許を見る
10個以上の画像は省略されています。
公開番号
2025178332
公報種別
公開特許公報(A)
公開日
2025-12-05
出願番号
2025153691,2023095224
出願日
2025-09-17,2023-06-09
発明の名称
遊技機
出願人
株式会社三洋物産
代理人
個人
主分類
A63F
7/02 20060101AFI20251128BHJP(スポーツ;ゲーム;娯楽)
要約
【課題】処理を好適に実行することが可能な遊技機を提供すること。
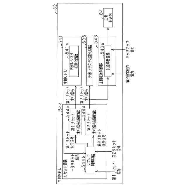
【解決手段】リセット制御回路544bは、第1所定リセット契機が発生したことに基づいて主側MPU82の全部リセットが行われるようにする手段と、第2所定リセット契機が発生したことに基づいて主側MPU82の一部リセットが行われるようにする手段と、を備えている。また、主側MPU82は、所定リセット後処理を実行する手段、及びメイン処理を実行する手段を備えている。主側MPU82の全部リセットが解除された場合には所定リセット後処理が実行された後にメイン処理が開始される構成であり、主側MPU82の一部リセットが解除された場合には当該所定リセット後処理が実行されることなく、メイン処理が開始される構成である。
【選択図】 図313
特許請求の範囲
【請求項1】
各種処理を実行する所定制御手段を備えた遊技機において、
前記所定制御手段は、
第1所定リセット契機が発生したことに基づいて前記所定制御手段を第1所定リセット状態とする第1所定リセットが行われるようにする第1所定リセット手段と、
第2所定リセット契機が発生したことに基づいて前記所定制御手段を第2所定リセット状態とする第2所定リセットが行われるようにする第2所定リセット手段と、
所定リセット後処理を実行する所定リセット後処理実行手段と、
所定制御処理を実行する所定制御処理実行手段と、
を備え、
前記第1所定リセット状態及び前記第2所定リセット状態は、当該状態の解除後に前記所定制御処理が実行されることとなるように設定されている状態であり、
前記第1所定リセット状態が解除された場合には前記所定リセット後処理が実行された後に前記所定制御処理が開始される構成であり、
前記第2所定リセット状態が解除された場合には、前記所定リセット後処理が実行されることなく、前記所定制御処理が開始される構成であることを特徴とする遊技機。
発明の詳細な説明
【技術分野】
【0001】
本発明は、遊技機に関するものである。
続きを表示(約 6,000 文字)
【背景技術】
【0002】
遊技機の一種として、パチンコ機やスロットマシン等が知られている。これらの遊技機では、所定の抽選条件が成立したことに基づいて内部抽選が行われ、当該内部抽選の結果に応じて遊技者に特典が付与される構成が知られている。
【0003】
パチンコ機について具体的には、遊技領域に設けられた入球部に遊技球が入球したことに基づく内部抽選にて当選結果となることで特別遊技状態に移行する構成や、所定の入球部に遊技球が入球したことに基づき特別遊技状態に移行する構成が知られている。そして、特別遊技状態に移行した場合には、例えば遊技領域に設けられた入球装置の開閉が開始され、当該入球装置への入球に基づき遊技球が払い出されるようになっている(例えば特許文献1参照)。
【先行技術文献】
【特許文献】
【0004】
特開2019-005447号公報
【発明の概要】
【発明が解決しようとする課題】
【0005】
ここで、上記例示等のような遊技機においては処理が好適に実行される必要があり、この点について未だ改良の余地がある。
【0006】
本発明は、上記例示した事情等に鑑みてなされたものであり、処理を好適に実行することが可能な遊技機を提供することを目的とするものである。
【課題を解決するための手段】
【0007】
上記課題を解決すべく請求項1記載の発明は、各種処理を実行する所定制御手段を備えた遊技機において、
前記所定制御手段は、
第1所定リセット契機が発生したことに基づいて前記所定制御手段を第1所定リセット状態とする第1所定リセットが行われるようにする第1所定リセット手段と、
第2所定リセット契機が発生したことに基づいて前記所定制御手段を第2所定リセット状態とする第2所定リセットが行われるようにする第2所定リセット手段と、
所定リセット後処理を実行する所定リセット後処理実行手段と、
所定制御処理を実行する所定制御処理実行手段と、
を備え、
前記第1所定リセット状態及び前記第2所定リセット状態は、当該状態の解除後に前記所定制御処理が実行されることとなるように設定されている状態であり、
前記第1所定リセット状態が解除された場合には前記所定リセット後処理が実行された後に前記所定制御処理が開始される構成であり、
前記第2所定リセット状態が解除された場合には、前記所定リセット後処理が実行されることなく、前記所定制御処理が開始される構成であることを特徴とする。
【発明の効果】
【0008】
本発明によれば、処理を好適に実行することが可能となる。
【図面の簡単な説明】
【0009】
第1の実施形態におけるパチンコ機を示す斜視図である。
パチンコ機の主要な構成を分解して示す斜視図である。
遊技盤の構成を示す正面図である。
(a),(b)遊技回が実行される場合における図柄表示装置の表示内容を説明するための説明図である。
(a)~(j)各図柄列にて変動表示される主図柄及び副図柄を説明するための説明図である。
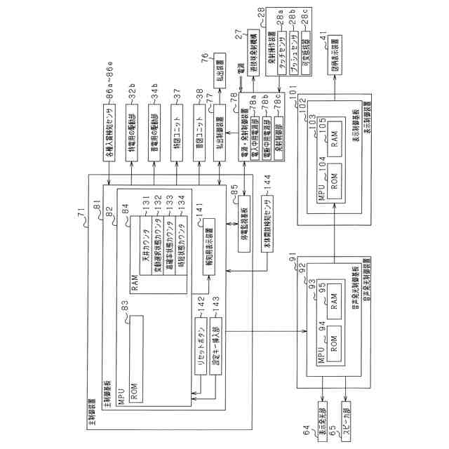
パチンコ機の電気的構成を示すブロック図である。
各種カウンタ及び各種記憶エリアの内容を説明するための説明図である。
サポートモードの内容を説明するための説明図である。
(a)低確率時の第1当否テーブルを説明するための説明図であり、(b)低確率時の第2当否テーブルを説明するための説明図であり、(c)高確率時の当否テーブルを説明するための説明図である。
(a)第1特図用の大当たり振分テーブルを説明するための説明図であり、(b)第2特図用の大当たり振分テーブルを説明するための説明図であり、(c)第1特図用の時短振分テーブルを説明するための説明図であり、(d)第2特図用の時短振分テーブルを説明するための説明図である。
(a)各大当たり結果の内容を説明するための説明図であり、(b)各時短結果及び天井時短の内容を説明するための説明図である。
(a)~(e)時短結果又は天井時短によって時短状態が設定される様子を示すタイムチャートである。
主側MPUにおけるメイン処理を示すフローチャートである。
主側MPUにおけるタイマ割込み処理を示すフローチャートである。
主側MPUにおける普図普電制御処理を示すフローチャートである。
主側MPUにおける普図変動開始処理を示すフローチャートである。
主側MPUにおける普図確定中処理を示すフローチャートである。
主側MPUにおける特図特電制御処理を示すフローチャートである。
主側MPUにおける保留情報の取得処理を示すフローチャートである。
主側MPUにおける特図変動開始処理を示すフローチャートである。
主側MPUにおける変動表示期間の特定処理を示すフローチャートである。
主側MPUにおける特図確定中処理を示すフローチャートである。
主側MPUにおける特電終了処理を示すフローチャートである。
主側MPUにおける高確率状態カウンタの減算処理を示すフローチャートである。
主側MPUにおける時短結果用の設定処理を示すフローチャートである。
特図表示部の停止結果及び図柄表示装置の停止結果を説明するための説明図である。
(a)通常遊技状態又は時短状態の最終遊技回であって第1保留情報を契機とした遊技回において第1時短結果となった場合における第1特図表示部及び図柄表示装置の停止結果を説明するための説明図であり、(b)高確率状態又は時短状態の最終遊技回以外の遊技回であって第1保留情報を契機とした遊技回において第1時短結果となった場合における第1特図表示部及び図柄表示装置の停止結果を説明するための説明図であり、(c)第1保留情報を契機とした遊技回において外れ結果となった場合における第1特図表示部及び図柄表示装置の停止結果を説明するための説明図である。
音光側MPUにおける変動パターンの決定処理を示すフローチャートである。
主側MPUにおける天井カウンタの減算処理を示すフローチャートである。
主側MPUにおける時短状態カウンタの減算処理を示すフローチャートである。
(a)~(e)特図確定中処理における処理の実行順序を説明するためのタイムチャートである。
主側MPUにおける変動選択状態カウンタの減算処理を示すフローチャートである。
(a)~(f)リーチ高頻度状態と天井時短を契機とした時短状態との実行タイミングの関係を説明するためのタイムチャートである。
第2の実施形態における遊技盤の正面図である。
(a)非誘導状態における特別入賞装置の縦断面図であり、(b)誘導状態における特別入賞装置の縦断面図である。
振分入賞装置の内部構成を説明するための縦断面図である。
(a)第1当否テーブルを説明するための説明図であり、(b)第2当否テーブルを説明するための説明図であり、(c)大当たり振分テーブルを説明するための説明図であり、(d)小当たり振分テーブルを説明するための説明図である。
第1サポートモード及び第2サポートモードを説明するための説明図である。
主側MPUにおける特図特電制御処理を示すフローチャートである。
主側MPUにおける保留情報の取得処理を示すフローチャートである。
主側MPUにおける特図変動開始処理を示すフローチャートである。
主側MPUにおける特図確定中処理を示すフローチャートである。
主側MPUにおける振分開始用処理を示すフローチャートである。
主側MPUにおける振分用処理を示すフローチャートである。
主側MPUにおける特電終了処理を示すフローチャートである。
主側MPUにおける普図普電制御処理を示すフローチャートである。
主側MPUにおける普図変動開始処理を示すフローチャートである。
主側MPUにおける普図確定中処理を示すフローチャートである。
主側MPUにおけるサポート状態カウンタの減算処理を示すフローチャートである。
主側MPUにおけるサポート終了判定処理を示すフローチャートである。
サポートモードが変化していく様子を示すタイムチャートである。
音光側MPUにおける演出制御処理を示すフローチャートである。
(a)遊技回用の演出が実行されている状況で表示される解除規定数の報知画像及び時間計測画像の表示内容を説明するための説明図であり、(b)振分実行モード用の演出が実行されている状況で表示される解除規定数の報知画像の表示内容を説明するための説明図である。
第3の実施形態における主側MPUのサポート終了判定処理を示すフローチャートである。
第4の実施形態における主制御装置の正面図である。
主側ROMにおけるプログラム及びデータの設定態様を説明するための説明図である。
主側RAMにおける各エリアの設定態様を説明するための説明図である。
特定制御用のワークエリアに設けられた各種記憶エリア及び非特定制御用のワークエリアに設けられた各種記憶エリアを説明するための説明図である。
主側MPUから音光側MPUにコマンドを送信するための電気的な構成を説明するための説明図である。
(a)~(d)コマンドが送信される様子を示すタイムチャートである。
主側MPUにおけるメイン処理を示すフローチャートである。
主側MPUにおける設定確認用処理を示すフローチャートである。
主側MPUにおける設定値更新処理を示すフローチャートである。
設定値更新処理又は設定確認用処理が実行されている状況において停電時処理が実行された場合に、その後の動作電力の供給の再開に際してメイン処理にて実行される処理の内容を説明するための説明図である。
主側MPUにおける第1管理用処理を示すフローチャートである。
主側MPUにおける初期設定処理を示すフローチャートである。
主側MPUにおける断線短絡処理を示すフローチャートである。
主側MPUにおける第1タイマ割込み処理を示すフローチャートである。
遊技領域を流下した遊技球の排出に関する構成を説明するための説明図である。
主側MPUに検知センサの検知結果が入力されるようにする構成を説明するための説明図である。
主側MPUにおける入球検知処理を示すフローチャートである。
主側MPUにおける保留情報の取得処理を示すフローチャートである。
主側MPUにおける不正検知用処理を示すフローチャートである。
主側MPUにおける情報クリア処理を示すフローチャートである。
主側MPUにおける不正検知実行処理を示すフローチャートである。
主側MPUにおける普電制御処理を示すフローチャートである。
(a)主側MPUにおける特電開始処理を示すフローチャートであり、(b)主側MPUにおける特電開放中処理を示すフローチャートであり、(c)主側MPUにおける特電閉鎖中処理を示すフローチャートである。
主側MPUにおける磁気監視処理を示すフローチャートである。
主側MPUにおける不正対応処理を示すフローチャートである。
(a)~(h)第2作動口検知センサを例に挙げて入賞監視が行われる様子を示すタイムチャートである。
主側MPUにおけるセキュリティ用処理を示すフローチャートである。
(a)~(h)セキュリティ信号が外部出力される様子を示すタイムチャートである。
遊技履歴を管理するために使用される非特定制御用のワークエリアの各種エリアを説明するための説明図である。
演算結果記憶エリアの各種エリアを説明するための説明図である。
(a)~(d)第1~第4報知用表示装置の表示内容を説明するための説明図である。
(a)~(c)第1~第4報知用表示装置の表示内容を説明するための説明図である。
主側MPUにおける第2管理用処理を示すフローチャートである。
主側MPUにおけるチェック処理を示すフローチャートである。
主側MPUにおける通常の入球管理処理を示すフローチャートである。
主側MPUにおける結果演算処理を示すフローチャートである。
主側MPUにて各種表示回路を表示制御するための構成を説明するためのブロック図である。
特定制御用のワークエリアに設けられた各種バッファを説明するための説明図である。
表示ICの電気的な構成を説明するための説明図である。
主側MPUにおける第2タイマ割込み処理を示すフローチャートである。
主側MPUにおける第8表示データバッファへの設定処理を示すフローチャートである。
主側MPUにおける表示用処理を示すフローチャートである。
(a)~(i)主側MPUへの動作電力の供給が開始された場合における第1~第4報知用表示装置及び設定表示装置にて各種表示が行われる様子を示すタイムチャートである。
主側MPUにおけるRAMクリア処理を示すフローチャートである。
主側MPUにおける情報異常監視処理を示すフローチャートである。
第5の実施形態における非特定制御用のワークエリアの各種エリアを説明するための説明図である。
【発明を実施するための形態】
【0010】
<第1の実施形態>
以下、遊技機の一種であるパチンコ遊技機(以下、「パチンコ機」という)の第1の実施形態を、図面に基づいて詳細に説明する。図1はパチンコ機10の斜視図、図2はパチンコ機10の主要な構成を分解して示す斜視図である。なお、図2では便宜上、遊技領域内の構成を省略している。
(【0011】以降は省略されています)
この特許をJ-PlatPat(特許庁公式サイト)で参照する
関連特許
株式会社三洋物産
遊技機
2か月前
株式会社三洋物産
遊技機
1か月前
株式会社三洋物産
遊技機
1か月前
株式会社三洋物産
遊技機
1か月前
株式会社三洋物産
遊技機
1か月前
株式会社三洋物産
遊技機
1か月前
株式会社三洋物産
遊技機
1か月前
株式会社三洋物産
遊技機
2か月前
株式会社三洋物産
遊技機
2か月前
株式会社三洋物産
遊技機
2か月前
株式会社三洋物産
遊技機
2か月前
株式会社三洋物産
遊技機
1か月前
株式会社三洋物産
遊技機
1か月前
株式会社三洋物産
遊技機
1か月前
株式会社三洋物産
遊技機
1か月前
株式会社三洋物産
遊技機
1か月前
株式会社三洋物産
遊技機
1か月前
株式会社三洋物産
遊技機
1か月前
株式会社三洋物産
遊技機
1か月前
株式会社三洋物産
遊技機
1か月前
株式会社三洋物産
遊技機
1か月前
株式会社三洋物産
遊技機
2か月前
株式会社三洋物産
遊技機
2か月前
株式会社三洋物産
遊技機
2か月前
株式会社三洋物産
遊技機
1か月前
株式会社三洋物産
遊技機
1か月前
株式会社三洋物産
遊技機
1か月前
株式会社三洋物産
遊技機
1か月前
株式会社三洋物産
遊技機
1か月前
株式会社三洋物産
遊技機
1か月前
株式会社三洋物産
遊技機
1か月前
株式会社三洋物産
遊技機
1か月前
株式会社三洋物産
遊技機
1か月前
株式会社三洋物産
遊技機
1か月前
株式会社三洋物産
遊技機
1か月前
株式会社三洋物産
遊技機
1か月前
続きを見る
他の特許を見る